Курсовая работа: Расчет динамических моментов
|
Название: Расчет динамических моментов Раздел: Промышленность, производство Тип: курсовая работа | |||||||||||||||||||||||||||||||||||||||||||||||||||||||||||||||||||||||||||||||||||||||||||||||||||||||||||||||||||||||||||||||||||||||||||||||||||||||||||||||||||||||||||||||||||||||||||||||||||||||||||||||||||||||||||||||||||||||||||||||||||||||||||||||||||||||||||||||||||||||||||||||||||||||||||||||||||||||||||||||||||||||||||||||||
План 1 Описание исполнительного механизма и технологического процесса его работы......................................................................................................................... 2 2 Задание на курсовое проектирование........................................................ 3 2.1 Кинематический анализ механизма.......................................................... 3 2.2 Построение нагрузочной диаграммы скорости как функции угла поворота кривошипа....................................................................................................... 9 3 Построение планов скоростей.................................................................. 10 4 Расчёт моментов........................................................................................ 13 4.1 Расчёт статического момента.................................................................. 13 4.2 Расчёт динамического момента.............................................................. 14 6. Выбор муфт.............................................................................................. 18 8 Расчёт на статическую прочность выходного вала редуктора............... 21 Вывод............................................................................................................ 25 Список используемой литературы.............................................................. 26 1 Описание исполнительного механизма и технологического процесса его работыВ данном курсовом проекте рассматривается расчет привода подъёмно-качающегося стола. Стол предназначен для передачи слитка с одного ручья прокатного стана на другой. Слитки на стол подаются рольгангом в нижнем положении и снимаются с него в верхнем положениях. В исходное положение (нижнее) стол возвращается без слитка. Двигатель выключается до следующего поступления слитка на стол. 2 Задание на курсовое проектирование2.1 Кинематический анализ механизмаРассчитать привод подъёмно-качающегося стола, схема которого приведена на рис.1, нагрузочная диаграмма угловой скорости на рис.2
Рис. 1. Кинематическая схема подъёмно-качающегося стола:
В таблице 1 приведены значения параметров для варианта 1. Таблица 1
По нагрузочной диаграмме угловой скорости (рис.2) определим: значение угловой скорости ω max ; зависимость угловой скорости от угла поворота φ кривошипа; вычислим передаточное число редуктора. Разобьем нагрузочную диаграмму на участки I, II, III. Участок I Время изменяется в пределах
движение равноускоренное, угол поворота определим по формуле
где: ε I – угловое ускорение рад/с., t – время в с ., φ – угол поворота. ε I -находим из условия, что к моменту 0.1t, ω I = 0.7ω max , Так как в начальный момент ω = 0 поэтомуω = ε t , следовательно
Уравнение вращательного движения на I участке примет вид
Угол поворота φ на участке I к моменту 0.1to б
Из выражения (3) выразим t .
подставим в выражение (1) уравнение движения (5) и закон изменения угловой скорости (2), получаем
Отсюда:
Участок II Время изменяется в пределах
движение равноускоренное, угловое ускорение определим по формуле
Где: ∆ω – изменение скорости за весь второй участок 1 ω ma x - 0,7 ω ma x = 0,3ω ma x ; ∆ t – изменение времени за весь второй участок 0,7to б - 0,1to б = 0,6to б . Уравнение вращательного движения на этом участке φ = φо + ωо (t-to )+ ε (t-to )2 / 2 φо – угол поворота в начале участка II(конец участка I), to – начальный момент времени для участка II, ωо – скорость вращения в начале участка II. Подставляя все значения, получаем φ = 0,035 ω max to б +0,7 ω max ( t - 0,1 to б )+ 0,5 ω max ( t - 0,1 to б )2 /2 to б (9) Выражение (9) при t =0,1 to б (начало участка II ) даетзначение φ = 0,035ω max to б при t =0,7 to б (конец участка II ) дает значениеφ = 0,545 ω max to б Закон изменения скорости на участке II примет вид
Подставим значение ω
0
=0,7
ω
max
и
Отсюда
Из этого выражения выразимω II
Участок III Время изменяется в пределах
Так как движение равнозамедленное, отрицательное угловое ускорение определим по формуле
Где: ∆ω – изменение скорости за весь третий участок ∆ω = ω max ; ∆ t – изменение времени за весь третий участок ∆ t = 1 - 0,7 to б .= 0,3 to б Закон изменения скорости на участке III примет вид
Уравнение вращательного движения на этом участке φ = φо + ωо (t-to )+ ε III (t-to )2 / 2 φо – угол поворота в начале участка III(конец участка II), φ = 0,545 ω max to б to – начальный момент времени для участка III,to = 0,7 to б ωо – скорость вращения в начале участка III- ωо = ω max . Подставляя все значения, получаем φ = 0,545 ω max to б + ω max ( t - 0,7 to б ) - ω max ( t - 0,7 to б )2 /0,6 to б (17) Выражение (17) при t = 0,7 to б (начало участка III ) даетзначение φ = 0,545 ω max to б при t = to б (конец участка III ) дает значение φ = 0,545 ω max to б + 0,3 ω max to б - ω max (0,09 to б 2 )/0,6 to б =0,695ω max to б Из выражения (16) выразим t
и подставим в выражение (17). Преобразовывая, получим.
Из этого выражения выразимω III
Значение ωmax определим из выражения (17) при t = to б (конец участка III ) φ =0,695ω max to б . Полный оборот φ = 2π выходной вал редуктораделает заto б =8,4с , поэтомуω max = 2π/0,695 to б = 1,05рад/с Передаточное число редуктора:
Где: ω дв = 75-угловая скорость быстроходного вала редуктора, рад/с ; ω max = 1,05-угловая скорость тихоходного (ведомого) вала редуктора, рад/с . 2.2 Построение нагрузочной диаграммы скорости как функции угла поворота кривошипаПо результатам расчётов угловой скорости и углового ускорения кривошипа строим графики ω = ω (φ ) рис.1. и ε = ε (φ) рис.2. приложения 1 Диаграммы строим по результатам кинематического расчёта для двенадцати положений механизма через 30О и дополнительно включая точки перелома соответствующие углам поворота для t =0,1 to б рассчитываем по формуле (4) т.е. φ = 0,035 ω max to б = 0,035 * 1,05 * 8,4 = 0,309 рад=180*0,309 /π=18О и для t =0,7 to б рассчитываем по формуле (9) т.е. φ = 0,545 ω max to б =0,545*1,05*8,4 =4,807 рад = 180*4,807 /π=276 О Для уточнения вида диаграммы на участке I найдем ω и ε на углах поворота φ = 6 О и 12 О . ε и ω рассчитываем следующим образом: при 0О ≤ φ ≤ 18О расчет ведем по выражениям (2)и (7) соответственно; при 18О < φ ≤276 О расчет ведем по выражениям (8)и (14) соответственно; при 276 О < φ < 360О расчет ведем по выражениям (15)и(20) соответственно. Результаты рассчитанные в программе Mathcad 12 (приложение 1) сведены в таблицу 2. 3 Построение планов скоростейПланы скоростей строятся для двенадцати положений механизма. С помощью планов скоростей определяются скорости всех характерных точек механизма и центров весомых звеньев. Планы скоростей в приложении 2. Рассматривая движение кривошипа, находим скорость точки А . Модуль скорости точки А определяется выражением
Вектор V A скорости точки А направлен в сторону вращения кривошипа перпендикулярно этому звену. На плане скоростей вектор отображается в выбранном масштабе отрезком [ра]. Рассматривая движение шатуна АВ как плоское и выбирая за полюс точку А , находим скорость точки В VВ = VА + VВА . При этом векторном уравнении неизвестны лишь модули векторов VА и VВА (здесь VВА - скорость точки В во вращательном движении звена ВА вокруг полюса А ), следовательно, это уравнение можно решить графически. Отложив в масштабе вектор VА ([ра] перпендикулярен ОА ), через конец этого вектора проведём прямую, перпендикулярную шатуну АВ . Из точки р проводим прямую, перпендикулярную звену Q B в пересечении этих прямых получим точку В . Длины отрезков [рв] и [ав] в масштабе плана скоростей отражают скорость точки В – VВ и скорость точки В вокруг точки А - VВА соответственно. Очевидно, Скорости точек С и Е отображаются на плане скоростей отрезками [рс] и [ре] соответственно и могут быть найдены аналогично предыдущему, то есть
Направлены VС и VЕ перпендикулярно положению плеч r2 и r3 соответственно. Скорость VD точки D определяем графически. Для этого через точку С проводим перпендикуляр положению штанги С D . Через точку Р проводим перпендикуляр к положению стола, точка пересечения прямых есть точка D .
Угловая скорость Скорость VF центра масс стола (точка F ) и величина угловой скорости ωF стола определяются: VF = ωD | PF | где | PF |=1 /2 L ст Модуль скорости Vk центра масс слитка (при условии, что толщиной слитка по сравнению с размерами стола можно пренебречьи слиток находится на краю стола без свисания) определяется аналогично V К = ωD | P К| где | P К|= L ст -L сл /2 В результате построения планов скоростей для 1,2,3,4,5,6,7,8,9,10,10а ,11,12 положений механизма рассчитываем скорости точек и угловые скорости стола, трёхплечего рычага и шатуна. Рассчеты проведены в программе Mathcad 12 (приложение 2) Результаты сводим в таблицу 3. Таблица 3
4 Расчёт моментов4.1 Расчёт статического моментаПотери мощности на трение в кинематических парах учитывается с помощью КПД механизма η. В рассматриваемом примере в механизме имеется семь кинематических пар, из них, предположим, две пары - пары трения качения (соединения кривошипа с тихоходным валом редуктора посредством дополнительного разгрузочного устройства и сединения кривошипа с шатуном), а остальное - пары трения скольжения. Тогда КПД механизма η| определяется так: η = ηк 2 * ηск 2 * ηск 2 * ηск При ηк = 0,99, а ηск =0,98. Получим η = 0,992 * 0,982 * 0,982 * 0,98 = 0,885 . Поскольку на механизм в рассматриваемом случае действуют лишь силы веса (стола, слитка и контргруза), то Мст определяется для 0 < φ < π, т.е. для тех моментов, когда слиток находится на столе, статический момент направлен против угловой скорости вращения кривошипа следующим выражением:
Для π < φ < 2π , т.е. для тех моментов, когда стол возвращается в исходное положение без слитка, статический момент направлен по угловой скорости вращения кривошипа Мст определится выражением:
По данным формулам расчет выполнен в программе Mathcad 12 (приложение 3). Результаты сводим в таблицу 3. 4.2 Расчёт динамического моментаПриведенный к оси кривошипа момент инерции для положений механизма 0<φ< π, т.е для точек 1-7 динамический момент рассчитаем по формуле
Где mгр , mст , mсл - масса груза, стола и слитка соответственно. m=G/g При π <φ< 2π, т.е для точек 8-12
По данным формулам расчет выполнен в программе Mathcad 12 (приложение 4). Результаты сводим в таблицу 3. По результатам расчётов строим график изменения приведённого момента инерции Jnp от угла поворота кривошипа φ.(рис.1 приложения 5). Определение величины По графику (рис.1 приложения 5) найдем значения Jnp
промежуточных значений (середина каждого участка) и сведём в таблицу 4 значение Jnp
рассчитываемых и промежуточных точек.
Точку 10а
находим методом левого дифференцирования. Таблица4
Значения рассчитываемых точек внесем в таблицу 3. Динамический момент Мд , М ∑ , рассчитаем с помощью табличного редактора Microsoft Office Excel 2007. В нем же построим графики Мст , Мд , М ∑ от φ рис 3. Динамический момент Мд рассчитываем по формуле
Сумма моментов М ∑ = Мст * Мд Полученные значения заносим в таблицу 3. 5 Выбор редуктора Для выбора редуктора, кроме величин М ∑ и U , необходимо знать наибольшее значение мощности. Максимальное значение мощности, которую необходимо снять с тихоходного вала редуктора, находится из выражения Nt = М ∑ max * ω М ∑ max - максимальный суммарный момент на тихоходном валу редуктора =14,446кНм в точке 10 ω max - угловая скорость в точке 10 = 1,044рад/с Nt =14,446* 1,044=15,08 кВт Мощность на быстроходном валу редуктора Nб с учётом коэффициента полезного действия редуктора ηр = 0,955 . Nб = Nt /ηр = 15,08/0,955 = 15,8 кВт. Итак, для выбора редуктора имеются следующие данные U = 71,428; Nб = 15,8 кВт; ω дв = 75рад/с. Далее по таблице [1] стр.162 находим соответствующий тип редуктора с максимально близкими характеристиками – ЦСН-55-IIсо следующими характеристиками: U = 79,5; Nб = 29 кВт; ω дв = 78,5рад/с. Редуктор представляет собой трехступенчатую зубчатую передачу. На верхней части корпуса имеется кольцевой выступ для установки стойки, на которую крепится фланцевый электродвигатель. 6. Выбор муфтРедуктор имеет посадочное место под электродвигатель, муфту на быстроходный вал редуктора не применяем. На тихоходный вал имеем: Ǿ = 170 мм. М ∑ max =14,446 кН* м max M = М ∑ max / G = 14,446/9,8 = 1474 кгс* м На основании этих данных выбираем муфту МЗП для диаметров до 180мм М = 5000 кгс* м [3]. 7 Расчёт шпоночного соединения Шпоночное соединение тихоходного вала с муфтой. Расчёт ведём исходя из условия возможного смятия шпонки. Размеры шпоночного паза 190 х 22 х 45 (мм ) [1].
Рис. 4. Эскиз вала со шпонкой Расчет на смятие
Где: D =170 - диаметр вала, мм ; h =44 - высота шпонки, мм ; [σ]см = - допускаемое напряжение (для поверхностей с твёрдостью 270...330НВ), кгсмм2 ;(250×106 Па) М max =Мред =29кВт (шпонку рассчитаем на максимальную мощность редуктора). Отсюда l шпонки
Из стандартного ряда выбираем длину шпонки:{...50,55,60,65,…}. l = 65мм . 8 Расчёт на статическую прочность выходного вала редуктора
Рис. 5. Эскиз вала с действующими нагрузками Делительный диаметр колеса D
М – модуль зубчатого зацепления - 11мм; Z – число зубьев - 80; β – угол наклона зубьев - 16о 15`.
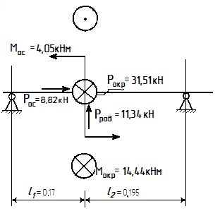
Рис. 6 Расчетная схема выходного вала
Рис. 7 Действующие усилия на оси вала
Расчет реакции опор
В расчетах на прочность влияние нормальной силы ZA не учитываем. Построение епюр
Силы в опасном сечении Проверим выполнение условия статичной прочности. Формула эквивалентного момента по III гипотезе прочности.
где
Допускаемое напряжение для материала вала, [σ] =125 МПа ; [ σ ]экв Ш = 36 МПа < [σ] = 125 МПа . Условие статической прочности соблюдается. ВыводВ данной работе рассмотрен способ передачи слитков при помощи подъёмно-качающегося стола. Проведено кинематическое и динамическое исследование механизма. Проведён выбор редуктора, расчёт шпоночного паза, а также расчёт вала по допускаемым напряжениям по III теории прочности. Список используемой литературы1 Краузе Г.Н., Кутилин Н.Д., Сацко С.А.. Редукторы, справочное пособие.-М.-Л.: Машиностроение, 1965. 2 Гузенков П.Г. Детали машин. - М.: Высшая школа, 1975. 3 Поляков В.С. Барбаш И.Д.Муфты Л.: Машиностроение, 1973. 4 Борисов A.M., Кислюк В.А., Левитов С.Д. Методическое пособие к курсовому проекту по общему курсу электропривода. Челябинск: ЧПИ, 1972. 5 Васильев В.Э. и др. Справочные таблицы по деталям машин. Т.1,2,3. 1966. 6 Чернавский С.А. и др. Проектирование механических передач, М.: Машиностроение, 1974. 7 Гузенков П.Г. Краткий справочник к расчётам деталей машин. М.: Высшая школа, 1964. 8 Зеленов А.Б. и др. Расчёты на прочность в машиностроении. T.I-III. М.: Машгиз, 1959. 9 Чернин И.М. и др. Расчёты деталей машин. Минск, 1978. |


, (1)
(2)
(3)
(4)
, (5)
(6)
(7)
. (8)
получим
(11)
. Значение t
подставим в выражение (9)
(14)
. (15)
,(18)
(18)
.



.


















