Реферат: Расчет редуктора 4
|
Название: Расчет редуктора 4 Раздел: Промышленность, производство Тип: реферат | |||||||||||||||||||||||||||||||||||||||||||||||||||||||||||||||||||||||||||||||||||||||||||||||||||||||||||||||||||||||||||||||||||||||||||||||||||||||||||||||||||||||||||||||||||||||||||||||||||||||||||||||||||||||||||||||||||||||||||||||||||||||||||||||||||||||||||||||||||||||||||||||||||||||||||||||||||||||||||||||||||||||||||||||||||||||||||||||||||||||||||||||||||||||||||||||||||||||
| Задание: Спроектировать горизонтальный 2-ступенчатый редуктор с косозубым зацеплением быстроходной ступени и прямозубым тихоходной ступени для механической привода. Исходные данные:
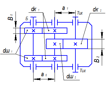
Б – быстроходная ступень, Тих – тихоходная ступень, К – косозубая зубчатая передача, Ш – шевронная зубчатая передача, 1.1 Содержание 1 Пояснительная записка 1.1 Содержание пояснительной записки 1.2 Введение 1.3 Расчет момента движущей силы 2 Обоснование выбора электродвигателя 3 Расчет зубчатых передач 4 Эскизная компоновка редуктора 5 Подбор подшипников по динамической грузоподъемности 6 Подбор муфт 7 Расчет валов на статическую прочность, выносливость, жесткость 8 Выбор посадок редуктора 9 Выбор смазки редуктора 10 Список используемой литературы 11 Графическая часть 11.1 Сборочный чертеж редуктора 11.2 Рабочие чертежи двух деталей 1.2 Введение Технический уровень всех отраслей народного хозяйства в значительной мере определяется уровнем развития машиностроения. На основе развития машиностроения осуществляется комплексная механизация и автоматизация производственных процессов в промышленности, строительстве, сельском хозяйстве и на транспорте. Государством перед машиностроением поставлена задача значительного повышения эксплуатационных и качественных показателей при непрерывном росте объема ее выпуска. Одним из направлений решения этой задачи является совершенствование конструкторской подготовки студентов высших учебных заведений. Выполнением курсового проекта по «Деталям машин» завершается общетехнический цикл подготовки студентов. При выполнении моей работы активно используется знания из ряда пройденных предметов: механики, сопротивления материалов, технологий металлов и др. Объектом курсового проекта является привод с цилиндрическим двухступенчатым редуктором с быстроходной ступенью косозубая передача и тихоходной ступенью шевронная передача. 1.3 Расчет момента движущей силы. 1.3.1 Момент сил полезного сопротивления Т , Н×м
F-сила, Н; V-скорость, м/с; ω - частота вращения тихоходного вала редуктора, с-1
1.3.2 КПД передаточного механизма, η
η муфт – КПД муфты 0,99; η подш – КПД одной пары подшипников 0,99; η зац(Б) – КПД зацепления быстроходной передачи 0,97; η зац(Т) – КПД зацепления тихоходной передачи 0,96.
1.3.2 Мощность электродвигателя N , кВт.
2 Обоснование выбора электродвигателя 2.1 Расчет передаточных чисел Ui а) Передаточные числа редуктора, U р
ω входа – синхронная частота вращения, с-1 , ω вых – заданная частота вращения тихоходного вала редуктора.
Для данного двухступенчатого цилиндрического редуктора удовлетворяющими условиями являются б) Передаточные числа для быстроходной ступени, U б
в) Передаточные числа для тихоходной ступени, U т
Передаточные числа ступеней редуктора стандартизированы по ГОСТу 2185-66 Таблица 1
2.2 Расчет частоты вращения вала ω i , с-1 а) Частота вращения вала двигателя (ведущего вала редуктора)
б) Частота вращения промежуточного вала редуктора
в) Частота вращения тихоходного вала редуктора
2.3 Расчет крутящих моментов сил на валах редуктора Т i , Н×м а) Крутящие моменты сил ведущего вала редуктора
б) Момент движущих сил на тихоходном валу
в) Крутящий момент сил на промежуточном валу
Кинематический и силовой расчет редуктора Таблица 2
2.4 Расчет массы привода а) Расчет межцентровых расстояний для быстроходной a б и тихоходной a т ступеней
Межцентровые расстояния редуктора Таблица 3
б) Расчет приближенного значения массы G , кг
в) Расчет массы привода Мпр , кг
Масса привода Таблица 4
3 Расчет зубчатых передач 3.1 Расчет допускаемых контактных напряжений зубьев шестерни [σн ]ш и колеса [σн ]к рядовой ступени, МПа Допускаемые контактные напряжения для находятся по формуле:
где:
для шестерни: для колеса:
где:
а) Расчет эквивалентного числа циклов напряжений: Для шестерни: Для колеса: б) Эквивалентное число циклов напряжения находится по формуле:
где:
Окончательно для рядовой ступени имеем:
Для косозубой передачи
3.2 Расчет допускаемых напряжений изгиба зубьев колёс рядовой ступени редуктора где:
для шестерни: для колеса:
3.3 Расчет размеров зубчатых колес
Рисунок 1
а) быстроходная ступень
б) тихоходная ступень
в) колес промежуточного вала
Колес с быстроходной ступени
Колес с тихоходной ступени
3.4 Расчет ориентировочных размеров редуктора а) Расчет ширины колес Ширена венца зубчатого колеса,
Ширена шестерни,
б) расчет диаметра валов редуктора,
Где
а) ведущий вал
б) промежуточный вал
в) выходной вал
3.5 Уточнение параметров цилиндрической зубчатой передачи а) Расчет межцентрового расстояния
Стандартные межосевые расстояния Таблица 5
Принятые значения:
б) Расчет модуля зацепления
в) Расчет суммарного числа зубьев шестерни и колеса
г) Расчет числа зубьев шестерни
д) Расчет числа зубьев колеса
е) Расчет передаточного числа
Отклонение не превышает 5%. ж) Расчет угла наклона зуба
Таблица 6
Расчет основных размеров зубчатых пар и разработка конструкции колеса
Рисунок 2 Таблица 7
Степень точности изготовления зубчатых колес
Точность зубчатых колес и передач обозначается указанием степени точности и видом сопряжения. (См табл.8) Таблица 8
Принятое значение: Степень точности 8-В ГОСТ 1643-81 3.6 Проверка напряжений в зубьях зубчатых передач Расчет рабочих контактных напряжений
Где
3.7 Расчет рабочего напряжения изгиба
Где
Рабочие напряжение изгиба колеса
3.8 Проверка напряжений при перегрузках
Где
4 Эскизная компоновка редуктора Конструктивные размеры шестерни и колеса
Рисунок 2 Диаметр впадин зубьев: Диаметр ступицы: длина ступицы: толщина обода: толщина диска: диаметр отверстий: фаска: Все расчеты сводим в таблицу 9: Таблица 9
Предварительный расчёт валов редуктора. - Входной вал
Где
Шестерню выполним за одно целое с валом - Промежуточный вал
Где
Где
Шестерню выполним за одно целое с валом - Выходной вал
Где
Конструктивные размеры корпуса и крышки Толщина стенки корпуса: Толщина стенки крышки редуктора: Толщина верхнего пояса (фланца) корпуса: Толщина нижнего пояса (фланца) крышки корпуса: Толщина нижнего пояса корпуса: Толщина ребер основания корпуса: m =7 мм. Толщина ребер крышки корпуса: Диаметры болтов: - фундаментальных: - крепящих крышку к корпусу у подшипников: - крепящих крышку с корпусом: Гнездо под подшипник: - Диаметр отверстия в гнезде принимаем равным наружному диаметру подшипника: Dп1 =62 мм, Dп2 =85 мм, Dп3 =110 мм - Диаметр гнезда: Dk =D2 +(2…5) мм., D2 – Диаметр фланца крышки подшипника, на 1 валу D2 = 63мм, на 2 валу D2 = 90мм, на 3 валу D2 = 108мм. Зазор от окружности вершин зубьев колеса до внутренней стенки корпуса, а также расстояние между наружным кольцом подшипника ведущего вала и внутренней стенкой корпуса А= Для предотвращения вытекания смазки подшипников внутрь корпуса и вымывания пластического смазывающего материала жидким маслом из зоны зацепления устанавливаем мазеудерживающие кольца. 5 Подбор подшипников 5.1 Расчет сил, действующих в зацеплении
Ft – окружная сила Fr – радиальная сила Fa – осевая сила а) Расчет окружной силы Ft , Н
б) Расчет радиальной силы Fr , H
Где
в) Расчет осевой силы Fa , Н
5.2 Построение расчетных схем валов Промежуточный вал
Определим реакции в опорах: В плоскости YOZ
значение силы YB направленно в противоположную сторону, от выбранного на схеме.
Проверка:
Строим эпюру изгибающих моментов в плоскости YOZ
В плоскости XOZ
Проверка:
Опасным сечением является сечение - (2)
Из условия прочности
Получим
5.3 Подбор подшипников Для опор валов цилиндрических прямозубых и косозубых колес редукторов и коробок передач применяют чаще всего шариковые радиальные подшипники. При выборе подшипников, статическая грузоподъемность подшипника C0
a
, C0
r
не должна быть меньше радиальной Fr
или осевой Fa
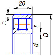
нагрузки. Для входного и промежуточного валов подходят шариковые радиальные одноядерные подшипники легкой серии (из ГОСТ 8338-75) ([9] стр.417)
Рисунок 3 Для опор плавающих валов шевронных передач применяют радиальные подшипники с короткими цилиндрическими роликами.
Рисунок 4 6.1 Подбор муфт В проектируемых приводах применены компенсирующие разъемные муфты не расцепляемого класса в стандартном исполнении. Для соединения выходных концов двигателя и быстроходного вала редуктора, установленных, как правило, на общей раме, применены упругие втулочно-пальцевые муфты и муфты со звездочкой. Муфты упругие втулочно-пальцевые. Муфты получили широкое распространение благодаря простоте конструкции и удобству замены упругих элементов. Однако они имеют небольшую компенсирующую способность и при соединении несоосных валов оказывают большое силовое воздействие на валы и опоры, при этом резиновые втулки быстро выходят из строя. Основные параметры, габаритные и присоединительные размеры муфт, допускаемые смещения осей валов определяют по таблице. Полумуфты изготовляют из чугуна марки СЧ 20(ГОСТ 1412-85) или стали 30Л (ГОСТ 977-88); материал пальцев – сталь 45(ГОСТ 1050-74); материал упругих втулок – резина с пределом прочности при разрыве не менее 8 Н/мм2 . Радиальная сила, вызванная радиальным смещением, определяется по соотношению
7.1 Выбор посадок, расчет одной посадки Расчет величины наибольшего натяга
Где
Расчетный натяг
Примем посадки согласно таблице 4 таблица 4
Выполним анализ посадки Н7/r6 Определение предельных отклонений отверстий на колесе D=53 (Н7) ES=+30 мкм EI= 0 мкм Определение предельных отклонений вала d=53 (r6) es=+60 мкм ei=+41 мкм Определение max значения натяга Nmax=es-EI=60-0=60 мкм Определение max значения зазора Smax = ES-ei = 30-41=-11 мкм Определение допусков на отверстие ТD=ES-EI=30-0=30 мкм на вал Тd=es-ei=60-41=19 мкм Определение предельных размеров Dmax=D+ES=53+0,030=53,03 мм Dmin=D+EI=53 мм dmax=d+es=53+0,06=53,06 мм dmin=d+ei=53+0,041=53,041 мм
схема допусков 8.1 Выбор смазки Выбор смазки для редуктора Окружная скорость u = 4,2 м/с. Так как u<10 м/с, то примем картерную смазку. Колесо погружаем в масло на высоту зуба. Определим объём масляной ванны V=(0,5…0,8)*Nн , где Nн - номинальная мощность двигателя, Вт V=(0,5…0,8)*1=0,5…0,8 л При средней скорости u =4,2 м/с, вязкость должна быть 28*10-6 м /с Принимаем масло индустриальное И-30А по ГОСТ 20799-75 Выберем смазку подшипников качения Критерием выбора смазки является k (млн.об./мин.) k=dп*n, где dп - диаметр вала под подшипники, мм; n - частота вращения вала, об/мин k1 = dп1×n1 =30×9420=282600 млн.об./мин. K2 = dп2×n2 =60×720= млн.об./мин Полученные значения k не превышают 300000 млн.об./мин., поэтому применяем пластичную смазку УС-2 по ГОСТ 1033-73, которая закладывается в подшипниковые камеры при монтаже Список использованной литературы 1. Решетов Д.Н. Детали машин. – М.: Машиностроение, 1975.-656с. 2. Иванов М.Н. Детали машин. – М.: Высшая школа, 1984. -330с. 3. Кудрявцев В.Н. и др. Курсовое проектирование деталей машин. – Л.: Машиностроение, 1984. -400с. 4. Кузьмин А.В. и др. расчеты деталей машин: Справочное пособие. – Минск: Высшая школа, 1986. -402с. 5. Дунаев П.Ф. Конструирование узлов и деталей машин. – М.: Высшая школа, 1978. – 352с. 6. Зенкин Д.С., Петко И.В. Допуски и посадки в машиностроении: Справочник. – Киев: Техника, 1981. – 266с. 7. Фатеев В.И., Литвинова А.А. Прикладная механика: Задания на курсовой проект и методические указания / Новосибирский государственный технический университет. – Новосибирск, 1999.-34с. 8. Фатеев В.И., Райс В.Р. Прикладная механика. Расчеты при проектировании ротора с применением ЭВМ / Новосибирский государственный технический университет. – Новосибирск, 1985. – 32с. 9. Дунаев П.Ф., Леликов О.П. Конструирование узлов и деталей машин. – М.: Высшая школа, 1984. 240с. |
|||||||||||||||||||||||||||||||||||||||||||||||||||||||||||||||||||||||||||||||||||||||||||||||||||||||||||||||||||||||||||||||||||||||||||||||||||||||||||||||||||||||||||||||||||||||||||||||||||||||||||||||||||||||||||||||||||||||||||||||||||||||||||||||||||||||||||||||||||||||||||||||||||||||||||||||||||||||||||||||||||||||||||||||||||||||||||||||||||||||||||||||||||||||||||||||||||||||







- коэффициент, учитывающий динамическую нагрузку












Для выходного вала подходит роликовые радиальные подшипники с короткими цилиндрическими роликами (из ГОСТ 8328-75)

