Курсовая работа: Одноступенчатый горизонтальный цилиндрический косозубый редуктор
|
Название: Одноступенчатый горизонтальный цилиндрический косозубый редуктор Раздел: Промышленность, производство Тип: курсовая работа |
Министерство образования Республики БеларусьУО «Минский государственный автомеханический колледж» 2-37 01 06 «Техническая эксплуатация автомобилей» Группа ЭА-32 КУРСОВОЙ ПРОЕКТ Техническая механика Одноступенчатый горизонтальный цилиндрический косозубый редуктор ПОЯСНИТЕЛЬНАЯ ЗАПИСКА Содержание Введение 1. Выбор электродвигателя и кинематический расчёт 2. Расчёт зубчатой передачи 2.1 Выбор материалов и определение допускаемых напряжений 2.2 Проектировочный расчёт передачи на контактную усталость активных поверхностей зубьев 2.3 Проверочные расчёты передачи 2.4 Определение геометрических параметров колёс 2.5 Определение сил, действующих в зацеплении 3. Предварительный расчёт валов редуктора 3.1 Вал редуктора 3.2 Основные нагрузки, действующие на валы 3.3 Диаметры под подшипники и колесо 4. Конструктивные размеры зубчатой пары 5. Размеры элементов корпуса и крышки редуктора 6. Подбор подшипников 7. Проверка прочности шпоночных соединений 8. Уточнённый расчёт валов 8.1 Ведущий вал 8.2 Ведомый вал 9. Выбор посадок 10. Смазка редуктора 11. Описание конструкции и сборки редуктора 12. Технико-экономические показатели Заключение Список литературы Введение Одним из важнейших факторов научно-технического прогресса, способствующих скорейшему совершенствованию общественного производства и росту его эффективности, является проблема повышения уровня подготовки специалистов. Решению этой задачи способствует выполнение курсового проекта по «Деталям машин», базирующегося на знаниях физико-математических и общетехнических дисциплин: математики, механики, сопротивления материалов, технологии металлов, черчения. Объектом курсового проектирования является одноступенчатый редуктор-механизм, состоящий из зубчатой передачи, выполненный в виде отдельного агрегата и служащий для передачи вращения от вала двигателя к валу рабочей машины. Назначение редуктора - понижение угловой скорости и соответственно повышение вращающего момента ведомого вала по сравнению с ведущим валом. Редуктор проектируется по заданной нагрузке (моменту на выходном валу) и передаточному числу без указания конкретного назначения, что характерно для специализированных заводов, на которых организовано серийное производство редукторов.
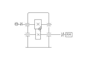
1. Выбор электродвигателя и кинематический расчёт Составляем кинематическую схему
Определяем общий КПД редуктора η = η3 · ηп2 [5,с.5] где η3 –КПД пары зубчатых цилиндрических косозубых колёс; η3 = 0,97 [5,с.5]; ηп –КПД, учитывающий потери в одной паре подшипников качения; ηп = 0,99 [5,с.5]; η = 0,97•0,992 = 0,95 Определяем мощность на ведущем валу η =Р2/Р1 Р1 =Р2/η Р1= 3,84/0,95=4,04 кВт Определяем частоту вращения ведомого вала U=n1/n2 n1 = n2·U n1=715·2=1430 мин-1 Подбираем электродвигатель по исходным данным, поскольку вал двигателя соединяется с быстроходным валом редуктора муфтой. Р1=4.04 кВт; n1=1430 мин-1. Принимаем электродвигатель единой серии 4А тип …, для которого: Рдв=4 кВт; nдв=1430 мин-1; dдв=28 мм. Окончательно принимаем: Р1=4 кВт; n1 =1430 мин-1. Проверяем отклонение частоты вращения вала двигателя от заданной для быстроходного вала редуктора (nдв – n1)/nдв· 100% (1430-1430)/1430·100%=0% Принимаем n1=1430 мин-1. Определяем мощность на ведомом валу: Р2 =Р1·η Р2 = 4·0,95 =3,8 кВт Уточняем частоту вращения ведомого вала редуктора U= n1/n2 n2 = n1/U n2 =1430/2=715 мин-1 Определяем вращающие моменты на ведущем и ведомом валах Те1 и Те2 Те1=9,55 · Р1/ n1 Те1=9,55·4·103=26,7 Нм Те2=Те1·U·η Те2=1,66·2·0,95=50,76 Нм Задаём число зубьев шестерни Z1, с целью уменьшения шума принимаем Z1≥25[4,с.314]. Принимаем Z1=26. Определяем число зубьев колеса Z2: U= Z2/Z1 Z2 = U · Z1 Z2 =2·26=52 Задаёмся предварительно углом наклона зуба согласно рекомендации β =8є-20є для косозубых передач. Принимаем β=10є. 2. Расчёт зубчатой передачи 2.1 Выбор материалов и определение допускаемых напряжений 2.1.1 Поскольку в проектном задании к редуктору не предъявляется жёстких требований в отношении габаритов передачи, а изготовление колёс осуществляется в условиях мелкосерийного производства, то выбираем материалы со средними механическими свойствами. С целью сокращения номенклатуры применяемых материалов принимаем для шестерни и колеса …, так как передаваемая валом мощность невелика и для достижения лучшей приработки твёрдость колёс должна быть не более 350НВ. Кроме того, редуктор должен быть общего назначения, а для таких редукторов экономически целесообразно применять колёса с твёрдостью меньшей или равной 350НВ. Учитывая, что число нагружений в единицу времени зубьев шестерни в передаточное число раз больше числа нагружений зубьев колеса, для обеспечения одинаковой контактной усталости, механические характеристики материала шестерни должны быть выше, чем у колеса. НВ1=НВ2+(20…70) [6,с.48] Чтобы этого достичь при одинаковых материалах, назначаем соответствующий режим термообработки, полагая, что диаметр заготовки шестерни не превысит 100мм, о колеса 300мм. Шестерня: сталь 45, термообработка – улудшение Принимаем: НВ1=190; σу=290 МПа; σu=570 МПа[5,с.34]. Колесо: сталь45; термообработка -нормализация Принимаем: НВ2 =190; σу=290МПа; σu=570МПа[5,с.34]. НВ1 – НВ2 =210-190=20 что соответствует указанной рекомендации. 2.1.2 Определяем допускаемые контактные напряжения при расчете на контактную усталость σнр =(( σнlim b· ZN )/SH)· ZR· ZV· ZL· ZX [1,с.14] где σнlimb –предел контактной выносливости поверхности зубьев, соответствующий базовому числу циклов напряжений. σнlimb = 2·НВ+70 [1,с.27],[5,c.34] σн limb1 = 2·210+70=490 МПа σн limb2 = 2·190+70=450 МПа ZN –коэффициент долговечности, учитывающий срок службы передачи. Поскольку в проектном задании указано, что редуктор предназначен для длительной работы, то есть число циклов NN больше базового No, то ZN=1 [1,c.24],[5,с.33]; ZR –коэффициент, учитывающий шероховатость сопряженных поверхностей зубьев[1, c.25]; ZV –коэффициент, учитывающий влияние окружной скорости; ZL –коэффициент, учитывающий влияние вязкости смазочного материала; ZX –коэффициент, учитывающий размер зубчатого колеса. ГОСТ 21357-87 рекомендует для колес d‹1000 мм принимать ZR · ZV · ZL · ZX = 0,9 [1,с.57] SH –коэффициент запаса прочности. Для нормализованных и улучшенных сталей SН=1,1[1,с.24]. σнр1=401 МПа σнр2=368 МПа В качестве расчётного значения для косозубых передач принимаем: σнр = 0,45 · (σнр1+σнр2) ≥ σнрmin [1,c.19] σнр = 0,45·(401+368) =346 MПа Проверяем соблюдение условия σнр < 1,23 σнрmin [1,c.19] 1,23·368= 453 МПа > σнр Принимаем σнр =368 МПа. 2.1.3 Определяем допускаемые напряжения изгиба при расчёте на усталость σFP = σFlim b· YN /SFmin· YR · YX · Yδ [1,с.5] где σFlimb –предел выносливости зубьев при изгибе, соответствующий базовому числу циклов напряжений. σFlimb = 1,8 НВ [5,с.45] σFlimb1 = 1,8·210=378 МПа σFlimb2 = 1,8·190=342 МПа SFmin –минимальный коэффициент запаса прочности; SFmin =1,4…1,7[1,с.35]. Принимаем SFmin =1,7 YN –коэффициент долговечности, зависящий от соотношения базового и эквивалентного циклов; YN =1[5,с.45]; YR –коэффициент, учитывающий влияние шероховатости переходной поверхности, он отличен от 1 лишь в случае полирования переходной поверхности; YR =1[5,с.46]; YX –коэффициент, учитывающий размеры зубчатого колеса; При dа≤300мм YX=...[5,с.46]; Yδ –опорный коэффициент, учитывающий чувствительность материала концентрации напряжений; Yδ= 1 [1,с.124]. σFP1 = 378·1/1,7·1·1·1 =222 МПа σFP2 =342·1/1,7·1·1·1 =201 МПа 2.2 Проектировочный расчёт передачи на контактную усталость активных поверхностей зубьев 2.2.1 Определяем ориентировочное значение делительного диаметра шестерни
где Кd –вспомогательный коэффициент; Кd =67,5МПа1/3 для косозубых и шевронных передач [1,с.57]; Ψbd 1 –коэффициент ширины шестерни относительно её диаметра. Принимаем Ψbd 1 =0,8 при симметричном расположении колёс; Кнβ -коэффициент неравномерности распределения нагрузки по ширине венца. Выбираем по графику в зависимости от твёрдости рабочих поверхностей зубьев, схемы нагружения и параметра Ψв d 1 [1,с.58]; Кнβ =1,03 d1
=67,5 Принимаем d1=50 мм 2.2.2 Определяем делительный диаметр колеса d2 U = d2 /d1 d2 = U · d1 d2 = 2·50=100 мм Принимаем d2=100 мм. 2.2.3 Определяем межосевое расстояние передачи
aw=150/2=75 мм Принимаем aw=80 мм по ГОСТ 2185-66. 2.2.4 Определяем рабочую ширину колёс b1 и b2. Учитывая неточность сборки и возможную осевую «игру» передачи выбираем b1= b2 + (2…5)мм b1= Ψвd1 · d1 b1= 0,8·50 = 40 мм Принимаем b1=40 мм(Ra20). b2= b1 – (2…5)мм b2= 40- 4= 36 мм 2.2.5 Определяем нормальный модуль по эмпирической зависимости mn = (0,01…0,02) · aw [5,c.293] mn =0,02· 80 =1,6 мм Принимаем mn= 2 мм. Определяем суммарное число зубьев
ZΣ=2·80· Принимаем ZΣ=78 Определяем числа зубьев шестерни и колеса
Z1=78/(2+1)=26
Z2=78-26=52 По округлённым значениям Z1 и Z2 уточняем передаточное число Uп= Z2 / Z1 [5,c.37] Uп=52/26=2 Проверяем отклонение передаточного числа от заданного значения (Uз – Uп)/ Uз · 100% (2-2)/2·100%=0% Действительное значение угла наклона линии зуба β cosβ= 0,5 · (Z1 + Z2) · mn/ aw cosβ= 0,975 β=12,8 ̊ 2.2.6 Определяем окружной модуль mt = mn/ cosβ [3,c.142] mt = 2/0,975=2,05 мм 2.2.7 Уточняем диаметры делительных окружностей и межосевое расстояние d1= mt · Z1 d1= 2,05·26 = 53 мм d2= mt · Z2 d2 = 2,05·52 =107мм aw =(d1+d2)/ 2 aw= (53+107)/2 = 80 мм 2.3 Проверочные расчёты передачи 2.3.1 Проверочный расчёт передачи на контактную усталость активных поверхностей зубьев выполняем по условию контактной прочности
где ZЕ –коэффициент, учитывающий механические свойства сопряженных зубчатых колес; ZЕ=190[1,с.113]; ZН –коэффициент, учитывающий форму сопряженных поверхностей зубьев в зацеплении; ZН=2,41 [1,с.113]; Zε –коэффициент, учитывающий суммарную длину контактных линий; При εβ≥1 εα = [1,88 - 3,2 · (1/ Z1 + 1/ Z2)] · cosβ [5,с.39] εα = [1,88-3,2·(1/26+1/52)]= 1,7 Zε= FtH –исходная окружная сила FtH = 2 · Te1/d1 FtH = 2·26,7·103/53=1007,54 Н Коэффициент нагрузки Кн определяется по следующей зависимости Кн = КА· КHv· KHβ· KHα [1,с.14] где КА –коэффициент, учитывающий внешнюю динамическую нагрузку; КА =1 [1,с.15]; КHv –коэффициент, учитывающий динамическую нагрузку, возникающую в зацеплении до зоны резонанса; V = 0,1· nдв· d1/ 2000 V = 0,1·1430·53/2000=3,78 м/с При такой скорости следует принять 8 степень точности и тогда: КHv=1[5,с.40]; KHβ –коэффициент, учитывающий неравномерность распределения нагрузки между зубьями; KHβ=1,3 [5,с.39];[1,с.58]; KHα –коэффициент, учитывающий распределение нагрузки между зубьями; KHα =1,09[5,с.39]; КН =1·1·1,03·1,09 =1,12 σно=190·2,41·0,76· σн = σно· Определяем процент недогрузки (σн – σнр)/ σнр · 100% (326,84-368)/368·100%= 10% что соответствует рекомендации. 2.3.2 Проверочный расчёт на усталость по напряжениям изгиба выполняем по условию прочности σF ≤ σFP [1,с.29] Расчётное местное напряжение при изгибе определяем по формуле: σF = KF · YFS · Yβ · Yε · FtF /(в · m) [1,с.29] Для коэффициента нагрузки КF принимают: КF = КА · КFv · KFβ · KFα [1,с.29] где КА –коэффициент, учитывающий внешнюю динамическую нагрузку; КА=1 [1,с.29]; КFv –коэффициент, учитывающий динамическую нагрузку, возникающую в зацеплении до зоны резонанса; КFv =1,3[5,с.43]; KFβ –коэффициент, учитывающий неравномерность распределения нагрузки по длине контактных линий; KFβ=1,08[1,с.59]; KFα –коэффициент, учитывающий распределение нагрузки между зубьями.
KFα= YFS –коэффициент, учитывающий форму зуба и концентрацию напряжений, определяется в зависимости от эквивалентного числа зубьев Zv1 = Z1 / cos3β [1,с.62] при этом YFs1 =…[1,с.38],[5,с.42]. Zv2 = Z2 /cos3β при этом YFs2=…[1,с.38],[5,с.42]. Так как шестерня и колесо выполнены из одинаковых материалов, то расчёт ведём по тому из колёс, для которого YFS больше, то есть по шестерне. Yε –коэффициент, учитывающий перекрытие зубьев: Yε =1/ εα [1,с.32] Yβ – коэффициент, учитывающий наклон зуба. Уβ = 1- εβ · β / 120 εβ = b2 / Рх Px= Pn / sinβ Pn= mn· π Напряжение изгиба σF значительно ниже допускаемого напряжения σFР, но это нельзя рассматривать как недогрузку передачи, поскольку основным критерием её работоспособности является контактная усталость. 2.4 Определение геометрических параметров колёс 2.4.1 Высота головки зуба ha = mn 2.4.2 Высота ножки зуба hf = 1,25 · mn 2.4.3 Диаметры вершин зубьев da1 = d1 + 2 · ha da2 = d2 + 2 · ha 2.4.4 Диаметры впадин зубьев df1 = d1 - 2 · hf df2 = d2 - 2 · hf 2.5 Определение сил, действующих в зацеплении 2.5.1 Окружная сила FtH = 2 · Te1/d1 2.5.2 Радиальная сила Fr = Ft · tgα / cosβ α=20є 2.5.3 Осевая сила Fa= Ft · tgβ 3. Предварительный расчёт валов редуктора 3.1 Вал редуктора Вал редуктора испытывает совместное действие изгиба и кручения, причём характер изменения напряжений – повторно-переменный, поэтому основным расчётом валов является расчёт на выносливость, но в начале расчёта известны только крутящий момент Т, который численно равен передаваемому вращающему моменту Те. Изгибающие моменты Ми оказывается возможным определить лишь после разработки конструкций вала, когда, согласно чертежу, выявляется его длина. Кроме того, только после разработки конструкции определяются места концентрации напряжений: галтели, шпоночные канавки и т.д. Поэтому, прежде надо сделать предварительный расчёт валов, цель которого – определить диаметры выходных концов валов. Расчёт проводим условно только на кручение, исходя из условия прочности при кручении τ ≤ τadm где τadm – допускаемое напряжение на кручение. Поскольку мы заведомо пренебрегаем влиянием изгиба и концентрацией напряжений, то эту ошибку компенсируем понижением допускаемых напряжений. Выбираем материал для валов: ведущий вал –…; ведомый вал – …, для которого τadm =…МПа. τ –касательное напряжение, возникающее в расчётном сечении вала.
где Т –крутящий момент. Ведущий вал: Тe1=…Н·мм; ведомый вал: Те2=…Н·мм. Wр –полярный момент сопротивления сечения при кручении. Wр= 0,2 · dві Подставляем значения в условие прочности, получим ведущий вал:
Полученный результат округляем по ГОСТ 6636 – 69 до ближайшего большего значения из ряда R40[5,с.161]. Ведущий вал редуктора соединяем с валом двигателя, чтобы выполнялось соотношение dв1/dдв ≤ 0,75. Ведомый вал:
Полученный результат округляем по ГОСТ 6636 – 69 до ближайшего большего значения из ряда R40[5,с.161]. Принимаем dв2 =…мм. 3.2 Основные нагрузки, действующие на валы, возникают в зубчатом зацеплении: Fa=...H; Fr=...H; Ft=...H. Собственный вес вала и насаженных на нем деталей не учитываем, поскольку они играют роль лишь в весьма мощных передачах, где сила тяжести деталей выражаются величиной того же порядка, что и силы в зацеплении. Силы трения в опорах не учитываются. Большинство муфт, вследствие неизбежной несоосности соединяемых валов, нагружают вал дополнительной силой Fм. При расчёте валов можно приблизительно считать
где вращающий момент Те2=Т2. На тихоходном валу редуктора, где вращающий момент значителен, должна быть предусмотрена расчетная консольная нагрузка Fм, приложенная к середине выступающего конца вала. Направление силы Fм в отношении окружной силы Ft может быть любым, так как это зависит от случайных неточностей монтажа. Поэтому в расчётных схемах силу Fм направляем так, чтобы она увеличивала напряжение от окружной силы Ft (худший случай). На расчётных схемах все силы, действующие на вал, а так же вращающие моменты как сосредоточенные, приложенные к середине ступиц, хотя в действительности они распределены по длине ступицы. 3.3 Диаметры под подшипники и колесо 3.3.1 Ведущий вал: Диаметр под подшипники dn1 = dв1 + 2 · t 3.3.2 Ведомый вал: Диаметр под подшипники dn2 = dв2 + 2 · t Посадочный диаметр под колесо: dk2 = dn2 + 3,2 · r где r –радиус галтели; 4. Конструктивные размеры зубчатой пары Шестерню выполняем за одно целое с валом; её размеры определены выше: Диаметр ступицы dст=1,6 · dk2 Длина ступицы Lст = (1,2 ¸1,5) · dk2 Lст= (1,2¸1,5) · …= …¸…мм Толщина обода δo= (3¸4) · mn Толщина диска C = 0,3 · aw Фаска h = 0,5· mn 5. Размеры элементов корпуса и крышки редуктора Определим основные размеры корпуса и крышки редуктора Толщина стенок корпуса δ = 0,025 · aw + 1 Толщина стенок крышки δ1 = 0,02 · aw + 1 Толщина фланцев поясов корпуса и крышки Верхнего пояса корпуса b = 1,5 · δ Пояса крышки b1 = 1,5 · δ1 Нижнего пояса корпуса (без бобышек) p = 2,35 · δ Толщина рёбер основания корпуса m = (0,85…1) · δ Толщина рёбер крышки m1= (0,85¸1) · δ1 Диаметр фундаментных болтов d1=(0,03¸0,036) · aw + 12 Диаметр болтов у подшипников d2= (0,7¸0,75) · d1 Диаметр болтов, соединяющих крышку с основанием корпуса d3= (0,5¸0,6) · d1 6. Подбор подшипников Ведущий вал Составляем расчётную схему вала:
Реакции опор: Горизонтальная плоскость: Rx1=Rx2=Ft/2=…=…Н Вертикальная плоскость:
Суммарные реакции:
Подбираем подшипники по более нагруженной опоре 1. Намечаем шариковые радиальные однорядные подшипники №… (ГОСТ8338-75), для которых: Эквивалентная динамическая нагрузка определяется по формуле:
где R1 –радиальная нагрузка; R1=…H; Fa –осевая нагрузка; Fa=…H; V –коэффициент вращения кольца; V=... при вращении внутреннего кольца подшипника относительно направления радиальной нагрузки; Kб –коэффициент безопасности; Kб=…; Кт –температурный коэффициент; Kт=... при рабочей температуре подшипника менее 100єС. Значения коэффициентов Х, У определяются в зависимости от отношения Fa/Cо. Сравниваем отношения Fa/R1 с коэффициентом е: Fa/R1 =…=… > е Расчётная долговечность в миллионах оборотов определяется по формуле:
Расчётная долговечность в часах:
где n1 –частота вращения ведущего вала редуктора. Ведомый вал несёт такие же нагрузки, как и ведущий: Fa=...H; Fr=...H; Ft=...H. Нагрузка на вал от муфты Fм=...Н. Из первого этапа компоновки: L2=...м. L3=...м. Составляем расчётную схему вала:
Реакции опор: Горизонтальная плоскость
Проверка:
Вертикальная плоскость:
Проверка:
Суммарные реакции:
Подбираем подшипники по более нагруженной опоре 4. Намечаем шариковые радиальные однорядные подшипники №… (ГОСТ8338-75), для которых: Сравниваем отношения Fa/R4 с коэффициентом е: Fa/R4 =…=… < е Эквивалентная динамическая нагрузка:
Расчётная долговечность в миллионах оборотов:
Расчётная долговечность в часах:
где n2 –частота вращения ведомого вала редуктора. 7. Проверка прочности шпоночных соединений Шпонки призматические со скруглёнными торцами. Размеры сечений шпонок и пазов и длины шпонок – по ГОСТ 23360–78. Материал шпонок – сталь 45 нормализованная. Напряжения смятия и условие прочности по формуле:
Допускаемые напряжения смятия при стальной ступице. σcм.adm = ... МПа Ведущий вал: d=…мм; bЧh=…Ч…мм; t1=…мм; длина шпонки L=…мм; момент на ведущем валу Те1=…Н·мм. σcм max=…=…МПа σcм ‹ σcм.adm Ведомый вал: Из двух шпонок – под зубчатым колесом и на выходном конце вала – более нагружена вторая (меньше диаметр вала и поэтому меньше размеры поперечного сечения шпонки). Проверяем шпонку на выходном конце вала: d=…мм; bЧh=…Ч…мм; t1=…мм; длина шпонки L=…мм; момент Те2=…Н·мм. σcм ‹ σcм.adm 8. Уточнённый расчёт валов
8.1 Ведущий вал Выполнение уточнённого расчёта ведущего вала не имеет смысла, так как его диаметр был преднамеренно увеличен для того, чтобы соединить вал двигателя и выходной конец ведущего вала стандартной муфтой, чем был обеспечен запас прочности. 8.2 Ведомый вал Составляем расчётную схему нагружения вала, используя значения реакций опор в двух плоскостях, полученные при подборе подшипников. Устанавливаем два предполагаемых опасных сечения, подлежащих проверке на усталостную прочность: сечение А-А, проходящее через середину венца зубчатого колеса (dk2=…мм), и сечение Б-Б, проходящее через опору у выходного конца вала (dп2=…мм). Для этих сечений соблюдается условие: S ≥ Sadm где Sadm -заданный или требуемый коэффициент запаса прочности. S -расчётный коэффициент запаса прочности
где Sσ, Sτ –коэффициенты запаса прочности по нормальным и касательным напряжениям, определяемые по зависимостям:
где σ-1 и τ–1 –пределы выносливости гладких стандартных цилиндрических образцов при симметричном цикле изгиба и кручения Для углеродистых конструкционных сталей σ-1= 0,43 · σu τ–1= 0,58 · σ-1 Для стали 45 σu=...МПа. σ-1 = 0,43 · ...= ...МПа τ–1 = 0,58 · ... = ...МПа σа и τа –амплитуды напряжений цикла; σm и τm –средние напряжения цикла; Ψσ и Ψτ –коэффициенты чувствительности материала к асимметрии цикла напряжений; где Кσ и Кτ -эффективные коэффициенты концентраций напряжений; Кd –коэффициент влияния абсолютных размеров поперечного сечения; КF –коэффициент влияния параметров шероховатости поверхности. В расчётах валов принимают, что нормальные напряжения изменяются по симметричному, а касательные по отнулевому циклу. Для симметричного цикла: σm = 0 σa =σu= Mu/Wxнетто где Ми – результирующий изгибающий момент,
где Мх, Му - изгибающие моменты в горизонтальной и вертикальной плоскостях; Wхнетто –осевой момент сопротивления сечения при изгибе. Для отнулевого цикла: τа = τm = τ/2 = T/2Wpнетто где Т –крутящий момент; Wрнетто –полярный момент сопротивления сечения при кручении. Сечение А-А: Концентратор напряжений – шпоночный паз. Кσ =…; Кτ =…; Кd=…; КF=…; ψσ =…; ψτ=...
Сечение Б-Б: Концентратор напряжений – прессовая посадка. Кσ/Кd =…; Кτ/Кd=…; КF =…; ψσ =…; ψτ=....
Для определения изгибающих моментов строим эпюры моментов в горизонтальной и вертикальной плоскостях. Горизонтальная плоскость: МxI = 0; МxII = Rx3· L2 = …= …Н·м; МxIII = Rx3 · 2L2 + Ft · L2 = … =…Н·м; МxIII (спр) = Fm· L3 = …= …Н·м; МxIV =0. Вертикальная плоскость: МyI =0; МyII =Ry3·L2 = … = …Н·м; МyII(c)=Ry3·L2 + m = … = …Н·м; МyII (спр) =Ry4·L2 = … = …Н·м; МyIII=0. Из эпюр: Сечение А-А:
9. Выбор посадок Смазывание зубчатого зацепления производится окунанием зубчатого колеса в масло, заливаемое внутрь корпуса до уровня, обеспечивающего погружение колеса примерно на 10мм. Объем масляной ванны V определяем из расчета 0,25дм3 масла на 1 кВт передаваемой мощности: Устанавливаем вязкость масла. При контактных напряжениях σH=…МПа и скорости v=…м/с, рекомендуемая вязкость масла должна быть примерно равна …мІ/с. Камеры подшипников заполняем пластичным смазочным материалом УТ-1, периодически пополняем его шприцем через пресс-маслёнки. 10. Смазка редуктора
Смазывание зубчатого зацепления производится окунанием зубчатого колеса в масло, заливаемое внутрь корпуса до уровня, обеспечивающего погружение колеса примерно на 10мм. Объем масляной ванны V определяем из расчета 0,25дм3 масла на 1 кВт передаваемой мощности: Устанавливаем вязкость масла. При контактных напряжениях σH=…МПа и скорости v=…м/с, рекомендуемая вязкость масла должна быть примерно равна …мІ/с. Камеры подшипников заполняем пластичным смазочным материалом УТ-1, периодически пополняем его шприцем через пресс-маслёнки. 11. Описание конструкции и сборки редуктора Перед сборкой внутреннюю полость корпуса редуктора тщательно очищают и покрывают маслостойкой краской. Сборка производится в следующей последовательности: На ведущий вал насаживают мазеудерживающие кольца и шариковые радиальные однорядные подшипники, предварительно нагретые в масле до 80 - 100°С. В ведомый вал закладывают шпонку bЧhЧl=…Ч…Ч… и напрессовывают зубчатое колесо до упора в бурт вала; затем надевают распорную втулку, мазеудерживающие кольца и устанавливают шариковые радиальные однорядные подшипники, предварительно нагретые в масле. Собранные валы укладывают в основание корпуса редуктора и надевают крышку корпуса, покрывая предварительно поверхности стыка крышки и корпуса спиртовым лаком. После этого на ведомый вал надевают распорные кольца, в подшипниковые камеры закладывают пластичную смазку, ставят крышки подшипников с комплектом металлических прокладок для регулировки. Перед постановкой сквозных крышек в проточки закладывают манжеточные уплотнители, пропитанные горячим маслом. Проверяют заклинивание подшипников. Ввёртывают пробку маслоспускного отверстия с прокладкой и закрепляют фонарный маслоуказатель. Заливают в корпус масло и закрывают смотровое отверстие крышкой с прокладкой. Собранный редуктор обкатывают и подвергают испытанию на стенде по программе, устанавливаемой техническими условиями. 12. Технико-экономические показатели 12.1 Важным показателем совершенства конструкции является условие равной прочности и долговечности всех элементов, поскольку наличие в конструкции хотя бы одного недостаточно прочного или недостаточно долговечного элемента снижает надёжность конструкции в целом. Но при проектировании редукторов оказалась оправданной система, при которой различные элементы конструкции рассчитывают на различную долговечность или на различный ресурс наработки до предельного состояния, поэтому в данной конструкции редуктора валы рассчитаны на неограниченный, а подшипники на ограниченный ресурс. При этом предусмотрена замена подшипников при очередных плановых ремонтах. В противном случае расчёт подшипников на большой ресурс мог бы привести к неоправданному завышению веса и габаритов конструкции. Главное, на что было обращено внимание при проектировании – чтобы ни один из этих элементов не выходил из строя раньше намеченного срока главного ремонта. 12.2 В проекте нами широко использованы стандартные изделия (подшипники, муфты, крепёжные детали, уплотнения, сливные пробки, пробки отдушин и т.д.), а также стандарты на различные элементы деталей (выточки, галтели, литейные уклоны, заплечики и т.д.). Этот важный технико-экономический фактор обеспечил: 12.2.1 Уменьшение объёма конструкторских работ, благодаря сокращению вновь проектируемых узлов и деталей, и выполненных чертежей. 12.2.2 Снижение сроков изготовления и общей стоимости изделия за счёт применения стандартной технологии, готовых (покупных) относительно дешёвых стандартных изделий и инструментов. 12.2.3 Регламентацию всех характеристик стандартизованных объектов, что даёт возможность централизации их производства, международного обмена и лёгкой замены во время эксплуатации и ремонта. 12.3 На всех стадиях проектирования редуктора соблюдался принцип унификации, направленный на повышение технико-экономических показателей конструкции, при этом учитывались типы и размеры подшипников качения, модули зубчатых колес, крепёжные детали, посадочные размеры и материалы. После разработки сборочных чертежей проведён окончательный анализ конструкции с целью унификации и получены следующие выводы: 12.3.1 Унификация модулей зубьев уменьшает номенклатуру зуборезного инструмента. 12.3.2 Унификация посадочных размеров снижает номенклатуру контрольных калибров. 12.3.3 Унификация крепёжных деталей уменьшает комплект гаечных ключей и количество запасных деталей, упрощает ремонтное обслуживание и эксплуатацию. 12.4 Назначение посадок, допусков, степеней точности, шероховатостей поверхностей деталей выполнено с позиции их влияния на эксплуатационные свойства редукторов и согласовано с технологическими возможностями производства редукторов, поскольку необоснованно высокие требования повысили бы себестоимость редукторов, не улучшая их качества. Выбранные степени точности наиболее экономичны для редукторов общего назначения. Использована наиболее распространённая система отверстия, поскольку сокращается номенклатура дорогих инструментов для отверстий. 12.5 Экономические аспекты при проектировании проявляются при выборе материалов, термообработки, упрочняющей технологии, формы и способа изготовления детали. Технологичность деталей и узлов является одним из важнейших условий в создании машин с оптимальными технико-экономическими показателями. При серийном производстве наиболее экономичным является формообразование деталей методом литья или пластическим деформированием (обработка давлением) в отличие от формообразования снятием стружки. При этом ускоряется процесс производства, уменьшается расход материалов и снижаются затраты на электроэнергию и инструмент. 12.6 Поскольку до 50% общей трудоёмкости изготовления редуктора падает на сборочные операции, а от качества сборки в большей степени зависит внимание осуществлению удобной сборки и разборки, были исключены ручные операции, неправильное взаимное положение сопряжённых узлов (например, с помощью штифтов и болтов, устанавливаемых без зазора). Было уменьшено число деталей, сделана удобная компоновка узлов с легко доступными местами крепления. 12.7 Экономичность, надёжность, долговечность, КПД, виброактивность, интенсивность шума и другие показатели редуктора в большой степени зависят от изнашивания рабочих поверхностей деталей. Трение и изнашивание наносят огромный ущерб народному хозяйству. Установлено, что 85…90% машин выходят из строя в результате изнашивания деталей и только 10…15% -по другим причинам, например, из-за поломок, которые в свою очередь являются следствием изменений условий работы, вызванных износом сопряжённых поверхностей, особенно это касается износа зубьев зубчатых колёс редуктора, который снижает их изгибную прочность и выносливость. Поэтому при расчёте зубчатой передачи были использованы все рекомендации ГОСТ 21354-87, позволяющие максимально уменьшить износ зубчатых колёс и увеличить их надёжность. Для снижения коррозионно-механического изнашивания использованы рекомендации последних исследований по вопросу смазки и смазочных устройств. Эти исследования убедительно доказывают, что усовершенствованные смазки являются наиболее эффективной мерой, направленной на повышение несущей способности и долговечности редуктора. 12.8 При оценке экономичности редуктора учтены затраты на материалы, изготовление и эксплуатацию, поскольку одним из важнейших показателей при такой оценке является массогабаритный характер. Заключение В результате выполнения задания по курсовому проектированию была разработана типовая конструкция одноступенчатого горизонтального цилиндрического косозубого редуктора общего назначения. Данный редуктор предназначен для длительной работы. Выполнение задания разделено на 2 этапа. Первым этапом задания является пояснительная записка, а вторым – графическая часть. Пояснительная записка состоит из необходимых расчетов отдельных деталей и узлов редуктора и содержит пояснения этих расчетов. Графическая часть включает в себя три чертежа: два рабочих и один сборочный. Рабочие чертежи выполнены на тихоходный вал и зубчатое колесо редуктора. Сборочный чертеж выполнен на полнокомплектный редуктор и сопровождается соответствующей спецификацией. Пояснительная записка и чертежи выполнены в соответствии со всеми требованиями, предъявляемыми к нормативно-технической документации на производстве. В процессе проектирования редуктора были усвоены и закреплены знания по следующим предметам: теоретическая механика; сопротивление материалов; детали машин; техническая графика; допуски, посадки и технические измерения; стандартизация и качество продукции. Спроектированный редуктор может применяться для привода различных типов рабочих машин – например ленточных конвейеров – и соответствует всем нормам, предъявляемым к данному типу редукторов Список литературы 1. ГОСТ 21354 – 87. Передачи зубчатые цилиндрические эвольвентные внешнего зацепления. Расчёт на прочность. 2. Дунаев П.Ф., Леликов О.П. Конструирование узлов и деталей машин, - М.: Высшая школа, 1985. –416с. 3. Кузьмин А.В., Чернин И.М., Козинцов Б.С. Расчёты деталей машин, - Мн.: Вышэйшая школа, 1986. –400с. 4. Скойбеда А.Т. Детали машин и основы конструирования. – Мн.: Вышэйшая школа, 2000. –516с. 5. Чернавский С.А. Курсовое проектирование деталей машин - М.: Машиностроение, 1987. –416с. 6. Шейнблит А.Е. Курсовое проектирование деталей машин. – М.: Высшая школа, 1991. –432с. |

[1,с.57] 
5,с.295]
























