Реферат: Измерение мощности в цепи однофазного синусоидального тока
|
Название: Измерение мощности в цепи однофазного синусоидального тока Раздел: Рефераты по физике Тип: реферат | |||||||
| Содержание: Введение………………………………………………………………………………………..……3 1. Измерение мощности в цепях постоянного и переменного токов ………………………………………………………...………………………………..………4 2. Измерение мощности в цепях на повышенных и высоких частотах………… …………..9 2.1 Измерение мощности с использованием электронного выпрямительного ваттметра ……..9 2.2 Измерение мощности с использованием термоэлектрического ваттметра………………...10 2.3 Измерение мощности с использованием ваттметра с преобразователем Холла……….…..11 2.4 Измерение мощности с использованием осциллографического метода……………………12 2.5 Измерение мощности с использованием калориметрического метода…………………….12 2.6 Балометры……………………………………………………………………………………….13 3. Измерение импульсной мощности…………………………………………………….……..17 3.1 Метод измерения средней мощности с учетом коэффициента заполнения…………….…17 3.2 Метод сравнения с мощностью постоянного тока…………………………..………………17 4. Цифровые измерители мощности……………………………………………………………19 5. Индукционные счётчики электрической энергии переменного тока………..…………24 6. Цифровые счётчики электрической энергии………………………………………………28 7. Список литературы………………………………………………………...………………….33 Измерение мощности в цепи однофазного синусоидального тока Для измерения мощности неподвижную катушку ваттметра включают последовательно с нагрузкой, мощность которой необходимо измерить, а не подвижную катушку – параллельно к нагрузке (рис. 2 а) В соответствии со схемой включения ток в цепи неподвижной катушки равен току нагрузки I1 = I , а в цепи подвижной катушки (приближенно считая её сопротивление активным Rwv ): I2 = Iv =U/Rwv Тогда угол сдвига фаз
Находится в линейной зависимости от значения измеряемой мощности Р. Для равномерности шкалы ваттметра необходимо, чтобы Это выражение справедливо для ваттметров переменного и постоянного токов (
Полное сопротивление обмотки катушки
Следовательно, угол отклонения подвижной части:
Из данного выражения следует, что при одном и том же значении измеряемой мощности, но при различных значениях
Где Px – измеренное значение мощности; Р - действительное значение мощности. Ввиду малости угла
Из (1.4) следует, что угловая погрешность измерения мощности возрастает с увеличением угла Для уменьшения угловой погрешности в цепь подвижной катушки включают компенсационную ёмкость
При полной компенсации сопротивление Z должно быть активным, следовательно,
Вследствие малой индуктивности Lwv
подвижной катушки ваттметра условие (1.5) выполняется Rк
и Cк
,что
Из (1.6) следует, что компенсация осуществляется в довольно широком диапазоне частот, пока справедливо неравенство В ваттметре при изменении направления тока в одной из катушек изменяется знак угла отклонения подвижной части, поэтому зажимы обмоток прибора, закорачивание которых приводит к правильному отклонению стрелки, называют генераторными и обозначают звездочками. Обычно в цепь подвижной катушки ваттметра вводят переключатель направления тока, позволяющий менять направление вращающего момента и получать отклонение стрелки в правильную сторону. Включение неподвижной катушки ваттметра последовательно с нагрузкой (рис.2 а) возможно только при токах нагрузки 10—20 А (при больших токах нагрузки неподвижную катушку ваттметра включают через трансформатор тока). При измерении мощности в цепях высокого напряжения (свыше 600 В) подвижную катушку ваттметра включают не непосредственно в измеряемую цепь, а через трансформатор напряжения, а неподвижную катушку ваттметра — через измерительный трансформатор тока (независимо от значений тока нагрузки). Включение ваттметра через измерительные трансформаторы тока Тр Т и напряжения Тр Т показано на рис. 2. Значение измеряемой мощности определяют по показанию ваттметра, умноженному на произведение коэффициентов трансформации трансформаторов тока и напряжения:
Где Px
–
измеренное значение активной мощности в цепи нагрузки; Pw
– показание ваттметра;
Рисунок 3 Схема включения электродинамического ваттметра через измерительные трансформаторы тока и напряжения Измеренное значение мощности будет отличаться от действительного за счет погрешности в передаче значений напряжения и тока, а также угловых погрешностей трансформаторов. Электродинамические ваттметры изготовляют многопредельными, высоких классов точности (0,1; 0,2) с диапазоном измеряемых мощностей от десятых долей ватта до 3-6 кВт, используют их как лабораторные приборы. При грубых измерениях в качестве щитовых приборов применяют ферродинамические ваттметры. 2. Измерение мощности в цепях на повышенных и высоких частотах В цепях переменного тока повышенной и высокой частот проводят прямые и косвенные измерения мощности. В ряде случаев косвенные измерения предпочтительнее, так как проще измерять напряжение, ток и сопротивление, чем мощность. Прямые измерения в основном осуществляют с помощью электронных ваттметров. В некоторых электронных ваттметрах используют электродинамические измерительные механизмы с предварительным усилением тока и напряжения либо с предварительным выпрямлением этих величин. В качестве измерительного механизма в них можно использовать электростатический электромер с усилителями напряжения и тока, а также магнитоэлектрические механизмы с квадраторами. Квадраторы выполняют на полупроводниковых диодах, преобразователях и других нелинейных элементах, работа которых осуществляется на квадратичном участке вольт-амперной характеристики. Операция перемножения ui в квадраторах заменяется операциями суммирования и возведения в квадрат. В диапазоне частот до сотен мегагерц применяют ваттметры с датчиками Холла. На сверхвысоких частотах мощность измеряют преобразованием мощности в теплоту (калориметрические методы), свет (фотометрические методы) и др. 2.1 Измерение мощности с использованием электронного выпрямительного ваттметра Принципиальная схема электронного ваттметра с квадратором, выполненным на полупроводниковых диодах, представлена на рис. 4. Ваттметр имеет два резистора в цепи тока, сопротивления которых R1 =R2 много меньше сопротивления нагрузки, и два резистора сопротивлениями Rs , R4 в цепи напряжения. Резисторы R3 и R4 выполняют роль делителя напряжения, поэтому сопротивление R3 + R4 много больше сопротивления нагрузки ZH . Падение напряжения на резисторах R1 +R2 пропорционально току нагрузки k1 i падение напряжения на резисторе Rs делителя пропорционально напряжению на нагрузке, т. е. k2 u. Как видно из схемы, напряжения u1 и u2 на диодах VD1 и VD2 будут соответственно:
При идентичных характеристиках диода и работе на квадратичном участке вольт-амперной характеристики токи i1 и i2 пропорциональны квадратам напряжений:
Рисунок 4 Принципиальная схема электронного выпрямительного ваттметра Ток в цепи прибора Постоянная составляющая тока, измеряемая магнитоэлектрическим прибором, при и
Электронные ваттметры, в схему которых включены диоды, обладают невысокой точностью (определяющим является неидентичность характеристик диодов), погрешностью измерения 2.2 Измерение мощности с использованием термоэлектрического ваттметра Частотный диапазон может быть расширен до 1 МГц, если квадратор построить на бесконтактных термопреобразователях. Термоэлектрический ваттметр отличается от выпрямительного тем, что вместо диодов включаются нагреватели бесконтактных термопар, а разность термо-ЭДС на холодных концах, измеряемая магнитоэлектрическим милливольтметром, пропорциональна средней мощности потребления нагрузки. Термоваттметры используют при измерении мощности в цепях несинусоидальной формой тока и напряжения; при измерении мощности в цепях с большим сдвигом фаз между напряжением и током, при определение частотой погрешности электродинамических ваттметров. 2.3 Измерение мощности с использованием ваттметра с преобразователем Холла Преобразователь Холла представляет собой четырехполюсник, выполненный в виде тонкой полупроводниковой монокристаллической пластины. Токовыми выводами Т—Т преобразователь Холла подключается к внешнему источнику постоянного или
где Электродвижущая сила Холла будет пропорциональна мощности, если одну из входных величин (например, магнитную индукцию В) сделать пропорциональной напряжению и, а другую (например, ток ix ) — току через нагрузку. Для реализации ваттметра преобразователь Холла ПХ помещают в зазор электромагнита (рис. 5), намагничивающая катушка L которого питается током, пропорциональным току Электродвижущая сила Холла ех = kui = kp регистрируется магнитоэлектрическим милливольтметром (k – коэффициент пропорциональности).
Рисунок 5 Ваттметр с преобразователем Холла Ваттметры с преобразователем Холла позволяют измерять мощности в диапазоне частот до сотен мегагерц. Достоинства этих ваттметров — безынерционность, простота конструкции, долговечность, надежность, а недостаток — зависимость параметров от температуры. 2.4 Измерение мощности с использованием осциллографического метода К косвенным методам измерения мощности относят и осциллографический метод, который В частности, при работе электронных схем в импульсном режиме посредством осциллографа измеряют мгновенные значения напряжения u(t) и тока i(t) на исследуемом участке схемы за время, равное периоду следования импульсов (особенно тщательно проводят измерения за время нарастания и спада импульса). По полученным данным строят эпюры напряжения и тока. Эпюру мгновенного значения мощности p(t) строят по произведению ординат кривых напряжения u(t) и тока i(t) для каждого момента времени действия импульса. По кривой мгновенное значений мощности за период определяют максимальное значение мгновенной мощности ри m ах , среднее значение мощности Р и импульсную мощность Ри .
Значение мощностей Р и Ри связаны между собой соотношением:
Для определения среднего значения мощности Р и импульсной мощности Ри вычисляют площадь, ограниченную кривой мгновенной мощности за период, и затем строят прямоугольник равной площади. Если основание прямоугольника равно длительности импульса, то его высота представляет собой значение импульсной мощности Ри , если же основание прямоугольника равно периоду следования импульсов, то высота прямоугольника равна значению средней мощности P . 2.5 Измерение мощности с использованием калориметрического метода Калориметры используются для измерения высокой мощности преимущественно в метрологических лабораториях. Калориметр состоит из нагрузочного сопротивления в теплоизолирующем корпуса погруженного в жидкость или воздушную среду. Жидкость может быть неподвижной или втекать в калориметр и вытекать из него с известной скоростью. Температуры жидкости на входе и выходе измеряются. Если скорость потока хладагента в [см3
/с], в — его плотность в
В калориметрических измерениях применим метод замещения. Например, после выполнения высокочастотных измерений на калориметр подается мощность постоянного тока, дающая ту же разность температур (To—Ti) при тех же условиях охлаждения. Затем мощность постоянного тока измеряется и считается равной мощности высокочастотного сигнала. 2.6 Балометры. Болометр представляет собой мост одно плечо, которого включается балластный резистор или термистор для детектирования, высокочастотной мощности. Балластный резистор представляет собой тонкую проволочку, обычно из платины, с положительным температурным коэффициентом сопротивления. Проволочка изготовляется очень тонкой и короткой, чтобы поглощение небольшой мощности вызывало существенные Термистор — полупроводниковый прибор с отрицательным температурным коэффициентом сопротивления. Для измерения высокочастотной мощности термистор изготовляется в виде маленькой бусинки диаметром 0,5 мм с проволочными выводами диаметром около 0,3 мм (рис. 6). Все сопротивление термистора сосредоточено в бусинке и меняется нелинейно (рис. 7), причем каждому термистору присуща собственная нелинейная характеристика.
Рисунок 6 Конструкция термистора для измерения высокочастотной мощности
Термистор монтируется в волноводном или коаксиальном корпусе, совместимом с измерительными линиями, используемыми на ВЧ и СВЧ. Корпус должен обеспечивать согласование с импедансом измерительной линии во всем диапазоне рабочих
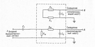
На рис. 8 показана коаксиальная термисторная схема, которая используется с приборами Н.Р.478А. Четыре согласованных термистора устанавливаются в теплопроводящем корпусе. Мощность ВЧ рассеивается в паре термисторов Rm , которая последовательно соединена с мостом, предназначенным для НЧ-измерений (зажим А). Для измерений ВЧ-сигнала эти два термистора соединяются параллельно, поскольку конденсатор С2 — развязывающий. Меняя смещение, устанавливают для каждого термистора сопротивление 100 Ом, так что входное сопротивление для ВЧ-сигнала равно 50 Ом. Конденсатор C 1 обеспечивает связь на ВЧ. Рисунок 8 Термисторная головка измерителя ВЧ-мощности Пара термисторов Rc применяется для компенсации температурных вариаций. На них подается смещение от отдельного моста на клемму В, что обеспечивает их сопротивление по 100 Ом. Терморезисторы Rc электрически изолированы от ВЧ сигнала, но смонтированы в том же теплопроводящем корпусе, что и термисторы Rm Термисторный пробник, показанный на рис. 8, сконструирован в коаксиальном корпусе для измерений в диапазоне частот 10 МГц — 10 ГГц с максимальным коэффициентом отражения 0,2. Для измерения изменений сопротивления балластного резистора или термистора и последующего расчета высокочастотной мощности можно использовать мост Уитстона. Абсолютные измерения изменений сопротивления не практикуются, поскольку и сопротивление, и коэффициент отражения зависят от высокочастотной мощности. Это ограничивает диапазон прибора примерно до 2 мВт. Поэтому для измерения высокочастотной мощности применяют другие методы. В методе уравновешивания моста на него подают постоянное или низкочастотное смещение отсутствие высокочастотного излучения на входе. Мост уравновешивается, затем на него подается высокочастотная мощность, которая нагревает датчик и нарушает равновесие моста. Постоянное смещение уменьшается с целью вернуть сопротивление к его первоначальному значению и уравновесить мост. Затем измеряют уменьшение мощности постоянного смещения, которое равно высокочастотной мощности.
На рис. 9 показана другая схема моста, содержащая два термистора. Термисторы R3 и R4 нагревательные резисторы Rh согласованы. Любое нарушение равновесия моста регистрируется и результирующий сигнал подается на R4 , чтобы вернуть мост в равновесие. Рисунок 9 Упрощенная схема термисторного моста для измерения мощности Индикатор мощности регистрирует мощность, соответствующую разбалансировке моста, которая равна мощности высокочастотного излучения. Современный прибор для измерения мощности, например Н.Р.432А, схема которого представлена на рис. 10, содержит два моста и пробник того же типа, что и на рис. 8. Напряжения постоянного смещения Vrf
и Vc
служат для поддержания моста в равновесии. Изменение сопротивления любого из термисторов нарушает равновесие моста, которое автоматически компенсируется, чтобы привести сопротивление к исходному значению Вовремя калибровки Vс
делается равным Vrf
в отсутствие высокочастотной мощности на входе. Если теперь подать на прибор высокочастотную мощность Рг
, можно' показать, что значение этой мощности определяется выражением (2.1) и регистрируется
Здесь R — сопротивление термистора в равновесии. Преимущество болометра на основе термистора состоит в том, что он работает при высоком уровне сигнала и поэтому не требует специальной экранировки в производственных условиях.
Рисунок 10 Прибор для измерения мощности типа Н.Р.432А 3. Измерение импульсной мощности Для измерения мощности, поступающей в виде импульсов, необходимы четыре метода: метод измерения средней мощности с учетом коэффициента заполнения; метод сравнения с мощностью на постоянном токе; интегрально-дифференциальный метод и метод дискретизации с запоминанием отсчета. 3.1 Метод измерения средней мощности с учетом коэффициента заполнения.
3.2 Метод сравнения с мощностью постоянного тока . Этот метод проиллюстрирован на рис. 12. Входной высокочастотный импульс расщепляется в делителе мощности. Часть мощности импульса поступает в диодный пиковый детектор, который вырабатывает постоянный сигнал, пропорциональный максимальному значению высокочастотного импульса. Импульс выводится на экран осциллографа. На диод в детекторе подается прямое смещение, которое переводит его рабочую точку в область требуемых импедансов, чтобы отклик на детектируемую мощность стал почти линейным. Напряжение с выхода диода поступает на один из входов механического прерывателя. На другой его вход подается регулируемое постоянное напряжение. При правильной синхронизации оба сигнала видны на экране осциллографа. Вначале до прихода импульса обе кривые на экране сливаются на нулевом уровне. Регулятор установки нуля на передней панели прибора позволяет эффективно регулировать уровень постоянного смещения на видеовыходе, а также компенсировать долговременный дрейф диода. При проведении измерений на вход поступает высокочастотный импульс, и уровень опорного постоянного напряжения регулируется до совмещения с максимумом импульса. Это значение регистрируется прибором на постоянном токе, который прокалиброван в единицах мощности. Для калибровки на вход подключается источник непрерывного высокочастотного сигнала, а оконечная нагрузка заменяется измерителем непрерывной мощности. Теперь можно прокалибровать выход диодного детектора путем сравнения с показаниями измерителя непрерывной мощности. Метод сравнения с мощностью постоянного тока пригоден для измерений импульсной мощности в диапазоне 50 МГц — 2 ГГц при максимальной длительности импульса 0,25 мкс. Точность измерений лучше, чем ± 1 дБ при частоте повторения импульсов до 2 МГц.
Рисунок 12 Блок-схема измерения мощности на высоких частотах 4. Цифровые измерители мощности В цифровом измерительном приборе показания представляются в виде дискретных чисел на отсчетном устройстве. Преимущества такого представления связаны с уменьшением субъективных ошибок при снятии отсчетов, отсутствием ошибок из-за параллакса и ускорением считывания. Цифровые измерительные приборы содержат встроенные электронные схемы, обычно микропроцессоры, которые позволяют подсоединить дополнительные устройства. Например, некоторые приборы снабжены программой, которая позволяет выполнять основные вычисления, в частности линеаризовать показания прибора и выводить их на дисплей. Некоторые приборы содержат различные диагностические устройства, что уменьшает время устранения отказов. Кроме того, большинство современных стендовых приборов имеет внутренние приспособления для калибровка. Калибровка осуществляется с пульта прибора, а значения параметров хранятся в долговременной памяти. В последующие отсчеты вносятся поправки с учетом этих параметров. Многие цифровые приборы снабжены также шиной интерфейса, например типа IEE 488, и могут благодаря этому работать как части больших измерительных систем. Параметры типичного универсального цифрового измерительного прибора таковы:
Обычно крупные приборы могут выбирать необходимый диапазон входной величины автоматически. Небольшие приборы, как правило имеют индикатор перегрузки, который напоминает оператору о необходимости переключения диапазона. Приборы высокой точности должны иметь входное сопротивление порядка 10 ГОм, чтобы не нагружать измеряемую схему. Время выполнения операции обычно определяется используемым АЦП и включает время восстановления после перегрузки. Разрешение определяет минимальное напряжение, которое может быть зарегистрировано. Например, разрешение 10 -6 означает, что в диапазоне входных напряжений до 1 В можно зарегистрировать 1 мкВ. Во всех цифровых приборах используются основные схемы преобразователей ЦАП и АЦП. Например, на рис. 13 представлена блок-схема типичного цифрового вольтметра.
Рисунок 13 Блок-схема типичного цифрового вольтметра. Входное напряжение ослабляется, а затем подается на усилитель с фиксированным коэффициентом усиления. Ослабление меняется вручную или автоматически, как показано на рис. 13, так что на выходе усилителя сигнал всегда находится в заданном диапазоне. Выходной сигнал сравнивается со ступенчатым сигналом от ЦАП, и когда оба сигнала равны, генератор синхроимпульсов блокируется и передает цифровое значение аналогового напряжения сигнала в декадные счетчики. Частота синхроимпульсов составляет около5 кГц. Генератор тактовых импульсов работает значительно медленнее, с частотой около 2Гц, и передает информацию от счетчиков на дисплей, а затем производит сброс в исходное состояние. Эта схема применяется в приборах общего назначения Примеры цифровых измерителей мощности: Цифровой измеритель мощности и КСВ DPM-5000
Цифровой измеритель мощности DPM-5000 представляет собой современный комплексный измерительный прибор, обеспечивающий измерения передаваемой и отраженной мощности, измерения КСВ и эффективности приемо-передающего тракта. Прибор выполнен в соответствии с последними достижениями инженерной мысли и дизайна и всех современных требований, предъявляемых к этому классу приборов. Основные возможности: · Измерения передаваемой и отраженной мощности; · Анализ КСВ, возвратных потерь и эффективности тракта; · Отображение на одном экране передаваемой и отраженной мощности в цифровом виде; · Гибкое переключение режимов; · Выносная измерительная головка 5010 · Широкий выбор специализированных измерительных элементов. Удобное отображение данных: Прибор обеспечивает отображение данных в «прямом» и «обратном» направлениях. При этом выбор типа представляемых данных осуществляется независимо. Так, например, можно одновременно отображать уровень передаваемой мощности и КСВ в обратном направлении.
Удобным также является установки масштаба отображаемых величин, которые также устанавливаются независимо для каждого направления. Выносная измерительная головка: Вторым несомненным удобством прибора является наличие выносной измерительной головки, которая соединяется с прибором кабелем передачи данных. В качестве измерительной головки используется описанная нижг головка 5010 с устанавливаемыми двумя измерительными элементами, соответствующими «прямому» и «обратному» направлениям. Меняя измерительные элементы, можно настроить измерительную головку на необходимый диапазон мощностей и частот. Выносная измерительная головка 5010 B и сенсорные элементы серии DPM
Назначение: Измерительная головка 5010B предназначена для использования совместно с семейством Site Analyzer или прибором DPM-5000EX. С одной стороны она включается в разрыв фидерного тракта (типы разъёмов выбираются при заказе), с другой стороны 5010B подключается к измерительному прибору (соединительный кабель входит в стандартный комплект поставки). Для измерения мощности сигнала стандарта TETRA, компанией BIRD разработана специальная выносная измерительная головка 5010T. В измерительную головку вставляются сенсорные элементы, один из которых измеряет прямую мощность, а другой отраженную. Компания Bird выпускает целый ряд сенсорных элементов семейства DPM для различных мощностей и частот исследуемого сигнала. С помощью анализатора, подключенного к фидерному тракту, строится частотный отклик линии в виде зависимости КСВ от частоты. Терминальный датчик мощности 5011 Работает в частотном диапазоне от 40МГц до 4ГГц (40МГц - 12ГГц для модели 5011EF). Предназначен для совместной работы с измерителями серии SiteAnalyzer и прибором DPM-5000EX в качестве терминального устройства. Он позволяет точно измерять мощность различных сигналов, как с цифровой, так и с аналоговой модуляцией в диапазоне от 10 мкВт до 10 мВт (-20...+10 дБм). Опциональные фиксированные аттенюаторы (30 дБ, 40 дБ) позволяют увеличить верхний порог измеряемой мощности до 50 Вт. Входной импеданс 50 Ом. Рабочие температуры от -10° до +50°С. Коннектор N-типа. Типовое значение КСВ 1.33 (36.6 дБ возвратные потери). Широкополосный измерительный датчик 5012
Широкополосный измерительный датчик 5012 применяется для измерения мощности в разрыве антенно-фидерного тракта. Он может использоваться как совместно с анализаторами семейства SiteAnalyzer или DPM-5000EX, так и подключаться напрямую к персональному компьютеру (ноутбуку). В последнем случае для работы датчика необходимо опциональное программное обеспечение Virtual Power Meter Software. Датчик 5012 работает в диапазоне частот от 350 МГц до 4ГГц и идеально подходит для измерения мощности цифровых сигналов. Технические характеристики датчика 5012: · Диапазон рабочих частот, МГц: 350...4000 · Диапазон измеряемых мощностей: 0,15Вт-15Вт (средняя), 400Вт (пиковая) · Тип входных разъемов: N (розетка) Импеданс: 50 Ом (номинально) · Вносимые потери: <0.05 дБ до 1 ГГц, <0.1 дБ от 1 ГГц до 4.0 ГГц · Вносимый КСВ: 1.05 до 2.5 ГГц, 1.10 от 2.5 до 4.0 ГГц · Сопротивление к механической вибрации: MIL-PRF-28800 F class 3 · Диапазон рабочих температур: -10 ... +50°C · Масса: 0,5 кг 5. Индукционные счетчики электрической энергии переменного тока В настоящее время для измерений широко применяются индукционные счетчики электрической энергии переменного тока. Индукционные счетчики электрической энергии переменного тока. На рис. 14 в упрощенном виде показано устройство индукционного счетчика. Он состоит из двух электромагнитов 1 и 5, сердечники которых набраны из тонких листов электротехнической стали, алюминиевого диска 3, закрепленного на оси подвижной части, постоянного магнита 4, счетного механизма 2 и других узлов.
Рисунок 14 Устройство индукционного счетчика и схема его включения в цепь Рассмотрим более подробно распределение магнитных потоков в индукционном счетчике (рис. 15, а).
а б Рисунок 15 . Индукционный счетчик: а — схема; б — векторная диаграмма Трехстержневой электромагнит f имеет обмотку из тонкого медного провода с числом витков порядка 8-12 тысяч, включенную параллельно нагрузке. При прохождении по обмотке тока Iv создается магнитный поток Фи , который в ниж ней части среднего сердечника разветвляется на рабочий поток Фр и нерабочий, или вспомогательный, поток Фв. Рабочий поток Фр пронизывает диск 2, индуцируя в нем вихревые токи, и замыкается через стальной противополюс 3. Нерабочий поток Фв не пересекает диск, а замыкается через боковые стержни сердечника 1. Он не принимает непосредственного участия в создании вращающего момента и служит для получения необходимого сдвига фаз между потоком Фр и напряжением сети U. Обмотка сердечника 1 из-за большого числа витков обладает значительной индуктивностью, и ток в ней Iy отстает от напряжения U на угол, близкий к 90°. Нерабочий поток Фв вызывает в сердечнике I незначительные потери, поэтому он отстает от тока Iy на небольшой угол (1-2°), Рабочий поток Фр отстает от этого же тока на существенно больший угол (20-25°), поскольку, кроме потерь в стали, имеются активные потери в алюминиевом дискет Поток Фи является геометрической суммой потоков Фр и Фв . П-образный электромагнит 4 имеет обмотку с небольшим числом витков, выполненную из медного сравнительно толстого провода и включенную последовательно с нагрузкой цепи Z . По этой обмотке проходит ток нагрузки /, который при ее активно-индуктивном характере (наиболее часто встречающийся характер нагрузки) отстает от напряжения U на угол φ (рис. 15, 6). Ток I создает магнитный поток ФI , который отстает от тока /на угол а (порядка 5-15°) из-за наличия потерь в стали электромагнита. Поток ФI дважды пересекает диск 2 (рис. 15, с), индуцируя в нем вихревые токи, которые, согласно закону электромагнитной индукции, отстают по фазе от потока на угол 90° (сопротивление диска считается чисто активным). Дальнейший анализ работы индукционного счетчика показывает, что значение вращающего момента зависит от взаимодействия магнитных потоков ФI и Фр и от угла сдвига фаз между ними у и вычисляется согласно выражению
где k — коэффициент пропорциональности, зависящий от конструкции электромагнитов и диска. Из-за наличия воздушных зазоров сердечники обоих электромагнитов находятся в ненасыщенном состоянии, поэтому потоки ФI и Фр будут пропорциональны токам в обмотках, то есть ФI = kI I; Фр = ku Iu U/Zu , где ZU — полное сопротивление параллельной обмотки, которое при неизменной частоте — величина постоянная. Подставляя значения потоков в уравнение (5.1) и объединяя постоянные, получим: Mвр = kUI sinψ Для того чтобы показания счетчика соответствовали потребляемой нагрузкой энергии, его вращающий момент должен быть пропорционален активной мощности переменного тока, то есть Mвр = kUI cosφ = kP (5.2) Для этого необходимо, чтобы sinψ= cosφ, а это будет в том случае, если угол сдвига фаз между потоками ФI , и Фр ψ=90°-φ(5.3) Из векторной диаграммы, приведенной на рис. 15, б, следует, что ψ = β - α -φ. Таким образом, для выполнения условия (5.3) угол β - α должен быть равен 90°. Выполнение этого условия достигается конструкцией электромагнита 1, которая позволяет получить угол β> 90°. Для регулировки угла α на электромагнит 4 (рис. 15, а) накладывают короткозамкнутые витки w и обмотку 5, замкнутую на проволочный резистор R , выполненный в виде петли с перемещающимся контактом. Регулируя сопротивление R , меняют потери на пути потока ФI и, следовательно, изменяют угол α, добиваясь, таким образом, равенства β - α = 90° и выполнения условия (5.3), а значит и соотношения (5.2). Роль противодействующего момента в счетчиках выполняет тормозной момент Мт , возникающий при вращении алюминиевого диска 3 подвижной части в поле постоянного магнита 4 (см. рис. 15). Так как значения индуцируемых в диске вихревых токов пропорциональны скорости изменения магнитного потока, то есть скорости вращения диска dα/dt, то тормозной момент определяется выражением Мт = k1 dα/dt(5.4) где k 1 — коэффициент пропорциональности. Под действием вращающего момента диск начинает вращаться с ускорением, что увеличивает тормозной момент до тех пор, пока моменты не уравновесят друг друга (Мвр = Мт ) и вращение не станет равномерным. С учетом зависимостей (5.2) и (5.4) имеем Kp = k1 (dα/dt) или Pdt = (k1 / k ) * dα Интегрируя последнее равенство в пределах интервала времени ∆ t , получим: w = cn где W — энергия, израсходованная в нагрузке за интервал времени ∆ t , N — число оборотов диска за этот же интервал времени; С — постоянная счетчика. Отсчет энергии производится по показаниям счетного механизма 2 (рис. 15) — счетчика оборотов, градуированного в единицах энергии. Единице электрической энергии (обычно 1 кВтч), регистрируемой счетным механизмом, соответствует определенное число оборотов подвижной части счетчика (диска). Это соотношение, которое называется передаточным числом А, указывается на лицевой панели счетчика. В настоящее время промышленностью выпускается довольно большое количество типов индукционных счетчиков, среди которых отметим СА4У-И682, СА4У-И670М и СР4У-И689. 6. Цифровые счетчики электрической энергии. Ещё несколько лет назад контроль потребления и сбережение электроэнергии не были столь актуальны. Всех вполне устраивали цены на электроэнергию и соответствующая система её учёта на базе электромеханических (индукционных) счётчиков. Принцип их работы основан на подсчёте количества оборотов диска, вращающегося в бегущем магнитном поле. Частота вращения пропорциональна мощности, а количество оборотов — потребляемой электроэнергии. Такие счётчики просты, надёжны и дёшевы. При переходе России на рыночные отношения, у поставщиков электроэнергии возникла проблема контроля и управления её потреблением. В свою очередь, потребитель заинтересован в том, чтобы не переплачивать. В результате, стало необходимо увеличение сервисных функций счётчиков. Поставщикам необходим оперативный доступ ко всей информации о количестве проданной электроэнергии на данный момент и дистанционный контроль. Потребитель заинтересован в экономии электроэнергии за счёт использования различных тарифов (дневной, ночной и так далее) и в удобном способе оплаты. Альтернатива этому — применение электронных платежей, вплоть до установления картридеров непосредственно в сами счётчики для оплаты. Современные механические счётчики не могут справиться с поставленными задачами, при условии оптимального соотношения цена/качество. Поэтому необходим новый подход к системам учёта электроэнергии и проведения платежей. В настоящее время, при стремительном развитии микроэлектроники и снижении цен на электронные компоненты, цифровые системы управления постепенно вытесняют своих аналоговых конкурентов. Это, в первую очередь обусловлено большим разнообразием микроконтроллеров и резким снижением их стоимости. Одно из главных преимуществ цифровых систем управления на базе микроконтроллеров — это гибкость и многофункциональность, достигаемые не аппаратно, а программно, не требуя дополнительных материальных затрат. Переход на микроконтроллерное управление счётчиков электрической энергии имеет ряд преимуществ, в первую очередь, повышение точности и надёжности, а так же многофункциональность, достигаемая за счёт малых аппаратных затрат. В зависимости от требований, современные цифровые счётчики должны в любой момент времени оперативно передавать требуемые данные по различным каналам связи на диспетчерские пункты энергоснабжающих предприятий для оперативного контроля и экономических расчётов потребления электроэнергии. Для расчёта электрической энергии, потребляемой за определённый период времени, необходимо интегрировать во времени мгновенные значения активной мощности. Для синусоидального сигнала мощность равна произведению напряжения на ток в сети в данный момент времени. На этом принципе работает любой счётчик электрической энергии. На рис. 13 показана блок-схема электромеханического счётчика.
Рисунок 13 Блок-схема электромеханического счетчика электрической энергии Реализация цифрового счётчика электрической энергии (рис. 15) требует специализированных ИС, способных производить перемножение сигналов и предоставлять полученную величину в удобной для микроконтроллера форме. Например, преобразователь активной мощности — в частоту следования импульсов. Общее количество пришедших импульсов, подсчитываемое микроконтроллером, прямо пропорционально потребляемой электроэнергии.
Рисунок 15 Блок-схема цифрового счетчика электрической энергии Важную роль играют всевозможные сервисные функции, такие как дистанционный доступ к счётчику, к информации о накопленной энергии и многие другие. Наличие цифрового дисплея, управляемого от микроконтроллера, позволяет программно устанавливать различные режимы вывода информации, например, выводить на дисплей информацию о потреблённой энергии за каждый месяц, по различным тарифам и так далее. Для выполнения некоторых нестандартных функций, например, согласования уровней, используются дополнительные ИС. Сейчас начали выпускать специализированные ИС — преобразователи мощности в частоту — и специализированные микроконтроллеры, содержащие подобные преобразователи на кристалле. Но, зачастую, они слишком дороги для использования в коммунально-бытовых индукционных счётчиках. Поэтому многие мировые производители микроконтроллеров разрабатывают специализированные микросхемы, предназначенные для такого применения. Примеры цифровых счётчиков электрической энергии Счетчики электрической энергии СОЛО
Счетчик однотарифный предназначен для учета и измерения активной электроэнергии в сетях 220 В частотой 50 Гц. · Класс точности 1; 2 · Тип счетного механизма ЭМ или ЖКИ Номинальное напряжение, В 220 · Рабочее напряжение, В 176 – 242 · Номинальный (максимальный ток), А 5(60) · Цена деления младшего разряда, кВт·ч 0,1 · Постоянная счетчика, имп/кВт·ч 6400 или 3200 · Потребляемая мощность, не более: · в цепи напряжения, В·А (Вт) · в цепи тока, В А 8,0 (2,0) 0,5 · Габаритные размеры, мм, не более: · в круглом корпусе 215х134х113 · в прямоугольном корпусе208х132х69,3 · Масса, кг 0,7 · Минимальная наработка на отказ, ч141 000 · Межповерочный интервал, лет16 · Средний срок службы, лет 30
Измерение и учет электроэнергии в бытовом, мелкомоторном и производственном секторах • класс точности: 2.0 • номинальный-максимальный ток, A: 5-50 • номинальная частота 50 Гц • полная и активная мощность потребляемая цепью напряжения 10В.А и 2,0 Вт соответственно • полная мощность потребляемая цепью тока не более 2,5 В.А • диапазон рабочих температур, 0С: от -20 до +55 • межповерочный интервал: 8 или16 лет (см.модификации) • средний срок службы: не менее 30 лет • количество тарифных зон: 1-4 • многотарифные счетчики имеют последовательный встроенный интерфейс CAN, обеспечивающий обмен информацией с компьютером • возможность крепления как традиционным способом, так и на DIN-рейку
Назначение: Счетчики серии СТС5605, СТС5602 - трехфазные, многотарифные, электронные, цифровые, комбированные приборы, сочетающие в себе многофункциональный микропроцессорный счетчик и измеритель показателей качества электрознергии. Счетчики серии СТС5605 трансформаторного включения предназначены для измерения активной и реактивной электроэнергии на промышленных предприятиях и объектах энергетики. Применяются в системах АСКУЭ для передачи измеренных величин на диспетчерский пункт контроля, учета и распределения электрической энергии. 7. Список литературы: 1. Б.Я. Авдеев, Е.М. Антонюк, Е.М. Душина «Основы метрологии и электрические измерения» 2. Э.Г. Атамалян «Приборы и методы измерения электрических величин» 3. Мейзда «Электронные измерительные приборы и методы измерений» |
В реальных условиях подвижная катушка ваттметра обладает небольшой индуктивностью:

(1.6)


, где Px
— измеряемая мощность.


=





Рисунок 11
Метод измерения импульсной мощности путём усреднения с учётом коэффициента заполнения.












Электронный электросчётчик Меркурий-200
СTС5605, СТС5602 Серия счётчиков трехфазных микропроцессорных комбинированных