Реферат: Рух тіла

Название: Рух тіла
Раздел: Рефераты по физике
Тип: реферат

Реферат з фізики

На тему :

Рух тіла

1.Усе про рух

Рух супроводжує багато важливих процесів і реакцій, великих і малих. Учені можуть точно передбачити рух комети в космосі, літака в небі, кульок, що котяться униз згори, і дрібні рухи деталей годинникового механізму, використовуючи знання про один тип рухів для розрахунків руху інших об’єктів. Для цього потрібно спочатку зрозуміти, що таке сила.

Необхідно прикласти певну силу, щоб відчинити двері. Вчені користуються терміном “сила” для опису того, що змушує предмети переміщатися. Процес відчинення дверей може бути описаний різними видами енергії, задіяними в ньому, але справжній рух дверей залежить від значення прикладної сили. Сила потрібна не тільки для надання тілам руху, бо навідь при прикладанні сили вони можуть залишатися нерухомими. Прикладання сили необхідне для зміни курсу літака або корабля, а також для розгону і гальмування гоночної машини. Магніт створює магнітну силу, яка притягує до нього металеві предмети. Потужна сила тяжіння утримує на Землі моря й океани, атмосферу й людей. Сила вітру рухає вітрильник уперед.

Англійський учений Ісаак Ньютон (1643-1727) одним із перших почав вивчати дію сили. Він описав ці дії у вигляді законів руху. Перший закон Ньютона говорить, що тіло, до якого не прикладена жодна сила, зюерігає стан спокою або рівномірного прямолінійного руху.Другий закон Ньютона описує, як зміна руху тіла залежить від напряму і значення сили, прикладеної до цього тіла. Третій закон говорить, що сила, прикладена до тіла, завжди створює силу протидії, рівну за значенням, але протилежну за напрямом. Ці три закони пояснюють рух і фізичну взаємодію всіх матеріальних об’єктів у Всесвіті. Ім’ям Ньютона названа одиниця вимірювання сили – ньютон.

Можна виміряти і передбачити, як далеко і як швидко рухатиметься тіло, але для цього потрібно мати у рожпорядженні певну інформацію. Потрібно знати масу тіла – скільки речовин в ньому міститься. Чим більша сила, прикладена до тіла, тим швидше збільшуватиметься його швидкість. Якщо прикласти таку саму силу до іншого тіла з меншою масою (легшою), воно рухатиметься з більшим прискоренням, ніж перше. Наприклад, якщо вдарити з однаковою силою дві кульки, одна з яких у двічі легша, то прискорення руху легшої кульки буде вдвічі більшим. Від початкової швидкості і маси залежить і пройдений шлях. Кулька сповільнюється і втрачає енергію через опір повітря і нарешті зупиняється. Ці принципи застосовуються до всіх видів руху.

· Відбиваючи атаку, тенісист передає силу удару ракетки м ’я чу.

· Сила м язів дає змогу дельфінам плисти вперед, відштовхуючись від води хвостом.

· Відтрильники ловлять вітер вітрилами і використовують його силу для руху вперед.

· Обтічні форми гоночної машини значно зменшують

силу опору повітря, яка сповільнює її рух.

2.Перетворення фігур

Якщо кожну точку даної фігури змістити яким-небудь чином, то ми дістонемо нову фігуру.Говорять, що ця фігура утворилася перетворенням даної. Рухом називається перетворення однієї фігури в іншу, якщо переводить будь-які дві точки А і В першої фігури у точки А’ і B’ другої фігури так, що АВ=А’B’.

Зауваження. Поняття рух в геометрії пов’язане із звичайним уявленням про переміщення. Але якщо, говорячи про переміщення, ми уявляємо неперервний процес, то в геометрії для нас матиме значення тільки початкове і кінцеве положення фігури.

.

3. Властивості руху

Теорема 9 .1. Точки, що лежать на прямі, під час руху переходять у точки, які залежать на прямі, і зберігається порядок їх взаємного розміщення.

Це означає, що коли точка А, В, С, які лежать на прямій, переходять у точки А`B`C`, то ці точки також лежать на прямій; якщо точка В лежить між точками А і С, то точка B`лежить між точками A` і С`.

З теореми 9.1 випливає, що під час руху прямі переходять у прямі, півпрямі – у півпрямі, відрізки – у відрізки.

.

4. Симетрія відносно точки

Нехай О – фіксована точка і Х – довільна точка площини. Відкладемо на продовжені відрізка ОХ за точку О відрізок ОХ`, що дорівнює ОХ. Точка Х` Називається симетричною точці Х відносно точки О. Точка, симетрична точці О, є сама точка О. Очевидно, точка симетрична точці Х`, є точка Х.

.

Перетворення фігури F у фігуру F`, при якому кожна її точка Х переходить у точку X`, семертичну відносно даної точки О, називається перетворенням симетрії відносно точки О. При цьому фігура F і F` називається симетричними відносно точки О.

.

Якщо перетворення симетрії відносно точки О переводить фігуру F у себе, то вона називається центрально-симетричною , а точка О називається центром симетрії.

Теорема 9.2. Перетворення симетрії відносно точки є рухом.

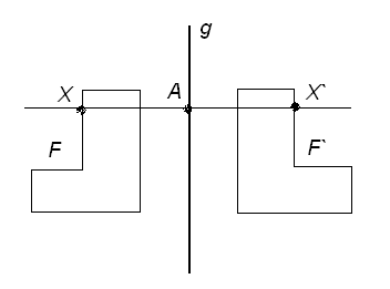
5. Симетрія відносно прямої

Нехай g – фіксована пряма. Візьмемо довільну точку Х і опустимо перпендикуляр АХ на пряму g. На продовженні перпендикуляра за точку А відкладемо відрізок AX`, що дорівнює відрізку АХ. Точка X` називається симетричною точці Х відносно прямої g. Якщо точка Х лежить на прямій g, то симетрична їй точка є сама точка Х. Очевидно, що точка, симетрична точці X`, є точка Х.

.

Перетворення фігури F у фігуру F`, при якому кожна її точка Х переходить у точку X`, симетричну відносно даної прямої g, називається перетворенням симетрії відносно прямої g. При цьому фігури F і F` називаються симетричними відносно прямої g.

.

Якщо перетворення симетрії відносно прямої g переводить фігуру F у себе, то ця фігура називається симетричною відносно прямої g, а пряма g називається віссю симетрії фігури.

Наприклад, прямі, що проходять через точку перетину діагоналей прямокутника паралельного його сторонам, є осями симетрії прямокутника.

.

Прямі, на яких лежать діагоналі ромба, є його осями симетрії.

.

Теорема 9.3.Перетворення симетрії відносно прямої є рух.

6.Пворот

Поворотом площини навколо даної точки називається такий рух, при якому кожний промінь, що виходить з даної точки, повертається на один і той самий кут в одному і тому самому напрямі. Це означає, що коли при повороті навколо точки О точка Х переходить у точку Х’, то промені ОХ і ОХ’ утворюють один і той самий кут, якою б не була точка Х. Цей кут називається кутом повороту. Перетворення фігур при повороті площини також називається поворотом .

.

Висновок

В різних предметах по-різному дають означення руху але всі означення зводяться до одного, що рух – це певне перенесення з однієї частини в іншу. В сьомому класі з фізики ми поглиблено вивчали рух молекул і атомів. Рух завжди існує в нашому житті. На мою думку, без руху неможливо вижити. Навіть те, що ми ходимо це є також певний рух, який супроводжує нас ще з дитинства.