Реферат: Технологические требования к конструкции штампованных деталей часть 1
|
Название: Технологические требования к конструкции штампованных деталей часть 1 Раздел: Промышленность, производство Тип: реферат | ||||||||||||||||||||||||||||||||||||||||||||||||||||||||||
| Работа полностью не помещалась. Ищите вторую часть, под тем же названием, на єтом же сайте - Введение. Важным условием развития материально-технической базы любой страны является создание современных промышленных предприятий, основанных на прогрессивных принципах организации производства с широким внедрением комплексной автоматизации и механизации технологических процессов, вспомогательных операций и работ, обеспечивающих быстрый рост производительности труда и повышения эффективности всего общественного производства. Начальной стадией создания промышленных предприятий является проектирование. При проектировании надо руководствоваться законами Украины, указами Верховного Совета Украины и другими нормативно-правовыми актами по вопросам проектирования капитального строительства. Основным и важнейшим фактором, предопределяющим проектное решение при проектировании промышленного объекта, является технологический процесс. Проектное решение должно быть подчинено требованиям технологического процесса. Поэтому выбор оптимальных технологических вариантов – это первоочередная задача и наиболее ответственная работа при выполнении проекта. Выбор варианта технологического процесса зависит от многих факторов, но, в первую очередь, от технических возможностей, требований, предъявляемых к изделию и типу производства. Наилучшим при данных конкретных условиях будет тот проект объекта, который при наименьших капитальных вложениях обеспечит наиболее низкую стоимость продукции высокого качества. 1. Состав и назначение цеха листовой штамповки, характер выпускаемой продукции, тип производства. Характер изготавливаемых в цехе листовой штамповки деталей зависит от вида продукции, выпускаемой предприятием, в состав которого входит этот цех. Проектируемый цех листовой штамповки входит в состав авиационного завода. Завод выпускает самолеты Ан-32, Ту-334, Ан-70, Ан-124, капитально-восстановительный ремонт Ан-32, запчасти к самолетам Ан-24, Ан-26, Ан-30, Ан-32, товары народного потребления (стиральные машины «Лыбидь», детские коляски «Мальвина», карнизы, вешалки-плечики, санки), троллейбус К-12 с износостойким корпусом, трамваи, комплектующие к ним. Форма изготовления деталей различная, основным материалом для изготовления деталей является листовая сталь, цветные металлы (алюминий).Так как в цехе изготавливаются крупногабаритные детали, то цех называется – цех крупной штамповки. По объему выпуска продукции (годовой программы) цех среднесерийного производства с годовой программой 80 тыс. комплектов. В состав цеха входят производственные отделения, цеховые службы, склады и бытовые помещения. К производственным отделениям относятся: · заготовительные отделения; · отделения основного производства. К вспомогательным отделениям относятся: · штампо-ремонтная мастерская; · ремонтно-техническое отделение Эти отделения обеспечивают ремонт штампов, приспособлений и другой оснастки, а также ремонт оборудования. В состав цеха также входит склад металла, склад штампов, склад готовых изделий, кладовые. Операции листовой штамповки разделяются на две группы: разделительные и формоизменяющие. Операции одной и другой группы совмещаются, в результате его создаются сложные операции и комбинированная штамповка. Ведущим и наиболее распространенным оборудованием в цехе листовой штамповки являются прессы различной конструкции и различного назначения. В цехе имеются прессы и другое оборудование: 1. КБ3534А – пресс двух кривошипный закрытый простого действия – предназначен для вырубки, пробивки отверстий, формоизменения, неглубокой вытяжке изделий из листового и полосового материала и других операций холодной объемной штамповки; станина сварная сборная; муфта включения фрикционная пневматическая, номинальное усилие 2500 кН. 2. КД23221 – пресс одно-кривошипный открытый простого действия – предназначен для вырубки, пробивки и т.д.; станина чугунная металлическая; муфта включения фрикционная жестко- сблокированная, номинальное усилие 160 кН. 3. КД2126К – пресс одно-кривошипный с С-образной станиной простого действия – предназначен для вырубки, пробивки, вытяжки, номинальное усилие 400 кН. 4. КВ2536 – пресс одно-кривошипный закрытый простого действия – предназначен для выполнения различных операций холодной объемной штамповки из ленточного листового и полосового металла: вырубки, пробивки отверстий, гибки, не глубокой гибки (вытяжки) и др.; станина стальная сварная разъемная; муфта включения и тормоз фрикционные пневматические с раздельным управлением; оснащен реечным съемником, номинальное усилие 4000 кН. 5. КД2128 – пресс одно-кривошипный открытый двух стоечный простого действия не наклоненный – предназначен для вырубки, неглубокой вытяжки, гибки изделий из ленточного полосового и листового материала и других операций холодной объемной штамповки; станина чугунная литая; муфта и тормоз фрикционные, жестко сблокированы, номинальное усилие 630 кН. 6. НА3221 – ножницы кривошипные с наклонным ножом – предназначены для прямолинейной резки листового материала на мерные заготовки; станина сварная сборная; привод через червячный редуктор; прижим листа гидравлический; муфта включения фрикционная пневматическая; наибольшие размеры разрезаемого листа с временным сопротивлением 500 МПа: толщина 12 мм, ширина 3150 мм. 7. 2М112 – станок настольно-сверлильный вертикальный – предназначен для сверления, рассверливания, зенкерования и развертывания отверстий в деталях, наибольший диаметр сверления 12 мм. Оборудование для заготовительных операций включает в себя оборудование для резки листового и рулонного материала – это ножницы гильотинные. Они также применяются для резки полос металла на заготовки. Автоматизация и механизация прессов листовой штамповки обеспечивают увеличение производительности прессового оборудования, повышение производительности труда, снижение стоимости продукции, улучшений условий труда и предотвращение травматизма. Оборудование пресса автоматическими устройствами повышает его производительность на 10 Основным инструментом в цехах листовой штамповки являются штампы. В зависимости от усилий и конструкции прессов, на которых их устанавливают, штампы делятся на группы: - особо мелкие; - мелкие; - средние; - крупные; - специальные. Наряду с основными материалами в цехе используются и вспомогательные материалы: - для ремонта оборудования, оснастки, штампов; - для чистки, промывки, наладки оборудования; - для смазки при штамповке. Цех листовой штамповки работает в две смены по 8 часов. В цехе работают 34 человека. Расчет количества оборудования и численности рабочих приведен в главе 5 « Организационно-экономический раздел». В этой главе произведен расчет производственной и вспомогательной площади цеха: 1. общая площадь 1440 м2 , 2. производственная 1000 м2 , 3. вспомогательная 440 м2 , 4. в том числе: склад штампов, склад металла, склад деталей, ремонтно-механическое отделение, мастерская энергетика, штампо-ремонтное отделение, заготовительное отделение. Компоновка цеха. При разработке компоновки цеха рассматривается вопрос о взаимном расположении цеха и устанавливаются основные размеры здания. Предусматривается такое расположение в цехе участков, вспомогательных служб и складов, которое обеспечивает максимальную прямолинейность основных технологических и грузовых потоков. Расположение склада металла и заготовительного отделения к штамповочному отделению обеспечивают минимальное количество перевалок и наименьшую протяженность потоков заготовок. Склады штампов, средств механизации и контрольных приспособлений, размещенных в зоне, максимально приближены к отделению штамповки. Все ремонтные службы и отделения находятся рядом со складом штампов и складом готовой продукции. Служебно-бытовые помещения находятся в конце пролета цеха с противоположной стороны от склада металла. Входы и выходы служебно-бытовых помещений не попадают на места оживленных транспортных магистралей внутри цеха, и пользование этими выходами (входами) не сопряжено с опасностью опасных случаев от наезда цехового транспорта. Заготовительное отделение размещено в поперечных пролетах которых будут расположены штамповочные участки. Это обеспечивает широкий фронт для подачи заготовок из заготовительного отделения на все штамповочные участки. Расположение прессов зависит от ряда факторов: объема и типа производства, номенклатуры и габаритов деталей, принятой поточности технологического процесса, степени автоматизации и механизации, характера используемого материала и др. Прессы в цехе расположены последовательно. Ширина пролета цеха 30 метров, высота 12 метров. Расположение оборудования в заготовительном отделении: гильотинные ножницы находятся в зоне обслуживания кран-балки. Расстояние между ножницами 2500 мм, что позволяет также обслуживать ножницы тележками и обеспечивать безопасное обслуживание рабочих и возможность монтажа и ремонта оборудования. В проектируемом цехе оборудование расположено таким образом, что можно выделить 2 участка, за этими участками расположен склад готовых деталей. Здание, в котором расположен цех, строится из железобетона: каркас железобетонный, выполненный в виде рам, состоящих из заземленных внизу колонн и шарнирно связанных с ними балок. Производственное здание одноэтажное: высота 8,4 метра, ширина пролета 24 метров, высота пролета от пола до головки рельса подкранового пути 8,15 метров, грузоподъемность мостовых кранов или подвесных кран-балок до 5 тонн. Для нашего цеха выбираем кран-балку грузоподъемностью Q 3 тонны. Подвесная кран-балка занимает всю ширину полета. Управление кран-балкой осуществляется с пола. Скорость перемещения кран-балки до 80 т/мин. Одним из элементов здания являются колонны, играющие роль несущих элементов форм, кран-балок а также ветровые нагрузки. Колонны располагаются по контуру здания с шагом 6 метров. Железобетонные колоны сделаны из предварительно напряженного железобетона марки 200. Фундамент под колонны и подколонники из бетона марки 200, армированного стальной сеткой. Глубина заложения колонн указана на разрезе цеха. На чертеже указаны фундаментные нагрузки от наружных стен каркаса здания. Они изготавливаются из предварительно напряженного железобетона. Между фундаментной балкой и фундаментом колонн располагается бетонный столбик. Для защиты фундаментных балок от деформаций, которые могут возникать под действием увеличивающихся в объеме при замерзании грунтов, а также в целях борьбы с промерзанием пола вдоль балки с боков и с низу засыпают шлаком. Поверх фундаментных балок укладывают гидроизоляцию из двух слоев рулонных материалов на пластике. Все пресса устанавливаются на железобетонный фундамент. Крепление оборудования осуществляется с помощью анкерных болтов. Подкрановые балки, по которым передвигаются кран-балки принимаем металлические сплошные из прокатного двутавра. 2. Анализ номенклатуры деталей цеха и выбор деталей-представителей. Таблица 2. 1. Анализ номенклатуры выпускаемых деталей и выбор деталей-представителей.
Технологический процесс листовой штамповки разрабатываем по этапам анализа технологичности детали, определения формы и размера заготовки, проектирования переходов штамповки, расчет технологических усилий, выбор типа оборудования, проектирования штампа, определения трудоемкости изготовления детали и загрузки оборудования. Исходными данными для проектирования являются чертежи деталей с указанием материала, технологических требований и программы выпуска. В данном дипломном проекте деталями представителями являются детали: 1. Деталь «Коробка». 2. Деталь «Крышка». 3. Деталь «Крышка». 4. Деталь «Пластина». 5. Деталь «Скоба». 3. Разработка технологических процессов листовой штамповки деталей-представителей цеха. Технологические требования к конструкции штампованных деталей. Свойства и конструктивные элементы, которые обеспечивают наиболее простое и экономическое изготовление деталей при соблюдении технических эксплуатационных требований к ним называются технологичностью. Основными показателями технологичности листовых холодноштамповочных деталей являются: 1. Наименьший расход материала. 2. Наименьшее количество и низкая трудоемкость операций. 3. Отсутствие последующей механической обработки. 4. Небольшое количество требуемого оборудования и производственных площадей. 5. Наименьшее количество оснастки при сокращении затрат и сроков подготовки производства. 6. Увеличение производительности отдельных операций и цеха в целом. 7. Наименьшая себестоимость штампуемых деталей. Общие технологические требования к конструкции листовых штампованных деталей. Раскрой листового металла: раскрой листового металла несет за собой потерю металла в виде обрезков и неиспользуемых отходов; для уменьшения потери в данном дипломном проекте было учтено наиболее полное использование материала, при резке крупных заготовок был применен комбинированный раскрой, при резке на ножницах рекомендуется применять специальные устройства, облегчающие настройку и повышающие точность реза. Механические свойства листового материала должны соответствовать не только требованиям прочности и жесткости изделия, но также процессу формоизменения и характеру пластических деформаций. Необходимо учитывать возможность применения для формоизменяющих операций более пластичного, хотя и менее прочного метала, т. к. в процессе холодной штамповки происходит его наклеп, значительно увеличивающий характеристики прочности материала. При расчете на прочность не следует увеличивать толщину листового материала, учитывая упрочнение его в процессе холодной деформации и достаточно высокую жесткость штампованных деталей. Необходимо стремиться к созданию легких и облегченных конструкций деталей, применяя для увеличения жесткости штамповку ребер жесткости, отбортовку, загибку фланцев, закатку кромок и тому подобное, а также замену тяжелых стандартных прокатных профилей наиболее легкими – гнутыми или свертными профилями и листового металла. Конфигурация детали или ее развертки должна обеспечивать наивыгоднейшее использование листового материала, давая возможность применить малоотходный или безотходный раскрой. Для получения безотходного раскроя не следует искусственно увеличивать размеры и площадь заготовки. Если отход неизбежен, то желательно придать ему конфигурацию, соответствующую другой детали, или использовать его вторично. Необходимо унифицировать и уменьшить ассортимент применяемых марок листового металла и толщин. Следует соблюдать кратность размеров крупных штучных заготовок размерам листа, иначе отходы увеличиваются. 3.1. Деталь «Коробка».
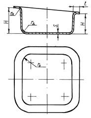
Деталь типа Коробка изготовляется из материала 12Х18Н10Т, толщина листа S = 0,8 мм. рис 3.1. Эскиз детали. 3.1.1. Анализ технологичности формы и конструктивных элементов детали. ( [ 1 ] , стр. 280-281) 1. Радиусы закруглений у дна должны быть: r ³ 4 S = 4 ´ 0,8 = 3,2 мм 2. В прямоугольных коробках следует избегать острых углов в плане и у дна детали. Исходя из изложенных технологических требований (смотри выше) делаем вывод, что деталь технологична и ее изготовление возможно методом холодной штамповки. 3.1.2. Определение формы и размеров заготовки. Расход материала . ( [ 1 ] , стр. 284) Создание технологичных форм штампуемых деталей упрощает производственный процесс и имеет решающее значение для экономии материалов в штамповочном производстве. При вытяжке прямоугольных коробок с фланцем ([1], стр. 113) ввиду значительной неравномерной деформации вдоль контура обязательна последующая обрезка неправильной формы. Это упрощает технологические расчеты заготовки и построение ее формы, так как большой точности последних не требуется. Форму заготовки в данном случае можно значительно упростить, руководствуясь удешевлением вырубного или комбинированного штампа. Необходимо соблюдать следующие требования: предотвратить нехватку поверхности металла заготовки; устранить скопление заведомо лишнего металла в углах, затрудняющего процесс вытяжки. Это позволяет производить построение заготовки путем развертки коробки на плоскость. В основу расчета и построения заготовки кладется известное правило – равенство площадей поверхности заготовки и коробки (с припуском на обрезку). При этом производят следующие подсчеты: определение длины выпрямленной стенки; определение радиуса заготовки R0 в углах коробки. Длина выпрямленной стенки находится по уравнению: L = l + H + 0,14 rcp , (3. 1) где rcp - средний радиус, rcp = (rм + rд ) /2 = (1 + 40) / 2 = 20,5 мм; l – ширина фланца, l = 15 мм; Н – высота стороны. Отсюда видно, что вычисления можно упростить, применяя средний радиус закругления у дна и фланца. L1 = 15 + 160 + 0,14 ´ 20,5 = 177,87 мм; L2 = 15 + 140 + 0,14 ´ 20,5 = 157,87 мм. Таким образом, в связи с тем, что коробка разновысокая: А1 = 180 + 2 ´ 177,87 = 535,74 мм; А2 = 180 + 2 ´ 157,87 = 495,74 мм; В = 180 + 177,87 + 157,87 = 515,74 мм. С учетом припуска на обрезку получаем заготовку: А1 = 540 мм; А2 = 500 мм; В = 520 мм. Радиус заготовки в углах коробки рассчитывается как для вытяжки стаканчика с фланцем по формуле: R 0
= где r у – радиус коробки, rу = R = 100 мм; R ф = 115,8 мм. R 01
= R 02
= Проведем построение заготовки:
рис. 3.2. Большая и меньшая часть заготовки. Учитывая, что будет производиться отгибка фланца, для облегчения изготовления принимаем радиус закругления в большей части R = 180 мм, в меньшей части R = 160 мм, тогда заготовка имеет вид:
рис. 3.3. Эскиз заготовки – развертка на плоскость. Для уменьшения отхода дорогостоящего материала, с учетом того, что изготовление будем производить вырубкой из карточки, наименьшие размеры которой 540 ´ 520 мм, выбираем по ГОСТ 19903 – 74 лист размером 1100 ´ 2200. Таким образом, получим при размерах карточки 550 ´ 550 раскрой, указанный на листе МТ6127.06.004.00 Оценку экономичности производим по величине полезного использования металла ([1], стр. 290): к и
= где f – площадь поверхности детали, f = 520 ´ 180 + m – количество деталей из листа, m = 8 штук к и
= 3.1.3 Разработка технологического процесса. Предварительный расчет требуемого количества операций вытяжки производится по общей величине деформаций, необходимой для превращения плоской заготовки в прямоугольную коробку. Здесь пригоден метод подсчета, аналогичный методу, применяемому при расчетах многооперационной вытяжки цилиндрических деталей по коэффициентам вытяжки. Эти коэффициенты представляют собой отношения длины периметров вытянутой детали и заготовки. Для предварительного определения количества операций вытяжки вполне допустимы некоторые упрощения подсчетов длины контура. Для определения количества операций вытяжки найдем общую деформацию ([1], стр. 144): m об = m об = Таким образом, можно с уверенностью сказать, что коробку высотой 160 мм с нашими габаритными размерами можно получить за один переход, радиус R 100 удовлетворяет условию ([1], стр.154, табл. 70). Наименьший радиус углового закругления при вытяжке коробок с фланцем: r y = 0,62 H = 0,62 ´ 160 = 99,2 мм Единственную проблему вызывает разновысокость детали и жесткость материала. В связи с этим будем производить вытяжку детали за 2 перехода с последующей калибровкой, указанный на листе МТ 6127.06.004.00 1 - й переход. Вытягиваем деталь высотой 140 мм, угловой радиус R = 120 мм, радиус у дна rд = 60 мм, радиус фланца rфл = 16 мм ([1], стр. 180, табл. 80). Нл-1 = 0,88 Н = 0,88 ´ 160 = 140 мм 2 - й переход. Вытягиваем деталь с заданными габаритными размерами, то есть равновысокую, угловой радиус R = 105 мм, радиус у дна rд = 45 мм, радиус фланца rфл = 5 мм ([1], стр. 180, табл. 80). 3 – й переход - калибровка. Изготовление детали с заданными радиусами, формирование угла 1 градус по большей стороне. Технологический процесс. 1. Резка листа на карточки 550 ´ 500 мм. 2. Штамповка. Вырубка контура. 3. Штамповка. Вытяжка, 1 переход. 4. Штамповка. Вытяжка, 2 переход. 5. Штамповка. Калибровка, 3 переход. 6. Штамповка. Обсечка фланца по заданному размеру. 3.1.4. Конструирование штампа. Штампы для холодной листовой штамповки представляют собой сложную конструкцию, состоящую из большого количества деталей разнообразного технологического и конструктивного назначения. Исходя из условий работы и различного характера сопряжения, эти детали требуют различной точности изготовления. Наиболее точного изготовления требуют рабочие детали вырубных штампов – пуансоны и матрицы, а также направляющие колонки и втулки прецизионных штампов. Шероховатость поверхности деталей штампов определяется назначением детали и требованиями, предъявляемыми к ней. В соответствии с этим для изготовления детали применяются те или иные способы механической обработки. Шероховатость поверхности оценивается в классах и параметрах по ГОСТ 2789 – 73. Зазор между матрицей и пуансоном определяется в процентом соотношении от толщины материала или по правилам: при вырубке наружного контура зазор берется за счет уменьшения размеров пуансона, размер матрицы принимают равным наименьшему предельному размеру детали; при пробивке отверстий зазор образуется за счет увеличения размеров матрицы, размер пуансона берется равным наибольшему предельному размеру отверстия. Определение исполнительных размеров рабочих частей (пуансон и матрица). 3.1.4.1. Штамп для калибровки. ( [ 1 ] , стр. 410) Исполнительные размеры вытяжных пуансонов и матриц определяются по формулам ([1], стр. 410, табл. 195). Вытяжка деталей с допуском по внутреннему размеру в + D: d м = ( в + Z ) + dм ; dп = d– dп, (3. 5) (3. 6) где Z - зазор, Z = 1,1 S = 1,1 ´ 0,8 = 0,88 мм ([1], стр. 183, табл. 83); dм = 0,08, dп = 0,06 ([1], стр. 411, табл. 196) Для размера 380 имеем: d м = (380 + 0,88 )+ 0,08 = 380,88 + 0,08 мм; d п = 380 – 0,06 мм Радиусы закругления матрицы равны 1 мм. 3.1.4.2. Штамп для вырубки. ( [ 1 ] , стр. 408) Исполнительные размерв вырубных матриц и пуансонов определяются по формулам ([1], стр. 407, табл. 193). Вырубка наружного контура L-D: Dм = (D - D)+ dм , Dп = (D - в - Z)- dп , (3. 7) (3. 8) где Z - зазор, Z = 0,05 мм; ([1], стр. 24, табл. 196). dм = 0,02, dп = 0,012 ([1], стр. 411, табл. 196) Для размера 520 Н 14 ® в = 1,5: Lм = (520 – 1,5)+0,02 = 518,5+0,02 мм, Lп = (520 – 1,5 – 0,05)-0,012 = 518,45-0,012 мм Остальные размеры расчитываются аналогично. 3.1.5. Выбор оборудования. Расчет усилия пресса. 3.1.5.1.Усилие для вытяжки. Усилие вытяжки изменяется на протяжении рабочего хода пуансона, достигая максимума при глубине h = (0,4 ¸ 0,6) H, где Н – полная глубина вытяжки. На практике получили применение инженерные формулы для определения усилия вытяжки, которые исходят из известного положения, что допустимые напряжения в опасном сечении должны быть меньше разрушающих , а следовательно, наибольшее усилие предельно возможной вытяжки должно быть несколько меньше усилия, необходимого для разрыва стенок изделия около дна (в опасном сечении). Фактическая величина напряжений в опасном сечении, а следовательно, и усилие вытяжки зависит от сопротивления металла деформированию, степени деформации или коэффициента вытяжки, относительной толщины заготовки, относительного радиуса закругления матрицы и пуансона, показателя анизотропии. Усилие вытяжки последней операции (калибровки) ([1], стр. 171, табл. 72): Pв = ( 4 В – 1,72 r ) S sв кф , (3. 9) где S – толщина материала, S = 0,8 мм; sв - предел прочности, sв = 54 кгс/мм2 ; кф – коэффициент, кф = 0,7 P в = ( 4 ´ 380 – 1,72 ´ 100) ´ 0,8 ´ 54 ´ 0,7 = 40763,52 кгс Полное усилие вытяжки: P = Pв + Q, (3. 10) где Q – усилие прижима, Q = 0,25 Pв , отсюда Р = 1,25 Pв = 1,25 ´ 40763,52 = 50954,4 кгс Исходя из конструктивных особенностей пресса, выбираем пресс усилием 250 т. с. Штамп устанавливается на 250 т. с. пресс модели КБ3534А ([2], стр. 46 ):
3.1.5.2. Усилие для вырубки. В процессе вырубки листового металла возникает сложное неоднородное силовое поле, сконцентрированное вблизи режущих кромок пуансона и матрицы. Ввиду сложности и неоднородности силового поля при вырубке в расчетах применяется условная технологическая величина – сопротивление срезу. Рассчитаем усилие пресса для вырубки заготовки ([1], стр. 16): Рср = L S sср , (3. 11) где sср – сопротивление срезу, sср = 46 кгс / мм2 ; L – периметр, L = 4 ´ 180 + p 180 + p 160 = 1787,6 мм Рср = 1787,6 ´ 46 ´ 0,8 = 65783,68 кгс Полное усилие вырубки обычно учитывает поправку на неоднородность материала и затупление режущих кромок пуансонов и матриц введением поправочного коэффициента и рассчитывается по формуле: Р = 1,36 Рср = 1,36 ´ 65783,68 = 89465,8 кгс (3. 12) Выбираем пресс усилием 160 или 250 т.с. Штамп устанавливается на 250 т. с. пресс модели КБ3534А. 3.2. Деталь «Крышка». Деталь типа Крышка изготовляется из материала сталь 10, толщина листа S = 1,5 мм. 3.2.1. Анализ технологичности формы и конструктивных элементов детали. ( [ 1 ] , стр. 280-281) 1. Деталь имеет сложную вытягиваемую форму, поэтому изготовление штампов будет производиться с ручной подготовкой рабочих деталей (матрицы и пуансона). 2. Радиусы закруглений у фланца r ³ 3S = 5 мм, радиусы закруглений у дна могут быть не меньше r ³ 2S = 3 мм. 3. В прямоугольных коробках следует избегать острых углов в плане и у дна детали. Исходя из изложенных ранее технологических требований делаем вывод, что деталь технологична и ее изготовление возможно методом холодной штамповки. 3.2.2. Определение формы и размеров заготовки. Расход материала. ( [1 ], стр. 284) При вытяжке прямоугольных коробок с фланцем ([1], стр. 113) ввиду значительной неравномарной деформации вдоль контура обязательно необходима последующая обрезка неровного фланца. (Требования смотри выше.) Это упрощает технологические рассчеты заготовки. Построение заготовки производится путем развертки коробки на плоскость. Длина выпрямленной стенки находится по уравнению: 1) L = L1
+ L2
+ при rд = 50 мм, rм = 5 мм, L1 = 11мм, L2 = 0 мм
рис.3.4. Отдельный элемент детали. L = 11 + 2) L = L1
+ L2
+ L = 11 +
рис. 3.5. Отдельный элемент детали (радиусы скругления дна и фланца). 3) Поскольку высота детали изменяется вдоль длинной стороны детали, рассчитываем длины стенки в наибольшей части и наименьшей части, таким образом: Lб
= 11 + 30 +
рис. 3.6. Отдельный элемент детали (длина стенки). Lм
= 11 + Рассчитываем высоту развертки. Деталь после гибки:
рис. 3.7. Чертеж детали после гибки. а = tg
тогда l = Деталь до гибки (после вытяжки):
рис. 3.8. Чертеж детали до гибки. Полная развертка детали будет: L = 230 + 494,5 = 724,5 мм Найдем длину плоской части детали: В¢ = 724 – 76 – 35,5 = 612,5 мм Найдем ширину плоской части детали: А¢ = 316 – 2 ´ 16 – 30 = 254 мм Поскольку при формировании ребер жесткости их размеры практически не влияют на величину развертки детали, определим размеры развертки: К = В + L + L = 612,5 + 97,35 + 53,82 = 763,67 мм, (3. 15) Nб = A¢ + 2Lб = 254 + 72,4 ´ 2 = 398,8 мм, (3. 16) Nм = A¢ + 2Lм = 254 + 42,4 ´ 2 = 338,8 мм, (3. 17) С учетом припуска на обрезку, равную 10 мм, получим размеры заготовки: К = 763,67 + 10 = 774 мм Nб = 398,8 + 10 = 410 мм Nм = 350 мм Для построения эскиза заготовки необходимо определить радиус заготовки в углах, которые расчитываются как для вытяжки стаканчика с фланцем: R0
= где r у – радиус коробки, rу = R = 15 мм; R ф = 31 мм; Н – высота стороны В нашем случае: R01
= R02
= Эскиз заготовки:
рис. 3.19. Чертеж заготовки. Развертка ребра жесткости определяется графическим путем: Lрж = 460 мм Поскольку развертка детали большая – вырубку будем производить из карточек размером 774 ´ 410 мм (возможна не вырубка, а обсечка). Таким образом, оценку экономичности производим по величине полезного использования металла ([1], стр. 290): к и
= где f – площадь поверхности детали f = 254 ´ 774 + 2 m – количество деталей из листа, m = 5 штук; А ´ С – размеры листа А ´ С = 1000 ´ 2000 мм, ГОСТ 19903 - 74 к и
= Концевые отходы (полосы шириной 180 и 42 мм) используются для изготовления деталей в цехах средней и мелкой штамповки. 3.2.3 Разработка технологического процесса Технологический процесс: 1. Резка листа на карточки. Ножницы гильотинные. 2. Штамповка. Вырубка или обсечка заготовки. 3. Штамповка. Вытяжка. 4. Штамповка. Гибка. 5. Штамповка. Обсечка припуска в размер детали. 3.2.4. Выбор оборудования. Расчет усилия пресса. 3.2.4.1. Усилие для вытяжки и формовки. Поскольку коробка невысокая, Н/В <0,6, эту коробку можно изготовить за одну операцию вытяжки. Тогда усилие пресса рассчитаем по формуле ([1], стр. 172, табл. 72): Pв = ( 2 А + 2 В – 1,72 r ) S sв кф , (3. 20) где А и В – длина и ширина коробки; S – толщина материала, S = 1,5 мм; sв - предел прочности, sв = 34 кгс/мм2 ; кф – коэффициент ([1], стр. 174, табл. 76), кф = 0,3 Pв = ( 2 ´ 316 + 2 ´724,5 – 1,72 ´ 15) ´ 1,5 ´ 34 ´ 0,3 = 31444,56 кгс Полное усилие вытяжки: P = Pв + Q, (3. 21) где Q – усилие прижима, Q = 0,25 Pв , отсюда Р = 1,25 Pв = 1,25´31444,56 = 39305,7 (3. 22) Поскольку кроме вытяжки на этой операции производится формовка ребер жесткости, определим усилие формовки ([1], стр. 216). Эта операция в самолетостроении, как правило, выполняется на гидравлических прессах давлением резины или жидкости. При ширине рифта 15 мм и толщине материала S = 1,5 мм, наибольшая глубина рифта может составить 6 мм. В нашем случае 4 мм. Усилие штамповки ребер жесткости ориентировочно может быть рассчитано по формуле: P = L S sв кф , (3. 23) где L – длина ребер жесткости, L = 460 мм; S – толщина материала; кф – коэффициент зависимости от глубины рифта, кф = 0,7¸1; sв - предел прочности, sв = 34 кгс/мм2 Pрж = 460´1,5´34´1 = 23460 кгс Тогда полное усилие, необходимое для изготовления детали: Рп = Р + Pрж = 39305,7 + 23460 = 62765,7 кгс Исходя из конструктивных особенностей пресса, закрытой высоты штампа, размеров рабочего стола, выбираем пресс усилием 250 т.с. 3.2.4.2. Усилие для гибки.. Расчет усилия гибки ([1], стр. 72, табл. 23): Усилие гибки определяется из равенства внешнего изгибающего момента моменту внутренних сил. В нашем случае усилие гибки определяется не столько процессом изгиба, сколько процессом калибровки, требующим значительного давления и практически зависящим от регулировки хода пресса и от отклонений материала по толщине. Поскольку гибка производится с калибровкой, максимальное усилие пресса будет при калибровке, то есть: Р = р F, (3. 24) где р – давление калибровки, р = 1,2 кгс/мм2 ([1], стр. 73, табл. 26); F = (724,5 - 230)´316 = 156262 мм2 Р = 1,2´156262 = 187514,4 кгс Исходя из конструктивных особенностей пресса, закрытой высоты штампа, величины хода пресса, размеров рабочего стола, выбираем пресс усилием 250 т.с. Штамп устанавливается на 250 т. с. пресс модели КБ3534А. |
||||||||||||||||||||||||||||||||||||||||||||||||||||||||||








