Курсовая работа: Исследование линейных систем управления
|
Название: Исследование линейных систем управления Раздел: Рефераты по информатике Тип: курсовая работа | |||||||||||||||||||||||||||||||||||||||
| КУРСОВАЯ РАБОТА «Исследование линейных систем управления»Дисциплина «Теория автоматического управления»Пенза, 2007 г. Введение Мир технических систем разнообразен. Однако математика и физика выявили в нем простые параллели. Можно выделить ряд энергетических доменов, которым принадлежат те или другие системы или их модули. Это электрический, магнитный, тепловой, гидравлический, акустический, механический и ротационный домены. Так же существуют два фундаментальных постулата. Первый постулат гласит, что материя не может появиться ни откуда и не может исчезнуть в никуда. Второй постулат утверждает то же самое в отношении энергетического потенциала. Эти постулаты имеют частные формулировки для каждого энергетического домена. Например, для электрического домена это первый и второй законы Кирхгофа. Каждый из энергетических доменов характеризуется двумя физическими величинами первого и второго рода. В случае электрического домена – это электрические ток и напряжение соответственно. Эти парные физические величины, в каждом энергетическом домене, связаны между собой законом Ома в соответствующей формулировке (существуют: электрическое, магнитное, тепловое, гидравлическое, акустическое, механическое и ротационное сопротивления). Так же следует отметить, что произведение физических величин первого и второго рода всегда есть мощность. Представленная система параллелей позволяет понять, что математическое описание процессов движения координат систем принадлежащих разным энергетическим доменам подобно, и может быть предметом изучения одной науки, которая называется «Теория систем автоматического регулирования». Более того, в последние годы, приобретен успешный опыт применения методов этой теории при решении задач управления в экономических, финансовых и других нетехнических системах. Типовые динамические звенья
Типовым динамическим звеном САУ является составная часть системы, которая описывается дифференциальным уравнением не выше второго порядка. Звено, как правило, имеет один вход и один выход. По динамическим свойствам типовые звенья делятся на следующие разновидности: позиционные, дифференцирующие и интегрирующие. Позиционными звеньями являются такие звенья, у которых в установившемся режиме наблюдается линейная зависимость между входными и выходными сигналами. При постоянном уровне входного сигнала сигнал на выходе также стремится к постоянному значению. Дифференцирующими являются такие звенья, у которых в установившемся режиме выходной сигнал пропорционален производной по времени от входного сигнала. Интегрирующими являются такие звенья, у которых выходной сигнал пропорционален интегралу по времени от входного сигнала. Звено считается заданным и определенным, если известна его передаточная функция или дифференциальное уравнение. Кроме того, звенья имеют временные и частотные характеристики. Временные характеристики линейных САУ Временные характеристики показывают поведение системы с момента подачи на нее воздействия в виде единичной ступенчатой или единичной импульсной функции, до момента перехода системы в установившейся режим. По этим характеристикам судят о поведении системы в переходном режиме и о точности работы системы. В соответствии с входным сигналом различают две переходные характеристики: 1. Переходная характеристика системы h ( t ). Эта функция определяется изменением выходной величины системы (отдельного элемента системы) при скачкообразном изменении входной величины ( подаче на вход 1 ( t )) при нулевых начальных условиях. 2. Импульсная переходная характеристика ω( t ) (функция веса). Эта функция определяется изменением выходной величины системы (отдельного элемента) при приложении на вход системы единичного импульса δ(t) при нулевых начальных условиях. Для получения переходной и импульсной характеристики нужно в дифференциальное уравнение связи подставить в качестве входного сигнала единичную ступенчатую функцию для нахождения h ( t ) и решить получившееся уравнение относительно h(t), а затем для того чтобы получить ω( t ) достаточно продифференцировать h(t).
Частотные характеристики В условиях реальной эксплуатации САУ часто возникает необходимость определить реакцию на периодические сигналы, т.е. определить сигнал на выходе САУ, если на один из входов подается периодический сигнал гармонической формы. Решение этой задачи возможно получить путем использования частотных характеристик. Частотные характеристики могут быть получены экспериментальным или аналитическим путем. При аналитическом определении исходным моментом является одна из передаточных функций САУ (по управлению или по возмущению). Возможно также определение частотных характеристик исходя из передаточных функций разомкнутой системы и передаточной функции по ошибке. Если задана передаточная Функция W(р), то путём замены p→jω получаем частотную передаточную функцию W(jω), которая является комплексным выражением т.е. W(jω)=U(ω)+jV(ω), где U(ω) – действитльная составляющая, а V(ω) – мнимая составляющая. Частотная передаточная функция может быть представлена в показательной форме: W(jω)=A(ω) ej φ ( ω ) где
Таким образом, дифференциальное уравнение движения системы связывает входной и выходной сигналы (т.е. функции времени), ПФ связывает изображения Лапласа тех же сигналов, а частотная ПФ связывает их спектры. Частотная передаточная функция W(jω) может быть представлена на комплексной плоскости. Графическое отображение для всех частот спектра отношений выходного сигнала САУ к входному, представленных в комплексной форме будет представлять собой амплитудно-фазовую частотную характеристику (АФЧХ) или годограф Найквиста. Величина отрезка от начала координат до каждой точки годографа показывает во сколько раз на данной частоте выходной сигнал больше входного – АЧХ, а сдвиг фазы между сигналами определяется углом до упомянутого отрезка – ФЧХ. При этом отрицательный фазовый сдвиг представляется вращением вектора на комплексной плоскости по часовой стрелке относительно вещественной положительной оси, а положительный фазовый сдвиг представляется вращением против часовой стрелки. Для упрощения графического представления частотных характеристик, а также для облегчения анализа процессов в частотных областях используются логарифмические частотные характеристики: логарифмическая амплитудная частотная характеристика (ЛАЧХ) и логарифмическая фазовая частотная характеристика (ЛФЧХ). При построении логарифмических характеристик на шкале частот вместо ω откладывается lg(ω) и единицей измерения является декада. Декадой называется интервал частот, соответствующий изменению частоты в 10 раз. При построений ЛАЧХ на оси ординат единицей измерения является децибел, который представляет собой соотношение L=20 lg А(ω). Верхняя полуплоскость ЛАЧХ соответствует значениям А>1 (усиление амплитуды), а нижняя полуплоскость – значениям А<1 (ослабление амплитуды). Точка пересечения ЛАЧХ с осью абсцисс соответствует частоте среза ωср , при которой амплитуда выходного сигнала равна входной. Для ЛФЧХ на оси частот используется логарифмический масштаб, а для углов – натуральный масштаб. На практике логарифмические частотные характеристики строятся на совмещённой системе координат, которые представлены на рис. 1.
Рис. 1. Схема координат для логарифмических характеристик Особенно удобно использовать логарифмические частотные характеристики при анализе всей системы.
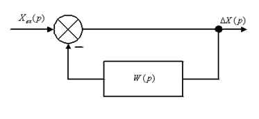
Структурные схемы линейных САУ Под структурной схемой САУ будем понимать её графическое изображение, отображающее её элементы и связи с точки зрения их передаточных функций и взаимодействия. Структурная схема выступает в качестве динамического эквивалента реальной системы САУ. Она может быть получена по дифференциальному уравнению связи и по передаточным функциям. Элементы на структурной схеме обозначаются прямоугольниками внутри которых записывается передаточная функция К(р), слева входной, а справа выходной сигналы. Определение передаточной функции по структурной схеме При анализе структурных схем оперируют четырьмя передаточными функциями: 1. Передаточная функция разомкнутой системы W(p) 2. Передаточная функция замкнутой системы Ф(р) 3. Передаточная функция по ошибке ФD (р) 4. Передаточная функция по внешнему воздействию ФF (р) 1) W(p) – передаточная функция рассчитывается как отношение хвых (р) к Dх(р) при отбросе всех возмущающих воздействий и обратной связи и при отброшенном задающем воздействии
2) Ф(р) – передаточная функция рассчитанная при отброшенном возмущающем воздействии
3)
4) ФF (р) – определяется при отброшенном воздействии хвх (р).
Все передаточные функции однозначно связанны между собой передаточной функцией разомкнутой системы W(p), следовательно, о качестве САУ можно судить по передаточной функции W(p). В свою очередь передаточная функция разомкнутой системы определяется передаточными функциями и параметрами отдельных элементов входящих в ее состав. Поэтому важно знать характеристики отдельных элементов и звеньев.
Устойчивость САУ Понятие устойчивости является важнейшей качественной оценкой динамических свойств САУ. Устойчивость САУ связана с характером её поведения после прекращения внешнего воздействия, которое может быть оценено решением дифференциального уравнения, описывающего работу системы. Общая теория устойчивости разработана А.М. Ляпуновым. Линейная система называется устойчивой, если ее выходная координата остается ограниченной при любых ограниченных по абсолютной величине входных воздействиях. Устойчивость линейной системы определяется ее характеристиками и не зависит от действующих воздействий.
D(p) = a0 pn + a1 pn-1 +… + an = 0 Переходная составляющая решения уравнения в общем виде yni (t) = Ai eα i t * sin(βi t + φi ) , где αi ± jβi – корни характеристического уравнения; Ai ,Φi – постоянные. При этом переходная составляющая с ростом времени стремится к нулю, если вещественные части корней αi отрицательны, в противном случае амплитуда колебаний переходной составляющей возрастает.
Рис. 2. Графики переходных составляющих Пара мнимых корней (αi =0) характеристического уравнения позволяет получить переходную составляющую в виде автоколебаний с постоянной амплитудой:
Полученные корни характеристического уравнения могут быть представлены в виде точек на комплексной плоскости.
Рис. 3. Расположение корней САУ на комплексной плоскости Для устойчивых систем необходимо и достаточно, чтобы все корни характеристического уравнения лежали слева от мнимой оси комплексной плоскости корней. Если хотя бы один вещественный корень или пара комплексных сопряженных корней находится справа от мнимый оси, то система является неустойчивой. Если имеется нулевой корень или пара чисто мнимых корней, то система считается нейтральной (находящейся на границе устойчивости и неустойчивости). Таким образом, мнимая ось комплексной плоскости является границей устойчивости. С целью упрощения анализа устойчивости систем разработаны ряд специальных методов, которые получили название критерии устойчивости. Критерии устойчивости делятся на две разновидности: алгебраические (критерий Гурвица) и частотные (критерии Михайлова и Найквиста). Алгебраический критерий устойчивости Гурвица находит широкое применение при анализе САУ. Первоначально, из коэффициентов уравнения составляется матрица главного определителя:
По диагонали матрицы от верхнего левого угла записываются по порядку все коэффициенты уравнения, начиная с Для устойчивости системы необходимо и достаточно, чтобы при Последний определитель Гурвица, как видно из приведенной выше матрицы, равен Δn
=an
*Δn-1
. Поэтому его положительность сводится при Δn-1
>0 к условию an
>0. Для систем первого и второго порядка критерий Гурвица сводится просто к положительности коэффициентов Частотный критерий устойчивости Михайлова
предполагает построение годографа на комплексной плоскости. Для построения годографа из характеристического уравнения замкнутой системы путем подстановки p=jω получают аналитическое выражение вектора M(jω): Уравнение является комплексным и может быть представлено в виде:
Построение годографа производится по уравнению вектора M(jω) при изменении частоты от 0 до Тогда для устойчивости линейной системы n-го порядка необходимо и достаточно, чтобы изменение аргумента годографа M(jω) при изменении от 0 до + Критерий Михайлова формулируется так: система устойчива, если годограф Михайлова M(jω) при изменении от 0 до Если годограф начинается в нулевой точке комплексной плоскости или проходит через эту точку при определенной частоте, то система считается нейтральной. В этом случае U(ω) = 0 и V(ω) = 0. Из этих уравнений можно определить значения параметров, при которых система находится на границе устойчивости (критические значения). На рис. 4 приведены годографы Михайлова для устойчивых и неустойчивых САУ.
Рис. 4. Годографы Михайлова Имеется вторая формулировка критерия Михайлова: для устойчивости системы необходимо и достаточно, чтобы корни уравнений U(ω) = 0 и V(ω) = 0 перемежались (чередовались), т.е. годограф последовательно пересекал оси комплексной плоскости. Этой формулировкой удобно пользоваться для исследования устойчивости систем до пятого порядка включительно. По уравнению можно определить количество правых корней в неустойчивых системах. Частотный критерий устойчивости Найквиста , позволяющий по виду амплитудно-фазовой частотной характеристики разомкнутой системы оценить устойчивость работы замкнутой системы. АФЧХ может быть получена экспериментально или аналитически. Аналитическое построение АФЧХ производится обычными методами. Критерий Найквиста формулируется так: если разомкнутая система устойчивая, то для устойчивости замкнутой системы необходимо и достаточно, чтобы АФЧХ разомкнутой системы при изменении частоты от 0 до
Рис. 5.АФЧХ разомкнутых САУ Существуют два класса САУ: абсолютно устойчивые и условно устойчивые. В первом классе систем только увеличение коэффициента усиления разомкнутой системы может привести к потере устойчивости, а условно устойчивая система может стать неустойчивой как при увеличении, так и при уменьшении коэффициента усиления. Для абсолютно устойчивых систем вводится понятие запаса устойчивости по амплитуде (модулю) и запаса устойчивости по фазе. Запасы устойчивости определяют на частоте среза ωср
, на которой A(ωср
)=1.
Рис. 6.АФЧХ абсолютно устойчивой системы
Точность линейных САУ Устойчивость САУ является важной, но не полной характеристикой работы системы. Кроме устойчивости система должна обладать требуемой точностью и требуемым качеством переходных процессов. Установившийся режим может быть статичен и динамичен. Статический режим – это режим, при котором входное воздействие после появления остается неизменным. Динамический установившийся режим – это режим, при котором входное воздействие изменяется по какому-то закону. С точки зрения точности работы системы они могут быть статическими и астатическими. Астатические системы могут быть I, II, III и т.д. порядка (определяется количеством интегрирующих звеньев). Что касается установившейся ошибки Δхуст , то в соответствии с принципом суперпозиции равна:
где Δхвх – ошибка входного воздействия, Δхfj – ошибка от возмущающего воздействия, n – количество возмущающих воздействий. Составленные ошибки могут определяться по теории о конечном значении функции, по реакции на типовые воздействия и по коэффициенту ошибок. Оценка точности по коэффициенту ошибок Для определения ошибки воспользуемся выражением для передаточной функции замкнутой системы по ошибке:
Разложим в ряд по возрастающей степени:
где С0 , С1 ,…, Сn – коэффициенты ошибок. При малых значениях Если использовать формулу Тейлора:
Подставим выражение для
Сделаем обратное преобразование Лапласа:
Таким образом, получим, что статическая ошибка по входному воздействию будет определяться коэффициентом ошибок и характером изменения и величиной входного воздействия. Если хвх = const, то из этой формулы достаточно взять один первый член. Если входное воздействие медленно изменяющаяся функция, то надо взять несколько первых членов. Аналогично рассуждая можно показать, что ошибка по возмущающему воздействию xf (t) будет определяться:
Показатели качества САУ Количественные оценки качества, так называемые прямые показатели качества, определяются по кривой переходного процесса.
Рис. 7. Переходная функция и показатели качества Используются следующие прямые показатели качества: 1) величина перерегулирования s,
которая характеризует максимальное отклонение регулируемой величины от ее установившегося значения, которое может быть определено в соответствии с теоремой о конечном значении оригинала
2) время переходного процесса или время регулирования tp – наименьшее значение времени, после которого имеет место неравенство
где в – заданная величина, обычно лежащая в пределах D=0.02–0.05; 3) статическая ошибка eсm – величина отклонения установившегося значения регулируемой величины x(¥) от требуемого значения N
или 4) время установления ty – промежуток времени, по истечении которого регулируемая величина первый раз достигает установившегося значения. Для определения качества системы могут использоваться и другие показатели, соответствующие решаемой задаче, например, число колебаний регулируемой величины за время регулирования, частота и период колебаний и т.д.
Практическая часть
1. Нахождение АЧХ и ФЧХ для Найдём АЧХ и ФЧХ для
Заменим
Обозначим
Найдем амплитудно-частотную характеристику (АЧХ):
Найдем фазо-частотную характеристику (ФЧХ):
Найдем логарифмическую амплитудно-частотную характеристику (ЛАЧХ):
Построим найденные характеристики в математическом пакете MathCAD 2000:
Рис. 8.ЛАЧХ звена
Рис. 9 ЛФЧХ звена Из графика видно, что звено Выполним теже действия для звена
Так как действительная часть передаточной функции равна 0, то АЧХ запишется так:
Найдем фазочастотную характеристику (ФЧХ):
Найдем логарифмическую амплитудно-частотную характеристику (ЛАЧХ):
Построим найденные характеристики:
Рис. 10. ЛАЧХ звена
Рис. 14.ЛФЧХ звена Как видно из графиков звено
2. Нахождение
1) Найдем передаточную функцию разомкнутой системы
Рис. 11. Структурная схема передаточной функции разомкнутой системы 2) Найдем передаточную функцию замкнутой системы
Рис. 12. Структурная схема передаточной функции замкнутой системы 3) Найдем передаточную функцию по ошибке
Также её называют передаточной функцией ошибки по задающему воздействию.
Рис. 13. Структурная схема передаточной функции по ошибке 4) Найдем передаточную функцию по внешнему воздействию
Рис. 14. Структурная схема передаточной функции внешнему воздействию 3. Нахождение АЧХ и ФЧХ для найденной Найдем АЧХ, ФЧХ и ЛАЧХ для
Найдем комплексную АЧХ системы
Обозначим А= Найдем амплитудно-частотную характеристику (АЧХ):
Найдем фазочастотную характеристику (ФЧХ):
Найдем логарифмическую амплитудно-частотную характеристику (ЛАЧХ):
Построим ЛАЧХ и ФЧХ для
Рис. 15. АФЧХ звена
Рис. 16. ЛФЧХ звена
Исследование
Исследование Сложим числитель и знаменатель передаточной функции
где Из уравнения видно, что все коэффициенты этого уравнения больше нуля. Теперь составляем определитель 2-го порядка:
Составляем следующий определитель на ранг меньше предыдущего. Он определяется путем вычеркивания соответствующих строк и столбцов.
Т.к 2) Исследование Представим характеристическое уравнение 2-го порядка для данной передаточной функции в виде характеристического вектора
где Пусть
Тогда где
Для нашего уравнения получаем:
Таблица 1
Рис. 17. Изображение характеристического вектора Из графика видно, что зависимость уходит в Исследование Критерий Найквиста мы реализуем на комплексной плоскости. Если АЧХ разомкнутой системы не охватывает на комплексной плоскости точку с координатами (-1; j0), то система является устойчивой. Если АЧХ охватывает эту точку, то система – неустойчивая. Если проходит через эту точку, то система находится на границе устойчивости.
Таблица 2
По полученным данным построим диаграмму Найквиста
Рис. 18. диаграмма Найквиста Как видно из построенного графика АЧХ разомкнутой системы на комплексной плоскости не охватывает точку с координатами (-1; j0). Следовательно можно сделать вывод, что система устойчивая. А расстояние от этой кривой до точки (-1; j0) есть запас устойчивости. Вывод: Сравнив все три метода критерия устойчивости, можно судить о том, что данная система устойчива, так как все три метода показали одинаковый результат.
Определение точности работы структурной схемы и нахождение общей ошибки Запишем выражение передаточной функции по ошибке:
Делим числитель на знаменатель, при это выражения должны располагаться по возрастанию.
Найдем первую и вторую производную
Найдем статическую ошибку по задающему воздействию:
Запишем выражение передаточной функции по внешнему воздействию:
Делим числитель на знаменатель, при этом выражения должны располагаться по возрастанию. Следовательно, получаем:
Найдем первую и вторую производную
Найдем ошибку по возмущающему воздействию:
Складывая ошибки по задающему и возмущающему воздействию, получаем общую ошибку:
Расчет для Применим аналитический метод построения переходной характеристики
Делим передаточную функцию замкнутой системы на p . Получаем:
где
Приравняем знаменатель
Найдем корни этого уравнения 3-го порядка:
Так как дискриминант этого уравнения меньше нуля то корни будут комплексными. Найдем корни данного уравнения:
Найдем производную знаменателя
Найдем коэффициенты
Находим соответствующую переходную характеристику:
Построим график переходной характеристики в Mathcad 2000 :
Рис. 19. Переходная характеристика замкнутой системы
Из графика видно, что время регулирования Время перерегулирования Число полных колебаний совершенных выходной величиной за время регулирования
Заключение В результате выполнения данной курсовой работы было проведено исследование линейной САУ и были получены следующие результаты: 1) Нашли АЧХ, ФЧХ и ЛАЧХ, а так же построили ЛАЧХ и ЛФЧХ для передаточных функций 2) Нашли и построили структурные схемы для различных систем 3) Нашли АЧХ, ФЧХ и ЛАЧХ, а так же построили ЛАЧХ и ЛФЧХ для передаточной функции 4) Исследовали 5) Нашли общую ошибку системы 6) Нашли и построили переходную характеристику 7) Определили основные показатели качества системы по переходной характеристике Список использованной литературы 1) Артамонов Д.В. Курс лекций по ТАУ 2) Егоров К.В. Основы теории автоматического регулирования, изд-во Энергия 1967 3) Клиначев Н.В. Теория систем автоматического регулирования, литература в электронном виде |







































