Дипломная работа: Разработка архитектурно-конструктивного проекта станции нейтрализации промышленных стоков
|
Название: Разработка архитектурно-конструктивного проекта станции нейтрализации промышленных стоков Раздел: Рефераты по строительству Тип: дипломная работа | |||||||||||||||||||||||||||||||||||||||||||||||||||||||||||||||||||||||||||||||||||||||||||||||||||||||||||||||||||||||||||||||||||||||||||||||||||||||||||||||||||||||||||||||||||||||||||||||||||||||||||||||||||||||||||||||||||||||||||||||||||||||||||||||||||||||||||||||||||||||||||||||||||||||||||||||||||||||||||||||||||||||||||||||||||||||||||||||||||||||||||||||||||||||||||||||||||||||||||||||||||||||||||||||||||||||||||||||||||||||||||||||||||||||||||||||||||||||||||||||||||||||||||||||||||||||||||||||||||||||||||||||||||||||||||||||||||||||||||||||||||||||||||||||||||||||||||||||||||||||||||||||||||||||||||||||||||||||||||||||||||||||||||||||||||||||||||||||||||||||||||||||||||||||||||||||||||||||||||||||||||||||||||||||||||||||||||||||||||||||||||||||||||||||||||||||||||||||||||||||||||||||||||||||||||||||||||||||||||||||||||||||||||||||||||||||||||||||||||||||||||||||||||||||||||||||||||||||||||||||||||||||||||||||||||||||||||||||||||||||||||||||||||||||||||||||||||||||||||||||
Содержание 1. Введение 1.1 Исходные данные 1.2 Технология производства 2. Архитектурно-строительная часть 2.1 Объемно-планировочное решение 2.2 Архитектурно-конструктивное решение 2.2.1 Фундаменты 2.2.2 Фундаментные балки 2.2.3 Колонны 2.2.4 Подкрановые балки 2.2.5 Покрытие и перекрытия 2.2.6 Стены и перегородки 2.2.7 Лестницы и рабочие площадки 2.2.8 Окна 2.2.9 Двери, ворота 2.2.10 Полы 2.2.11 Кровля 2.2.12 Водосток 2.2.13 Внутренняя отделка 2.2.14 Водоотвод и канализация 2.3 Архитектурно-художественные решения 2.4 Решение по освещенности рабочих мест 2.5 Мероприятия по снижению шумов и вибраций 2.6 Решение по бытовому и санитарному обслуживанию рабочих 3. Конструктивная часть 3.1 Выбор несущих конструкций 3.1.1 Фундаменты под колонны 3.1.2 Колонны 3.1.3 Фундаментные балки 3.1.4 Подкрановые балки 3.1.5 Ригель покрытия 3.1.6 Покрытие здания 3.1.7 Стеновые панели 3.2 Соединение элементов конструкций 3.3 Антикоррозийная защита конструкций 4. Технология и организация строительства 4.1 Основные решения по производству работ 4.2 Выбор способа производства и технологии выполнения монтажных работ. Основные строительные машины, механизмы и приспособления 4.2.1 Подготовительный период 4.2.2 Устройство монолитных фундаментов 4.2.3 Возведение каркаса здания 4.2.4 Устройство полов 4.2.5 Кровельные работы 4.3 Технологическая карта на монтаж каркаса здания 4.3.1 Область применения 4.3.2 Организация и технология строительного процесса 4.4 Линейный график строительства комплекса очистки 4.5 Решение по стройгенплану 4.6 Объектная смета 5. Охрана труда при выполнении кровельных и гидроизоляционных работ. Требования к технологическим процессам Приложение 1. Теплотехнический расчет ограждающих конструкций Приложение 2. Статический расчет сооружения Приложение 2.1 Статический расчет рамы Приложение 2.2 Расчет крайней колонны по несущей способности Приложение 2.2.1 Расчет продольной арматуры Приложение 2.2.2 Расчет подкрановой консоли крайней колонны Приложение 2.2.3 Проверка прочности колонны при съеме с опалубки, транспортировании и монтаже Приложение 2.3 Расчет безразкосной железобетонной фермы пролетом 24 м. Приложение 2.3.1 Исходные данные для проектирования Приложение 2.3.2 Нагрузки Приложение 2.3.3 Расчетная схема фермы Приложение 2.3.4 Схемы загружений фермы Приложение 2.3.5 Расчет нижнего пояса Приложение 2.3.6 Расчет верхнего пояса Приложение 2.4 Расчет внецентренно нагруженного фундамента под крайнюю колонну Приложение 2.4.1 Исходные данные, нагрузки и усилия Приложение. 2.4.2 Определение подошвы Приложение 2.4.3 Расчет на продавливание нижней ступени Приложение. 2.4.4 Расчет на продавливание от дна стакана. Расчет на раскалывание тела фундамента. Приложение 2.4.5 Расчет арматуры плитной части фундамента Приложение 2.4.6 Расчет подколонника Приложение 2.4.7. Расчет плитной части фундамента на поперечную силу Приложение 2.4.8. Расчет фундамента по образованию и раскрытию трещин Приложение 3. Ведомость объемов работ Приложение 4. Подбор стрелового крана Приложение 5. Объектная смета Приложение 6. Ведомость трудоемкости работ и потребности в материально-технических ресурсах Приложение 7. Проектирование стройгенплана Приложение 7.1 Расчет площадей приобъектных складов Приложение 7.2 Временные здания и сооружения Приложение 7.3 Определение потребности строительства в воде Приложение 7.4 Электроснабжение строительной площадки Приложение 8. К разделу «Охрана труда» Приложение 9. Гражданская оборона Список литературы 1. Введение 1.1 Исходные данные Согласно задания на дипломное проектирование требуется разработать архитектурно-конструктивный проект станции нейтрализации промышленных стоков в г. Арзамасе (экологический комплекс). Экологический комплекс по очистке и нейтрализации промышленных стоков расположен на территории машиностроительного завода, который находится на юго-восточной окраине города. Рельеф участка спокойный, отметки участка колеблются в пределах от 127.00 до 130.50 м. Основанием фундаментов служат лессовые суглинки текучепластичные, обладающие просадочными свойствами до глубины 5,5-6,5 м и имеющие следующие нормативные характеристики: α = 17 кН/см2 ; с = 0,2 кг/см2 ; Е = 0,905; Q = 23o ; Е = 140 кг/см2 . Ниже располагаются непросадочные суглинки с с = 0,19 кг/см2 ; ; Q = 20o ; α = 17 кН/см3 . Место строительства относится к климатическому району IIB. Район строительства согласно СНиП 2.01.07-85 относится к III основному району. Глубина промерзания грунта – 1,6 м. Технико-экономические показатели: Площадь участка 2,4 га. Площадь застройки 1,01 га. Площадь покрытия 0,45 га. Площадь озеленения 0,61 га. Плотность застройки 42%. Коэффициент замощения 0,2. Коэффициент озеленения 0,25. 1.2 Технология производства Все промышленные стоки из цехов: гальванопокрытий, окрасочного, арматурного и других по специальным трубопроводам (раздельно по каждому виду стоков) направляются на станцию нейтрализации сточных вод на обезвреживание. Большая часть промышленных стоков из цеха металлопокрытий в комплекс обезвреживания направляется самотеком. Остальная часть промстоков из цеха металлопокрытий и все стоки из других цехов направляются на обезвреживание по пожарным трубопроводам. В комплексе обезвреживания промстоки собираются в расходные емкости, из которых производится отбор стоков на обработку их соответствующим способом. Постоянные кисло-щелочные стоки с рН = 12 и с солесодержанием до 5% подаются на аппараты вихревого слоя АВС 150. После дозирования в подающую линию известкового молока и, при необходимости, кислоты, в рабочей камере аппарата АВС 150 мгновенно происходит интенсивное смешивание стока с реагентом. В результате стоки нейтрализуются и обращаются в гидроокиси тяжелых металлов. Эти процессы происходят под воздействием вихревого слоя ферромагнитных частиц в электромагнитном поле аппарата. Постоянные хромовые стоки, усредненные по загрязнениям с рН = 4…5, подаются на аппараты вихревого слоя АВС 150. При этом в подающую линию постоянно дозируется поочередно раствор 10% серной кислоты, для создания рН = 3 обрабатываемых стоков и 30% раствор бисупофита натрия для переведения Cr6+ в Cr3+ . Далее стоки с содержанием Cr3+ подаются на аппараты вихревого слоя АВС 150, где происходит дальнейшее обезвреживание уже совместно с кисло-щелочными стоками. Промывные хромовые и кисло-щелочные стоки цеха гальванопокрытий очищаются методом ионообмена с последующим возвратом очищенных стоков в оборот. Концентрированные и промывные циановые стоки обезвреживаются реагентным способом на аппаратах вихревого слоя АВС 150. Маслошламовые стоки очищаются флотационным способом. Технологическая схема флотационной очистки принята с рециркуляцией жидкости, которая насосом подается для насыщения воздухом сапозретор и затем во флотатор. Все емкости, в которых собираются и усредняются стоки, снабжены уровнемерами. Включение насосов автоматическое, в зависимости от токсичных уровней. В случае выхода из строя работающего агрегата, предусмотрено автоматическое включение насоса. Контроль за оборудованием осуществляется датчиками. 2. Архитектурно-строительная часть 2.1 Объемно-планировочное решение Корпус экологического комплекса по очистке и нейтрализации промстоков представляет собой в целом одноэтажное промышленное здание с мостовыми кранами. Объект имеет прямоугольную форму с размерами 72 х 60 м. Корпус состоит из трех пролетов шириной 24 м. За основную сетку колонн принята сетка с размерами 24 х 6 м. Здание оборудовано мостовыми кранами грузоподъемностью 10 т в трех пролетах с отметкой уровня головки рельса +8,850. Высота до низа стропильных конструкций 10,8 м. Каркас здания выполнен железобетонным. По отношению к продольным осям колонны средних рядов располагаются симметрично, а колонны крайних рядов имеют нулевую привязку. По отношению к поперечным осям первая и последняя колонны каждого продольного ряда в пределах всего здания имеют привязку 500 мм. Для крепления торцевой стены к основным колоннам каркаса в зазор между колонной и стеной устанавливаются приколонные стальные стойки фахверка. В здании применяется приточно-вытяжная вентиляция с учетом аэрации через оконные проемы. Схема каркаса здания запроектирована из условий создания универсального здания, удовлетворяющего технологическим требованиям с последующей возможностью модернизации производства и обеспечивающего максимальную сборность и унификацию элементов с минимальным количеством типоразмеров. 2.2 Архитектурно-конструктивное решение Конструктивная схема здания принята каркасной. Каркас образуют колонны, заделанные в фундамент, и фермы, выступающие в качестве ригелей, шарнирно соединенные с колоннами. Горизонтальные воздействия воспринимаются вертикальными связями, установленными между колоннами. 2.2.1 Фундаменты Из-за наличия просадочных свойств основания используются свайные фундаменты с опорой на нижележащие непросадочные слои. В дипломном проектировании конструктивно приняты отдельно стоящие стаканного типа монолитные фундаменты под колонны средних и крайних рядов. Марка фундаментов ФБ8-1. 2.2.2 Фундаментные балки Под стеновые панели приняты фундаментные балки № серии ИЭ-01-23 марки ФБ6-3, под кирпичную кладку ФБ6-12. 2.2.3 Колонны Для одноэтажной части здания приняты колонны по серии 1.424-5. Они делятся на крайние и средние. Фахверковые колонны приняты по серии 1.423-3. Верхний конец располагается в зазоре между торцевой стеной и пристроенной балкой покрытия и крепится к верхнему поясу балки с помощью монтажных деталей. 2.2.4 Подкрановые балки Подкрановые балки приняты по серии 1.426-4. Они выполнены разрезными и устанавливаются на консоли колонн с шагом 6 м. 2.2.5 Покрытие и перекрытия Стропильные безраспочные фермы выполнены по серии 1.463-3. Марка ферм 4Ф БС 24-IIIV. Шаг ферм 6 м. Уклон кровли i = 5%, который обеспечивается выпущенными из верхнего пояса «роликами». Плиты покрытия запроектированы сборными ж/б по серии 1.465-3. Плиты перекрытий антресоли приняты по серии 4424-1/70 по ж/б ригелям серии 4423-1/70. 2.2.6 Стены и перегородки В качестве ограждающих конструкций корпуса используются легкобетонные ячеистые панели по серии 1.432-5. Кирпичные стены по ГОСТ 379-79 δ = 380 мм из силикатного кирпича размерами 250 х 120 х 88 мм. Перегородки из одинарного керамического кирпича ТУ-401-08-674-80. В административно-бытовом блоке перегородки в сухих помещениях выложены из силикатного полуторного кирпича, в мокрых – из керамического одинарного. 2.2.7 Лестницы и рабочие площадки Лестницы выполнены с металлическими косоурами и балками. Ширина марша 1,5 м. Размеры ступеней 300 х 150 мм. Высота марша 1,5 м.
Рис.2.1. Лестница с металлическими несущими элементами. 1 – Пристенная балка. 2 – Лобовая балка. 3 – Косоур. 4 – Фризовые ступени. Длина лестничной клетки 2700 мм. Лестничные клетки запроектированы как отдельно стоящие сооружения с несущими стенами. Между маршами предусмотрен зазор 100 мм. В проекте предусмотрены служебные стальные лестницы для сообщения с рабочими площадками агрегатов. Уклон маршей 45о . Ширина 1,0 м. Высота ступеней 200 мм. Ступени из рифленой стали δ = 4 мм. Косоуры маршей из гнутого швеллера С 16. Пожарные металлические лестницы устроены шириной 600 мм с уклоном марша 80о . Рабочие площадки расположены на отм. +4.200, имеют ширину 1,5 м, изготовлены из С 16, крепятся к колоннам анкерами из L 75 х 6. 2.2.8 Окна Окна выполняются из деревянных блоков-коробок с навешанными на петли створками с наружным открыванием. Оконные блоки заполняют отдельные проемы шириной 3 м и 1,8 м и высотой 1,2 м и 1,8 м. Крепление блоков производится с помощью заложенных в боковые грани деревянных пробок. Остекление двойное. 2.2.9 Двери, ворота Внутренние двери – глухие, наружные с остеклением по ГОСТ 14624-69. Внутренние – без порога, наружные – с порогом. В проекте заложено 3 воротных проема размерами 4,2 х 4,2. Ворота выполнены распашными, двупольными с наружным открыванием. Проем обрамлен сборной ж/б рамой, вписывающейся во внешние размеры принятых стеновых панелей. 2.2.10 Полы Устройство полов принято в соответствии с технологическим заданием, санитарно-техническими требованиями, а также с учетом антикоррозийных мероприятий. Спецификация на состав полов приведена в табл. 2.1. «Конструкция полов». Таблица 2.1. Конструкция полов
2.2.11 Кровля В проекте использована малоуклонная кровля с i = 5%. Основание кровли замоколический настил из ж/б плит. Рубероидную кровлю составляют: - защитный слой гравия светлых тонов – δ = 20 мм, фракции 5-15 мм, утопленный в битумную мастику; - двухслойный водонепроницаемый ковер из изопласта, наклеенный кровельной битумной мастикой, подогретой до 160-190о С; - цементно-песчаная стяжка из раствора М50 δ = 20 мм; - теплоизоляционный слой пенополистирольных плит δ = 70 мм; - засыпка керамзитом δ = 180 мм; - пароизоляционный слой из обмазки битумной мастикой. На вертикальные поверхности наклеиваются усиливающие кровлю в месте примыкания дополнительные, плавно обрываемые слои рубероида. Обрез кровли накрывается фартуком из оцинкованной стали и закрепляется стальной полосой, пристреленной дюбелями. 2.2.12 Водосток Для отвода дождевых и талых вод с кровли здания комплекса проектируется система внутренних водостоков. Стояки из асбестоцементных труб ВТ-17 по ГОСТ 538-80; нижняя – трубы стальные в 108х3 по ГОСТ 10704-79*. 2.2.13 Внутренняя отделка Внутренние поверхности ограждающих панелей рабочего отделения здания оштукатурены на заводе-изготовителе. Во время отделочных работ их окрашивают в бирюзовый цвет за 2 раза масляной краской. Кирпичные перегородки штукатурятся цементно-известковым раствором. После этого окрашиваются в голубой цвет на высоту 1,8 м масляной краской за 2 раза. Открытые поверхности стальных закладных деталей, накладных и монтажных деталей окрашиваются за 2 раза масляной краской ПФ 112. Дверные полотна и ворота окрашиваются масляной краской светлых тонов. Санузлы имеют облицовку стен из глазурованной плитки на высоту 1,8 м. Выше стены окрашены за 2 раза водоэмульсионной краской. Кабинеты, коридоры, вестибюль и гардеробные имеют стены, отделанные высококачественной краской на высоту 2,1 м. 2.2.14 Водоотвод и канализация В комплексе предусмотрены следующие системы водоотвода: 1. Хозяйственно-питьевой производственный; 2. Горячий Требуемый напор обеспечивается напором от внутриплощадочных заводских сетей. Снабжение холодной водой запроектировано двумя вводами в = 100 мм по ТУ 14-3-1247-83. Трубопровод горячей воды запроектирован для бытовых помещений и технологических нужд станции. Система горячего водоснабжения принята централизованной. Производственная канализация предусматривается для отвода сточных вод от технологического оборудования и санитарных приборов. Вода от охлаждения сальников отводится в ближайшие раковины, расположенные в помещении станции. Предусмотрено 4 выпуска производственной канализации с подключением к сети бытовой канализации завода. Ливневая канализация запроектирована для отвода атмосферных и талых вод с кровли здания. Из здания предусмотрено два выпуска с подключением в сеть наружной ливневой канализации. 2.3 Архитектурно-художественные решения Архитектурная выразительность здания достигнута за счет крупных элементов фасада, таких как стеновые панели и оконные заполнения. Протяженность здания дает возможность в композиции прибегнуть к многократной повторяемости одного и того же элемента. При таком решении в проекте использован прием ритмичности ряда. В верхней части здания выделены повторяющиеся выступы. В проекте одновременно использовано вертикальное и горизонтальное членение элементов. Архитектурно-художественная выразительность здания комплекса нейтрализации промстоков композиционно увязана с архитектурно-художественным решением всех сооружений машиностроительного комплекса. 2.4 Решение по освещенности рабочих мест В проекте используется трехсменный режим работы на комплексе, поэтому принята совмещенная система освещения, которая предусматривает освещение рабочих мест одновременно естественным и искусственным светом. Естественное освещение осуществляется через окна в стенах на участке складирования материалов для механической и химической очистки. Искусственное освещение осуществляется при помощи электрических светильников с люминисцентными лампами. Такое освещение принято общим и используется на территории химической и биологической лабораторий, мастерских, насосной станции и на площади очистных установок. 2.5 Мероприятия по снижению шумов и вибраций Основными источниками шума на территории рабочей площадки комплекса нейтрализации являются горизонтальные транспортиры подачи материалов под очистку, специальные установки и насосные агрегаты. В проекте применены звукопоглощающие кожухи из металла с внутренней облицовкой звукопоглотителем. Для защиты рабочих от прямого воздействия звуковой энергии используются акустические экраны из алюминиевых листов δ = 3 мм. Отдельные участки экранов остеклены. 2.6. Решение по бытовому и санитарному обслуживанию рабочих В проекте в соответствии с техническими нуждами принят трехсменный режим работы станции при количестве рабочих дней в году – 305. Списочное количество работающих во всех сменах 150 человек, в том числе мужчин – 60 человек, женщин – 90 человек; явочное количество рабочих в наиболее многочисленной смене – 70 человек (мужчин – 28 чел., женщин – 42 чел.). Группа производственных процессов – 1, санитарная характеристика – Б. Гардеробное помещение оборудуется общими шкафами на 2 отделения с расчетом на 1 человека. Ширина шкафа – 200 мм, глубина – 525 мм и высота 1650 мм. Ряды шкафов располагаются перпендикулярно наружным стенам таким образом, чтобы проход между шкафами соответствовал размещению оконного проема. В проекте предусмотрены душевые с количеством душевых сеток: nд = В/15 , где В – количество человек в наиболее многочисленную смену;
Принимаем 2 душевые сетки для мужчин.
Принимаем 3 душевые сетки для женщин. Умывальные в количестве: nу = В/10. - Для мужчин: 28/10 = 2,8 шт., принимаем 3 шт. - Для женщин: 42/10 = 4,2 шт., принимаем 4 шт. Уборные с количеством унитазов: - Для мужчин: 28/18 = 1,6 шт., принято 2 шт. - Для женщин: 42/12 = 3,5 шт., принято 4 шт. Уборные оборудованы в кабинах 1,2 х 0,8 м с высотой перегородок 1,8 м. Вход в уборную через тамбур с умывальниками. Для мужчин 2 чаши, для женщин – 1 чаша. Медобслуживание осуществляется общезаводской медчастью. Общественное питание работающих в комплексе будет осуществляться в административно-бытовых помещениях. Таблица 2.2. Состав работающих
3. Конструктивная часть 3.1 Выбор несущих конструкций 3.1.1 Фундаменты под колонны Фундаменты под колонны приняты монолитными ступенчатыми со стаканной частью и учетом нулевого цикла работ. Обрез фундамента на отметке – 0,15 м. Высота ступеней плитной части 0,3 м. Площадь сечения подколонника 0,9 х 1,2 м. Площадь сечения первой ступени 2,4 х 2,7 м. Площадь сечения второй ступени 1,5 х 1,8 м. Отметка подошвы фундамента принимается с учетом глубины промерзания грунта для г. Арзамас – 1,65 м. Высота фундамента – 1,5 м. Колонны заделываются в стаканы фундаментов на глубину 900 мм. Для опирания фундаментных балок рекомендуется устройство приливов площадью сечения 0,3 х 0,6 м с обрезом на отм. – 0,45 м. Плитная часть фундамента армируется сетками из арматуры А-III, стаканная часть – каркасами из арматуры А-III и А-I и сетками из арматуры A-I. 3.1.2 Колонны В проекте используются колонны сборные ж/б ступенчатые прямоугольного сечения. Номинальная высота колонны – 11,85 м. Высота надкрановой части колонны – 2,9 м, подкрановой – 8,95 м. Ширина сечения во всех колоннах – 400мм, а высота для крайних колонн в надкрановой части – 380 мм, в подкрановой – 600 мм; для средних колонн: 600 мм и 600 мм. Колонны имеют консоли с размерами: для крайних колонн: опорная площадка шириной 670 мм, высота консоли (450 + 450) мм, для средней – ширина 750 мм, высота – 1300 мм. Вес колонн: средней – 8,5 т, крайней – 6,8 т. Колонны армируются сварными каркасами из стержней А-III и формируются из бетона В15, М200. Закладные детали, зааккерованные в бетон, имеются во всех колоннах в местах опирания стропильных ферм и подкрановых балок, в крайних колоннах – на уровне швов стеновых панелей, в связевых колоннах в местах примыкания продольных связей. 3.1.3 Фундаментные балки В проекте применяются балки длиной 6 м и разработаны для кирпичных стен толщиной 120 мм, 380 мм и для панельных стен толщиной 300 мм. Балки имеют тавровое и трапецевидное сечение со скосами. Балки свободно устанавливаются на бетонные столбики.
Рис. 3.1. Фундаментные балки А-ФБ6-3; Б – ФБ6-30. Балки изготовляются из бетона М200. Рабочая арматура – плоские сварные каркасы из горячекатаной стали периодического профиля класса А-III. 3.1.4 Подкрановые балки Подкрановые балки приняты сборными таврового сечения. Длина их – 5,95 м, высота – 800 мм; толщина ребер – 200 мм, ширина полки – 600 мм. Они армируются сварными каркасами, а по нижнему поясу пакетом струн из высокопрочной проволоки периодического профиля ВрII. Балки формируются из бетона М300. Закладные детали располагаются в местах опирания на колонны и установки концевых упоров, трубки в отверстиях для крепления рельсов. Масса балки 3,5 т, высота подкранового рельса с упругой прокладкой – 150мм, его масса – 100 кг/км. 3.1.5 Ригель покрытия Стропильная безраскосная ферма пролетом 24 м имеет круговое очертание верхнего пояса. Стойки ферм расположены с шагом 3 м. Высота фермы в середине пролета 33 м, на опоре – 0,88 м. Сечение прямоугольное по всей длине с постоянной шириной – 280 мм. Нижний пояс высотой 340 мм, верхний – 300 мм; высота стоек – 300 мм. В узлах фермы расположены «вуты». Уклон покрытия i=5% обеспечивается наличием стоек, выступающих над верхним поясом. Ферма выполняется предварительно напряженной: напрягаемая арматура в нижнем поясе A-IV; продольная – в верхнем поясе – А-III, поперечная и монтажная – классов А-I и Вр-I. Стойки фермы заармированы пространственными каркасами из арматуры А-III. Бетон принят тяжелый класса В40, марки 400. Вес фермы – 14,2 т. В ферме крайние стойки металлические. В стропильной конструкции предусмотрены следующие закладные детали: - для крепления плит настила; - для крепления ферм к колоннам; - для крепления панелей стены. 3.1.6 Покрытие здания Покрытие решается по беспрогонной схеме из крупноразмерных плит, закладываемых на ферму покрытия. В проекте приняты ребристые плиты с напряженной арматурой и размерами в плане 3 х 6 м и высотой ребра 300 мм. Поперечные ребра высотой 110 мм располагаются на расстоянии 1,5 м друг от друга. Вес плиты – 2,6 т. 3.1.7 Стеновые панели Стены здания – самонесущие простеночные, перемычные и рядовые панели из легкого бетона толщиной 300 мм, высотой 1200, 1800 и длиной 6 м. Плотность легкого ячеистого бетона в панелях α = 1200 кг/м3 . Длина угловых торцевых панелей 6,3 м. Стеновые панели имеют закладные детали для соединения с колоннами здания. 3.2 Соединение элементов конструкций Колонна устанавливается в фундамент и с помощью ж/б клиньев временно закрепляется. После колонна замоноличивается бетоном В15 (М200) и кондукторы удаляются. Безрасносная ж/б ферма крепится на болтах. Перед установкой к опорным узлам фермы привариваются опорные листы, затем они привариваются к оголовкам колонн. Крепление подкрановых балок к консолям колонн производится на анкерных болтах, пропущенных сквозь опорный лист, приваренный к нижней закладной пластине, а к шейке колонны – путем приварки вертикального листа к закладным пластинам. Болтовые соединения после рихтовки завариваются. Плиты покрытия после их установки на стропильные фермы привариваются закладными деталями к закладным деталям верхнего пояса фермы не менее, чем в трех точках. 3.3 Антикоррозийная защита конструкций Коррозийная стойкость ж/б конструкций, таких как колонна, ферма, подкрановая балка, плиты покрытия, обеспечена за счет принятых толщин защитного слоя. Для ферм – предварительное напряжение, которое существенно повышает трещиностойкость бетона. Поверхности колонн и подкрановых балок окрашены водоэмульсионными растворами. Открытые поверхности стальных закладных деталей окрашены масляной краской ПФ 112 за 2 раза. Используется активная вентиляция помещений с целью создания нормальной относительной влажности воздуха. 4. Технология и организация строительства 4.1 Основные решения по производству работ В проекте принят поточный метод производства работ. В проекте используется комплексная механизация работ, позволяющая максимально сократить ручной труд. Решение по производству работ предусматривает обеспечение скоростной передачи монтируемых объектов под производство последующих работ, использование инвентарных приспособлений и устройств, обеспечение прочности и устойчивости конструкций при складировании, транспортировании, подъема, установке и выверки путем использования спецзахватов, траверс и других приспособлений и оснасток. Проектирование строительного потока осуществлено на основе данных по объемно-планировочным решениям, конструктивным решениям комплекса очистки, подлежащим выполнению в поток с учетом специализации и численности бригад, машин и механизмов. Одним из основных вопросов при расчете потока является сокращение продолжительности строительства. Все расчеты базируются на реальном количестве ресурсов. 4.2 Выбор способа производства и технологии выполнения монтажных работ. Основные строительные машины, механизмы и приспособления 4.2.1 Подготовительный период Подготовительный период включает работы, подводящие строительную площадку к возведению объекта. К ним относятся: расчистка территории от насаждений, засорений; отвод поверхностных вод; создание геодезической разбивочной основы; устройство временного ограждения, временных подъездов, установка временных зданий и сооружений; прокладка временных сетей водопровода и освещения строительной площадки. 4.2.2 Устройство монолитных фундаментов Для бетонирования фундаментов используется блочно-переставная опалубка. Эту форму заранее собирают на монтажной площадке, затем в нее помещают и закрепляют арматурный каркас и необходимые сетки. Далее всю конструкцию помещают на место бетонирования фундамента автокраном. Бетонную смесь доставляют автобетоносмесителями СБ-92. Дальность транспортирования – 11 км. Бетонирование фундаментов посредством поворотных бадей БПВ-1,0 грузоподъемностью 2,5 т, зацепляемых автокраном. После укладки бетонной смеси производится ее уплотнение ручными глубинными вибраторами ИВ-102 массой 16 кг. В процессе бетонирования за опалубкой должно вестись наблюдение. Для создания необходимых условий твердения бетона производят его укрытие. Разборку опалубки производят при достижении бетоном прочности 8,8 МПа. 4.2.3 Возведение каркаса здания Монтаж конструкций каркаса здания выполняется одним краном МКГ-25. Кран перемещается вдоль здания, последовательно устанавливая элементы по продольным осям. Конструкции монтируются с предварительной раскладкой в зоне действия крана. В проекте используется комбинированный метод монтажа, т.е. монтаж колонн ведется раздельным методом, а установка подкрановых балок и конструкций покрытия – комплексным. К монтажу последних приведенных конструкций приступают после набора бетоном замоноличивания стыка колонны в стакане фундамента не менее 70% проектной прочности. На рис. 4.2 приведена схема возводимого здания.
Рис. 4.2. Схема возводимого здания. 4.2.4 Устройство полов 1. Покрытие из керамических плиток. Марка раствора М75. Подвижность раствора по стандартному конусу 2 см. Для укладки плитки площадь пола разбивается по рисунку и разбиваются молочные плитки. Они устанавливаются у стен и по площади пола на расстоянии 1,5 – 2 м. Начинают укладку от дальней стены по направлению к выходу. Толщина слоя прослойки из синтетической смолы 3…4 мм. 2. Мозаичные полы. Мозаичные полы состоят из белого цемента и заполнителя из мрамора и гранита. Бетонную смесь мозаичного пола укладывают по декоративным пластинкам из пластмассы. При твердении полы увлажняют в течение 7-10 суток и затем обрабатывают шлифовальной машиной, а затем войлочными кругами. 3. Асфальтобетонные полы. Асфальтобетонную смесь укладывают на подстилающий слой из щебня толщиной 200 мм. Эту массу укладывают в горячем виде слоем 25 мм полосами шириной 1,5-2 м. Затем производят уплотнение вибраторами. 4. Рулонные полы. Линолеумное покрытие выполняют после малярных работ. Линолеум настилают по цементно-песчаной стяжке. Раскроение и прирезанные полотница выдерживают в раскатанном состоянии не менее 4 суток. Перед наклейкой линолеума поверхность основания очищают пылесосами. Резиновый линолеум «Релин» наклеивают на мастиках КИ-3. Мастику наносят и выдерживают 1-2 часа. Мастику наносят на тыльную сторону линолеума и выдерживают 15-20 мин. Через 2-3 дня после усадки стыки прорезают и приклеивают. Шов прокатывается ручным катком. 4.2.5 Кровельные работы Основанием для рулонной кровли является выравнивающий слой (стяжка) из цементно-песчаного раствора 20 мм, укладываемый по утеплителю из пенополистирольных плит. При устройстве стяжек делается температурно-усадочный шов через 6 м. В качестве рулонного материала – «изопласт»; гидроизоляционный ковер из 2-х слоев изопласта. Перед наклейкой изопласта цементно-песчаную поверхность грунтуют холодной мастикой БН 70/30 при помощи пневматической установки. Время высыхания грунтовки – 12 часов. Наклейку производят параллельно корпусу. Наклейку рулонов устраивают по направлению господствующего ветра. При наклейке рулонных материалов кровлю разбивают на захватки. Рулонные материалы подают на кровлю посредством подъемника ТП-12, мастику – насосом СО 100 по стальному, а затем по гибким трубопроводам. Таблица 4.1. Спецификация сборных элементов
4.3 Технологическая карта на монтаж каркаса здания 4.3.1 Область применения Технологическая карта, приведенная в графической части проекта, составлена для производства монтажных работ по возведению каркаса здания. Процесс монтажа состоит из отдельного потока установки колонн крайних и средних рядов и комплексной установки подкрановых балок, стропильных ферм, ригелей, плит покрытия и перекрытия. Вес колонн крайнего ряда – 6,8 т; Вес колонн среднего ряда – 8,5 т; Вес колонн антресоли – 4,3 т; Вес подкрановых балок – 3,5 т; Вес фермы – 14,2 т; Вес ригелей – 3,9 т; Вес плит перекрытия – 2,6 т; перекрытия – 2,2 т. Работы, согласно календарному плану ведутся в весенне-летний период. 4.3.2 Организация и технология строительного процесса А. До монтажа должны быть выполнены следующие работы: - закончены все работы нулевого цикла; - временные дороги с покрытием из щебня; - освещение всей территории строительной площадки, проводов и рабочих мест; - складированы в зоне монтажа необходимые конструкции; - подготовлен инвентарь, приспособления и средства для безопасного производства работ; - инженерно-технический персонал организации должен быть ознакомлен с проектом производства работ. Б. Основные указания по технологии выполнения монтажных работ. Монтаж колонн. Перед монтажом колонн необходимо: - произвести нивелировку для стаканов и установить отметку монтажного горизонта; - подготовить площадку для монтажа. Перед подъемом элемента произвести наружный осмотр, нанести риски осей на верхней грани фундаментов и боковых гранях колонн. Строповка колонн выполняется захватом с траверсой ТР12,5-0,5. Выверка производится кондукторами. После установки и выверки нескольких колонн производят замоноличивание стыков. Монтаж подкрановых балок. Монтаж подкрановых балок производят способом «на весу» после набора бетоном в стыках колонн с фундаментами не менее 70% проектной прочности. Строповку балок осуществлять двухветвевым стропом за монтажные петли. Установка производится по рискам. Положение балок по высоте регулируется металлическими прокладками. Монтаж покрытий. Перед подъемом ферму осматривают, наносят осевые риски, закрепляют предохранительный капот и оттяжки, навешивают люльки, лестницы. Первую с торца здания ферму крепят расчалками, которые закрепляют за переставные инвентарные якоря. Последующие фермы крепят с помощью крышевого кондуктора-распорки, причем их должно быть не менее двух. Временное крепление снимают после окончательной сварки к закладным деталям. Монтаж плит покрытия ведется одновременно с фермами. Строповку плит ведут 4-х ветвевыми стропами с крюками. После установки плит производят замоноличивание стыков между ними. В. Определение трудоемкости работ, заработной платы, состава звеньев и бригад. Трудоемкость работ, заработная плата и состав звеньев и бригад по единым нормам и расценкам на строительные, монтажные и ремонтно-строительные работы определяются по объему работ, принятым монтажным механизмам. Звенья монтажников, бетонщиков, сварщиков составляют комплексную бригаду. Таблица 4.3. Состав комплексной бригады
Итого в бригаде: 20 человек Таблица 4.4. Ведомость трудовых затрат и заработной платы
2. Определение технико-экономических показателей принятого метода производства работ Технико-экономические показатели определяются на весь объем работ и на единицу измерения и приведены в табл. 2.4. «ТЭП» Таблица 2.4. Технико-экономические показатели
Себестоимость выполненных работ:
где Сpi – единовременные затраты; См-ст – стоимость машчаса, руб.; toi – продолжительность работы на объекте, час; Зi – заработная плата звена рабочих, занятых операциями, руб. С = 1,08 ∙ 36 + 1,08 ∙ 6,26 ∙ 19,15 ∙ 8 + 1,5 ∙ 1335,6 = 3,027,2 руб. Таблица 2.5. График завоза и расхода основных строительных конструкций, материалов
Таблица 2.6. График потребности в строительных машинах
Таблица 2.7. Ведомость приспособлений, оснастки и инструментов
4.4 Линейный график строительства комплекса очистки График составлен на основе ведомости объемов работ, подсчета трудоемкости, составов комплексных бригад и звеньев, выбранных методов производства работ, типа и количества машин и механизмов. Работы, связанные с применением основных строительных машин, в целях снижения себестоимости, ведутся в две смены. Нормативный срок строительства согласно [4] составляет 19 месяцев. Фактический срок – 14 месяцев. Одновременно с составлением линейного графика строится график потребности рабочих на объекте. Равномерная потребность в рабочих по профессиям обеспечена за счет перехода бригад рабочих в неизменном составе с одной работы на другую, а также из-за распределения работ по срокам их выполнения. Наибольшее количество рабочих в смену 29, соответственно в день – 58. 4.5 Решение по стройгенплан Стройгенплан разработан на период строительства комплекса очистки промстоков. На стройгенплане показаны существующие и временные автодороги, возводимое здание, временные здания и сооружения, инженерные сети. Временные автодороги запроектированы с учетом наименьшей их протяженности и мест расположения складов конструкций и материалов. Движение двустороннее, ширина временных дорог принята 6 м. Радиус закругления дорог – 15 м. Складирование колонн, ферм, подкрановых балок, ригелей, плит покрытия и перекрытия, стеновых панелей предусмотрено в зоне действия монтажного крана. Пути движения монтажного крана назначены из условия наименьшей протяженности холостых ходов и оптимального вылета крюка. Разрывы между временными зданиями и сооружениями отвечают противопожарным требованиям. К существующим постоянным сетям водопровода подключены пожарные гидранты, отнесенные от строящегося объекта на 32 м. Временные бытовые сооружения находятся вне зоны действия монтажного крана. Для электроснабжения строительной площадки предусмотрено устройство трансформаторного пункта, размещение которого ведет к сокращению протяженности сетей низкого напряжения. Для освещения складов и мест производства работ установлены прожектора на высоте 15 м. На стройгенплане предусмотрены: площадка для курения, пожарный инвентарный щит. Территория строительства обнесена инвентарным ограждением на расстоянии 2 м от дороги. У главного въезда на стройплощадку расположена проходная. 4.6 Объектная смета Объектная смета составлена на основании локальной сметы на общестроительные работы комплекса очистки промстоков, а также на основании «укрупнительных показателей сметной стоимости на специальные виды работ». Объектная смета приведена в приложении П.6 пояснительной записки. 5. Охрана труда при выполнении кровельных и гидроизоляционных работ. Требования к технологическим процессам 1. Работы по устройству кровель и гидроизоляции следует выполнять комплексно с применением механизации. 2. Работы, выполняемые на расстоянии менее 2 м от границы перепада, равного по высоте 1,3 м и более, следует производить после установки временных или постоянных защитных ограждений. При отсутствии их работы следует выполнять с применением предохранительного пояса. 3. Выполнение кровельных и гидроизоляционных работ во время гололеда, тумана, исключающего видимость в пределах фронта работ, грозы, ветра со скоростью 15 м/с и более не допускается. 4. Приспособления, предназначенные для обеспечения безопасности рабочих и удобства работы, должны отвечать требованиям ГОСТ 12.2.012-75. 5. При выполнении кровельных и гидроизоляционных работ в опасных зонах работающим следует выдавать наряд-допуск к производству работ в порядке, установленном СНиП III-4-80*. Требования к производственному оборудованию и площадкам. 1. Оборудование, применяемое для гидроизоляционных работ, кровельных работ, должно отвечать требованиям ГОСТ 12.2.003-74. 2. Требования безопасности к комплектующим изделиям и системам, входящим в состав производственного оборудования, должны указываться в стандартных и технических условиях на эти изделия и системы. 3. Машины и механизмы, работа которых сопровождается избыточным выделением тепла в области ног рабочих, должны иметь теплоизоляционные экраны высотой не менее 600 мм. 4. Битумноплавные установки должны быть оснащены факелами с длиной ручки не менее 700 мм. 5. Топливные баки должны быть приспособлены для механизированной заправки. 6. Битумноплавные установки должны быть с навесами и инвентарными ограждениями из с несгораемых материалов, а также комплекты средств пожаротушения. 7. Помещения для хранения мастик, разбавителей, растворителей должны быть отдельно стоящими, выполненными из несгораемых материалов и оборудованы системой принудительной вентиляции. 8. Места для хранения рубероида должны быть удалены от строящихся зданий и сооружений на расстояние не менее 24 м. 9. Битумноплавные установки для приготовления мастики должны быть удалены от зданий и сооружений не менее чем на 10 м. 10. Места хранения топлива, разбавителей, растворителей, заправки установок и агрегатов должны иметь знаки безопасности по ГОСТ 12.4.026-76. Требования к организации рабочих мест. 1. Организация рабочих мест должна учитывать особенности технологического процесса, минимального использования ручного труда, обеспечение безопасности эвакуации работающих в случае аварии. 2. Применение битумных мастик с температурой выше 180о С на рабочем месте не допускается. 3. Нанесение мастики, разбавителей, растворителей на поверхности должно производиться в направлении, совпадающем с направлением движения воздуха. 4. На рабочих местах при использовании материалов, выделяющих взрывоопасные вещества, запрещается применение открытого огня или действия, вызывающего искрообразование. 5. Рабочие места должны быть оснащены нормокомплектами ручного механизированного инструмента. 6. Размещать на крыше материалы не допускается только в местах, предусмотренных проектом производства работ, с применением мер против их падения, в том числе от воздействия ветра. 7. Во время перерывов в работе технологические приспособления, инструмент, материалы и другие мелкие предметы, находящиеся на рабочем месте, должны быть закреплены или убраны с крыши. Требования к исходным материалам. 1. Все поставляемые материалы для производства работ должны иметь маркировки, этикетки, аналитические паспорта со ссылкой на ГОСТ или другую нормативно-техническую документацию на их изготовление. 2. При изготовлении мастик не допускается изменять порядок введения компонентов, предусмотренный техническими условиями, ГОСТами, отраслевыми стандартами и стандартами предприятий. 3. Применение материалов, не имеющих указаний и инструкций по технике безопасности и пожарной безопасности, не допускается. Требования к хранению и транспортированию материалов. 1. Порядок хранения и транспортирования материалов должен осуществляться в соответствии с инструкцией завода-изготовителя. 2. Места хранения материалов должны быть предусмотрены проектом производства работ. 3. Транспортирование материалов к рабочим местам должно быть механизировано. 4. Взаимно реагирующие вещества должны транспортироваться и храниться раздельно. 5. Ремонт металлической тары (сварка, пайка, клепка) должен производиться в специально отведенных местах после ее очистки, промывки и обезжиривания. 6. Централизованная доставка мастики на объект строительства осуществляется в автогидропаторах. 7. При транспортировании и хранении мастика должна быть защищена от увлажнения и воздействия прямых солнечных лучей. 8. Трубопроводы и шланги, по которым подается мастика к местам работ, необходимо по окончании смены промыть растворителем. Требования к персоналу. 1. К производству кровельных и гидроизоляционных работ допускаются лица не моложе 18 лет, прошедшие все необходимые для этого подготовки и проверки. 2. Порядок и виды обучения рабочих, а также проверка их знаний по безопасности труда должны отвечать требованиям ГОСТ 12.04.004-79. 3. При изменении технологии работ, замене материалов, оборудования, изменении организации и условий труда, а также в случае нарушения требований безопасности, все рабочие должны проходить внеплановый инструктаж с записью в журнале регистрации проверки знаний работников по технике безопасности с обязательной подписью инструктируемого и инструктирующего. Требования к применению средств защиты работающих. 1. Средства индивидуальной защиты работающих должны соответствовать требованиям ГОСТ 12.4.011-75. 2. Хранение и выдача специальной одежды и других средств индивидуальной защиты должны соответствовать действующей нормативно-технической документации. 3. Работающие должны быть обеспечены средствами индивидуальной защиты, спецодеждой и спеобувью в соответствии с типовыми отраслевыми нормами бесплатной выдачи специальной одежды, специальной обуви и предохранительных приспособлений рабочим и служащим, занятым на строительных, строительно-монтажных и ремонтно-строительных работах. Приложение 1 Теплотехнический расчет ограждающих конструкций Стеновые панели Определим значение градусо-суток отопительного периода по [1], для г.Арзамаса ГСОП = 4834. По табл. [2] установим значение требуемого приведенного сопротивления теплопередаче ограждающих конструкций по ГСОП = 4834:
Исходя из формулы для определения сопротивления теплопередаче для многослойных ограждающих конструкций
Найдем требуемую толщину стеновой панели δст . Здесь αв = 8,7 - коэффициент теплопередачи внутренних поверхностей ограждающих конструкций, определяемый по табл. [2]; Вт / (м2о С). αн = 23 – коэффициент теплопередачи у наружной поверхности ограждения; Вт (м2о С), определяемый по табл. [2]. δшт = 0,02 м – толщина штукатурочного слоя; λшт , λст – коэффициент теплопроводности, соответственно материала штукатурного слоя и материала стеновой панели. Для цементно-известкового раствора λшт = 0,81 Вт / (м2о С). В проекте используются стеновые панели, изготовленные из ячеистого бетона с λст = 0,26 Вт / (м2о С). δст
= Принимаем толщину стеновой панели 300 мм. Покрытие Необходимо установить толщину слоя утеплителя, в состав которого входит керамзитовая засыпка и плиты полистирола. Для ГСОП = 4834 определим значение
где δп.п. – толщина полки ж/б плиты покрытия; δп.п = 0,03 м; δст – толщина слоя стяжки из цементного раствора, δст = 0,02 м; λп.п. = 2,04 Вт / (м2о С) – коэффициент теплопроводности материала плиты; λст. = 0,93 Вт / (м2о С) – коэффициент теплопроводности материала стяжки; λзас. = 0,23 Вт / (м2о С) – коэффициент теплопроводности керамзита; λпл. = 0,05 Вт / (м2о С) – коэффициент теплопроводности плитного утеплителя. Предварительно задавшись толщиной засыпки из керамзита, 180 мм, определим толщину плиты
Следовательно, принимаем комбинированный утеплительный слой, состоящий из керамзитовой засыпки, толщиной 180 мм с уложенными поверх нее плитами пенополистирола толщиной 70 мм. Приложение 2 Статический и прочностные расчеты сооружения Статический расчет рамы Определение нагрузок. 1. От плит и кровли. Подсчет нагрузки от веса 1 м2 покрытия сведен в таблицу «Нагрузки от 1м2 покрытия». Таблица п.2.1. Нагрузки от 1м2 покрытия
2. От фермы покрытия. Nр.п. = 1,1 ∙ 0,95 ∙ 142 = 148,4 кН 3. Полная расчетная нагрузка от покрытия на крайнюю колонну.
Расстояние от линии действия нагрузки от покрытия приложенной на уровень опирания фермы по оси, до геометрической оси надкрановой части крайней колонны принимается ев = 0. 4. Нагрузка от подкрановой балки с рельсом: Nп.б. = 1,1 ∙ 0,95 ∙ (35 + 1,0 ∙ 6,0) = 42,85 кН Эта нагрузка приложена с эксцентриситетом ен относительно оси подкрановой части колонны - ен = 750 – 600/2 = 450 мм. 5. Нагрузка от стеновых панелей. Площадь участка всех стеновых панелей, приходящаяся на фундамент крайней колонны, будет: Аост = (1,2 + 1,8 + 1,2 + 1,2 + 1,2 + 1,8 + 1,2) х 6 + 3,0(1,8 + 1,8 + 1,2) = 72 м2 . Расчетная нагрузка от двойного остекления при весе 1 м2 его 0,07 т (0,7кИ) будет: Nост = 1,1 ∙ 0,95 ∙ 9 = 9,41 кН, где Аост = 2 ∙ 3,0 ∙ 1,8 + 3,0 ∙ 1,2 = 14,4 м2 6. Расчетная нагрузка отвеса крайней колонны. Надкрановая часть - Подкрановая часть - Временные нагрузки. 7. Снеговая нагрузка. Расчетное значение веса снегового покрова на 1 м2 горизонтальной поверхности земли: Sч = 180 кг∙с/м2 (г. Арзамас III район). Нормативная нагрузка от снегового покрова находится путем умножения расчетной нагрузки на коэффициент 0,7. So = Sч ∙ 0,7 = 1,8 ∙ 0,7 = 1,26 кН/м2 Расчетная нагрузка от снегового покрова на крайнюю колонну:
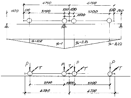
8. Вертикальная нагрузка от кранов. Для крана среднего режима работы Q = 10 т и пролете моста L = 22,5 м находим: а) Наибольшая и наименьшая нормативная нагрузка пояса крана Рmax , n = 60 кИ и Рmin , n = 16,8 кН; б) База крана Ак = 3700 мм; ширина крана В = 4700 мм; в) Масса крана конструктивная Qn = 13 т; Масса тележки Gт.н = 2 т.
Рис. П.2.1. Схема действия крановых нагрузок и линия влияния давления их на колонны. Вертикальное расчетное давление от кранов на колонну с учетом коэффициентов сочетаний nc = 0,85 – для двух кранов и коэффициентов надежности по нагрузке αf = 1,1 и назначению αn = 0,95: Dmax = nc ∙ αf ∙ αn ∙ Pmax , n ∙ k = 0,85 ∙ 1,1 ∙ 0,95 ∙ 60 ∙ 2,43 = 129,5 кН; Dmin = nc ∙ αf ∙ αn ∙ Pmin , n ∙ k = 0,85 ∙ 1,1 ∙ 0,95 ∙ 16,8 ∙ 2,43 = 36,26 кН 9. Горизонтальная нагрузка от поперечного торможения крана. Нормативная величина поперечной тормозной силы Тн от каждого из двух стоящих на подкрановой балке колес одного крана с гибким подвесом:
Величина расчетной тормозной нагрузки: Т = hc ∙ αf ∙ αn ∙ Тn ∙ k = 0,85 ∙ 1,1 ∙ 0,95 ∙ 3,75 ∙ 2,43 = 8,09 кН 10. Ветровая нагрузка. Величина скоростного напора ветра на высоте до 10 м от поверхности земли для г. Арзамаса при типе местности Б:
то же, на уровне верха колонны (+10,8 м):
то же, на уровне верха панельной стены здания (+14,4 м):
Расчетная нагрузка на поперечные рамы с учетом аэродинамических коэффициентов: 0,8 для вертикальных поверхностей с наветренной стороны и о,6 – с подветренной: а) Напор: qнап = 0,8 ∙ 0,95 ∙ 6 ∙ 1,4 ∙ 0,95 = 1,25 кН/м; Отсос: qотс = 0,6 ∙ 0,195 ∙ 6 ∙ 1,4 ∙ 0,95 = 0,93 кН/м. в) Сосредоточенная нагрузка на уровне верха колонны:
Рис. П.2.2. Схема действия ветровой нагрузки на раму при ветре слева. Статический расчет рамы Геометрические характеристики крайней колонны. Момент инерции сечения надкрановой части:
То же для подкрановой части:
Отношение этих моментов инерции: hкр
= Отношение высоты подкрановой части колонны к ее полной расчетной высоте: λкр
= Смещение геометрических осей сечения верха и низа колонны: екр
= Определение усилий в колонне. 1. Постоянная нагрузка от покрытия
Величина горизонтальной реакции
где е = екр
= 0,11 м и Усилия в сечениях колонны: а) Изгибающие моменты: МI - I = 419,62 ∙ 0,11 – 5,5558 ∙ 11 = - 14,9553 кН∙м; М’II - II = 419,62 ∙ 0,11 – 5,5558 ∙ 2,9 = 30,046 кН∙м; МII - II = 419,62 ∙ 0 – 5,5558 ∙ 2,9 = - 16,1118 кН∙м; МIII - III = 0. б) Продольные силы: NI - I = N’II - II = NII - II = NIII - III = 419,62 кН в) Поперечные силы: QI – I = -Rв = 5,5558 кН . 2. Снеговая нагрузка К = А) МI - I = - 14,9553 * 0,2875 = - 4,300 кН*м ; МII - II = 30,0464 * 0,2875 = 8,6383 кН*м ; МII - II = - 16,1118 * 0,2875 = -4,6321 кН*м ; МIII - III = 0 Б) N = 120,66 кН В) QI - I = 5,5558 * 0,2875 = 1,5973 кН. 3.Вертикальная крановая нагрузка. Dmax = 129,51 кН Величина горизонтальной реакции
где lн = 0,45 м ; к2 =1,324 по табл.2 п VII. Для n = 0,25 ; λ= 0,26 и yh = 1,0 Нм. А) МI - I = -129,51 * 0,45 + 7,015 * 11 = 18,8855 кН*м ; МII - II = -129,51 * 0,45 + 7,015 * 2,9 = - 37,936 кН*м ; МII - II = - 129,51 * 0 + 7,015 * 2,9 = 20,3435 кН*м ; МIII - III =0 . Б) NI - I = NII - II = 129,51 кН ; NII - II = NIII - III = 0 В) QI - I = -Rв = - 7,015 кН. 4. Вертикальная крановая нагрузка. Dmin = 36,26 кН. К = МI - I = 18,8855* 0,2799 = 5,2879 кН*м ; МII - II = - 37,936 * 0,2799 = - 10,6183кН*м ; МII - II = 20,3435 * 0,2799 = 5,6962 кН*м ; МIII - III = 0 . Б) NI - I = NII - II = 36,26 кН ; NII - II = NIII - III = 0 В) QI - I = -7,015 – 0,2799 = -1,964 кН. 5. Нагрузка от подкрановой балки с рельсом. Nпб = 42,85 кН. К = МI - I = +18,8855* 0,331 = 6,2511 кН*м ; МII - II = - 37,936 * 0,331 = - 12,5568 кН*м ; МII - II = 20,3435 * 0,331 = 6,7337 кН*м ; МIII - III = 0 . Б) NI - I = NII - II = 42,85 кН ; NII - II = NIII - III = 0 В) QI - I = -7,015 * 0,331 = -2,322 кН. 6. Нагрузка от веса крайней колоны.
К = МI - I = - 14,9553* 0,0275 = - 0,41 кН*м ; МII - II = 30,0464 * 0,0275 = 0,825 кН*м ; МII - II = - 16,1118 * 0,0275 = -0,4424 кН*м ; МIII - III = 0 . Б) NIII
-
III
= 0 NII
-
II
= NII
-
II
= NI-I = 11,52 + 58,1 = 69,62 кН В) QI-I = -7,015 * 0,0275 = 0,153 кН. 7. Горизонтальная крановая нагрузка Т = 3,75 кН слева направо. Горизонтальная реакция при торможении слева направо: Rв = к3 * Т = 0,71 * 3,75 = 2,6654 кН, где к3 = 0,71 по таб. 3 п VII для. n = 0,25; λ= 0,26 и yв = 1,95 / 2,9 * Нв ≈ 0,67 Нв А) МI - I = - 3,75 * 9,05 + 2,6654 * 11= - 4,6181 кН*м ; МII - II = - 3,75 * 9,05 + 2,6654 * 2,9 = 4,1672 кН*м ; МII - II = 4,1672 кН*м ; МIII - III = 0 . Мт = 2,6654 * 1,95 = 5,1975 кН*м. Б) N= 0 N В) QI - I = Т - Rв = 3,75 – 2,6654 = 1,0846 кН. 7. Ветровая нагрузка слева направо. По табл. 4 находим кт = 0,3574. Горизонтальня реакция Rв в крайней колоне на оси О: Rв 0 = к7 * gотс * Н = 0,3574 * 1,25 * 11 = 4,9148 кН. Горизонтальная реакция Rв в крайней колонне по оси А: Rв л = к7 * gотс * Н = 0,3574 * 0,93 * 11 = 3,657 кН. Усилие в дополнительной связи. R = ∑ Rв * W = 4,9148 + 3,657 + 8,49 = 17,06 кН. Определяем по табл. 5 п. VII коэффициенты Kqкр = 2,8403 и Kqср = 3,0. Горизонтальная сила на крайние колонны:
Горизонтальная сила на средние колоны:
Определяем усилие в расчетных сечениях колонны: 1. Колонна на оси О: МI-I = (- 4,15 + 4,92) * 11 – (1,25 * 112 / 2) = - 67,2122 кН*м ; МII-II = МII-II = (- 4,15 +4,92) * 2,9 – (1,25 * 2,92 / 2)= - 3,0223 кН*м ; МIII-III = 0; N = 0 ; Q = 4,15 – 4,92 + 1,25 * 11 = 12,98 кН. 2. Средняя колонна по оси D: МI - I = - 4,38 * 11 = - 48,18 кН*м ; МII - II = МII - II = - 4,38 * 2,9 = - 12,702 кН*м ; МIII-III = 0; N = 0 ; QI-I = 4,38 кН. 3. Крайняя колонна по оси А: МI - I = (- 4,15 + 3,657) * 11 – (0,93 * 112 / 2) = - 61,6913 кН*м ; МII - II = МII - II = (- 4,15 +3,657) * 2,9 – (0,93 * 2,9 / 2)= - 5,3404 кН*м ; МIII-III = 0; N = 0 ; QI-I = 10,723 кН. Проверка изгибающих моментов у низа колонны (по сеч. 1-1) ∑MI-I = MA I-I + 2 MB I-I + MD = - 67,2123 – 48,18 * 2 – 61,6913 = 225,264 кПа.
следовательно, моменты в основании колонны определенны правильно.
Рис. П.2.3. Схемы загружений и эпюры моментов в крайней колоне (в кН * м): А от покрытия;Б. – от снега.
Рис. П.2.4 Схема загружений и эпюры моментов в крайней колоне (в кН*м): А. от Dmax и Dmin ; от подкрановой балки; Б. от массы колонны; от горизонтальной крановой нагрузки слева и справа; В. От ветровой нагрузки слева. Таблица № 22 расчетных сочетаний усилий в сечениях крайней колонны.
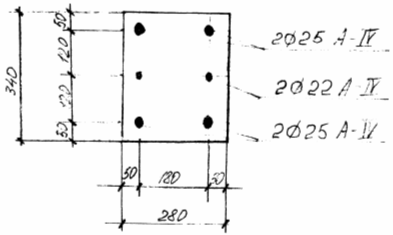
П.2.2 Расчет крайней колонны по несущей способности П.2.2.1 Расчет продольной арматуры Сечение I-I. Размеры сечения: h = 600 мм; в = 400 мм; а = а’ = 50 мм; ho = 600 – 50 = 550 мм. Бетон тяжелый класса В15 (М200), подвергнутый тепловой обработке при атмосферном давлении: Rв = 8,5 МПа, Ев = = 20,5 ∙ 103 МПа. К величине Rв вводится коэффициент αвч = 0,9 и αвч = 1,1. Продольная рабочая арматура колонны класса A-III(ф16-40 мм) с Rs = Rs с = 365 МПа, поперечная – A-I (ф6 – 8 мм) с Rs = Rs с = 225 МПа. Наиболее невыгодные сочетания усилий по табл. П.2.2: а) М1 = ± 76,33 кН∙м и N1 = 532,09 кН; б) М2 = ± 63,69 кН∙м и N1 = 757,24 кН; Для обеих комбинаций усилий имеем: Мдл = Ме (Мпост ) = - 9,12 кН∙м; Nдл = Nе (Nпост ) = 532,09 кН/ 1. Расчетная длина и гибкость колонны
Высота сечения колонны – h = 600 мм. Поскольку λh = ео /h = 12,15/0,6 = = 20,25 > 4,0, то необходимо учитывать влияние прогиба на величину эксцентриситета продольных сил. 2. Определение эксцентриситетов продольных сил и величин условных критических сил - 1/600 ∙ ео = 1/600 ∙ 121500 = 20,25 мм; - 1/30 ∙ h = 1/30 ∙ 600 = 20 мм. а) Для первой комбинации усилий: М1 = ± 76,33 кН∙м и N1 = 532,09 кН; М1е = - 912 кН∙м и N1е = 532,09 кН; αвч = 1,1; Rв = 1,1 ∙ 8,5 = 9,35 МПа;
Условная критическая сила Ncr = D1 (D2 + D3 )вh, где λh = eo /h = 13,2/0,6 = 22.
δe = eo /h = 143/600 = 0,238 δe , min = 0,5 – 0,01h – 0,01 Rв = 0,5 – 0,01 ∙ 22 – 0,01 ∙ 9,35 = 0,187 < δe = 0,238, принимаем δe = 0,238. ψе
= 1 + β М(1) = N1 ∙ e(1) = 532,09 ∙ 0,393 = 209,11 кН∙м;
М1е
= N1
e
∙
D3
=µα Принимаем µ = 0,004, исходя из µmin % = 0,2% при гибкости λ = ео /i = = Ncr 1 = D1 ∙ (D2 + D3 )вh = 67,77 ∙ (0,085 + 0,028) ∙ 400 ∙ 600 = 1837,9 кН. б) Для второй комбинации усилий. М2 = ± 63,29 кН∙м и N2 = 757,24 кН; М2е = 9,12 кН∙м и N2е = 532,09 кН; αв2 = 1,1; Rв = 9,35 МПа; λh =12,15/0,6 = 20,25 > 4,0.
еое = 0,017 м. D1
=
δе,min = 0,5 – 0,01 ∙ 20,25 – 0,01 ∙ 9,35 = 0,204 > δе = 0,14, принимаем δе = 0,204. ψе
= 1 + β М(2) = 757,24 ∙ 0,334 = 252,92 кН∙м; е(2) = ео2 + h/2 – a= 0,084 + 0,3 – 0,05 = 0,334 м.
D3 = 0,028. Ncr 2 = 80 (0,0986 + 0,028) 600 ∙ 400 = 2430,72 кН. 3. Учет влияния прогиба и определение величин эксцентриситетов – е. а) Для первой комбинации усилий N1 = 532,09 кН; Ncr 1 = 1837,9 кН; ео1 = 0,143 м.
е1 = η1 ∙ ео1 + h/2 – а = 1,407 ∙ 0,143 + 0,3 – 0,05 = 0,45 м; б) Для второй комбинации усилий N2 = 757,24 кН; Ncr 2 = 2430,72 кН; ео2 = 0,084 м.
е2 = 1,453 ∙ 0,084 + 0,3 – 0,05 = 0,372 м. 4. Определение случая внецентренного сжатия сечения арматуры. Граничное значение относительной высоты сжатой зоны бетона: Se = где w = α – 0,008 Rв = 0,85 – 0.008 ∙ 9,35 = 0,775. а) Для первой комбинации усилий: определяем параметры δ, αm 1 , αn : αn
=
Сечение арматуры As и As ’ назначаем конструктивно по µmin =µ’ min = 0,2% (по гибкости λi = 77 в пределах 35…83), тогда Аs = Аs ’ = 0,002 ∙ 400 ∙550 = 440 мм2 . Принимаем 2ф18А – III с Аs = Аs ’ = 509 мм2 (+ 10,2%) с каждой стороны сечения. б) Для второй комбинации усилий δ = 0,091; αm
1
= αn
= As
= Аs
’
= Принимаем арматуру конструктивно: 2ф18А-IIIc Аs = Аs ’ = 509 мм2 с каждой стороны сечения. Сечение II-II. Размеры сечения h = 380 мм; в = 400 мм, а = а’ = 50 мм; ho = 380 – 50 = 330 мм. Бетон и рабочая арматура здесь те же, что и в сечении I-I: В15 и А-III. В этом сечении имеем одну невыгодную комбинацию из первых сочетаний усилий (постоянное + снег): М1 = 33,74кН∙м; N1 = 551,8 кН; Мдл = - 29,11 кН∙м; Nдл = 431,14 кН 1. Расчетная длина и гибкость колонны. еов = 2,5 Нв = 2,5 ∙ 2,9 = 7,25 м. h = 380 мм λк = ео /h = 7,25/0,38 = 19,08 > 4. 2. Определение эксцентриситетов продольных сил и величин условных критических сил. еов = 7,25 м; λв2 = 0.9; Rв = 7,65 МПа
Рис. П.2.5. Комбинация расчетных усилий для сечений I-I (A) II-II (Б)
еое
= D1
= D2
=
Принимаем δе = 0,226. ψе
= 1 + 1 ∙ е(1)
= 0,061 + М(1) = 551,8 ∙ 0,201 = 110,91 кН∙м; ее (1) = 0,07 + 0,38/2 – 0,05 = 0,21 м Ме (1) = 431,14 ∙ 0,21 = 90,54 кН∙м D3
=0,004 ∙ 10,05 ∙ здесь µсумм
= 0,004 по гибкости λi
= Ncr = 90,1 (0,0803 + 0,0218) ∙ 380 ∙ 400 = 1398,28 кН. 3. Учет влияния прогиба и определение величин эксцентриситетов – е N = 551,8 кН; Ncr = 1398,28 кН; ео = 0,061 м
е = 1,652 ∙ 0,061 + 0,38/2 – 0,05 = 0,241 м. 4. Определение сечения арматуры. М = 33,74 кН∙м; N = 551,8 кН; SR = 0,611; e = 0,241 м. As
’
= сечение арматуры принимаем конструктивно по гибкости, т.е. Определяем сечение растянутой арматуры As :
тогда Принимаем As ≥ µmin ∙ в ∙ ho , т.е. 2ф16 А-IIIcAs = 402 мм2 . П.2.2.2 Расчет подкрановой консоли крайней колонны 1. Q = Дмах + Nп.б. = 129,51 + 42,85 = 172,36 кН; 2. h = 800 мм; hk = 450 мм; в = 400 мм; е = 350 мм; Qm =50 мм; ho = 800 – 50 = 750 мм. Принимаем в консоли горизонтальные и наклонные двухветвенные хомуты в = 8 мм класса А-III с шагом Sw = 150 мм, тогда Asw = 2 ∙ 50,3 = 100,6 мм2 .
Рис. П.2.6. Армирование колонн. 4. ψw 2 = 1 + 5 µw1 = 1 + 5 ∙ 10,04 ∙ 0,00167 = 1,084. α =
5. еs пр = 450 мм. 6. tgθ = 7. Ширина сжатой полосы: ев = еs пр ∙ Sinθ = 450 ∙ 0,894 = 402,3 мм. 8. λв2 = 1,1; Rв =1,1 ∙ 8,5 = 9,35 МПа; Rs = 365 МПа. а) Проверка прочности консоли по наклонной сжатой полосе: Q ≤ 0,8 ψw 2 ∙ Rв ∙ в ∙ ев ∙ sinθ 3,5Rв f ∙ в ∙ ho .
172,36 кН < 1286,9 кН > 866,25 кН, прочность обеспечена. б) Определим сечение продольной арматуры в консоли. Изгибающий момент в сечении у корня консоли: М = 1,25 ∙ Q ∙ am = 1,25 ∙ 172,36 ∙ 0,05 = 10,8 кН∙м.
тогда
Проверяем сечение арматуры по µmin = 0,05% As , min = 0,0005 ∙ в ∙ ho = 0,0005 ∙ 400 ∙ 750 = 150 мм2 > 76,8 мм2 . Принимаем 2ф10 А-IIIcAs = 157 мм2 . П.2.2.3 Проверка прочности колонны при съеме с опалубки, транспортировании и монтаже 1. При съеме с опалубки и транспортировании. Нагрузка от веса колонны с учетом коэффициента динамичности 1,6: q1 = 1,6 ∙ 25 ∙ 0,4 ∙ 0,6 = 9,6 кН/м; q2 = 1,6 ∙ 25 ∙ 0,4 ∙ 0,38 = 6,08 кН/м. Изгибающие моменты в расчетных сечениях 1-1, 2-2, 3-3 будут:
Проверка прочности колонны в сечениях 1-1, 2-2 и 3-3: а) Сечение 2-2. М2 = 19 кН∙м; в = 380 мм; h = 400 мм; a = a’ = 50 мм; ho = h – a = 400 – 50 = 350 мм; Rв = 8,5 МПа; Rво = 0,7 ∙ 8,5 = 5,95 МПа; As = As ’ = 402 мм2 ; Rs = Rsc = 365 МПа. Изгибающиймомент: Мрег , 2 = Rs As (ho – a’ ) = 365 ∙ 402 (350-50) = 44 кН∙м > 19 кН∙м, прочность сечения обеспечена. б) Сечение 1-1. М1 = 19 кН∙м; в = 600 мм; h = 400 мм;
Рис. П.2.7. Расчетная схема и эпюра моментов колонны при съеме с опалубки и транспортировании. а = а’ = 50 мм; ho = 350 мм; Rво = 5,65 МПа; As = As ’ = 509 мм2 ; Rs = Rsc = 365 МПа. Мрег, 1 = 365 ∙ 5,09 (350 – 50) = 55,74 кН∙м > 19,2 кН∙м, прочность обеспечена. в) Сечение 3-3. Мрег, 3 = 55,74 кН∙м > M3 = 45,73 кН∙м, прочность обеспечена. 2. При монтаже.
Рис. П.2.8. Расчетная схема и эпюра моментов для колонны при монтаже. Погонная нагрузка от веса колонны с учетом коэффициента динамичности 1,4:
Изгибающие моменты в расчетных сечениях 1’ - 1’ , 2’ - 2’ и 3’ - 3’ будут:
Проверка прочности колонны в сечениях 1’ - 1’ , 2’ - 2’ и 3’ - 3’ а) Сечение 1’ - 1’ :
ho = 550 мм; Rво = 5,95 МПа; As = As ’ = 509 мм2 с Rs = Rsc = 365 МПа. Мрег, 1’
= 365 ∙ 509 (550 – 50) = 92,9 кН∙м > б) Сечение 2’ – 2’:
Мрег, 2
= 365 ∙ 402 (330 – 50) = 41,08 кН∙м > в) Сечение 3’ – 3’:
Поскольку 3’ – 3’ обеспечена.
Армирование колонн П.2.3 Расчет безраскосной железобетонной фермы пролетом 24 м. П.2.3.1 Исходные данные для проектирования Место строительства – г. Арзамас. Шаг колонн поперек здания – 24 м. Шаг колонн вдоль здания – 6 м. Ферма изготовлена предварительно напряженной из тяжелого бетона класса В40, при твердении подвергалась тепловой обработке при атмосферном давлении. Напрягаемая арматура в нижнем поясе фермы класс А-IV, поперечная и монтажная арматура классов А-I и Вр – I. Подвесное подъемно-транспортное оборудование отсутствует. П.2.3.2 Нагрузки А. Постоянная нагрузка. Нагрузка от собственного веса конструкции покрытия подсчитывается в табл. «Нагрузки от 1 м2 покрытия». Собственный вес фермы 4фБС-11IV пролетом 24 м 142 кН. Расчетная погонная нагрузка с αf =1,1: qф =1,1 ∙ 142/24 = 6,5 кН/м Б. Временная снеговая нагрузка. Расчетная снеговая нагрузка для г. Арзамас: Sч = 1,8 кН/м2 Нормативная нагрузка: So = Sч ∙ 0,7 = 1,8 ∙0,7 = 1,26 кН/м2 αf = 1,4 – коэффициент надежности по нагрузке; µ = 1,0 – коэффициент перехода отвеса снегового покрова земли к снеговой нагрузке на покрытие; тогда: Рсн = αf ∙ So ∙ µ = 1,4 ∙ 1,26 ∙ 1,0 = 1,764 кН/м2 . П.2.3.3 Расчетная схема фермы Конечные элементы при опорных участках приняты условно высотой h=880 мм, равной высоте опорной части фермы. Ширина всех элементов в=280мм. Нижний пояс высотой h = 340 мм, верхний пояс h = 300 мм. Стойки h = 300 мм с «вутами», которые заменяются на жесткие вставки е = 300 мм.
Рис. П.2.9. Расчетная схема фермы 1…26 – номера узлов 1…37 – конечные элементы П.2.3.4 Схемы загружений фермы Первая схема. Ферма загружается постоянной нагрузкой, которая передается от покрытия через ребра плит в узлы верхнего пояса. В тех же узлах условно прикладывается и нагрузка от собственного веса фермы. Сосредоточенные узловые силы: Рi = αn (q ∙es + qф ) ∙ в, где i– номера дров; αn = 0,95 – коэффициент надежности по назначению; es и в – соответственно шаг ферм и ширина панели (м). Р13 = Р15 = Р17 = Р19 = Р21 = Р23 = Р25 = = 0,95 (5,05 ∙ 6 + 6,5) ∙3,0 = 104,88 кН (10,49 тс).
Рис. П.2.10. Загружение фермы постоянной нагрузкой (1 схема). Вторая схема. Равномерная снеговая нагрузка на левой половине фермы. Р13 = Р15 = Р17 = αn ∙ αf ∙ So ∙ µ ∙ es ∙ в = 0,95 ∙ 1,4 ∙ 1,26 ∙1,0 ∙ 6,0 ∙ 3,0 = 30,16 кН (3,02 т.с.). Р19 = 0,5; Р17 = 0,5 ∙ 30,16 = 15,08 кН (1,51 т.с.) Третья схема. Равномерная снеговая нагрузка на правой половине фермы. Р19 = 15,08 кН; Р21 = Р23 = Р25 = 30,16 кН
Рис. П.2.11. Вторая (А) и третья (Б) схемы загружений. Четвертая схема. Треугольная снеговая нагрузка слева. Р13 = 0,95 ∙ 1,4 ∙ 1,26 ∙ 1,5 ∙ 6,0 ∙ 3,0 = 45,25 кН = 4,53 т.с.; Р15 = 0,95 ∙ 1,4 ∙ 1,26 ∙ 1∙ 6,0 ∙ 3,0 = 30,16 кН = 3,02 т.с.; Р17 = 0,95 ∙ 1,4 ∙ 1,26 ∙ 0,5∙ 6,0 ∙ 3,0 = 15,0,8 кН = 1,51 т.с.; Р19 = 0,95 ∙ 1,4 ∙ 1,26 ∙( 0,5∙ 0,26) ∙ 6,0 ∙ 3,0/2 = 3,77/2 кН = 0,377/2 т.с. = = 0,19 т.с. Пятая схема. Треугольная снеговая нагрузка справа. Р19 = 1,9 кН = 0,19 т.с.; Р21 = 15,08 кН = 1,51 т.с.; Р23 = 30,16 кН = 3,02 т.с.; Р25 = 45,25 кН = 4,53 т.с.
Рис. П.2.12. Четвертая (А) и пятая (Б) схемы загружений. П. 2.3.5 Расчет нижнего пояса Согласно расчёту на ЭВМ, приведённого в таблице усилий и напряжений элементов, наиболее неблагоприятные усилия действуют в элементе 2, сечении 1. Эти усилия возникают от действия первого (постоянная нагрузка), третьего (снег справа) и четвёртого (треуг. снег слева) вариантов загружений одновременно.
Перевод усилий: 1ТС = 9,8кН; 1ТС ∙М = 9,8кН∙м. MaxN = 844, 27 + 62, 62 + 142, 3 = 1049, 19 kH; MaxM = 45, 08 + 1, 57 + 3, 33 = 49, 98 kH∙м. Усилие от нормативных нагрузок: а). От постоянной и полной снеговой N = 844, 27 / 1, 15 + (62, 62 + 142, 3) / 1, 4 = 880, 52 kH; M = 45, 08 / 1, 15 + (1, 57 + 3, 33) / 1, 4 = 42, 7 kH∙м; б). От постоянной и длительной части снеговой Nnl = 844, 27 / 1, 15 + (62, 62 + 142, 3) ∙ 0, 3 /1, 4 = 778, 06 kH; Mnl = 45, 08 / 1, 15 + (1, 57 + 3, 33) ∙ 0, 3 / 1, 4 = 40, 25 kH∙м, где 1,15 и 1,4 – коэффициенты надёжности по нагрузке, соответственно для постоянной и снеговой; 0,3 – коэффициент длительности снеговой нагрузки для ІІІ снегового района. Расчёт прочности. Исходные данные: размеры сечения b = 280 мм; h = 340 мм; a = a' = 50 мм; бетон тяжёлый класса В40 (Rbn = 29 мПа, Rbn , l = 2, 1 мПа, Eb = 32, 5 * 103 мПа), подвергнутый тепловой обработке при атмосферном давлении. Продольная напрягаемая арматура класса А-ІV (Rs = 510 мПа, Rsn = 590 мПа, Es = 19 * 104 мПа). Натяжение арматуры осуществляется механическим способом на упоры стенда. Эксцентриситет продольного усилия относительно центра тяжести сечения: еo
= M / N = е' = еo + h/2 - a' = 48 + 340/2 – 50 = 168 мм; ho = h – a = 340 - 50 = 290 мм. По длине нижнего пояса изгибающий момент меняет знак, поэтому армирование принимается симметричным. Т. к. h – a' = 290 - 50 = 240 мм > е' = 168 мм, площадь сечения арматуры определяем по формуле: Asp
= Asp
'
= где jsb = η = 1, 2 – коэффициент условий работы арматуры класса А-ІV. Принимаем (4 ø25 + 2 ø22) А-ІV с Asp , tot = 2723 мм2 , что больше Asp = 1200, 05 * 2 = 2400, 1 мм2 (+11, 9%).
Рис. п.2.12. Схема расположения арматуры в нижнем поясе фермы. Проверим прочность нижнего пояса с учётом фактического расположения арматуры из условия: N ∙ e1 ≤ jsb ∙ Rs ∙Ssp , где e1 = eо + h/2 - a' = 48 + 340/2 -50 = 168 мм – расстояние от силы N до оси, перпендикулярной направлению эксцентриситета и проходящей через центр тяжести наименее растянутого ряда арматуры; Ssp – статический момент площади сечения всей напрягаемой арматуры относительной той же оси. Ssp = Asp , tot ∙ (h/2 - a') = 2723 ∙ (340/2 -50) =326760 мм3 . jsb ∙ Rs ∙Ssp = 1, 2 ∙ 510 ∙ 326760 = 199, 98 ∙ 106 Н ∙ мм > N ∙ e1 = = 1049, 19 ∙ 103 ∙ 168 = 176, 26 ∙106 Н ∙ мм. Прочность сечения обеспечена. П. 2.3.6 Расчёт верхнего пояса Верхний пояс фермы работает на внецентренное сжатие. Исходные данные: b = 280 мм, h = 300 мм, а = а' = 40 мм; ho = h – a = 300 - 40 = 260 мм. Бетон тяжёлый класса B40 (Rb = 22 мПа, Eb = 32, 5 * 103 мПа); влажность W ≤ 75%; jb 2 = 0, 9; арматура класса А-ІІІ (Rs = Rse = 365 мПа), σse,u = 500 мПа. Усилие в элементе 13 (сечение 1) верхнего пояса от расчётных нагрузок приведены в таблице по результатам расчёта на ЭВМ.
Max N = 925, 61 + 69, 19 + 167, 78 = 1162, 58 kH; MaxM = 29, 01 + 2, 45 + 1, 27 = 32, 73 kH∙м. Усилие от постоянной и длительно действующей части временной нагрузки: Nnl = 925, 61 + (69, 19 + 167, 78) ∙ 0, 3 = 996, 7 kH; Mnl = 29, 01 + (2, 45 + 1, 27) ∙ 0, 3 = 30, 13 kH*м, где 1, 15 и 1, 4 – коэффициенты длительности снеговой нагрузки, соответственно для постоянной и; 0,3 – коэффициент длительности снеговой нагрузки для ІІІ снегового района. Эксцентриситет продольного усилия относительно центра тяжести сечения: е0
= M / N = Величина случайного эксцентриситета: еа = l / 600 = 3220 / 600 = 5, 4 мм. или еа = l / 30 = 300 / 30 = 10 мм. Т. к. еo = 28 мм > еа = 10 мм, то для дальнейшего расчёта принимаем еo = 28 мм. Расчётная длина еo элемента фермы при еo = 28 мм < h/8 = 300 / 8 = 37,5 мм: еo = 0,9 ∙ 3220 = 2898 мм.
где (ho – a’) / 2 = (260 – 40) / 2 = 110 мм. Т.п. ео / h = 2898 / 300 = 9,66 > 4, расчет производим с учетом прогиба сжатого элемента. Для этого определим: αе = 1 + β М1е / М1 = 1 + 1 ∙ 109,7 / 127,9 = 1,86); (здесь β = 1,0 для тяжелого бетона); δе = ео / h = 28 / 300 = 0,093: δе, min = 0,5 – 0,01 ∙ eo / h – 0,01 ∙ Rв ∙ λв2 = = 0,5 – 0,001 ∙ 2898 / 300 – 0,001 ∙ 22 ∙0,9 = 0,205. Т.к. δе, min = 0,205 > δе = 0,093, то для расчета принимаем δе = δе, min = 0,205. Задаваемая коэффициентом армирования µ = 0,020; µα = µEs / Eв = 0,020 ∙ 2 ∙ 105 / 325 ∙ 104 = 0,122. Условная критическая сила
Коэффициент η определим по формуле:
Граничная относительная высота сжатой зоны бетона определяется по формуле: ξR= где w = 0,85 – 0,08 Rв ∙ αв2 = 0,85 – 0,008 ∙ 22 ∙ 0,9 = 0,69. Требуемое количество симметричной арматуры определяется в зависимости от относительной величины продольной силы:
К = (αs + ψc ∙ αs – αn ) / 2 = (0,369 + 3,68 ∙ 0,369 – 0,807) / 2 = 0,460 ξ = δ = a’ / ho = 40 / 260 = 0,154; Площадь сечения симметричной арматуры:
Коэффициент армирования
Поскольку полученный коэффициент армирования µ = 0,0023 меньше первоначально принятого µ = 0,020, поэтому сечение As и As ’ принимаем конструктивно: 2ф16-А-III с каждой стороны сечения с As = As ’ = 402 мм2 .
Рис. п.2.13. Схема армирования верхнего пояса фермы. П.2.4 Расчет внецентренно нагруженного фундамента под крайнюю колонну П.2.4.1 Исходные данные, нагрузки и усилия Принят тяжелый бетон класса В 12,5 с Rв = 7,5 МПа и Rв f = 0,66 МПа. Бетон замоноличивания стакана фундамента класса В15 с Rв = 8,5 МПа и Rв f = =0,75 МПа. К расчетному сопротивлению бетона класса В12,5 вводятся αв2 = =1,1; αв3 = 1,0; αв9 = 0,9, соответствующие расчету. В плитной части у подошвы фундамента принята арматура класса А-IIIcRs = 365 МПа; подколонные: продольная класса А-IIIcRs = 365 МПа, поперечная: сетки и хомуты класса А-IcRs = 225 МПа. Глубина заложения фундамента от уровня пола – 1,65 м. Расчетное сопротивление грунта основания R = 206 кПа. Из таблицы «Расчетные сочетания усилий в крайней колонне» выбираем наиболее невыгодное сочетание: N1 = 757,24 кН; М = 63,69 кН∙м; Q = 10,27 кН. Расчетная нагрузка от массы стены передающаяся на фундамент: Nwae = 310,6 кН, эксцентриситет ее приложения - еwae = hwae / 2 + ec = 0,3 / 2 + 0,6 / 2 = = 0,45 м. П.2.4.2 Определение подошвы Величины нормативных усилий:
Нормативные усилия от массы стены при αf = 1,2: Nn ,ст = Nст / αf =310,6 /1,2 = 258,8 кН; Мn ,ст = Мст / αf =139,77 /1,2 = 116,5 кН∙м. Предварительные размеры подошвы фундамента:
где αn , m = 20 кН/м3 – удельный вес материала фундамента и грунта на его уступах. Принимаем предварительно размеры подошвы основания е = в = 2,4 м. Тогда А = 5,76 м2 . Проверим приемлемость этих размеров: Nn ,ф = Nn , ’ ф + Nn ,ст + αn , m ∙ H ∙ A = = 641,73 + 258,8 + 20 ∙ 1,65 ∙ 5,76 = 1090,61 кН; Мn ,ф = Мn , ’ ф + Qn , ’ ф ∙ h+ Мn ,ст = = 53,98 + 8,63 ∙ 1,5 + 116,5 = 183,43 кН∙м еф ’ = Mn , ф / Nn , ф 183,43 / 1090,61 = 0,168 м.
Из неравенства видно, что необходимо увеличить размеры подошвы фундамента: е = 2,7 м; в = 2,4 м с А =2,7 ∙ 2,4 = 6,48 м2 . Рn
,
max
= Рn
,
min
= Рn
,
cp
= Окончательно принимаем размеры подошвы фундамента е ∙ в = 2,7 ∙ 2,4 м.
Рис. П.2.13 Эпюра напряжений от нормативных нагрузок. П.2.4.3 Расчет на продавливание нижней ступени Определим напряжение под подошвой фундамента от расчетных нагрузок, предварительно вычислив нормальную силу и момент, действующие на обрезы подошвы фундамента:
еф = Мф / Nф = 218,87 / 1067,84 = 0,205 м.
Расчет на продавливание нижней ступени:
где вm – среднее значение сторон верхнего и нижнего оснований границ пирамиды продавливания в пределах αо = 250 мм.
Рис. П.2.14. Схема образования пирамиды продавливания и эпюра напряжений под подошвой фундамента от расчетных нагрузок, и расчетные сечения при подборе арматуры плитной части. 1) Сторона в = 2,4 м. вм1
= Ао1
= F1 = 0,44 ∙ 239,9 = 105,6 кН < 1,1 ∙ 0,66 ∙ 106 ∙ 1,75 ∙ 0,25 = = 317625 Н = 317,63 кН – прочность плитной части фундамента на продавливание по стороне в = 2,4 м обеспечена. 2) Сторона е = 2,7 м.
F1 = 0,5 ∙ 164,8 = 82,4 кН < 1,1 ∙ 0,66 ∙106 ∙ 2,05 ∙ 0,25 = 372075 Н = = 372,1 кН – прочность плитной части фундамента на продавливание по стороне е = 2,7 м обеспечена. П.2.4.4 Расчет на продавливание от дна стакана. Расчет на раскалывание тела фундамента 1) Расчет на продавливание фундамента от дна стакана. Площадь боковой поверхности колонны, заделанной в стакан фундамента: Ас = 2 ∙ (вс + ес ) ∙ dc = 2 ∙ (0,4 + 0,6) ∙ 0,9 = 1,8 м2 . Коэффициент α, учитывающий частичную передачу силы Nф на плитную часть фундамента через стенки стакана:
Принимаем α = 0,85. А02
= N2 = αN = 0,85 ∙ 757,24 = 643,65 кН. Проверка: Nc
=643,65 кН < 1,1 ∙ 0,75 ∙ 106
∙ 2. Расчет фундамента на раскалывание. Площади вертикальных сечений фундаментов:
Ав / Ае = 1,48 / 1,74 = 0,85 > вс / ес = 0,4 / 0,6 = 0,67, Nc = 643,65 кН < (1 + вс / ес ) µαg ∙ Ac ∙ Rв f = = (1 + 0,67) ∙ 0,75 ∙ 1,3 ∙ 1,74 ∙ 1,1 ∙ 0,66 ∙ 106 = 2,05 ∙ 106 Н = 2050 кН, где µ = 0,75 – коэффициент трения бетона по бетону, αg = 1,3 – коэффициент, учитывающий совместную работу фундамента с грунтом. Из выражения видно, что прочность фундамента на раскалывание обеспечена. П.2.4.5 Расчет арматуры плитной части фундамента 1) Арматура в направлении «е». а) В сечении 1-1 (у грани подколонника).
б) В сечении 2-2 (у грани второй ступени).
Принимаем 13ф10 А-III с Аs = 1020,5 мм2 . 2) Арматура в направлении «в». а) В сечении 3-3 (у грани подколонника).
As
3
= б) В сечении 4-4 (у грани второй ступени).
Принимаем 14ф10 А-IIIcAs =1099 мм2 . П.2.4.6 Расчет подколонника
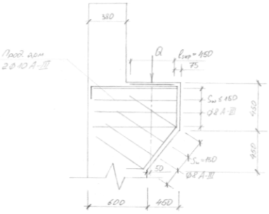
Расчетные данные в сечении 1-1 – уровня торца колонны для наиболее невыгодного сочетания усилий: Ncf = Nf + Nст + Qsf = 757,24 + 310,6 + 1,1 ∙ 0,9 ∙1,2 ∙ 0,9 ∙2,5 =1094,57 кН Mcf = Мф + Мст + Qdp = 63,69 + 139,77 + 10,27 ∙ 0,9 = 212,7 кН∙м. е1 = Mcf / Ncf = 212,7 / 1094,57 = 0,194 м. Поскольку ес / 2 = 0,6 / 2 = 0,3 м > е1 = 0,194 м > ес / 6 = 0,6 / 6 = 0,1м, то момент Мк будет:
где ео,с f = ecf – 50 = 1200 – 50 = 1150 мм.
Принимаем 3ф16 с 2) Расчет горизонтальных сеток стаканной части. Используется арматура класса А-IcRs = 225 МПа, т.к ес / 2 = 0,6 / 2 = 0,3 м > e1 = 0,194 м > ec / 6 = 0,6 / 6 = 0,1 м, и значение
где Принимаем 4ф8 А1 с Аs г = 201 мм2 . 3. Расчет на местное сжатие под торцом колонны. Nc ≤ ψeoc ∙ Rв, eoc ∙ Аeoc 1 , где Nc = 643,65 кН – расчетная продольная сила в уровне торца колонны; ψeoc = 0,75 – коэффициент из условия ео = 0,194 м > ec / 6 = 0,6 / 6 = 0,1 м; Rв, eoc = φeoc ∙ Rв , где φeoc
= Nc = 643,65 кН < 0,75 ∙ 1,1 ∙ 0,9 ∙ 2,24 ∙ 7,5 ∙ 106 ∙ 0,6 ∙ 0,4 = 3992 кН, прочность обеспечена. П.2.4.7 Расчет плитной части фундамента на поперечную силу При соотношении в/е = 2,4 / 2,7 = 0,89 > 0,5 этот расчет не производят. П.2.4.8 Расчет фундамента по образованию и раскрытию трещин 1) Расчет нижнего сечения подколонника Ncf =1094,57 кН; Мcf = 212,7 кН∙м. Величина растягивающего напряжения:
где Аref = 1,2 ∙ 0,9 – 0,7 ∙ 0,5 + 9,53 ∙ 603 ∙ 10-6 = 0,736 м2 , wred = Уref /href , гдеУref
=
Поскольку полученное напряжение сжимающее, а не растягивающее, то проверка по образованию и раскрытию трещин не требуется. 2) Расчет плитной части фундамента Для сечения 1-1. Принимая средний коэффициент надежности по нагрузке αf , m = 1,18, определим изгибающий момент в сечении 1-1: Мп, 1-1
= Мerc = Rв f , ser ∙ wpe где wpe – момент сопротивления приведенного сечения. wpe = (0,292 + 1,5Аs α / (вh)) ∙ вh2 , где α = Еs
/ Eв
= wpe = (0.292 + 1,5 ∙1020,5 ∙ 9,53 / (1500 ∙ 600)) ∙ 1500 ∙ 6002 = 198,6 ∙ 106 мм3 Мcre , 3-3 = 1,0 ∙ 198,6 ∙ 106 = 198,6 ∙ 106 Нмм = 198,6 кН∙м. Поскольку Мcre , 3-3 =198,6 кН∙м > Мn , 3-3 = 139,7 кН∙м., то трещины в сечении 3-3 плитной части фундамента не образуются. Приложение 3 Ведомость объёмов работ 2.3 Ведомость объёмов работ
Приложение 4 2.4. Подбор стрелового крана При подборе крана определяются требуемые значения параметров:
Требуемая грузоподъемность:
где qэ – масса наиболее тяжелого элемента, которым является стропильная ферма. qr – масса траверсы, требуемая высота подъема крюка:
где ho – превышение опоры монтируемого элемента над уровнем стоянки монтажного крана, м; h3 – запас по высоте, требуемый по условиям монтажа для заводки фермы над местом установки. hэ – высота фермы. hс – высота строповки в рабочем положении от верха монтируемого элемента до горизонтальной оси крюка крана.
где hn – средняя высота грузового полиспаста в стянутом положении 1,5 м. Требуемый вылет крюка и длина стрелы определяются графическим способом. Таблица 4.1. Требуемые параметры крана
Рис. 2.4.1. Схема для определения параметров крана при монтаже ферм.
Рис. 2.4.2. Схема для определения параметров крана при монтаже колонн и плит покрытия. По требуемым параметрам производим выбор 2-х кранов (предварительный) МКГ-25 и СКГ-40. Выбор экономически эффективного варианта монтажа обусловлен расчетом по каждому варианту. 1. Продолжительность выполнения работ tij tij = T/ m где Т – затраты труда на монтаж здания, принимаемое равным 111 ч-дн. m – количество рабочих, занятых на монтаже в смену m = 5 чел. tij
= 2. Основная заработная плата рабочих, занятых на выполнении работ из «Ведомости трудовых затрат и заработной платы»: С03 = 1198 рублей. 3. Себестоимость работ Сi :
где Сij м.-см. – плановая расчетная цена за машино-смену работы. 1,08 и 1,5 – коэффициенты, учитывающие накладные расходы. 4. Приведенные затраты Пi Пi
= Ci
+ Ен
∙ где фij – балансовая стоимость j –й машины. Тj – нормативное число стен работы j-ой машины в году. Ен – коэффициент экономической эффективности в строительстве: Ен = 0,15. Кран МКГ-25 С1 = 1,08 ∙ 36 + 1,08 ∙ 38,57 ∙ 18,5 + 1,5 ∙ 1198 = 2606,5 руб. П1 = 2606,5 + 0,15 ∙ 36,600 ∙18,5 / 375 = 2877 руб. Кран СКГ-40 С2 = 1,08 ∙ 888 + 1,08 ∙ 45,19 ∙ 18,5 + 1,5 ∙ 1198 = 3658,9 руб. П2 = 3658,9 + 0,15 ∙ 39690 ∙ 18,5 / 375 = 3952,6 руб. На основании выполненных расчетов для монтажа подземной части используется гусеничный монтажный кран МКГ-25 грузоподъемностью 25 тонн, имеющий основную стрелу длиной 16,8 м, удлиняемую секциями до 21,8 м. На стреле установлен жесткий гусек 5 м для вспомогательного подъема. Приложение 5 Объектная смета Экологический комплекс по очистке и нейтрализации промышленных стоков. Сметная стоимость в ценах 1984г. 995 тыс. руб. в ценах 2004г. 37843,1 тыс. руб. Нормативная трудоёмкость 146030 чел./час. Сметная заработная плата 95050 тыс. руб. Расчётный центр единичной стоимости 40, 7 руб.
Приложение 6 Проектирование стройгенплана П.7 Проектирование стройгенплана П.1 Расчет площадей приобъектных складов Суточный расход материалов gč gč =Q·K1 Т Где Q- общая потребность в данном виде материала T-число дней потребления материала Kt- коэффициент неравномерности потребления материалов и изделий (K1=1,3). Запас материала на складе P: P=gčּ• Tз • K2 где Tз-число дней запаса, K2-коэффициент неравномерности поступления (K2=1,1). Полезная площадь склада F1, занимаемая уложенным материалом: F=P/V; Где V-количество материала, укладываемого на 1 кв. метр площади склада, определяемое по таблице 6.3 (13). S= F/ß, где ß-коэффициент использования площади склада, принимаемый по таблице 6.4 (13) Таблица п.7.1 Ведомость площадей складов
П.7.2 Временные здания и сооружения Из графика движения рабочей силы видно, что в смене занято 29 человек, а в день 58. С учетом рабочих вспомогательного производства количество рабочих составит: в смену: 29· 1,34=39 человек в день: 58·1,34=78 человек Принимая на 20 рабочих одного инженерно-технологического работника и служащего, получим количество ИТР и служащих: в смену:39: 20=2 человека в день: 78: 20=4 человека Рассматриваем площади временных зданий: 1 бытовой блок в составе а) гардеробная 6· 0,1·78=46,8 м² б)душевая 8,2·0,1 · 0,15 ·39=3,51 м² Здесь, 0,15-коэффициент, учитывающий количество рабочих, пользующихся душем. в) умывальная 2· 0,1 ·78=15,6 м² г) сушилка 2·0,1·78=15,6 м² 2 Туалеты 0,7·0,1· (39+2)0,7+1,4 ·0,1 (39+2) ·0,3=3,73 м² здесь 0,7 и 1,4-нормативные показатели площади соответственно для мужчин и женщин: 0,7 и 0,3-коэффициенты, учитывающие соответствующее отношение мужчин и женщин. 3. Помещение для обогрева рабочих и принятия пищи: 2,5 · 0,1 39=9,75 м² 4 Прорабская:40 · 0,1 · 4=16 м² Данные подбора сведены в таблицу:
П 7.3 Определение потребности строительства в воде Максимальный расход воды в смену приведен в таблице
ΣP=877?5 Pə=180 Расчет секундного расхода воды А) на производственные нужды: g∆ gпр= ΣP х·Kņ · Kņρ литров в секунду 3600 ·8 где ΣPх-максимальный расход воды в смену на производственные нужды в литрах, Kņ-коэффициент часовой неравномерности потребления воды (Kņ=1,5) Kņρ-коэффициент на неучтенные расходы воды (Kņρ=1,3) gпр=6276 ·1,5 ·1,2=0,39 литров в секунду 3600·8 Б) на хозяйственно-питьевые нужды gх gх= ΣPх·Kņ литров в секунду 3600 ·8 где ΣPх-максимальный расход воды в смену на хозяйственно-бытовые нужды в смену в литрах (К1=2,5) gх=877,5 ·2,5=0,08 литров в секунду 3600 ·8 в) на душевые установки gə=Pə литров в секунду 60·м где м-время работы душевых установок (м=45 мин) gə=180 =0,07 литров в секунду 60 ·45 Суммарный расход воды g суммарный g сум.=g пр+gх+ g2=0,39+0,08+0,07+0,54 литров в секунду Диаметр труб временной водопроводной сети D=√4 gсум·1000=√4 ·0,54·1000=21,4 мм А·V3,14 ·1,5 Где V=1,5 мм в сек.-скорость движения воды по трубам. Принимаем диаметр трубы временного водопровода D=25 мм. П.7.4 Электроснабжение строительной площадки Расчет расхода электроэнергии приведен в таблице.
Суммарная расчетная активная нагрузка: ΣPм= ΣPу ·Кс, кВТ Где Pу-установленная мощность электроприемников, кВТ, Кс-коэффициент спроса м-число приемников ΣPм=(47=6)·0,3+0,75·0,1+0,54+0,1+0,6+4,5+(9,3+2,5+0,2)·1=5,3·0,8+0,32 ·0,38=35,1 кВТ Суммарная расчетная реактивная нагрузка: ΣQ= ΣPм ·tg ΣQм=47·0,3·2,2+(0,75+0,54)· 0,1· 2,3+6· 0,3· 1,7+4,5·0,6· 0,88+(9,3+2,5+0,2)· 1 · 0,3+5,3· +0,32· 0,38 · 0,3=43,5кВТ Tgτ= ΣQ=43,5=1,24, тогда cosτ=0,628 Pм 35,1 Суммарная нагрузка в кВТ на строительной площадке ΣSм=ΣPм=35,1 =55,9кВТ cosτ0,628 Потребная мощность трансформатора: Pтр= ΣS·Кмр=55,9·0,8=44,7кВТ Где Кмн=0,8-коэффициент совпадения нагрузок. По таблице 10.7 принимает комплектную трансформаторную подстанцию марки СКТП-10-6 (10)0.4 мощностью 50 кВТ Приложение 8. (К разделу «Охрана труда») Искусственное освещение для монтажных работ Проектирование производственного освещения принято делить на три части: светотехническую, электрическую и сметно-экономическую. Основными задачами светотехнической части является выбор системы и вида освещения, светильников и источников света, определение их рационального количества, мощности, светораспределения и размещения на строительной площадке и в производственных зданиях. Электрическое освещение строительных площадок и участков внутри зданий осуществляется установками общего равномерного или локализованного освещения, а местное освещение – инвентарными стойками или переносными приборами. Общее равномерное освещение строительных площадок должно быть не менее 2 лк. Если Ен > 2 лк, то к общему равномерному освещению устраивается дополнительно локализованное освещение. Для всех строительных площадок и участков, где работы выполняются в темное время суток, предусматривается устройство рабочего освещения. Нормы освещенности участков строительных площадок и работ (по СН 81-80. Инструкция по проектированию электрического освещения строительных площадок): для монтажа конструкций стальных, железобетонных и деревянных наименьшая освещенность 50 лк; плоскость и уровень поверхности, в которой нормируется освещенность: горизонтальная и вертикальная, по всей высоте сборки. Типы источников света и осветительных приборов: При производстве наружных строительно-монтажных работ освещение общее равномерное, осветительные приборы: лампы накаливания, дуговые ртутные лампы высокого давления. Светотехнический расчет электрического освещения: точечный метод Точечный метод обеспечивает определение освещенности любой точки поверхности, если известны светораспределение, расположение и световой поток лампы светильника. Этот метод применяют для расчета общего локализованного и местного освещения при любом положении освещаемой плоскости или наклонном положении светильника. В общем виде световой поток лампы равен: Фл = 1000 * Ен *К / ( μ∑ii * Ψi ) , Где Е - нормируемая освещенность,лк; к – коэффициент запаса; μ - коэффициент дополнительной освещенности, создаваемой удаленными светильниками и отраженным светом, обычно приближенно принимается μ= 1….1,2 или μ=ηо / ηн ; ηо и ηн - коэффициенты использования для отражающих поверхностей с и неотраженных поверхностей с ρn = ρc = ρp = 0; ∑li * Ψi - условная освещенность контрольной точки от суммарного действия «ближайших» светильников. В качестве контрольных выбирают точки освещаемой поверхности, в которых полагают, что ∑li *Ψi имеет наименьшее значение; li - условная освещенность от i -го светильника, создаваемая лампой со световым потоком 1000 лм, определяемая по известному светораспределению светильника и размерам hи dпо заранее рассчитанным пространственным изолюксам условной горизонтальной освещенности; Ψi - переходный коэффициент, для горизонтальной плоскости Ψi =1, для наклонной - Ψi = cosαi ± (di sinα / hi ) и вертикальной - Ψi = в / h. «Ближайшими» считаются светильники, имеющие условную освещенность меньше освещенности, создаваемой ближним светильником, до 5%. Светильники, затененные производственным оборудованием, не учитывают. Для производства монтажных работ планируется использовать инвентарную стойку, имеющую следующие характеристики: два светильника типа «Астра –12» (ИСПО1*200/Д5 3-03) с ЛИ БИ220-200, установленных на дугообразных кронштейнах стойки, высота подвески h = 4,5 м, расстояние между светильниками l=1,3 м. Требуется определить, на каком расстоянии должна быть установлена стойка и ширину освещаемого фронта работ при монтажных работах. По табл. XIII.1 (Г.Г.Орлов. Инженерные решения по охране труда в строительстве) для монтажных работ Ен = 50 лк, по табл. XIII.6 К=1,3 ЛИ БК 220-200 имеет Фл = 2920 лм (по табл. XIII.3 ). ∑li = 1000*Ен *K /( μ *φi *Фл ) = 1000 * 50 * 1,3 / (1 * 1 * 2920) = 22,3 лк Принимаем μ =1; для горизонтальной плоскости φi =1. Задается, что светильники стойки располагаются в плоскости, параллельной освещаемой плоскости, тогда l = l1 = l2 =11,2 лк. По графику пространственных изолюкс условной горизонтальной освещенности (рис. XIII.3,a ) для h =4,5 м и l=11,2 лк, d=2,2 м. Принимаем размещение светильников в одной точке, тогда d= 2,2 м является максимальным удалением стойки от освещаемой точки. Чтобы увеличить ширину освещаемого фронта работ, инвентарную стойку размещают ближе указанного расстояния. Пусть Х = 1,5 м, тогда в= Т.о., при расположении инвентарной стойки на расстоянии 1,5 м от места производства работ будет освещаться фронт работ с Ен = 50 лк, шириной в = 12,8 м.
Рис. XIII.2 Схема для определения переходного коэффициента Ψi 1 и 2 - наклонные поверхности; 3 - вертикальная поверхность.
Рис. XIII.4 Схема определения освещенности рабочих мест, создаваемой инвентарной стойкой: а - при х = dmax ; б - при х = 1.5 м Для вертикальной поверхности : Ψi = в / l= 2,2 / 4,5 = 0,49 , тогда Фл = 1000 * Eн *K / ( μ∑Li Ψi ) = 1000*50*1,3 / ( 1*22,3 * 0,49) = 5949 лм, т.е. необходимо принять ту же лампу типа Г, а не Б. Опасная зона работы крана Границы опасных зон в местах, над которыми происходит перемещение грузов подъемными кранами, а также вблизи строящегося здания принимаются от крайней точки горизонтальной проекции наружного наименьшего габарита перемещаемого груза или стены здания с прибавлением наибольшего габаритного размера перемещаемого (падающего) груза и минимального расстояния отлета груза при его падении согласно таблице 1. Таблица 1.
Границы опасных зон вблизи движущихся частей машин и оборудования определяются в пределах 5 м, если другие повышенные требования отсутствуют в паспорте или в инструкции завода – изготовителя. Приложение 9 Гражданская оборона Проектируемый объект располагается в городе Арзамас, который относится к категорированным (по ГО) городам. На территории города функционируют десятки категорированных (З) и потенциально опасных объектов. Согласно СНиП 2.01.51-90 вся территория такого города в военное время, вследствие применения современного оружия, может оказаться в зоне возможных сильных разрушений с избыточным давлением не менее 30 кПа и уровнями радиации более 240 р/ч, после применения ядерного оружия. Кроме того, из-за воздействия вторичных факторов возможны массовые пожары, выбросы АХОВ, разрушения и различные повреждения инженерно-технических систем и систем жизнеобеспечения, образования завалов на улицах и др., а также гибель людей, потеря их здоровья и нарушение условий жизнедеятельности. В мирное время наличие в границах проектной застройки города потенциально опасных объектов обуславливает повышенную вероятность возникновения техногенных ЧС. Этому способствуют и возможные террористические акты. Возникновение таких ЧС может привести к гибели и потери здоровья части персонала объекта и проживающего вблизи населения, уничтожению и порче материальных ценностей и большому экологическому ущербу, нарушению нормальных условий обитания человека с усилением социально-политических и экономических угроз. Реализация природных ЧС, типичных для города и региона, которые могут быть вызваны пожарами, ураганными ветрами, также может привести к отрицательным последствиям для населения и значительному материальному ущербу. Для повышения функциональной устойчивости объекта, максимальному снижению возможного материального ущерба и сохранения жизни и здоровья персонала от опасностей, возникающих при ведении военных действий или вследствие этих действий, а также от ЧС природного и техногенного характера, проектом предусмотрено обеспечение радиационной безопасности на строительных площадках и объектах экономики. 1. Радиационная безопасность (РБ) населения, ее цель и источники ионизирующего излучения. Согласно существующим положениям (НРБ-96) РБ населения – это состояние защищенности настоящего и будущего поколений людей от вредного для их здоровья воздействия ионизирующего излучения (ИИ). Ее главной целью является охрана здоровья людей от вредного воздействия ИИ путем соблюдения основных принципов и норм радиационной безопасности без необоснованных ограничений полезной деятельности при использовании излучения в различных областях хозяйства, науке и медицине. Общеизвестно, что население постоянно подвергается внешнему и внутреннему облучению ионизирующим излучением искусственных и природных источников. Искусственные источники излучения разделяются на техногенные (искусственные и специально сконцентрированные человеком природные радионуклиды, генераторы ионизирующего излучения и др.) и медицинские (диагностические и радиотерапевтические процедуры). К природным источникам относятся космическое излучение и природные радионуклиды, содержащиеся в окружающей среде и поступающие в организм человека с воздухом, водой и пищей. РБ населения достигается путем ограничения облучения от всех основных источников. 2. Нормирование облучения людей в контролируемых условиях. Федеральным законом «О радиационной безопасности населения» - 1995 года и действующим нормативным документам (НРБ-96) установлены предельные нормы облучения людей от всех основных источников излучения в условиях нормальной эксплуатации техногенных ИИИ. Так, годовая доза облучения у населения от всех техногенных источников не должна превышать 1м3в в год в среднем за любые последовательные 5 лет или за период жизни (70 лет) – 0,07 3в. В отдельные годы допустимы большие значения дозы при условии, что средняя годовая доза за 5 последовательных лет не превышает 1м3в. Медицинские облучения. При проведении профилактических медицинских рентгенологических, а также научных исследований практически здоровых лиц, не имеющих медицинских противопоказаний, годовая доза облучения также не должна превышать 1м3в. Что же касается больных лиц, особенно для лечения которых применяется лучевая терапия, то устанавливаются контрольные уровни медицинского облучения, которые обычно значительно превышают 1м3в в год. Допустимое значение дозы, обусловленной суммарным воздействием природных источников ИИ, для населения не устанавливается. Снижение облучения населения достигается путем установления системы ограничений на облучение населения от отдельных природных источников (НРБ-96). 3. Обеспечение РБ населения при воздействии природных радионуклидов. Применительно к объектам строительного комплекса, независимо от места расположения объекта, его ведомственной принадлежности и формы собственности, облучение природными радионуклидами на строительных площадках, в жилых и производственных помещениях не должно превышать установленных (НРБ-96) норм. Так, при проектировании новых зданий жилищного и общественного назначения, должно быть предусмотрено, чтобы среднегодовая эквивалентная равновесная объемная активность изотопов радона и торона в воздухе помещений не превышала 100 Бк/м3 . В эксплуатированных зданиях среднегодовая эквивалентная равновесная объемная активность изотопов радона в воздухе жилых помещений не должна превышать 200 Бк/м3 . Как в строящихся, так и в эксплуатируемых зданиях мощность дозы гамма-излучения в помещениях не должна превышать мощности дозы на открытой местности более чем на 0,3 мк3в/ч. При больших значениях объемной активности и мощности дозы гамма-излучения следует предусматривать мероприятия, направленные на снижение поступления радона в воздух помещений и улучшение вентиляции помещений, а также на выявление и устранение источника излучения. В тех случаях, когда невозможно снижение среднегодовой объемной активности изотопов радона до значения менее 400 Бк/м3 , или если мощность дозы гамма-излучения в помещениях практически невозможно снизить до значений ниже 0,6 мк3в/ч, невозможно решить вопрос о переселении жильцов (с их согласия) и перепрофилировании помещений или сносе здания. Удельная эффективная активность естественных радионуклидов в строительных материалах, добываемых на их месторождениях (щебень, гравий, песок, бутовый или пиленный камень, цементное и кирпичное сырье и др.) или являющихся побочным продуктом промышленности, а также отходы промышленного производства, используемые для изготовления строительных материалов, не должны превышать: - для материалов, используемых во вновь строящихся жилых и общественных зданиях (I класс) – 370 Бк/кг; - для материалов, используемых в дорожном строительстве в пределах территорий населенных пунктов и зон перспективной застройки, а также при возведении производственных сооружений (II класс) – 740 Бк/кг; - для материалов, используемых в дорожном строительстве вне населенных пунктов (III класс) – 2800 Бк/кг (2,8 кБк/кг). При превышении указанных показателей вопрос об использовании материалов решается в каждом конкретном случае отдельно по согласованию с федеральным органом Госсанэпиднадзора. 4. Требования к защите от облучения природными источниками в производственных условиях. Согласно указаниям (НРБ-96), эффективная доза, обусловленная облучением природными источниками ИИ в производственных условиях для работников не должна превышать 5 м3в/год. Численные значения радиационных факторов, соответствующие при монофакторном воздействии эффективной дозе 5 м3в/год при продолжительности работы 2000 ч/год, средней скорости дыхания 1,2 м3 /ч и радиоактивном равновесии радионуклидов уранового и ториевого семейств в производственной пыли составляют: - среднегодовая мощность дозы гамма-облучения на рабочем месте – 3,8 мк3в/ч; - среднегодовая эквивалентная равновесная объемная активность радона в воздухе дыхания – 310 Бк/м3 ; - среднегодовая эквивалентная равновесная объемная активность торона в воздухе зоны дыхания – 68 Бк/м3 ; - удельная активность производственной пыли урана – 238, находящегося в радиоактивном равновесии с членами своего семейства – 28/fБк/кг, где f – среднегодовая общая запыленность воздуха в зоне дыхания, мг/м3 ; - удельная активность производственной пыли тория-232, находящегося в радиоактивном равновесии с членами своего семейства – 24 кБк/кг. Таким образом, обеспечение РБ населения в повседневных условиях достигается недопущением превышения установленных (НРБ-96) предельных доз облучения от всех источников ИИ. В целях защиты населения и работников строительного комплекса от влияния природных радионуклидов должны осуществляться: - выбор земельных участков для строительства зданий и сооружений с учетом уровня выделения радона из почвы и гамма-излучения; - проектирование и строительство зданий и сооружений с учетом предотвращения поступления радона в воздух помещений; - проведение производственного контроля строительных материалов, приемка зданий и сооружений в эксплуатацию с учетом уровня содержания радона в воздухе помещений и гамма-излучения; - эксплуатация зданий и сооружений с учетом уровня содержания радона в них и гамма-излучения; - при невозможности выполнения нормативов путем снижения уровня содержания радона и гамма-излучения в зданиях и сооружениях должен быть измене характер их использования. Запрещается использовать строительные материалы и изделия, не отвечающие требованиям к обеспечению радиационной безопасности. Список литературы 1. СниП IV-2-82 Приложения т.1 Сборник элементарных сметных норм на строительные конструкции и работы. Госстрой СССР.-М.,Стройиздат,1985-208 с. 2. СНиП IV-2-82 Приложение т.2 3. СниП 3.01.01-85. Организация строительного производства. Госстрой ССР-м:ЦИТПГосстроя СССР,1990-56 с. 4 СниП 1.0403-85.Нормы продолжительности строительства и сроки в строительстве предприятий,зданий и сооружений. Госстрой ССР, Госплан СССР-М, Стройиздат,1987-522 с. 5 ЕниР. Сборник Е4.Монтаж сборных и устройство монолитных ЖБК, вып.1.Здания и промышленные сооружения. Госстрой ССР, М, Стройиздат,1987-64 с. 6 ЕниР Сборник Е22. Сварочные работы. Вып.1Конструкции зданий и промышленных сооружений. Госстрой СССР.М,.Прейскурант изд.,1987-56 с. 7. СниП III-4-80.Техника безопасности в строительстве М.,Стройиздат,1980-255 с. 8.ГОСТ 21.508-85.Генеральные планы предприятий,сооружений и жилищно-гражданских объектов-М., издательство стандартов,1986. 9. ГОСТ 21.108-78.Система проектной документации для строительства. Условные графические изображения и обозначения на чертах генеральных планов и транспорта. 10. ГОСТ 2.306-78Обознгачения графических материалов и правила их нанесения на чертежи. 11. СниП 2.07.01-89.Градостроительство . Планировка и застройка городских территорий. М.,1989 12. СниП II-89-80.Нормы проектирования. Генеральные планы промышленных предприятий.М,1981. 13. СниП.2.01.02-85 Противооползневые нормы и правила. М.,1985 14. СниП 2.01-82 Строительные климатология и геофизика.М,1983 15. СниП 2.09.02-85 Промышленнеы здания. Госстрой СССро,м,, Стройиздат,86 16. СниП 2.09.04-87 Административные и бытовые здания, Госстрой СССР-М.ЦИТП, Госстроя СССР,1989-16 с. 17. СНиП II-26-76 Кровли. Госстрой СССР-М.,ЦИТП Госстроя СССР1989-16с 18. СНиП II‑3-79 Строительная техника. Госстрой СССР-М, ЦИТП Госстроя СССР,1986-32с. 19. СНиП IV-2-82 Приложения т1.,т2.Сборник элементарных сметных норм на строительные конструкции и работы.Госстрой СССр-М,Стройиздат,1985-208 20. СНиП IV-5-82 Приложение. Сборник единичных расценок на строительные конструкции и работы 21. Сб.1 Земляные работы ГосстройСССр,М,Недра.1982-111с. 22. СТ6 Бетонные, железобетонные конструкции монолитные.Госстрой СССР М,Стройиздат,1983-26 с. 23. Сб.7 Бетонные, железобетонные конструкции сборные.Госстрой СССР-М.,Стройиздат,1983-64 с. 24. Сб.8 Конструкции из кирпича и блоков.Госстрой СССР,М,1983-26 с. 25. Сб.9 Металлические конструкции. Госстрой СССР-М, Стройиздат,1983,16 с. 26. Сб.10 Деревянные конструкции.Госстрой СССР,М,Стройиздат,1983-32 с. 27. Сб.11 Полы.Госстрой СССР,-М. Стройиздат,1983-32 с. 28.Сб.12 Кровли. Госстрой СССР,-М,, Стройиздат 1983-32 с. 29. Сб.15 Отделочные работы. Госстрой СССР,-М, Стройиздат,1983-40с. |
|||||||||||||||||||||||||||||||||||||||||||||||||||||||||||||||||||||||||||||||||||||||||||||||||||||||||||||||||||||||||||||||||||||||||||||||||||||||||||||||||||||||||||||||||||||||||||||||||||||||||||||||||||||||||||||||||||||||||||||||||||||||||||||||||||||||||||||||||||||||||||||||||||||||||||||||||||||||||||||||||||||||||||||||||||||||||||||||||||||||||||||||||||||||||||||||||||||||||||||||||||||||||||||||||||||||||||||||||||||||||||||||||||||||||||||||||||||||||||||||||||||||||||||||||||||||||||||||||||||||||||||||||||||||||||||||||||||||||||||||||||||||||||||||||||||||||||||||||||||||||||||||||||||||||||||||||||||||||||||||||||||||||||||||||||||||||||||||||||||||||||||||||||||||||||||||||||||||||||||||||||||||||||||||||||||||||||||||||||||||||||||||||||||||||||||||||||||||||||||||||||||||||||||||||||||||||||||||||||||||||||||||||||||||||||||||||||||||||||||||||||||||||||||||||||||||||||||||||||||||||||||||||||||||||||||||||||||||||||||||||||||||||||||||||||||||||||||||||||||||








м.







,























кПа.




Q =0,986.
Q = 0,982.



