Доклад: Полупроводниковый преобразователь
|
Название: Полупроводниковый преобразователь Раздел: Рефераты по науке и технике Тип: доклад |
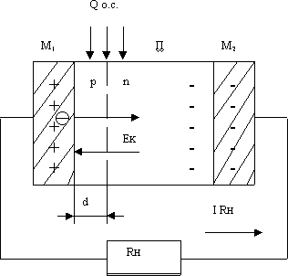
тепловой энергии окружающей среды в энергию постоянного электрического тока. Преобразователь представляет собой следующую принципиальную схему (см. рис. 1).
Рис.1. Принципиальная схема преобразователя. где: П – кристалл полупроводника (кремний n-типа); р-n – переход с контактным электрическим полем Ек; М1 – металлический контакт с р-областью (алюминий); М2 - металлический контакт с n-областью (алюминий); d – глубина залегания р-n перехода (не более 10 мКм); RH – сопротивление нагрузки внешней цепи. Принцип работы преобразователя заключается в следующем. Например, работа выхода электрона из полупроводника n-типа составляет 4,25 эВ, р-типа – 5,25 эВ, из алюминия – 4,25 эВ. Поэтому, контакт М2 с полупроводником n-типа является оммическим и не влияет на работу преобразователя, а контакт М1 с полупроводником р-типа является инжектирующим. Под действием сил теплового движения и в результате различия работ выхода, электроны из металлического контакта М1 будут инжектироваться в р-область полупроводника. Часть электронов рекомбинирует с дырками р-области кристалла, а остальная часть электронов будет перебрасываться электрическим полем р-n перехода Ек в n-область кристалла. При этом n-область полупроводникового кристалла и контакт М2 будут заряжаться отрицательно, а контакт М1 , из-за ухода из него электронов, - положительно, что в итоге приведет к возникновению разности электрических потенциалов между контактами М1 и М2 . Поток электронов из М1 в М2 будет иметь место до тех пор, пока возрастающее электрическое поле между контактами не вызовет встречный поток электронов из n-области в р-область кристалла из-за снижения потенциального барьера р-n перехода. Когда эти токи электронов сравняются, в изолированном кристалле установится электрическое и термодинамическое равновесие. При этом между контактами М1 и М2 установится разность потенциалов равная половине контактной разности потенциалов p-n перехода (в данном случае – 0,55В), что означает наличие между ними Э.Д.С. (холостого хода). Если замкнуть контакты М1 и М2 внешним металлическим проводником с сопротивлением RH, то электрическое и термодинамическое равновесие полупроводникового кристалла нарушится и в цепи нагрузки потечет электрический ток I RH. При этом p-n переход будет охлаждаться, т. к. энергия электронов переходящих из р-области в n-область полупроводника будет увеличина за счет внутренней (тепловой) энергии кристаллической решетки полупроводника. Для поддержания в цепи нагрузки постоянного по величине тока к нему необходимо подводить теплоту от окружающей среды – Qo.c. Автор Зерний Анатолий Николаевич |
