Лабораторная работа: Електричний розрахунок освітлювальних мереж
|
Название: Електричний розрахунок освітлювальних мереж Раздел: Рефераты по физике Тип: лабораторная работа | ||||||||||||||||||||||||||||||||||||||||||||||||||||||||||||||||||||||||||||||||||||||||||||||||||||||||||||||||||||||||||||||||||||||||||||||||||||||||||||||||||||||||||||||||||||||||||||||||||||||||||||||||||||||||||||||||||||||||||||||||||||||||||||||||||||||||||||||||||||||||||||||||||||||||||||||||||||||||||||||||||||||||||||||||||||
Курсова робота на тему: «Електричний розрахунок освітлювальних мереж» Завдання
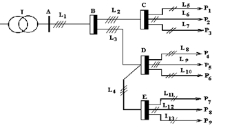
Рис. 1 Принципова електрична схема живлення мережі освітлення Розрахувати на мінімум провідникового матеріалу освітлювальну мережу, схема якої приведена на рис. 1, для чого: 1. Накреслити схему мережі і нанести на неї вихідні дані згідно свого варіанта. 2. Визначити допустиму утрату напруги в мережі. 3. Для кожної ділянки мережі розрахувати момент навантаження в 4. Визначити приведений момент навантаження для головної ділянки (А-В). 5. Розрахувати переріз кабелю головної ділянки. 6. Вибрати стандартну величину перерізу кабелю головної ділянки. 7. Розрахувати дійсну утрату напруги на головній ділянці по обраному перерізу і значенню моменту навантаження головної ділянки. 8. Визначити розрахункові утрати напруги для наступних ділянок по формулі: 9. Розрахувати переріз наступних ділянок ВС, BD, та DE по 10. Визначити фактичні утрати напруги на ділянках ВС, BD, та DE. 11. Визначити розрахункові утрати напруги для наступних ділянок за ВС, BD, та DE і розрахувати їхні перерізи і дійсні утрати напруги. 12. Перевірити всі вибрані перерізи по допустимому нагріванні і у випадку не виконання умови на якій-небудь із ділянок, збільшити його переріз і перерахувати наступну за даною ділянкою мережі по допустимій утраті напруги. 13. На розрахунковій схемі для кожної ділянки вказати переріз проводу чи кабелю і величину дійсних утрат. Напругу живлення прийняти рівною 380/220 В. Вихідні дані Таблиця 1 – Параметри трансформатора та мережі живлення
Таблиця 2 – Параметри групової мережі живлення
1. Допустима втрата напруги в мережі · формула для розрахунку:
· її складові:
Тоді: · втрати напруги в трансформаторі:
· допустимі втрати напруги в мережі:
2.
Для кожної ділянки мережі розраховуємо момент навантаження в Результати розрахунків зводимо в табл. 3. Таблиця 3 – Моменти навантаження
3. Приведений момент навантаження для головної ділянки (АВ):
Потрібний переріз жил кабеля головної ділянки:
4. Стандартна величина перерізу жил кабеля головної ділянки:
5. Дійсна втрата напруги на головній ділянці:
6. Розрахункові втрати напруги для наступних ділянок:
7. Переріз жил кабеля ділянок ВС, BD та DE : Ділянка ВС. Приведений момент навантаження:
Потрібний переріз жил кабеля:
Стандартна величина перерізу жил кабеля:
Дійсна втрата напруги:
Розрахункові втрати напруги для 1–3 ділянок:
Ділянка BD. Приведений момент навантаження:
Потрібний переріз жил кабеля:
Стандартна величина перерізу жил кабеля:
Дійсна втрата напруги:
Розрахункові втрати напруги для наступних ділянок:
Ділянка DE. Приведений момент навантаження:
Потрібний переріз жил кабелю:
Стандартна величина перерізу жил кабелю:
Дійсна втрата напруги:
Розрахункові втрати напруги для 7–9 ділянок:
9. Визначаємо розрахунковий Формула для розрахунку:
Результаті розрахунку зводимо в табл. 4. Таблиця 4 – Розрахунок перерізів жил провідників
10. Дійсна витрата напруги на 1–9 ділянках Формула для розрахунку:
Результати розрахунку зводимо в табл. 5, а отримані значення Таблиця 5 – Розрахунок дійсних втрат напруги в 1–9 ділянках
11. Розрахункові значення струмів окремих ділянок Для визначення розрахункових струмів окремих ділянок використовуємо формули: – для ділянок АВ, ВС, BD: – для ділянокDE, 4–6: – для ділянок 1–3, 7–9:
Результати розрахунків зводимо в табл. 6. Таблиця 6 – Розрахункові значення струмів окремих ділянок
12. Вибір виду провідника та перевірка вибраних перерізів провідників за допустимим нагріванням При виборі допустимих значень струмів використовуємо додатки В, Г, Д, Е. Результати вибору зводимо в табл. 7 та табл. 8.
Рис. 2 Принципова електрична схема мережі освітлення з вихідними даними та результатами розрахунків Таблиця 7 – Вибір провідників та допустимих значень струмів для ділянок АВ, ВС, BD, DE
Таблиця 8 – Вибір провідників та допустимих значень струмів для ділянок 1–9
Умова Висновок В даній розрахунково-графічній роботі розрахували на мінімум провідникового матеріалу освітлювальну мережу, схема якої була приведена на рис. 1. Визначили допустиму утрату напруги в мережі, що становить Визначили приведений момент навантаження для головної ділянки (А-В), що становить |
||||||||||||||||||||||||||||||||||||||||||||||||||||||||||||||||||||||||||||||||||||||||||||||||||||||||||||||||||||||||||||||||||||||||||||||||||||||||||||||||||||||||||||||||||||||||||||||||||||||||||||||||||||||||||||||||||||||||||||||||||||||||||||||||||||||||||||||||||||||||||||||||||||||||||||||||||||||||||||||||||||||||||||||||||||



