Реферат: Расчет приводной станции конвейера
|
Название: Расчет приводной станции конвейера Раздел: Рефераты по математике Тип: реферат | ||||||||||||||||||||||||||||||||||||||||||||||||||||||||
МИНИСТЕРСТВО ОБРАЗОВАНИЯ И НАУКИ РОССИЙСКОЙ ФЕДЕРАЦИИ Государственное образовательное учреждение высшего профессионального образования Московский государственный университет дизайна и технологии Новосибирский технологический институт Московского государственного университета дизайна т технологии (НТИ МГУДТ (филиал)) Кафедра механики и инженерной графики
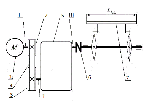
Дисциплина: Детали машин и основы конструирования Тема: Расчет приводной станции конвейера Обозначение: Исполнитель: Новосибирск – 2011Схема приводной станции представлена на рисунке 1.
1 – электродвигатель; 2 – ведущий шкив; 3 – ведомый шкив; 4 – клиновый ремень; 5 – цилиндрический редуктор; 6 – муфта; 7 – пластина. I – вал электродвигателя; II – входной вал редуктора; III – выходной вал редуктора. Рисунок 1 – Схема приводной станции
частота вращениявала электродвигателя nэ.д =1000х0,96об/мин; частота вращения вала приводного элемента nп.в. =21об/мин;
1.2 Определение расчетной мощности электродвигателя. 4 2 Определение кинематических и силовых характеристик на валах привода5 2.1 Определение общего передаточного отношения. 5 3 Определение мощности и крутящих моментов на валах приводной станции9 3.1 Характеристики на первом валу. 9 3.2 Характеристики на втором валу. 9 3.3 Характеристики на третьем валу. 10 4 Расчет клиноременной передачи. 10 Список использованных источников. 15 1 Подбор электродвигателя1.1 Определение КПДОбщий КПД привода вычисляется как произведение КПД отдельных передач, учитывающих потери во всех элементах кинематической цепи привода:
где h1 –КПД клиноремённой передачи, h1 =0,96; h2 – КПД цилиндрического редуктора, h2 =0,97; h3 – КПД соединительной упругой муфты, h3 =0,98; h4 – КПД пары подшипников, h4 =0,99.
1.2 Определение расчетной мощности электродвигателяРасчетная мощность на валу электродвигателя:
где 1.25 – коэффициент перегрузки;
Рр.
= 1.3 Выбор электродвигателяЭлектродвигатель выбираем из справочника по следующим критериям: – – Этому соответствует электродвигатель: электродвигатель АИР71В6/960 N=0,55кВт – типоразмер АИР71В6; – мощность электродвигателя – Р э.д =0,55 кВт ; – синхронная частота вращения вала электродвигателя – Схема электродвигателя представлена на рисунке 2.
Рисунок 2 - Схема электродвигателя 2 Определение кинематических и силовых характеристик на валах привода2.1 Определение общего передаточного отношения
где uo – общее передаточное число; io – общее передаточное отношение.
где
io =iр.п.· iред . (Ио=Ир.п .·Иред .) Ик.п. =1,2-4 Определение минимального и максимального передаточного отношения редуктора.
Цилиндрический редуктор выбираем из справочника по следующим критериям: 11,43≤И≤38,09 Этому соответствует двухступенчатый цилиндрический редуктор: – типоразмер – Ц2У-160; – крутящий момент – – передаточное число - По ГоСТ 20758-75
В результате чего выполнена разбивка передаточного отношения по степеням.
Рисунок 3 - Схема двухступенчатого цилиндрического редуктора
Рисунок 4 - Схема двухступенчатого цилиндрического редуктора 3 Определение мощности и крутящих моментов на валах приводной станцииНа валах приводной станции (рисунок 1) определяются следующие характеристики: – – – – – 3.1 Характеристики на первом валуХарактеристики на первом валу имеют следующие значения
Р1 =Рэ.д. = 0,55кВт
3.2 Характеристики на втором валуХарактеристики на втором валу имеют следующие значения
3.3 Характеристики на третьем валуХарактеристики на третьем валу имеют следующие значения
4 Расчет клиноременной передачиИсходя из передаваемой мощности Рэ.д =0,55 кВт рекомендуемые сечения ремней О и А. Схема клиноременной передачи представлена на рисунке 5.
Рисунок 5 – Схема клиноременной передачи Расчет приводной станции для обоих сечений и результаты сводятся в таблицу 1. Таблица 1 – Расчет клиноременной передачи
Окончательно выбираем клиноременную передачу с ремнями сечения А, потому что: 1) Нагрузка распространяется на три ремня равномерно; 2) Сцепление у трёх ремней будет больше из-за увеличения поверхности сцепления; 3) При порыве ремня дешевле заменить один ремень меньшего сечения.
Фактическая uКЛП =D2 /D1 =180/90=2 Расчетная uКЛП =1.82 Вычислим процент погрешности (2-1,82)/1,82=0,098%
Список использованных источников1. Андриенков Е.В., М.И. Семин, Г.И. ХаритоновОсновы деталей машин Учеб. Пособие для студ. Высш. Техн. Учебн. Заведений –М.: Гуманит. Изд. Центр Владос, 2003. – 208с.:ил. 2. Иванов М.Н. Детали машин: Учеб. Пособие для студентов втузов- М.: Высш.шко, 2000. – 383 с.: ил. 3. Анурьев В.И. Справочник конструктора-машиностроителя. В 3 т. Т. 1 / В.И. Анурьев. – М.: Машиностроение, 1979. – 728 с.
|
||||||||||||||||||||||||||||||||||||||||||||||||||||||||
КОНТРОЛЬНАЯ РАБОТА №1

Мощность на приводном валу (приводн.элементе) Рп.в
=0,35кВт;
Содержание



Схема цилиндрического редуктора представлена на рисунке 3.









Осевое сечение ведущего шкива представлено на рисунке 6.
