Курсовая работа: Увеличение электрической прочности ускоряющего промежутка электронного источника при наличии пучка
|
Название: Увеличение электрической прочности ускоряющего промежутка электронного источника при наличии пучка Раздел: Рефераты по физике Тип: курсовая работа | |||||||||||||||||||||||||||||||||||||
МИНИСТЕРСТВО ОБРАЗОВАНИЯ РОССИЙСКОЙ ФЕДЕРАЦИИ ТОМСКИЙ УНИВЕРСИТЕТ СИСТЕМ УПРАВЛЕНИЯ И РАДИОЭЛЕКТРОНИКИ (ТУСУР) Кафедра физики Увеличение электрической прочности ускоряющего промежутка электронного источника при наличии пучка Пояснительная записка к курсовому проекту по дисциплине “Общая физика” Студент ________ Руководитель проекта доц. каф. физики _______ АННОТАЦИЯ В данном курсовом проекте приводится математическая модель, описывающая изменение параметров ускоряющего промежутка плазменного источника электронов в присутствии электронного пучка. Расчеты, проведенные с использованием данной модели, показали, что модель дает хорошее согласие с экспериментальными данными. Поставленная задача решалась при помощи ЭВМ, с использованием программы MathCAD СОДЕРЖАНИЕ 1. Введение 4 2. Описание эксперимента и экспериментальной установки 6 3. Эффект возрастания электрической прочности ускоряющего промежутка в присутствии электронного пучка 8 4. Постановка задачи 11 5. Математическая модель 12 6. Расчёт и обработка результатов 17 7. Выводы 21 Список литературы 22 Приложение 1. Программа MathCAD 23 1. ВВЕДЕНИЕ В настоящее время в различных технологических процессах, таких как модификация поверхностных свойств конструкционных материалов, получение защитных покрытий, зажигание пучково-плазменного разряда для плазмохимической технологии используется электронные пучки в форвакуумном диапазоне давлений 10–100 мТорр. Для получения электронного пучка с требуемыми параметрами необходим надёжный и эффективный источник электронов, который мог бы генерировать электронный пучок при давлениях до 100 мТорр. Эта проблема может быть решена при помощи плазменных электронных источников, основанных на использовании газового разряда с “холодными” электродами. Основное преимущество систем с плазменным эмиттером по сравнению с термокатодами – возможность получать электронные пучки с требуемыми параметрами при сравнительно высоких (форвакуумный диапазон) давлениях рабочего газа. Использование пушек с термокатодом при высоких давлениях требует громоздких и дорогих систем дифференциальной откачки для разделения областей генерации и транспортировки электронного пучка. Источником электронов в пушке с плазменным катодом является плазма газового разряда. Зажечь газовый разряд при давлении газа около 100 мТорр не составляет технической проблемы. В то же время серьёзные сложности возникают на стадии извлечения электронов из плазмы и ускорения их до требуемых энергий. Основная трудность заключается в том, что приложение напряжения между ускоряющим электродом (экстрактором) и эмиссионным электродом – электродом, в котором сделаны эмиссионные отверстия (анодом), ведёт к зажиганию разряда между двумя этими электродами; а это, в свою очередь, ведет к срыву процесса генерации пучка. Возможный способ избежать появления этого “паразитного” разряда – исключить “длинные пути” между эмиссионным электродом и экстрактором, т.е. плоская геометрия ускоряющего промежутка используется с минимальным расстоянием эмиссионный электрод – экстрактор. Электрическая прочность ускоряющего промежутка в этом случае возрастёт согласно закону Пашена. В то же время, в литературе отсутствуют сведения о систематических исследованиях, посвящённых достижению предельной электрической прочности промежутка эмиссионный электрод – коллектор плазменной электронной пушки. Также, отсутствует информации об электронных пушках с плазменным катодом, которые могли бы генерировать постоянный электронный пучок с токами около 1А и энергией порядка нескольких кэВ на уровне давлений рабочего газа около 100 мТорр. 2. ОПИСАНИЕ ЭКСПЕРИМЕНТА И ЭКСПЕРИМЕНТАЛЬНОЙ УСТАНОВКИ При выборе конструкции электронной пушки были учтены требования простоты и надёжности, а также, стабильной работы источника электронов при обеспечении требуемых значений тока и энергии электронного пучка, в форвакуумном диапазоне давлений рабочего газа. Анализ существующих типов плазменных электронных источников показал, что наиболее подходящий тип разряда – это разряд с полым катодом, который наиболее подходит для требуемого диапазона давлений газа.
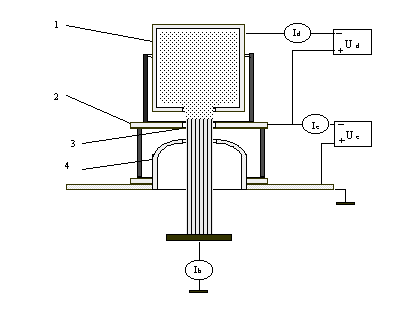
В настоящий момент разработаны три версии электронной пушки, каждая из которых является улучшенным типом предыдущей. Основные части электронной пушки следующие: полый катод – 1; плоский анод – 2 с эмиссионным отверстием – 3 диаметром 16 мм, перекрытым сеткой; экстрактор – 4. Анод и полый катод, длиной 100 и диаметром 50 мм, изготовлены из меди. Экстрактор сделан из нержавеющей стали. Рисунок 2.1. Конструкция макета источника электронов на основе полого катода и плоского анода. Первые версии электронной пушки имели воздушное охлаждение. Далее, из-за серьёзного увеличения разряда и тока пучка было использовано водяное охлаждение. Электрическое питание пушки обеспечивается двумя источниками: блоком питания разряда - 2А, 1 кВ – и 1А, 10 кВ – для питания ускоряющего промежутка. Диагностирующие устройства расположены в необходимых точках электрической схемы для измерения тока Id и напряжения Ud разряда, ускоряющего напряжения Ue , тока нагрузки высоковольтного источника – тока эмиссии Ie , тока изолированного коллектора электронов – тока электронного пучка Ib . Так как давление газа в анод–катодном промежутке, а также в области ускорения и транспортировки электронного пучка одинаково, газ заполняет весь объём рабочей камеры равномерно. 3. ЭФФЕКТ ВОЗРАСТАНИЯ ЭЛЕКТРИЧЕСКОЙ ПРОЧНОСТИ УСКОРЯЮЩЕГО ПРОМЕЖУТКА В ПРИСУТСТВИИ ЭЛЕКТРОННОГО ПУЧКА Основная идея используемая при создании данного форвакуумного плазменного источника электронов состоит в комбинации полого катода и плоского ускоряющего промежутка для генерации электронного пучка в форвакуумном диапазоне давлений. При разработке данной плазменной электронной пушки необходимо одновременно удовлетворить двум противоречивым требованиям. С одной стороны, достаточно высокая плотность тока может быть достигнута лишь в том случае, если реализованы условия для эффективной генерации плазмы, потому что полученная концентрация плазмы определяет плотность тока эмиссии. С другой стороны, электроны могут быть ускорены только при наличии достаточно высокой электрической прочности ускоряющего промежутка, что подразумевает относительно слабые ионизационные процессы. Хорошо известен факт, что появление заряженных частиц между двумя электродами приводит к снижению электрической прочности промежутка с последующем пробоем. При исследовании процессов в ускоряющем промежутке, сопровождающих работу пушки, было замечено, что электрическая прочность промежутка анод–экстрактор оказывается выше в присутствии электронного пучка, чем в отсутствии пучка. Этот факт находится в противоречии с теорией высоковольтного пробоя. Чтобы проиллюстрировать этот интересный феномен была исследована зависимость максимального извлекающего напряжения от давления рабочего газа в присутствии электронного пучка в промежутке анод-экстрактор и в отсутствии пучка. Результаты приведены на рис. 3.1.
Рисунок 3.1. График экспериментально установленной зависимости максимального извлекающего напряжения – напряжения пробоя ускоряющего промежутка (Uпр ) от давления рабочего газа (P) в трёх случаях: при отсутствии электронного пучка, при токе пучка 0.5А и при токе пучка 1А. Ожидалось, что присутствие электронного пучка в ускоряющем промежутке должно было снизить порог зажигания разряда между анодом и экстрактором. Однако, здесь мы получили противоположный результат. Эффект увеличения электрической прочности ускоряющего промежутка в присутствии электронного пучка связан, по всей видимости, с локальным нагревом газа электронным пучком в ускоряющем промежутке. Локальный нагрев газа ведёт к снижению его концентрации при постоянном давлении. Так как рабочие параметры ускоряющего промежутка в эксперименте соответствуют значениям соответствующих параметров левой ветви кривой Пашена, то снижение концентрации газа и уменьшение расстояния между электродами должны привести к увеличению электрической прочности ускоряющего промежутка. Для описания экспериментально обнаруженного эффекта увеличения электрической прочности ускоряющего промежутка предлагается следующая математическая модель процессов, приводящих к нагреву газа электронным пучком в ускоряющем промежутке плазменного источника электронов. 4. ПОСТАНОВКА ЗАДАЧИ – Исследовать механизм увеличения электрической прочности ускоряющего промежутка плазменного источника электронов с помощью предложенной математической модели. – Сравнить результаты, полученные с помощью данной модели, с экспериментальными и сделать вывод. 5. МАТЕМАТИЧЕСКАЯ МОДЕЛЬ Будем считать область в ускоряющем промежутке, где проходит электронный пучок, цилиндром с радиусом R. Предположим, что N – число электронов, проходящих через сечение пучка за единицу времени.
no – концентрация газа за пределами цилиндра; nb – концентрация газа в цилиндре; R – радиус эмиссионного отверстия в аноде; d – протяжённость промежутка Рисунок 5.1. Ускоряющий промежуток Тогда в слое dx на расстоянии x от границы плазмы рождается в единицу времени где N – поток электронов
Потенциальная энергия этих ионов, образующихся в ускоряющем промежутке, в результате ионизации газа электронным пучком:
где q – элементарный заряд j(x) – потенциал вдоль оси x Предположим, что электроны взаимодействуют с частицами газа посредством неупругих столкновений. В свою очередь, ионы, ускоренные в промежутке, отдают свою энергию нейтралам в упругих столкновениях. Эта энергия зависит от параметра p (прицельный параметр). Интегрирование по всем возможным p даёт, что Wp = <m>W Найдём <m>. Пусть равномерный поток частиц j, налетает на частицу радиусом d. В кольцо радиусом от r до r + dr попадает частиц
N = 2 p j dr В случае нецентрированного удара частиц одинаковой массы они обмениваются нормальными составляющими скоростей. V n = V cos a ; p = в sin a = r
Таким образом параметру r соответствуют
Тогда покоящаяся частица приобретёт скорость кинетическую энергию Таким образом, Усредняем лишь по тем частицам, которые испытали столкновение. Таких частиц j p в 2 .
Положим, что сечение взаимодействия иона с нейтралом не зависит от энергии иона. Тогда ионы, проходящие в ускоряющем промежутке путь x, совершают
где иона при столкновении с нейтралами во время движения к границе плазмы; li – длина свободного пробега иона газа в цилиндре. Тогда все ионы, рождающиеся в единицу времени в ускоряющем промежутке, отдают нейтралам энергию:
Будем считать электроды плоскими, в этом случае распределение потенциала вдоль оси x линейно:
Поток электронов q – элементарный заряд С учётом вышесказанного получим:
Чтобы найти концентрацию нейтралов и их температуру в пределах цилиндра радиуса R – nb , Tb – необходимо записать уравнения баланса частиц и энергий. Поток частиц из цилиндра Фout :
Поток частиц в цилиндр Фin :
где Sс = 2pR2 + 2pRd – площадь поверхности цилиндра; M – масса нейтрала; k – постоянная Больцмана; nb и n0 – концентрация нейтралов в цилиндре и за его пределами; Tb и T0 – температуры нейтралов в цилиндре и за его пределами. Если Фin = Фout , то из формул (5.2–5.3) получим:
Энергия, выносимая из цилиндра Wout :
Энергия, вносимая в цилиндр Win :
где E находится по формуле (5.1) Если Win = Wout , то, подставив в формулу (5.5) выражение (5.4), получим:
где Так как
Таким образом, при увеличении энергии ионов имеет место снижение концентрации нейтралов. В свою очередь, энергия ионов увеличивается за счёт роста тока пучка. Результаты модели в полной мере соответствуют зависимостям, полученным экспериментальным путем. Локальный нагрев газа электронным пучком ведёт к увеличению электрической прочности ускоряющего промежутка плазменного источника электронов в присутствии пучка в ускоряющем промежутке, в форвакуумном диапазоне давлений. 6. РАСЧЁТ И ОБРАБОТКА РЕЗУЛЬТАТОВ Исходные данные P = 60 ¸ 160 мТорр (давление газа вне пучка) T0 = 300 K (температура газа вне пучка) Ib = 0.1 ¸ 1 A (ток электронного пучка) R = 6 мм = 0.006 м (радиус эмиссионного отверстия анода) d = 5 мм = 0.005 м (расстояние между анодом и экстрактором) Рабочим газом является остаточная атмосфера воздуха. В качестве рабочих параметров примем параметры азота N2 . Для азота из [1]:
при P=1Торр и T=273K); M = 4.651×10-26 кг (масса молекулы азота) Будем считать, что lГ , li, le изменяются незначительно при изменении тока электронного пучка и напряжения на промежутке в указанных пределах, поэтому данные величины считаем постоянными. Для определения li и le воспользуемся формулами из [1]:
Экспериментально установлено, что электроны в пучке имеют энергию порядка 4 эВ, что соответствует температуре 46400К. Вычислим li и le для этой температуры и P = 0.1 Торр :
Для получения зависимости пробивного напряжения промежутка от концентрации нейтралов Uпр =f(nb ) воспользуемся экспериментальной кривой Uпр =f(P) для случая, когда электронного пучка нет. Тем самым мы учтём конструктивные особенности электродов. Таблица 6.1. Экспериментальная зависимость Uпр =f(P) при Ib = 0
Итак: т.е. пробивное напряжение зависит от концентрации нейтралов, которая, в свою очередь, зависит от напряжения на промежутке. Будем искать пробивное напряжение, решая систему этих уравнений для нескольких Ib и P (решение в MathCAD приведено в приложении 1). Таблица 6.2. Экспериментальные и расчётные результаты.
По данным таблицы 6.2 построим графики зависимости Uпр =f(P) для расчётных и экспериментальных данных.
Рисунок 6.1. График зависимости Uпр =f(P) при Ib = 0.5A
Рисунок 6.2. График зависимости Uпр =f(P) при Ib = 1A
Рисунок 6.3. График зависимости Uпр =f(P)ы 7. ВЫВОДЫ Таким образом, как показали расчеты, проведенные с использованием приведенной выше модели - при увеличении энергии обратного потока ионов, образующихся в ускоряющем промежутке плазменного источника электронов в результате ионизации газа электронным пучком, имеет место снижение концентрации нейтралов. В свою очередь, энергия ионов увеличивается по мере роста тока электронного пучка. Результаты модели находятся в хорошем согласии с зависимостями, полученными экспериментальным путем. Локальный нагрев газа электронным пучком ведёт к увеличению электрической прочности ускоряющего промежутка плазменного источника электронов в присутствии пучка в ускоряющем промежутке, в форвакуумном диапазоне давлений. СПИСОК ЛИТЕРАТУРЫ 1. Левитский С. М. “Сборник задач и расчётов по физической электронике”– Киев, изд-во Киевского университета, 1960 – с. 178 2. Гапонов В. И. “Электроника”, ч.1 – М.: Физматгиз, 1960 3. Крейндель Ю. Е. “Плазменные источники электронов”, 1977 ПРИЛОЖЕНИЕ 1
|
|||||||||||||||||||||||||||||||||||||






и соответствующую
.
; <m> = ?
– функция, учитывающая изменение энергии 
, где Ib – ток электронного пучка;
(5.1)
(5.2)
(5.3)
(5.4)
(5.5)
, (5.6)
, (5.7)
(5.8)
, или
если Pвыражено в Торр. (5.9)


