Курсовая работа: Розрахунок номіналів компонентів електронних схем
|
Название: Розрахунок номіналів компонентів електронних схем Раздел: Рефераты по коммуникации и связи Тип: курсовая работа | |||||||||||||||||||||||||||||||||||||||||||||||||||||||||||||||||||||||||||
Національний технічний університет України “КПІ” Кафедра Фізичної та біомедичної електроніки КУРСОВА РОБОТА з курсу Аналогова схемотехніка тема Розрахунок номіналів компонентів електронних схем Зміст 1. Підсилювальні каскади на біполярних транзисторах 1.3 Кінцеві схеми з вказаними номіналами елементів 2. Активні RC–фільтри нижніх частот 2.3 Кінцеві схеми з вказаними номіналами елементів 3.3 Кінцева схема з вказаними номіналами елементів Висновки 1. Підсилювальні каскади на біполярних транзисторах 1.1 Початкові дані
Рис 1.1 Підсилювальні каскади на біполярних транзисторах,,включені за схемою: а) з загальним емітером; б) з загальною базою Табл. 1
Для даних схем включення і у відповідності з номером варіанта був вибраний транзистор МП39. Це германієвий сплавний транзистор p-n-p типу. Призначений для використання в каскадах підсилення напруги проміжної та низької частоти, імпульсних та інших пристроях радіоелектронної апаратури широкого використання. Випускаються в металоскляному корпусі з гнучкими виводами.
Рис.1.1. Транзистор МП39 В таблиці 2 представлені основні характеристики вибраного транзистора. Табл. 2. Основні характеристики транзистора МП39
Табл.3. Гранично допустимі експлуатаційні дані транзистора МП39
1.2 Розрахунок параметрів для схеми з ЗЕ Транзистор обирається з вимоги забезпечення необхідної амплітуди вихідного сигналу
Вибираємо Опір резистора RK ОЭ , і допустима ємність конденсатора навантаження Cн.доп. обираються з умови
На сімействі вихідних характеристик транзистора побудуємо лінію навантаження по постійному струму і визначимо положення точки спокою (Uкэ A , Iк A , Iб A ) для режиму класа А. На сімействі вхідних характеристик транзистора по Iб A визначається напруга початкового зміщення Uбэ A .
Рис. 1.2 Сімейство вхідних характеристик транзистора МП39 схеми з ЗЕ (А - обрана робоча точка).
Рис. 1.3 Сімейство вихідних характеристик транзистора МП39 схеми з ЗЕ (А- обрана робоча точка). При заданих Е1 =-10 В маємо Uкэ A =- 5 В, Iк A = 20 мА, Iб A = 500 мкА, Iэ A = Iк A +Iб A =20,5 мА , Uбэ A =-0.27 В. Опір резисторів забезпечуючих початкове зміщення фіксованим струмом бази:
Емність розподільчих конденсаторів С1 , С2
1.3 Розрахунок параметрів для схеми з ЗБ Транзистор обирається з вимоги забезпечення необхідної амплітуди вихідного сигналу
Вибираємо Опір резистора
На сімействі вихідних характеристик транзистора побудуємо лінію навантаження по постійному струму і визначимо положення точки спокою (Uкб A , Iк A , Iэ A ) для режиму класа А. На сімействі вхідних характеристик транзистора по Iэ A визначається напруга початкового зміщення Uэб A .
Рис. 1.2 Сімейство вхідних характеристик транзистора МП39 схеми з ЗБ (В - обрана робоча точка).
Рис. 1.3 Сімейство вихідних характеристик транзистора МП39 схеми з ЗБ (В- обрана робоча точка). При заданих Е1 =-10 В і Е2 =-1 В маємо Uкб A =0 В, Iк A = 20 мА, Iэ A = 20 мА, Iб A = Iк A +Iэ A =40 мА , Uэб A =0.32 В. Опір резисторів забезпечуючих початкове зміщення фіксованим струмом бази :
Ємність розподільчих конденсаторів С1 , С2
2. Активні RC–фільтри нижніх частот 2.1 Початкові дані Частота зрізу Схеми фільтрів наведені на рис. 2.1 2.2 Методика розрахунку Параметри компонентів схеми для фільтрів нижніх частот 1–го порядку
Рис. 2.1. Схеми фільтрів нижніх частот: а – першого порядку; б – другого порядку.
Для фільтрів нижніх частот 2–го порядку
В якості операційного підсилювача можна взяти модель К140УД6. 2.3 Кінцеві схеми з вказаними номіналами елементів Схеми фільтрів першого та другого порядків наведені на рис. 2.2. 3.1 Теоретичні відомості Лінійні електронні осциляторні схеми, які генерують синусоїдальний вихідний сигнал, складаються з підсилювача і частотно-вибіркового елемента - фільтра. Схеми генераторів які використовують RC кола, комбінацію резисторів і конденсаторів, в їх частотно-вибіркових частинах називаються RC генераторами. 3.2 Початкові дані Частота генерації Вихідна напруга Схема генератора представлена на рис. 1.
Рис. 2.2 Схеми фільтрів нижніх частот с вказаними номіналами елементів: а – першого порядку; б – другого порядку.
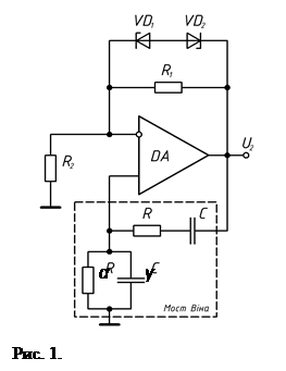
Генератор з мостом Віна. В схемі (рис. 1) RC–генератора використовується частотно–залежний позитивний зворотній зв'язок (міст Віна) і частотно–незалежний негативний зворотній зв'язок (НЗЗ) за допомогою резисторів Вибір та розрахунок допоміжних параметрів. Приймаємо
Обрана модель операційного підсилювача: К140УД6 Вхідний струм Різниця вхідних струмів Вхідний опір Напруга зміщення нуля Коефіцієнт підсилення напруги Коефіцієнт ослаблення синфазних вхідних напруг Частота одиничного підсилення Вихідний опір Максимальний вихідний струм Максимальна вихідна напруга Максимальна вхідна диференціальна напруга Напруга живлення Струм споживання Вибір стабілітрона:
таку напругу стабілізації має стабілітрон КС133Г. Розрахунок опорів та ємностей
Резистори
де Обираємо
При таких значеннях опорів вказані вище умови виконуються:
3.4 Кінцева схема з вказаними номіналами елементів Схема представлена на рис. 2.
Рис. 2 Висновки В даній курсовій роботі проведено розрахунок типових підсилювальних каскадів на біполярних транзисторах, активних RC–фільтрів нижніх частот та RC–генераторів. Розглянуто і обґрунтовано методику розрахунків. |
|||||||||||||||||||||||||||||||||||||||||||||||||||||||||||||||||||||||||||













, 
, 

,
,
,
.