Дипломная работа: Анализ алгоритма работы специализированного вычислителя
|
Название: Анализ алгоритма работы специализированного вычислителя Раздел: Рефераты по физике Тип: дипломная работа | |||||||||||||||||||||||||||||||||||||||||||||||||||||||||||||||||||||||||||||||||||||||||||||||||||||||||||||||||||||||||||||||||||||||||||||||||||||||||||||||||||||||||||||||||||||||||||||||||||||||||||||||||||||||||||||||||||||||||||||||||||||||||||||||||||||||||||||||||||||||||||||||||||||||||||||||||||||||||||||||||||||||||||||||||||||||||||||||||||||||||||||||||||||||||||||||||||||||||||||||||||||||||||||||||||||||||||||||||||||||||||||||||||||||||||||||||||||||||||||||||||||||||||||||||||||||||||||||||||||||||||||||||||||||||||||||||||||||||||||||||||||||||||||||||||||||||||||||||||||||||||||||||||||||||||||||||||||||||||||||||||||||||||||||||||||||||||||||||||||||||||||||||||||||||||||||||||||||||||||||||||||||||||||||||||||||||||||||||||||||||||||||||||||||||||||||||||||||||||||||||||||||||||||||||||||||||||||||||||||||||||||||||||||||||||||||||||||||||||||||||||||||||||||||||||||||||||||||||||||||||||||||||||||||||||||||||||||||||||||||||||||||||||||||||||||||||||||||||||||||
ДИПЛОМНАЯ РАБОТА НА ТЕМУ: Анализ алгоритма работы специализированного вычислителя ВВЕДЕНИЕ В настоящее время в развитии микроэлектроники, как в России, так и за рубежом прошел определенный этап, который позволил по иному посмотреть на проектирование современных радиотехнических приборов. Возросла сложность приборов, но заметно уменьшились их габариты, что отражает общее развитие микроэлектронной элементной базы. Одну из ведущих ролей стали играть процессорные технологии, широко применяется цифровая обработка. Современная система регистрации данных – это высокопроизводительный вычислитель, имеющий в своей основе процессор либо контроллер, накопитель информации большого объёма и высокоскоростные интерфейсы связи. При построении системы регистрации необходимо учитывать все современные тенденции развития микроэлектроники. В первую очередь это микросхемы энергонезависимой памяти большого объёма. Прогресс именно в этой области позволяет построить компактную либо встраиваемую систему регистрации. Последние доступные решения в области микроконтроллеров позволяют применять такие интерфейсы как USB. В качестве основного звена, позволяющего совместить различные по интерфейсам узлы, могут применяться программируемые логические матрицы. Одна такая микросхема заменит десятки дискретных элементов, тем самым резко сокращая размеры системы регистрации. При этом потребляемая мощность будет минимальна и появится гибкость при построении аппаратной части. 1. АНАЛИЗ ИСХОДНЫХ ДАННЫХ1.1 Анализ алгоритма работы специализированного вычислителя Основным требованием, которое должно соблюдаться при осуществлении сопряжения разрабатываемой системы регистрации входных сигналов и промежуточных результатов обработки сигналов со специализированным вычислителем, является обеспечение штатного функционирования специализированного вычислителя без существенного ухудшения его динамических характеристик (не более 3 %). В штатной работе специализированный вычислитель проводит измерения высоты и составляющих вектора путевой скорости с частотой 33 Гц. Цикл измерения разбит на два этапа: - излучение и обработка результатов высотомерного канала; - излучение и обработка результатов скоростного канала. На рисунке 1.1 приведена циклограмма функционирования специализированного вычислителя. Из рисунка 1.1 видно, что процесс подготовки пакета скоростного канала, его излучения распределен по трем циклам работы специализированного вычислителя, в то время как выдача массива в разрабатываемую систему осуществляется в каждом цикле. На циклограмме работы показаны моменты времени, в которые вычислитель готов передать блок информации, относящийся к данному измерению. Из этого следует, что цикл работы разрабатываемого блока от приема информации до момента готовности принять очередной блок данных должен быть меньше 30 мс. Такие исходные данные, как число импульсов в сеансе излучения, длительность излучения, период повторения импульсов, влияют на размер передаваемого блока информации. Передача информации из процессора 1879ВМ1 производится при помощи байтного скоростного интерфейса. Скорость передачи информации составляет до 20 Мб/с. Работа этого интерфейса замедляет процессор на (12,5 – 15) %. Оптимальное время передачи информации составляет не более 5 мс, что приведет к снижению быстродействия системы на 2,5 %. 1.2 Выбор перечня и объема регистрируемой информации Процессор ячейки АЦП-079-03, входящей в состав специализированного вычислителя, оперирует 32-х разрядными словами. Поэтому, данные, предназначенные для передачи от ячейки АЦП-079-03 к разрабатываемой системе регистрации данных, будут иметь минимальный размер, равный одному слову микропроцессора (32 бита). Пакет данных для записи передается в систему регистрации данных на каждом цикле работы специализированного вычислителя. Для реализации последующей обработки информации, полученной в ходе испытаний, необходимо разделить пакеты между собой. Для этого каждый пакет начинается с определенного кода, являющегося признаком начала пакета и номера пакета. Также имеет смысл записывать внутреннее системное время специализированного вычислителя. Таким образом, для однозначной идентификации записанного пакета данных необходимы три следующих параметра: - признак начала пакета данных. Для исключения случайного совпадения кода начала пакета с данными, признак начала пакета должен иметь размер равный двум словам микропроцессора (8байт); - номер пакета. Исходя из условий технического задания, система регистрации данных должна обеспечивать время записи до 1 часа. При частоте прихода пакетов 1/33мс максимальное количество принимаемых пакетов будет порядка 11000 что меньше максимального числа, которое можно задать при помощи 32-х разрядного двоичного кода. Следовательно, для номера пакета можно использовать 1 слово микропроцессора (4 байта); - системное время. Для передачи системного времени достаточно 1 слова микропроцессора (4 байта). Для полного анализа работы высотомера наряду с результатами обработки полученных данных необходимо также иметь априорные данные. Априорные данные вертикального канала приведены в таблице 1.1. Таблица 1.1 – Априорные данные вертикального канала.
Переменные, хранящие результаты обработки вертикального канала, приведены в таблице 1.2. Таблица 1.2 – Переменные, хранящие результаты обработки вертикального канала.
Переменные, хранящие априорные данные скоростного канала, приведены в таблице 1.3. Таблица 1.3 – Переменные, хранящие априорные данные скоростного канал.
Переменные, хранящие результаты обработки принятых данных по скоростному каналу, приведены в таблице 1.4. Таблица 1.4 – Переменные, хранящие результаты обработки принятых данных.
В итоге суммарный объем одного пакета информации получается равным 16 кбайт. В систему регистрации информации пакеты приходят с частотой 33 Гц, следовательно, за 1 час работы системы в нее придет 110 тыс. пакетов информации. Исходя из общего времени записи информации получается необходимый объем накопителя Vнак = 16 кбайт · 110 тыс. пакетов » 2Гб. Для повышения надежности хранения информации, применим запись информации с двойным резервированием, следовательно, необходимый объем накопителя увеличится в два раза и составит 4 Гб. 1.3 Анализ конструкции Разрабатываемая конструкция предназначена для сохранения в процессе натурных испытаний специализированного вычислителя информации. Блок должен быть совместим как механически, так и электрически с ячейкой специализированного вычислителя АЦП-079-03 и встраиваться в уже готовое изделие А-079, либо А-079-01. На рисунке 1.2 представлен эскиз ячейки специализированного вычислителя АЦП-079-03.
Рисунок 1.2 – Эскиз ячейки специализированного вычислителя АЦП-079-03 Ячейка АЦП-079-03 состоит из многослойной печатной платы размером 180´90 мм, шести фиксированных точек, через которые при помощи винтов осуществляется крепление ячейки, и двух сигнальных разъемов Х1 и Х2 – типа ESQT-130-02-G-Q-368 с направляющими ATS-30-Q. В таблицах 1.5 и 1.6 представлены контакты разъемов Х1, Х2 и соответствующие им сигналы. Таблица 1.5 – Разъем Х1
Таблица 1.6 – Разъем Х2
Электрическое соединение разрабатываемой системы с платой АЦП-079-03 будет осуществляться при помощи этих разъемов (Х1, Х2). Входными сигналами системы регистрации данных являются: - шины питания (может использоваться вся номенклатура питающих напряжений); - последовательный байтный порт микропроцессора LINK (LN0 – LN12). Исходя из анализа цепей в соединителях Х1 и Х2 получаем, что все требуемые сигналы находятся на разъеме Х2, следовательно разъем Х1 будет использоваться только для дублирования цепей корпуса и в качестве механического соединителя. В таблице 1.6 приведены контакты разъема Х2 разрабатываемой ячейки и сигналы соответствующие им, которые предполагается использовать для связи с ячейкой АЦП-079-03.
Эскиз системы в составе специализированного вычислителя представлен на рисунке 1.3.
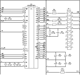
Рисунок 1.4 – Эскиз механического крепления системы в специализированном вычислителе. 2. РАЗРАБОТКА ФУНКЦИОНАЛЬНОЙ СХЕМЫ И ВЫБОР ЭЛЕМЕНТНОЙ БАЗЫ2.1 Описание функциональной схемы системы Для того чтобы выполнить данную задачу нам необходимо иметь следующие узлы: – узел приема информации из коммуникационного порта ввода/вывода микропроцессора 1879ВМ1; – блок обмена с последовательным портом; – блок обмена с буферной памятью; – скоростная буферная память; – блок согласования с микроконтроллером; – блок обмена с часами реального времени; – блок обмена с основным накопителем; – микроконтроллер; – накопитель. 2.1.1 Узел приема информации из коммуникационного порта ввода/вывода микропроцессора 1879ВМ1 Информация поступает с темпом 20 Мбайт/сек, т.е. период обновления информации 50 нс. В дальнейшем эту информацию необходимо сохранять в накопителе. Для обеспечения необходимого объема регистрируемой информации (8 Гб) в приемлемых геометрических размерах целесообразно применять твердотельные накопители на базе микросхем Flash или малогабаритные жесткие диски. Так как разрабатываемый блок будет использоваться в жестких климатических и механических условиях, в которых не могут работать жесткие диски, то будет использоваться твердотельный накопитель. Современные накопители большого объема на базе микросхем Flash памяти не способны обеспечить высокий темп записи, следовательно, нам необходима промежуточная скоростная память. Объем данной промежуточной памяти должен быть выше, чем единичный пакет информации, передаваемой за один обмен. Принятый пакет данных, сохраненный в промежуточной буферной памяти, необходимо переписать в основной накопитель до прихода следующей пачки информации (33 мс). Исходя из условий технического задания для управления нашей системой и обеспечения связи с ПК нам необходим микроконтроллер со встроенным USB-интерфейсом. Но микроконтроллер не сможет обеспечить достаточного быстродействия. Поэтому для перезаписи данных из промежуточной буферной памяти в основной накопитель необходимо использовать аппаратный автомат перезаписи данных, которым будет управлять микроконтроллер. Для синхронизации информации с разрабатываемого блока с другими приборами регистрации, а так же для привязки информации нам необходимы часы реального времени, они позволят регистрировать время прихода нового пакета информации от специализированного вычислителя. Тем самым мы показали необходимость пяти блоков: микроконтроллера, промежуточной буферной памяти, основного накопителя большого объема, автомата перезаписи данных из промежуточной буферной памяти в основной накопитель и часов реального времени. Для того, чтобы связать все узлы между собой необходимо согласовать интерфейсы. Для функции согласования нам необходимы узлы которые за это отвечают. На основе данных рассуждений мы получаем функциональную схему, приведенную на рисунке 2.1.
Рисунок 2.1 – Функциональная схема разрабатываемой системы 2.1.2 Блок обмена с последовательным портом Блок обмена с последовательным портом принимает информацию от специализированного вычислителя по коммуникационному порту ввода/вывода микропроцессора 1879ВМ1 и передает ее в блок обмена с промежуточной буферной памятью. Данный блок содержит следующие входные сигналы: – восьмиразрядную шину данных; – один сигнал – строб готовности данных; – один сигнал приема данных. Выходные сигналы блока: – шина адреса; – шина данных; – сигнал записи данных; – сигнал ответа для коммуникационного порта. Данный блок выполняет следующие функции: – принимает информацию ; – синхронизирует принятую информацию с тактовым генератором; – формирует сигнал ответа для коммуникационного порта ввода/ вывода микропроцессора 1879ВМ1 о том, что данные приняты, который необходим для функционирования интерфейса LINK; – ведет подсчет принятых байт информации для формирования сигнала окончания сеанса обмена со специализированным вычислителем; – формирует шину данных, шину адреса, сигнал записи для работы с промежуточной буферной памятью; – формирует сигнал окончания сеанса обмена. 2.1.3 Блок обмена с буферной памятью Данный блок служит для преобразования интерфейса скоростной буферной памяти и обеспечивает три следующих режима работы памяти: – запись принятой информации, поступающей от блока обмена с последовательным портом в скоростную буферную память; – предоставление доступа микроконтроллеру к скоростной буферной памяти; – предоставление автомату перезаписи доступа к скоростной буферной памяти для считывания полученных данных. В блок поступают сигналы: – от блока обмена по последовательному интерфейсу: 1) шина адреса; 2) шина данных; 3) сигнал записи; – от блока обмена микроконтроллера: 1) входная шина данных; 2) шина адреса; 3) сигналы чтения; 4) сигнал записи; 5) сигналы управления режимом работы блока; – от автомата перезаписи информации из буферной памяти в накопитель: 1) шина адреса; 2) сигнал чтения; – из блока выходят сигналы: 1) шина данных для автомата перезаписи и микроконтроллера; 2) шина адреса для буферной памяти; 3) двунаправленная шина данных для буферной памяти; 4) сигналы управления буферной памятью. 2.1.4 Скоростная буферная память Это обычная статическая память объёмом до 0,5 М со временем выборки до 25 нс и быстрее. Данный блок напрямую работает только с блоком обмена с буферной памятью (блок преобразования интерфейса). У неё имеется стандартный интерфейс: – шина адреса; – двунаправленная шина данных, и сигналы управления: – чтение(OE); – запись(WE); – выбор кристалла (CS). 2.1.5 Блок согласования с микроконтроллером Блок согласования с микроконтроллером необходим для согласования интерфейса микроконтроллера со всеми остальными функциональными узлами. Из управляющих сигналов микроконтроллера будут формироваться сигналы чтения и записи всех основных узлов. Так же данный блок осуществляет деление адресного пространства микроконтроллера. Логические функции возложенные на блок: – привязка сигналов интерфейса микроконтроллера к общей тактовой частоте; – формирование логики работы двунаправленной шины данных микроконтроллера; – согласование приема и передачи информации от микроконтроллера к внешним устройствам и обратно; – формирование непрерывного адресного пространства, в котором будут находится все функциональные узлы. Входные сигналы блока: - шина адреса от микроконтроллера; - двунаправленная шина данных от микроконтроллера; - сигнал чтения от микроконтроллера; - сигнал записи от микроконтроллера; - шина данных от блока обмена с промежуточной буферной памятью; - шина данных от блока обмена с основным накопителем; - шина данных от блока обмена с часами реального времени. Выходные сигналы блока: - сигналы управления режимом работы блока обмена с промежуточной буферной памятью; - сигналы управления режимом работы блока обмена с накопителем; - сигналы управления автоматом перезаписи; - шина адреса микроконтроллера; - шина данных микроконтроллера; - сигнал чтения от микроконтроллера; - сигнал записи от микроконтроллера. Последние четыре сигнала (шина адреса, шина данных, сигнал чтения и сигнал записи) являются глобальными сигналами системы и соединяются со всеми внешними устройствами (промежуточная буферная память, основной накопитель, часы реального времени) через блоки преобразования интерфейса. 2.1.6 Блок обмена с часами реального времениДанных блок согласует внутренний интерфейс передачи и приема информации от микроконтроллера с последовательным интерфейсом часов реального времени. Входные сигналы блока: - шина данных от блока обмена с микроконтроллером; - шина адреса от блока обмена с микроконтроллером; - сигнал записи от блока обмена с микроконтроллером; - сигнал чтения от блока обмена с микроконтроллером; - входные сигналы от часов реального времени. Выходные сигналы блока: - шины данных (времени) для блока обмена с микроконтроллером; - выходные сигналы от часов реального времени. 2.1.7 Блок обмена с основным накопителем Блок обмена с основным накопителем согласует интерфейсы накопителя и внутреннего интерфейса передачи информации. Блок формирует работу накопителя в специализированных режимах работы: – передача информации из скоростной буферной памятив накопитель без участия микроконтроллера; – предоставление микроконтроллеру доступа к ячейкам накопителя. Входные сигналы блока: - шины адреса от блока обмена с микроконтроллером и автомата перезаписи данных; - шина данных от блока обмена с микроконтроллером и автомата перезаписи данных; - сигналы управления режимом работы от блока обмена с микроконтроллером; - сигнал чтения от блока обмена с микроконтроллером; - сигналы записи от блока обмена с микроконтроллером и автомата перезаписи данных; - входные сигналы от микросхем накопителя большого объема. Выходные сигналы блока обмена: - выходная шина данных для блока обмена с микроконтроллером; - выходные сигналы для микросхем накопителя. 2.1.8 Микроконтроллер Микроконтроллер является основным управляющим узлом данной системы. Он осуществляет общее управление работой разрабатываемого блока и обеспечивает связь с ПК по средствам USB интерфейса. В данной системе микроконтроллер напрямую взаимодействует только с блоком обмена с микроконтроллером. Входные сигналы блока: - двунаправленная шина данных; - USB. Выходные сигналы блока: - шина адреса; - сигнал чтения; - сигнал записи; - двунаправленная шина данных; - USB. 2.1.9 Накопитель Накопитель представляет собой набор микросхем Flash памяти большого объема. Данный блок напрямую взаимодействует только с блоком обмена с накопителем. Входные сигналы блока: - сигнал выборки; - сигнал записи; - сигнал чтения; - шина адреса; - двунаправленная шина данных. Выходные сигналы блока: - сигнал «Свободен/Занят»; - двунаправленная шина данных. Дальнейшая проработка функциональных узлов блока возможна при выбранной элементной базе, которая позволит более детально определить режимы работы всей системы. 2.2 Выбор элементной базы Для реализации функциональной схемы проведем выбор элементной базы. На выбор элементов влияет множество факторов вот некоторые из них: – доступность технической информации о элементах; – доступность самих элементов в продаже в России; – возможность применения элемента при заданных внешних условиях; – масса – габаритные характеристики элементов; – электрические параметры и характеристики. Сложность узлов, описанных в функциональной схеме, заставляет переходить на элементы высокой степени интеграции, применять импортную элементную базу. Ниже представлены элементы и их характеристики, на которых остановился наш предварительный выбор. Основным вычислителем и управляющим звеном блока является микроконтроллер. Так же необходимо чтобы он совмещал в себе функции контроллера USB интерфейса, необходимый для взаимодействия с персональным компьютером. На сегодняшний день существует целый ряд микроконтроллеров разных фирм производителей, которые удовлетворяют этим условиям. Один из наиболее известных производителей микроконтроллеров – ATMEL и микроконтроллеры серии АТ89. Это недорогие микроконтроллеры с известным ядром 8051. Реализация схемы требует минимум дополнительной привязки. Немаловажно и наличие бесплатного ассемблера, компилятора языка С, программатора и драйверов для Windows/Linux. Удобная возможность программирования процессора не по SPI, а «напрямую» по USB каналу. В данной серии есть несколько микроконтроллеров с интерфейсом USB, остановимся на АТ89С5131. В состав данного микроконтроллера входят: – 32 Кбайт встроенной флэш-памяти с внутрисхемным программированием через USB или UART интерфейсы; – 4 Кбайт EEPROMдля загрузочного сектора (3 Кбайт) и данных (1 Кбайт); – 1 Кбайт встроенного расширенного ОЗУ; – USB 1.1 и USB 2.0 FS модуль с прерыванием на завершение передачи. Микроконтроллер AT89C5131 содержит специальный аппаратный модуль, который позволяет ему обеспечить обмен данными по USB интерфейсу. Структурная схема USB модуля микроконтроллера АТ89С5131 приведена на рисунке 2.2. Для работы данного модуля необходимы опорные синхроимпульсы с частотой 48 МГц, которые вырабатываются контроллером синхронизации. Эти синхроимпульсы используются для формирования 12 МГц тактовых импульсов из принятого дифференциального потока данных на высокой скорости, соответствующей требованиям к USB устройствам.
Рисунок 2.2 – Структурная схема USB модуля микроконтроллера АТ89С5131 Микросхема RTC4543 является микросхемой часов реального времени. Данная микросхема имеет способность сохранять данные в очень широком диапазоне напряжений, кроме того, в неактивном режиме имеет крайне малое энергопотребление, что позволяет применять для поддержания их работоспособности батареи малых габаритов. Микросхема часов обладает следующими характеристиками: – точность работы часов (макс.) – 1 мин/мес. при температуре 25 °С; – температурный рабочий диапазон – от минус 40 до +85 °С; – время доступа к данным памяти – от 70 нс; – напряжение питания – от 2,5 до 5,5 В; – коррекция хода календаря на 100 лет; – автоматическая коррекция високосного года. В качестве скоростной буферной памяти будет использована микросхема IDT71V424S15YI, которая представляет собой высокоскоростное статическое ОЗУ организованное 512 к × 8 бит. Она произведена по фирменной высокопроизводительной и очень надежной технологии фирмы Integrated Device Technology (IDT). В неактивном режиме имеет низкое энергопотребление. Основные характеристики микросхемы: – минимальная длительность сигнала записи – 15 нс; – время выборки адреса – не более 12 нс; – напряжение питания 3,3 В; – время перехода в активный/неактивный режим – 6 нс; – температурный диапазон хранения данных – от минус 55 до +125 °С. Цифровая часть системы выполнена на базе ПЛИС. Это удобная в освоении и применении элементная база, альтернативы которой в данном случае не существует. Последние годы характеризуются резким ростом плотности упаковки элементов на кристалле и резким падением цен на ПЛИС, что позволило широко применять ПЛИС в системах обработки сигналов. Высокое быстродействие и упаковка на кристалле достаточного объёма памяти однозначно определили выбор ПЛИС. В разработанной системе применена микросхема ПЛИС EPF10K30AQI240-3 фирмы AlteraCorporation семейства FLEX 10KA. Такой выбор обусловлен тем, что семейство FLEX10KA является наиболее доступным. Только это семейство имеет градацию скорости 3, которая удовлетворяет необходимым требованиям. Выбранная ПЛИС имеет 6 встроенных блоков памяти емкостью 2048 бит, корпус TQFP-240 коммерческого исполнения. Напряжение питания микросхемы EPF10K30AQI240-3 составляет +3,3 В. Данная микросхема обеспечивает достаточное быстродействие и обладают необходимым для системы регистрации данных объемом встроенных блоков памяти ЕАВ. Микросхемы EPF10K30AQI240-3 поддерживает программирование и реконфигурирование в системе, это означает, что программирование проходит в составе системы без использования программатора на смонтированной плате, причем программирование ПЛИС или конфигурационного ПЗУ может производиться многократно. Программирование производится по стандартному JTAG интерфейсу (используется стандарт IEEEStd. 1149.1-1990). Для программирования и загрузки конфигурации ПЛИС используется кабель ByteBlasterMV. Так как выбранная микросхема ПЛИС выполнена по технологии SRAM, требующей загрузки конфигурации при включении питания, в системе необходимо использовать конфигурационное ПЗУ. В качестве конфигурационного ПЗУ была выбрана микросхема EPC2TI32, которая, так же как и ПЛИС, поддерживает программирование в системе по стандарту JTAG. Основной накопитель выполнен на базе микросхемы ФЛЭШ K9K49G08U0M емкостью 4 Гбит с резервом емкостью 128 Мбит организованы как 512 М × 8 бит. Технология И-НЕ обеспечивает наилучшее соотношение «цена-качество» на рынке полупроводниковых запоминающих устройств. Операция записи страницы объемом 2112 байт может быть выполнена за 200 мкс. Операция стирания блока объемом 128 Кбайт может быть выполнена за 2 мс. Данные со страницы данных могут быть прочитаны циклами по 30 нс на байт. Выводы I/O служат как двунаправленный порт для ввода команд, адреса и ввода/вывода данных. Внутренний контроллер записи автоматизирует все функции записи и стирания, включая частоту повторения импульсов там, где это необходимо, а также внутреннюю верификацию и ограничение данных. Даже интенсивно записывающие системы могут воспользоваться преимуществами расширенной достоверности 100 Kциклов записи/стирания K9K4G08U0M, обеспечивая ЕСС (код исправления ошибок) по алгоритму отображения в реальном времени. Микросхемы K9K4G08U0M являются оптимальным решением для применения в разрабатываемой системе регистрации данных в качестве твердотельного накопителя большого объема памяти. Микросхема K9K4G08U0M – это память объемом 4224 Мбит, организованная как 262144 строки (страницы) по 2112×8 столбцов. Запасные 64 столбца находятся по адресам начатая с 2048 по 2111. 2112-ти байтовый регистр данных и 2112-ти байтовый кэш-регистр последовательно соединен с остальными. Эти последовательно соединенные регистры соединены с массивом ячеек памяти, для согласования передачи данных между I/O буферами и ячейками памяти при операции чтения или записи страницы. Массив памяти складывается из 32-х ячеек, последовательно соединенных для формирования И-НЕ структуры. Каждая из 32 ячеек находятся на различных страницах. Блок состоит из 2 строк с И-НЕ структурой. И-НЕ структура состоит из 32 ячеек. Всего в блоке 1081344 И-НЕ ячеек. Операции чтения и записи выполняются постранично, тогда, как операция стирания выполняется поблочно. Массив памяти состоит из 4096 отдельно стираемых блоков объемом 128 Кбайт. Структура микросхемы K9K4G08U0M приведена на рисунке 2.3.
Рисунок 2.3 – Структура микросхемы K9K4G08U0M Адрес K9K4G08U0M мультиплексирован на 8 выводов (таблица 2.1). Такая схема существенно уменьшает число выводов и допускает дальнейшее повышение плотности с сохранением согласованности на системной плате. Команды, адрес и данные записываются через входы/выходы переводом WE в низкий уровень при низком уровне на входе СЕ. Данные сохраняются по фронту сигнала WE. Сигналы разрешение записи команды (CLE) и разрешение записи команды адреса (ALE) используются для мультиплексирования команд и адреса соответственно из приходящих на входы/выходы данных. Некоторые команды требуют одного шинного цикла, например, команда сброса, команда чтения состояния и т.д. Для других команд, таких как чтение страницы, стирание блока и запись страницы, необходимо 2 цикла: один на установку и другой – на исполнение команды. 512 Мбайт физического объема требуют 30-разрядного адреса, таким образом, необходимо 5 циклов записи адреса: 2 цикла для адресации по столбцам (Column) и 3 цикла для адресации по строкам (Row). Таблица 2.1– Адресация микросхемы K9K4G08U0M
Для операции чтения и записи страницы так же необходимы 5 циклов записи адреса, следующие за нужной командой. Однако для операции стирания блока требуется всего 3 цикла записи адреса (адрес страницы). Операции с устройством выбираются записью специальных команд в командный регистр (таблица 2.2). Таблица 2.2 – Список команд микросхемы K9K4G08U0M
* Произвольный ввод/вывод данных возможен в пределах 1 страницы. Ускорить запись данных можно при помощи кэш-регистра объемом 2112 байт. Запись в кэш-регистр может быть произведена во время перезаписи данных из регистра данных в ячейки памяти (во время программирования). После окончания программирования, при наличии данных в кэш регистре, внутренний контроллер микросхемы перепишет данные из кэш-регистра в регистр данных и начнет запись новой страницы. Устройство реализует функцию автоматического чтения при включении питания, которая обеспечивает последовательный доступ к данным первой страницы после включения питания без ввода команды и адреса. В дополнение к расширенной архитектуре и интерфейсу устройство включает функцию резервного копирования данных с одной страницы на другую без использования внешней буферной памяти. Т.к. трудоемкие циклы последовательного доступа и ввода данных исключены, то производительность системы для применения в полупроводниковых дисках значительно улучшена. Устройство может содержать недопустимые блоки при первом использовании. Во время использования микросхемы количество недопустимых блоков может возрасти. Недопустимые блоки – это блоки, которые содержат 1 или более изначально неработоспособных битов, надежность которых не гарантируется компанией Samsung. Устройства с недопустимыми блоками имеют тот же уровень качества и те же динамические и статические характеристики, как и устройства без таких блоков. Недопустимые блоки не влияют на работу нормальных блоков, потому что они изолированы от разрядной шины и общей шины питания транзистором выбора. Система спроектирована таким образом, что у недопустимых блоков блокируются адреса. Соответственно, к некорректным битам попросту нет доступа. Первый блок, помещаемый в 00-й адрес, должен использоваться для хранения загрузочной информации. SAMSUNG уверяет, что он будет гарантированно допустимым, не требующим исправления ошибок в течение 1 Кциклов записи/чтения. Изначально содержимое всех ячеек микросхемы стерто (FFh), за исключением ячеек, где хранится информация о недопустимых блоках, записанная до этого. Допустимость блока определяется 1-ым байтом запасного пространства. Samsung уверяет, что 1 или 2 страница каждого недопустимого блока по адресу столбца 2048 содержит данные, отличающиеся от FFh. Так как информация о недопустимых блоках является стираемой, то в большинстве случаев стирания ее невозможно восстановить. Поэтому, в системе должен быть заложен алгоритм, способный создать таблицу недопустимых блоков, защищённую от стирания и основанную на первоначальной информации о бракованных блоках. Любое намеренное стирание информации о недопустимых блоках запрещено. Следовательно есть вероятность выхода из строя блоков микросхемы во время эксплуатации системы, что может привести к потере информации. Для повышения надежности хранения информации следует увеличить объем основного накопитель в два раза до 8 Гб. 3. РАЗРАБОТКА ПРИНЦИПИАЛЬНОЙ ЭЛЕКТРИЧЕСКОЙ СХЕМЫ В процессе разработки ПЭС необходимо сопоставить узлам функциональной схемы их электрические эквиваленты. Разделим процесс разработки принципиальной схемы системы на пять этапов: – микросхема ПЛИС со схемой загрузки; – микроконтроллер AT89C5131 и USB интерфейс; – микросхема часов реального времени и ее питание; – накопитель, повышение быстродействия его работы; – быстрая промежуточная память. 3.1 Микросхема ПЛИС со схемой загрузкиПри реализации функциональных блоков в ПЛИС процесс разработки ПЭС сводится к выделению необходимых внешних линий связи и формирования цепей загрузки ПЛИС. В таблице 3.1 приведены внешние связи, сгруппированные по функциональному признаку, которые будут подключены к пользовательским выводам ПЛИС.Таблица 3.1 – Перечень необходимых пользовательских контактов микросхемы ПЛИС
Для обеспечения конфигурирования ПЛИС совместим две стандартные схемы конфигурирования, рекомендованные фирмой производителем (ALTERA). Первая схема конфигурации (JTAG-цепочка) позволяет независимо загружать прошивку в конфигурационную микросхему и ПЛИС. Она используется на этапе настройки, проверки и конфигурирования загрузочной памяти. Вторая цепочка (режим пассивной последовательной конфигурации) используется в штатной работе ячейки. При включении питания при ее помощи информация из конфигурационной микросхемы переписывается в ПЛИС. Элементы D1, D2 образуют JTAG-цепочку, организованную для загрузки элементов в системе. Кроме того JTAG, являясь стандартом периферийного сканирования, позволяет осуществлять проверку (верификацию) загруженной конфигурации ПЛИС и конфигурационного ПЗУ. Схема включения данных элементов подчиняется схеме функционирования JTAG-цепочки /3/ (рисунок 3.1).
Рисунок 3.1 – Схема функционирования JTAG-цепочки Все резисторы схемы функционирования JTAG-цепочки выбраны номиналом 1 кОм, согласно рекомендации фирмы ALTERA. На рисунке 3.2 представлена схема для пассивной последовательной конфигурации.
Рисунок 3.2 – Схема для пассивной последовательной конфигурации Все резисторы схемы для пассивной последовательной конфигурации (рисунок 3.2) выбраны номиналом 1 кОм, согласно рекомендации фирмы ALTERA. Характеристики выводов конфигурирования приведены в таблице 3.2. Таблица 3.2 – Перечень характеристик выводов конфигурирования микросхемы ПЛИС
3.2 Контроллер обмена с USB каналом При построении ПЭС нам необходимо решить три задачи: – режим работы с внешней памятью, при этом часть двунаправленных портов ввода вывода становятся шинами адреса, шинами данных и сигналами управления. Данный режим нам необходим для согласования микроконтроллера с внешними устройствами; – необходимо согласовать контроллер с USB интерфейсом; – для управляющего контроллера необходимо обеспечить загрузку программы во внутреннюю Flash-память. Для обеспечения второго и третьего перечислений необходимо применить стандартные решения, предложенные разработчиком. Для этого воспользуемся схемой, предложенной в /1/ и представленной на рисунке 3.3. Так же по третьему перечислению необходимо отметить, что внутри контроллера существует два загрузчика: пользовательский и аппаратный (HBL, HadwareBootLoader). Пользовательский загрузчик позволяет запускать программы, записанные в память микроконтроллера, а аппаратный позволяет осуществить запись самой программы. В данной схеме перевести контроллер в режим программирования (записи программы) можно выполнив следующую последовательность действий: – отключить прибор от USB-шины, разомкнув перемычку Р2 (линия VREF); – удерживая кнопки К3 (линия RESET) и К2 (линия PSEN) подключить прибор к USB-шине, замкнув перемычку Р2; – отпустить кнопку К3; – отпустить кнопку К2. На базе схемы приведенной на рисунке 3.3 получаем схему включения контроллера представленную на рисунке 3.4. В данной схеме шина адреса, шина данных и управляющие сигналы, необходимые для работы микроконтроллера с внешними устройствами соединены с ПЛИС, а перевод контроллера в режим загрузки осуществляется при помощи переключателя S21.
Рисунок 3.3 – Типовая схема включения контроллера
Рисунок 3.4 – Схема соединения для микроконтроллера AT89C5131 3.3 Микросхема часов реального времени и их питание Схема включения микросхемы часов реального времени приведена на рисунке 3.5. Особенностью данной схемы является параллельное включение четырех конденсаторов большой емкости (1 Ф) в цепь питания микросхемы. Эти конденсаторы выполняют роль аккумулятора.
Рисунок 3.5 – Эквивалентная схема питания часов реального времени в автономном режиме работы Аккумулятор предназначен для обеспечения питания микросхемы часов реального времени при отсутствии общего питания. Это необходимо при проведении автономных летных испытаний для того чтобы обеспечить бесперебойную работу часов до момента окончательной проверки изделия и начала испытания (включения прибора). Временная диаграмма заряда/разряда конденсаторной батареи приведена на рисунке 3.6.
Рисунок 3.6 – Временная диаграмма заряда/разряда конденсаторной батареи При этом время заряда Тзаряда можно оценить как Тзаряда = 3 · t, (3.1) где t = R · C, (3.2) а время разряда Тразряда как
где ΔU = (4,5–2,5) B; I = 10 мА – ток разряда, с учетом утечек через диод и выводы микросхем; С = 4 Ф – емкость аккумуляторов. 3.4 Компоновка банков накопителя Накопитель организован на 16 микросхемах ФЛЭШ-памяти K9K49G08U0M, которые разделим на четыре банка, по четыре микросхемы в каждом банке (рисунок 3.7). Это сделано для того чтобы иметь возможность устранить времена простоя (занятости) накопителя при циклах записи. Все 16 микросхем имеют общую шину данных, сигналы записи, чтения, записи команд и адреса. Выборка между микросхемами осуществляется сигналом Выбора микросхемы (СЕ). Сигналы R/B (свободен/занят) микросхем, объединенных в банк, соединены, следовательно для анализа контроллеру доступно четыре сигнала свободен/занят (R/B) определяющие занятость банков.
Рисунок 3.7 – Структура накопителя Такое построение накопителя с одной стороны позволяет производить непрерывную запись в него, а с другой стороны оптимизирует число линий связи необходимое для его обслуживания. 3.5 Быстрая промежуточная память Скоростная буферная память организована на микросхеме быстродействующего ОЗУ IDT71V424S15YI. Она имеет организацию 512к×8, и позволяет производить запись с периодом 15 нс. Микросхема всеми сигнальными выводами подключена к ПЛИС, так как имеет связи только с ее внутренними узлами. 3.6 Исходные данные на проектирование разрабатываемой системы При разработке конструкции необходимо применить многослойный стеклотекстолит. Габаритные размеры, места креплений, расположение разъёмов ESQT аналогично ячейке АЦП-079-03. Контакты всех разъёмов не должны измениться. Фильтрующие конденсаторы располагать вблизи выводов микросхем потребителей. В схеме применена программируемая логическая матрица фирмы ALTERA. Выводы элемента IDT71V424S пригодные для перестановки приведены в таблице 3.3. Выводы разделены на две независимые группы. Данная перестановка применима только для этого проекта. Таблица 3.3 – Выводы элемента IDT71V424S
Данная система регистрации данных должна обеспечивать 2 варианта подключения: – первый вариант в составе ИВК-079-03; – второй вариант в составе независимого блока БСИ совместно с ячейкой БСИ-2. Разъёмы Х3, Х4 расположить на краю ячейки. Расположение элементов необходимо согласовать с отделом 210. 4. РАЗРАБОТКА АЛГОРИТМА РАБОТЫ СИСТЕМЫ Алгоритм работы системы регистрации данных во многом будет зависеть от структуры накопителя (рисунок 3.7). Как было сказано в п. 3.4, накопитель состоит из четырех банков, в каждом банке по четыре микросхемы. Следовательно, в системе присутствует четыре независимых накопителя объемом 2 Гб каждый, что дает возможность производить параллельную запись в четыре банка. Для обслуживания накопителя такого большого объема необходимо иметь дополнительную служебную информацию о хранящихся данных: 1) так как система регистрации данных может хранить несколько записей испытаний (от начала записи данных до отключения питания), то необходимо иметь таблицу записей, хранящую адреса границ записи испытаний. Данная таблица будет храниться в отдельной (служебной) области накопителя. Таблица записей данных необходима для облегчения работы с накопителем. Она позволяет определить свободное пространство в накопителе, в которое может производиться новая запись; 2) так как накопитель содержит недопустимые блоки, то необходимо хранить таблицу размещения этих блоков. Эта таблица будет также храниться в служебной области накопителя; 3) для выделения отдельных пакетов из записи испытаний необходимо иметь определенный формат записи данных. Структура микросхем Flash-памяти, примененных в качестве накопителя, во многом определила формат записи данных. Запись в микросхему К09ХХХХХХХ производится «постранично», т.е. минимальным элементом, с которым будет производиться работа (запись и чтение, но не стирание), является «страница». «Страница» состоит из 2112 байт, разделенных на две зоны: – 2048 байт – основной массив, который будет использоваться для хранения принятых данных; – 64 байта – дополнительный массив, который будет использоваться для хранения служебной информации. В запасном массиве каждой страницы накопителя хранится информация о принятой посылке (таблица 4.1). Таблица 4.1 – Информация о файле, хранящаяся в дополнительном массиве
Таким образом пакет данных, принятый от ячейки АЦП-079-03, будет делиться на 2-х килобайтные блоки и сохраняться в четырех банках накопителя параллельно. Учитывая перечисленные выше требования по работе с основным накопителем можно приступить к разработке алгоритма работы системы регистрации данных. Так как основным управляющим звеном системы регистрации данных является микроконтроллер, то алгоритм работы всей системы будет определяться алгоритмом работы микроконтроллера. Общий алгоритм работы системы регистрации данных приведен на рисунке 4.1.
Рисунок 4.1 – Общий алгоритм работы системы регистрации данных Система регистрации данных будет функционировать в двух основных режимах: – режим записи данных; – режим обмена с ПК. На рисунке 4.2 приведен общий алгоритм работы системы регистрации данных в режиме записи. В этом режиме контроллер осуществляет формирование «записей испытаний», прием данных и запись принятых данных. При включении питания контроллер считывает таблицу записей. Если она заполнена, то контроллер устанавливает соответствующий флаг и выходит из режима записи данных. Если таблица записей не заполнена, то контроллер начинает поиск конца записи испытания. Если найденный конец записи уже занесен в таблицу записей, то ее обновление не происходит, иначе в таблицу записей дописывается найденный конец записи. После чего вычисляется адрес начала новой записи с учетом недопустимых блоков, запускается прием данных через Link и начинается запись принимаемых данных в основной накопитель.
Рисунок 4.2 – Алгоритм работы системы регистрации данных в режиме записи Запись данных происходит параллельно в четыре банка. Перед началом записи нового блока (64 страницы) каждой микросхемы контроллер проверяет этот блок на допустимость для записи. Если блок допустим, контроллер начинает запись блока. В противном случае микроконтроллер переходит на следующий блок и производит повторную проверку. Запись данных прекращается при заполнении накопителя, либо при выключении питания. На рисунке 4.3 приведен общий алгоритм работы системы регистрации данных в режиме обмена с персональным компьютером. В режиме работы с персональным компьютером контроллер постоянно смотрит принятые данные и в зависимости от принятой команды выполняет одну из 6 задач. Задача 1. Чтение таблицы файлов. Контроллер читает таблицу файлов и передает ее в персональный компьютер. Задача 2. Перейти в режим работы без персонального компьютера. Контроллер выходит из режима 2. Задача 3. Поиск конца файла. Контроллер ищет конец файла и передает его в персональный компьютер. Задача 4. Установка часов. Контроллер получает от персонального компьютера текущее время в двоично-десятичной системе исчисления и прописывает его в часы (через ПЛИС). Задача 5. Стирание Flash. Контроллер стирает накопитель параллельно 4 банка начиная с первого блока (40h), т.е. стирает данные и таблицу файлов оставляя информацию о недопустимых блоках которая хранится в 0 блоке каждой микросхемы. Задача 6. Чтение файла. Контроллер получает от персонального компьютера адрес начала файла и адрес конца файла. После этого контроллер ищет первый допустимый блок и начинает читать данные, передавая их в персональный компьютер параллельно с четырех банков по одной странице.
5. ЭКОНОМИЧЕСКИЕ РАСЧЕТЫ В данной части проекта произведем экономический расчет себестоимости встраиваемой системы регистрации входных сигналов и промежуточных результатов обработки сигналов для специализированного вычислителя. Данная система представляет собой новый, сложный прибор с большими функциональными возможностями. Разработка новой техники и освоение её производства есть сложный многогранный процесс, трудоемкость и продолжительность которого зависит от многих факторов. Главным из них является сложность, новизна и область применения разрабатываемой техники, уровень квалификации и творческий потенциал исполнителей, участвующих в разработке, уровень развития сложных областей, в частности тех, которые обеспечивают радиопромышленность современной элементной базой и материалами. Себестоимость продукции также является одним из важных факторов, характеризующих эффективность работы предприятия. В ней находят отражения качественные изменения в технике, технологии, организации труда и производства. Планирование себестоимости необходимо для выявления наиболее эффективных направлений капитальных вложений; определения оптимальных вариантов специализации производства на предприятии и внедрения новой техники; установления экономически оправданных границ повышения качества продукции. 5.1 Расчет прямых расходов на производство системы 5.1.1 Расчет затрат на сырье и материалы Потребность в сырье и материалах рассчитывается в натуральном и стоимостном выражении. Материальные затраты состоят из затрат на основные и вспомогательные материалы, а также на покупные детали и полуфабрикаты. Обобщенная формула затрат на сырье и материалы выглядит следующим образом:
где Цм – цена единицы данного вида материальных ресурсов; Нр.м – норма расхода материала; Цо – цена отходов; Но – норма отходов. При изготовлении системы отходы малы, поэтому примем Ho = 0. Тогда формула (8.1) будет иметь вид:
В таблице 5.1 приведен расчет затрат на необходимые сырье и материалы, которые используются для изготовления системы регистрации данных. Таблица 5.1 – Расчет потребности в материалах
5.1.2 Расчет затрат на комплектующие системы и полуфабрикаты (покупные) Расчет затрат определяется по формуле:
где КД – количество покупных деталей на одну систему; ЦД – цена одной покупной детали данного вида. В таблице 5.2 приведен расчет затрат на покупные изделия. Таблица 5.2 – Расчет потребности в покупных изделиях
5.1.3 Расчет заработной платы производственных рабочих В статье «Расходы на оплату труда» отражаются затраты на оплату труда основного производственного персонала. К производственному персоналу относятся работники, непосредственно занятые в изготовлении данного изделия. Фонд заработной платы рабочих делится на основную и дополнительную зарплату. В основную зарплату включается оплата за отработанное время у повременщиков и выпущенную продукцию у сдельщиков. В дополнительную зарплату включается оплата за неотработанное время и некоторые единовременные поощрительные выплаты. Организация заработной платы инженерно-технических работников осуществляется по схеме штатно-должностных окладов, которые представляют собой группировки должностей по уровню оплаты в зависимости от сложности, объема работы и условий труда. Расчет производится по ставкам единой тарифной сетки (ЕТС) для бюджетных организаций. Сумма основной заработной платы вычисляется из следующей формулы
где ЧТС – часовая тарифная ставка; Т – трудоемкость, час. Приведем основные этапы научно-исследовательской работы и основную заработную плату за конкретный вид работ в таблице 5.3. Таблица 5.3 – Расчет основной заработной платы
Основная заработная плата с учетом районного коэффициента:
где РК = 0,15 – районный коэффициент. Тогда Дополнительная зарплата производственных работников составляет 11,1 % от основной заработной платы.
5 .1.4 Единый социальный налог Величина единого социального налога устанавливается в процентах к заработной плате и составляет 26,2 % от основных и дополнительных расходов на оплату труда в соответствии с налоговым кодексом РФ часть II, глава 24 и письмом Министерства РФ по налогам и сборам № БГ-6-12/774 от 03.10.2000 г., (Постановлением правительства РФ № 184 от 02.03.2000 г., страховое свидетельство ФСС РФ № 6605570779 от 09.10.2002 г.). 5.1.5 Расчет затрат на электроэнергию Для расчета затрат на электроэнергию необходимо для каждой единицы используемого электрооборудования рассчитать затраты на электроэнергию, исходя из каждого прибора, количества часов работы и стоимости одного киловатт-часа электроэнергии. Зэл = Кi · Рi · С · КЧРi , (5.6) где Зэл – затраты на электроэнергию, руб.; Кi – количество единиц i-го оборудования, шт.; Рi – потребляемая мощность i-го оборудования, кВт; С – стоимость одного киловатт-часа электроэнергии (1,05 руб.); КЧРi – количество часов работы i-го оборудования, час. Потребляемая мощность приборов взята из технической документации на соответствующий прибор. Результат расчета занесем в таблицу 5.4. Таблица 5.4 –Результаты расчета затрат на электроэнергию
5 .1.6 Амортизационные отчисления В виду малого использования оборудования при разработке и изготовлении прибора, амортизационные отчисления малы. Поэтому включим их в прочие затраты. 5.1.7 Накладные расходы Это затраты, которые не могут быть отнесены непосредственно на конкретные виды изделий. К ним относятся налоги, сборы, платежи (включая платежи по обязательным видам страхования), отчисления в страховые фонды (резервы) и другие обязательные отчисления, производимые в соответствии с установленным законодательством порядком. Также вознаграждения за изобретения и рационализаторские предложения, плата сторонним организациям за пожарную и сторожевую охрану, на гарантийный ремонт и обслуживание, оплата услуг связи, и другие затраты, входящие в состав себестоимости продукции, но не относящиеся к перечисленным элементам затрат. Накладные расходы по предприятию установлены в размере 224,8 % от основной заработной платы труда. На основании приведенных расчетов составим калькуляцию себестоимости, приведенную в таблице 5.5. Таблица 5.5 – Калькуляция себестоимости продукции
Разработанная встраиваемая система регистрации входных сигналов и промежуточных результатов обработки сигналов для специализированного вычислителя предназначена для внутреннего использования в отделе, как вспомогательный прибор для анализа работы специализированного вычислителя. В отделе уже существует аналогичная система представляющая собой независимый прибор КЗ-511. Сравнивая разработанную систему с существующим прибором КЗ-511 можно отменить, что разрабатываемая система имеет более лучшие технические характеристики: больший объем сохраняемой информации, малая потребляемая мощность, сокращение габаритных размеров и существенно отличается по необходимым затратам, связанным с производством системы: – себестоимость прибора КЗ-511 составляет 185229,28 руб; – себестоимость разработанной встраиваемой системы регистрации входных сигналов и промежуточных результатов обработки сигналов для специализированного вычислителя составляет 102240,25 руб. ЗАКЛЮЧЕНИЕ В результате работы над дипломным проектом была разработана встраиваемая система регистрации входных сигналов и промежуточных результатов обработки сигналов для специализированного вычислителя. В процессе проектирования был произведен анализ технического задания, выбор схемы электрической функциональной, на основании которой была разработана схема электрическая принципиальная. Сформированы исходные данные на разработку конструкции. Разработан алгоритм работы системы. Произведен расчет себестоимости устройства управления и отражены вопросы, относящиеся к безопасности и экологичности проекта. Анализ технического задания и расчетов, проведенных в процессе дипломного проектирования, приводит к следующим заключениям. Разработанное устройство отвечает всем требованиям, указанным в техническом задании на дипломное проектирование. На данный момент система регистрации проходила автономные испытания, испытания в приборах А-079 и А-079-01, а так же участвовала в летных испытаниях прибора А-079. СПИСОК ИСПОЛЬЗУЕМЫХ ИСТОЧНИКОВ 1 Агуров П.В. Интерфейсы USB. Практика использования и программирования. – СПб.: ГХВ-Петербург, 2004. – 576 с. 2 Стешенко В.Б. ПЛИС фирмы «Altera»: элементная база, система проектирования и языки описания аппаратуры. – М.: Издательский дом «Додека – XXI», 2002. – 576 с. 3 Altera Documentation Library: Data Sheet. «FLEX 10K, Embeddeb Programmable Logic Device Famili», 2003.9, p.128. 4 Altera Documentation Library: Application Note 75. «High-Speed Board Designs», 2003.9, p.18. 5 ГОСТ 12.0.003-74.ССБТ. Опасные и вредные производственные факторы. 6 ГОСТ 12.1.019-79 ССБТ Электробезопасность. Общие требования. 7 ГОСТ 12.1.030-84.ССБТ. Защитное заземление. Зануление. 8 ГОСТ 12.1 070-75. Основные надписи. 9 ГОСТ 12.2.007-75.ССБТ. Изделия электротехнические. Общие требования безопасности. 10 ГОСТ 12.2.032-78.ССБТ. Рабочее место при выполнении работ сидя. Общие эргономические требования. 11 ГОСТ 12.2.049-80.ССБТ. Оборудование производственное. Общие эргономические требования. 12 ГОСТ 12.4.009-85.ССБТ. Пожарная техника для защиты объектов. Общие требования. 13 ГОСТ 18977-79 Комплексы бортового оборудования самолетов и вертолетов. Типы функциональных связей. Виды и уровни экспериментальных сигналов. 14 РТМ 1495-75 Руководящий технический материал авиационной техники. Обмен информацией двухпорлярным кодом в оборудовании летательных аппаратов. 15 НБП 105-03 Определение категорий помещений, зданий и наружных установок по взрывопожарной и пожарной опасности. 16 СН 2152-80 Санитарно-гигиенические нормы допустимых уровней ионизации воздуха производственных общественных помещений. 17 СНиП 2.01.02-85. Противопожарные нормы и правила. 18 СНиП 23-05-95 Естественное и искусственное освещение. 19 СНиП 952-75 Санитарные правила процесса пайки мелких деталей сплавами содержащие свинец. 20 СанПиН 2.2.2.542-96 Гигиенические требования к видеодисплейным терминалам ПЭВМ, организации работы. 21 СанПиН 2.2.4.548-96 Гигиенические требования к микроклимату производственных помещений. 22 НБП 110-96 Противопожарные сигнализации. 23 ГГ Р 2.2.755-99 Гигиенические требования к освещенности на рабочих местах лабораторных помещений. 24 СНиП 2.04.05-91 Вентиляция в производственных помещений. 25 Конфигурирование ПЛИС Altera со статической памятью конфигурации. Санкт-Петербург, ГУАП квафедра РТС, 2003 г., 118 с. 26 Гук М. Аппаратные средства IBMPC. Энциклопедия, 2-е изд. – СПб.: Питер, 2003. – 928 с. 27 ГОСТ 2.105-95 ЕСКД. Общие требования к текстовой документации 28 Положение о составе затрат по производству и реализации продукции, включаемых в себестоимость продукции, и порядке формирования результатов, учитываемых при налогообложении прибыли. |
|||||||||||||||||||||||||||||||||||||||||||||||||||||||||||||||||||||||||||||||||||||||||||||||||||||||||||||||||||||||||||||||||||||||||||||||||||||||||||||||||||||||||||||||||||||||||||||||||||||||||||||||||||||||||||||||||||||||||||||||||||||||||||||||||||||||||||||||||||||||||||||||||||||||||||||||||||||||||||||||||||||||||||||||||||||||||||||||||||||||||||||||||||||||||||||||||||||||||||||||||||||||||||||||||||||||||||||||||||||||||||||||||||||||||||||||||||||||||||||||||||||||||||||||||||||||||||||||||||||||||||||||||||||||||||||||||||||||||||||||||||||||||||||||||||||||||||||||||||||||||||||||||||||||||||||||||||||||||||||||||||||||||||||||||||||||||||||||||||||||||||||||||||||||||||||||||||||||||||||||||||||||||||||||||||||||||||||||||||||||||||||||||||||||||||||||||||||||||||||||||||||||||||||||||||||||||||||||||||||||||||||||||||||||||||||||||||||||||||||||||||||||||||||||||||||||||||||||||||||||||||||||||||||||||||||||||||||||||||||||||||||||||||||||||||||||||||||||||||||||

Так как разрабатываемая ячейка будет использоваться в составе специализированного вычислителя необходимо обеспечить дополнительное механическое крепление. Следовательно нужно обеспечить совместимость системы регистрации данных и ячейки АЦП-079-03 по местам механического крепления. Для осуществления механического крепления ячеек в составе изделия необходимо использовать крепеж (болты, домкраты) большей длинны. 










