Курсовая работа: Синтез комбінаційної схеми та проектування керуючого автомата Мура
|
Название: Синтез комбінаційної схеми та проектування керуючого автомата Мура Раздел: Рефераты по информатике Тип: курсовая работа | ||||||||||||||||||||||||||||||||||||||||||||||||||||||||||||||||||||||||||||||||||||||||||||||||||||||||||||||||||||||||||||||||||||||||||||||||||||||||||||||||||||||||||||||||||||||||||||||||||||||||||||||||||||||||||||||||||||||||||||||||||||||||||||||||||||||||||||||||||||||||||||||||||||||||||||||||||||||||||||||||||||||||||||||
Міністерство освіти і науки УкраїниОдеський національний політехнічний університетКафедра інформаційних системКурсова робота з дисципліни “Схемотехніка еом” Виконав: студент гр. Керівник: Загальна оцінка______________ Одеса 2002 Анотація Курсовий проект з дисципліни “Схемотехніка ЕОМ” являє собою засіб перевірення накопичених теоретичних знань та їх застосування з метою набуття практичних навичок в даній галузі. Ця робота включає синтез комбінаційної схеми для булевої функції п’яти змінних та проектування керуючих автоматів Мілі і Мура, заданих граф-схемою. Побудова автоматів ведеться з урахуванням реальної серії елементів, тому має і практичне значення з можливістю використання отриманого результату у промислових цілях. Міністерство освіти і науки України Одеський національний політехнічний університет Інститут комп’ютерних систем Кафедра інформаційних систем Завдання до курсової роботи з дисципліни “Схемотехніка ЕОМ” студента гр. АІ-001 Ткаченко І.О. Тема: “Синтез комбінаційної схеми та проектування керуючого автомата Мура”. 1. Вхідні дані до проекту: 1.1 Булева функція п’яти змінних. 1.2 Граф-схема керуючих автоматів Мілі і Мура. 2. Склад розрахунково-пояснювальної записки: 2.1 Синтез комбінаційної схеми для булевої функції. 2.2 Проектування автоматів. 3. Графічний матеріал: 3.1 1 – граф - схема керуючого автомата (А3). 3.2 2 – граф - схема керуючого автомата (А3). 3.3 Лист 3 – принципова схема автомата Мура (А1). 3.4 Лист 4 – комбінаційна схема (А4). Дата видачі завдання: “____” . “____” . 2002 Дата захисту роботи: “____” . “____” . 2002 Керівник: Ніколенко А.О. Прийняв до виконання: Ткаченко І.О. Зміст Завдання на розробку Зміст Синтез комбінаційної схеми Розрахування значень Мінімізація БФ Комбінаційна схема Проектування автоматів Вибір завдання Автомат Мура Автомат Мілі Заключення Перелік літератури 1 Синтез комбінаційної схеми 1.1 Визначення значень БФ Булева функція 5 змінних F(x1,x2,x3,x4,x5) задається своїми значеннями, які визначаються 7-разрядовими двійковими еквівалентами чисел: по значенню чисел А (на наборах 0-6), В (на наборах 7-13), С (набори 14-20), по значенню (А+В+С) (набори 21-27) і на наборах 28-31 функції приймає невизначені значення. А=13 еквівалентно 4910 =1100012 . Проставляємо символ невизначеного значення Х110001. В=07 еквівалентно 1010 =10102 . Проставляємо символ невизначеного значення ХХХ1010. С=21 еквівалентно 2310 =101112 . Проставляємо символ невизначеного значення XХ10111. А+В+С=41 еквівалентно 7210 =10010002 . Відповідно, значення функцій F(x1,x2,x3,x4,x5) на наборах від 0 до 31 буде мати вигляд: Таблиця 1
1.2 М інімізація БФ Отримуємо МДНФ і МКНФ булевой функції за допомогою метода карт Карно. Схеми карт Карно приведені нижче: Таблиця 2 Карта Карно до МДНФ.
В результаті мінімізації, отримаємо: _ _ _ _ _ _ _ _ _ _ _ _ _
Таблиця 3 Карта Карно до МКНФ
В результаті мінімізації, отримаємо: _ _ _ _ _ _ _ _ _ _ y=(X1 +X2 +X4 +X5 )(X1 +X3 +X4 +X5 )(X1 +X3 +X4 +X5 )(X1 +X2 +X4 )(X1 +X3 +X4 ) _ _ (X1 +X3 +X5 ) 1.3 Опис мінімізації БФ заданими методами ДлявиборумінімальноїзМДНФіМКНФоцінимоскладністьсхемизадопомогоюцінипоКвайну. Ціна по Квайну визначається як сумарне число входів логічних елементів у складі схеми. Такий підхід обумовлений тим, що - складність схеми легко обчислюється по БФ, на основі яких будується схема: для ДНФ складність дорівнює сумі кількості літер, (літері зі знаком відповідає ціна 2), і кількість знаків диз’юнкції, збільшеного на 1 для кожного диз’юнктивного виразу. - усі класичні методи мінімізації БФ забезпечують мінімальність схемі саме у змісті ціни по Квайну. Схема с мінімальною ціною по Квайну часто реалізується з найменшим числом конструктивних елементів – корпусів інтегральних мікросхем. Для даних функцій ми маємо: Cкв (МДНФ)=19+6+5=30; Cкв (МКНФ)=21+6+5=32. Так як мінімальною ціною є Cкв (МКНФ), то для реалізації схеми будемо використовувати МДНФ. 1.4 Приведення БФ до заданого базису Заданий базис: 3 І-НІ. Приведемо вираз до заданого базису: _ _ _ _ _ _ _ _ _ _ _ _ _
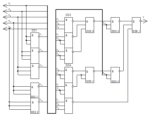
=X3 (X1 X4* X4 X5* X1 X2 X4 )* X5 (X2 X4* X1 X4 )* X1 X3 X4 Для реалізації функції по останьому виразу необхідно 16 елементів 3І-НІ (Рис.1). Ранг даної схеми дорівнює 4, що негативно відображається на швидкості. Використав факторний алгоритм можливо покращити схему, збільшити швидкість його роботи. Рис. 1 Функціональна схема для заданого базису
2. Проектування автоматів 2.1 Вибір завдання Граф-схеми алгоритмів обираються кожним студентом в індивідуальному порядку. Вона складається з чотирьох блоків: E, F, G, H. Студенти обирають граф-схему із п’яти блоків з номерами 0...4 на підставі чисел А, В, С та (А+В+С) за наступними правилами: - блок "Е" – схема під номером (А) mod 5 = 13mod 5 = 3; - блок "F" – схема під номером (В) mod 5 = 7mod 5 = 2; - блок "G" – схема під номером (С) mod 5 = 21mod 5 = 1; - блок "H" – схема під номером (А+В+С) mod 5 = 41mod 5 = 1. Розташування обирається з використанням номера групи. Тип тригера знаходимо по таблиці на підставі числа (А) mod 3 = 13mod 3 = 1.
Отримуємо D-тригер для автомата Мілі та JK-тригер для Мура. Для парних номерів за списком (21) - серія КР555. Після відповідної розмітки будуємо таблиці переходів для обох автоматів. 2.2 Автомат Мура: Будуємо таблицю переходів для автомата Мура. Кодування станів виконуємо за еврістичним алгоритмом. Для цього будуємо матрицю Т. ║T║ = i │ j │ P(i,j) 1 │ 2 │ 1 1 │ 24│ 1 1 │ 25│ 1 2 │ 4 │ 1 2 │ 6 │ 1 2 │ 7 │ 1 3 │ 5 │ 1 3 │ 6 │ 1 3 │ 7 │ 1 3 │ 13 │ 1 3 │ 14 │ 1 4 │ 6 │ 1 4 │ 7 │ 1 5 │ 6 │ 1 5 │ 7 │ 2 6 │ 8 │ 1 6 │ 9 │ 1 7 │ 8 │ 1 8 │ 10 │ 1 9 │ 11 │ 1 10│ 11 │ 1 10│ 13 │ 1 10│ 14 │ 1 11│ 12 │ 1 11│ 13 │ 1 12│ 15 │ 1 13│ 15 │ 1 15│ 17 │ 1 15│ 19 │ 1 15│ 20 │ 1 16│ 19 │ 1 16│ 20 │ 2 16│ 22 │ 2 16│ 26 │ 1 17│ 18 │ 1 18│ 21 │ 1 19│ 21 │ 1 20│ 22 │ 1 21│ 23 │ 1 21│ 25 │ 1 21│ 26 │ 1 22│ 25 │ 1 22│ 26 │ 2 23│ 24 │ 1 Підкрашуємо вагу всіх компонентів всіх пар P(1) = 3 P(2) = 4 P(3) = 5 P(4) = 3 P(5) = 3 P(6) = 6 P(7) = 5 P(8) = 3 P(9) = 2 P(10) = 4 P(11) = 4 P(12) = 2 P(13) = 4 P(14) = 2 P(15) = 5 P(16) = 4 P(17) = 2 P(18) = 2 P(19) = 3 P(20) = 3 P(21) = 5 P(22) = 4 P(23) = 2 P(24) = 2 P(25) = 3 P(26) = 3 Далі згідно правил алгоритму будуємо матрицю М ║M║ = i │ j │ P(i,j) 5 │ 7 │ 2 3 │ 7 │ 1 3 │ 6 │ 1 2 │ 6 │ 1 2 │ 7 │ 1 3 │ 13 │ 1 4 │ 6 │ 1 5 │ 6 │ 1 6 │ 8 │ 1 13 │ 15 │ 1 3 │ 5 │ 1 4 │ 7 │ 1 6 │ 9 │ 1 7 │ 8 │ 1 10 │ 13 │ 1 10 │ 11 │ 1 11 │ 13 │ 1 15 │ 19 │ 1 15 │ 20 │ 1 16 │ 20 │ 2 16 │ 22 │ 2 22 │ 26 │ 2 19 │ 21 │ 1 21 │ 25 │ 1 21 │ 26 │ 1 1 │ 2 │ 1 2 │ 4 │ 1 3 │ 14 │ 1 8 │ 10 │ 1 12 │ 15 │ 1 15 │ 17 │ 1 16 │ 19 │ 1 16 │ 26 │ 1 18 │ 21 │ 1 20 │ 22 │ 1 21 │ 23 │ 1 22 │ 25 │ 1 1 │ 25 │ 1 9 │ 11 │ 1 10 │ 14 │ 1 11 │ 12 │ 1 1 │ 24 │ 1 17 │ 18 │ 1 23 │ 24 │ 1 Визначемо розрядність кода для кодування станів автомата R = ] log2 N [ = ] log2 26 [ = 5 Результати кодування: a1 10101 a2 00101 a3 00010 a4 00111 a5 00000 a6 00011 a7 00001 a8 01011 a9 10011 a10 01010 a11 11010 a12 11110 a13 10010 a14 01000 a15 10110 a16 00100 a17 10111 a18 11111 a19 10100 a20 00110 a21 11101 a22 01100 a23 11001 a24 10001 a25 11100 a26 01101 Підрахунок ефективності кодування: Кількість перемикань тригерів: W = E P(i,j)*d(i,j) = P(1,2)*d(1,2) + P(1,24)*d(1,24) + P(1,25)*d(1,25) + P(2,4)*d(2,4) + P(2,6)*d(2,6) + P(2,7)*d(2,7) + P(3,5)*d(3,5) + P(3,6)*d(3,6) + P(3,7)*d(3,7) + P(3,13)*d(3,13) + P(3,14)*d(3,14) + P(4,6)*d(4,6) + P(4,7)*d(4,7) + P(5,6)*d(5,6) + P(5,7)*d(5,7) + P(6,8)*d(6,8) + P(6,9)*d(6,9) + P(7,8)*d(7,8) + P(8,10)*d(8,10) + P(9,11)*d(9,11) + P(10,11)*d(10,11) + P(10,13)*d(10,13) + P(10,14)*d(10,14) + P(11,12)*d(11,12) + P(11,13)*d(11,13) + P(12,15)*d(12,15) + P(13,15)*d(13,15) + P(15,17)*d(15,17) + P(15,19)*d(15,19) + P(15,20)*d(15,20) + P(16,19)*d(16,19) + P(16,20)*d(16,20) + P(16,22)*d(16,22) + P(16,26)*d(16,26) + P(17,18)*d(17,18) + P(18,21)*d(18,21) + P(19,21)*d(19,21) + P(20,22)*d(20,22) + P(21,23)*d(21,23) + P(21,25)*d(21,25) + P(21,26)*d(21,26) + P(22,25)*d(22,25) + P(22,26)*d(22,26) + P(23,24)*d(23,24) = 1*1 + 1*1 + 1*2 + 1*1 + 1*2 + 1*1 + 1*1 + 1*1 + 1*2 + 1*1 + 1*2 + 1*1 + 1*2 + 1*2 + 2*1 + 1*1 + 1*1 + 1*2 + 1*1 + 1*2 + 1*1 + 1*2 + 1*1 + 1*1 + 1*1 + 1*1 + 1*1 + 1*1 + 1*1 + 1*1 + 1*1 + 2*1 + 2*1 + 1*2 + 1*1 + 1*1 + 1*2 + 1*2 + 1*1 + 1*1 + 1*1 + 1*1 + 2*1 + 1*1 = 60 Мінімально можлива кількість перемикань тригерів: Wmin = E P(i,j) = 48 Коефіціент ефективності кодування: 1.25
J1=a6*x4+a8+a11*x1+a11*nx1+a21*x4+a22*nx4*nx1= a6*x4+a8+a11+a21*x4+a22*nx4*nx1 K1=a3*x5+a3*nx5*x2+a3*nx5*nx2+a9+a10*x5+a15*nx4*x3+a16*x4*x3+a16*nx4*x1+a16*nx4*nx1+a17+a19+a24+a26= a3*x5+a3+a9+a10*x5+a15*nx4*x3+a16*x4*x3+a16+a17+a19+a24+a26 J2=a2*x5+a9+a10*x5+a10*nx5*x6+a15*nx4*nx3+a16*x4*nx3+a16*nx4*nx1+ a18+a20+a21*nx4*nx3+a24 K2=a1+a4*x2+a4*nx2+a11*x1+a12+a14+a19+a22*x4*x3+a22*nx4*x1+ a22*nx4*nx1= a1+a4+a11*x1+a12+a14+a19+a22*x4*x3+a22 J3=a1+a6*nx4+a7*x6+a15*x4+a19+a22*x4*x3+a22*x4*nx3+a22*nx4*x1+ a22*nx4*nx1= a1+a6*nx4+a7*x6+a15*x4+a19+a22 K3=a2*x5+a2*nx5*x2+a2*nx5*nx2+a10*x5+a10*nx5*nx6+a10*nx5*x6+ a16*x4*nx3+a16*x4*x3+a16*nx4*x1+a16*nx4*nx1+a24+a25= a2+a10+a16+a24+a25 J4=a1+a3*x5+a6*x4+a7*nx6+a10*nx5*x6+a13*x2+a16*x4*x3+a16*nx4*x1+ a16*nx4*nx1+a17+a19= a1+a3*x5+a6*x4+a7*nx6+a10*nx5*x6+a13*x2+a16*x4*x3+a16*nx4+a17+a19 K4=a2*nx5*x2+a2*nx5*nx2+a4*x2+a4*nx2+a5*x2+a5*nx2+a9+a14+a15*x4+ a15*nx4*nx3+a21*nx4*x3+a21*nx4*nx3+a22*x4*x3+a22*x4*nx3+a22*nx4*x1+a22*nx4*nx1+a24= a2*nx5+a4+a5+a9+a14+a15*x4+a15*nx4*nx3+a21*nx4+a22+a24 J5=a1+a3*x5+a3*nx5*nx2+a6*nx4+a6*x4+a23=a1+a3*x5+a3*nx5*nx2+a6+a23 K5=a4*x2+a5*x2+a10*nx5*x6+a12+a13*x2+a13*nx2+a24= a4*x2+a5*x2+a10*nx5*x6+a12+a13+a24 Для підвищення функціональності схеми можна виділити однакові елементи: Z1 = nx5+nx6 Z5 = nx4+x1 Z2 = x4+nx3 Z6 = nx4+x3Z3 = nx4+nx1 Z7 = nx4+nx3 Z4 = x4+x3 Виконуємо необхідні перетворення для представлення ФЗ в рамках потрібної серії: J1=a6*x4+a10*x5+a10*z1+a16*z2+a22*z2=n((na6+nx4)(na10+nx5)(na10+nz1)(na16+nz2)(na22+nz2)) J2=a6*nx4+a7*x6+a9+a16*z3+a17+a19+a20=n((na6+x4)(na7+nx6)(na16+nz3)*na9*na17*na19*na20) J3=a3*nx1+a13*x2+a24=n((na3+x1)(na13+nx2)*na24) J4=a2*x5+a2*nx5*x2+a5*x2+a7*x6+a14+a16*z4+a16*z5=n((na2+nx5)* (na2+n(nx5*x2))(na5+nx2)(na7+nx6)(na16+nz4)(na16+nz5)*na14) J5=a3*nx5+a5+a15*x4+a22*z4+a22*z5+a25=n((na3+x5)(na15+nx4)* (na22+nz4)(na22+nz5)*na5*na25) K1=a1+a13*nx2+a15*z6+a21*z6=n((na1*(na13+x2)(na15+nz6)(na21+nz6)) K2=a10*z1+a11*x1+a12+a14+a22*z3+a23+a25+a26=n((na10+nz1)(na11+nx1)(na22+nz3)*na12*na14*na23*na25*na26)K3=a2*nx5+a4+a21*x4=n((na2+x5)(na21+nx4)*na4)K4=a3*x5+a3*nx5*nx2+a4*nx2+a10*nx5*x6+a15*z7+a18+a20=n((na3+ nx5)(na3+n(nx5*nx2))(na4+x2)((na10+n(nx5*x6))(na15+nz7)*na18*na20) K5=a7*nx6+a8+a9+a21*z7+a26=n((na7+x6)(na21+nz7)*na8*na9*na26) Формуємо функції виходів автомата:Y1=a7+a12+a15+a21=n(na7*na12*na15*na21) Y2=a2+a7+a8+a9=n(na2*na7*na8*na9) Y3=a3+a6+a10+a14+a19+a25=n(na3*na6*na10*na14*na19*na25) Y4=a6+a9+a17+a18+a23+a24=n(na6*na9*na17*na18*na23*na24) Y5=a2+a5+a6+a16+a18+a22+a24=n(na2*na5*na6*na16*na18*na22*na24) Y6=a10+a20+a26=n(na10*na20*na26) Y7=a4+a11=n(na4*na11) Y8=a13+a15+a21=n(na13*na15*na21) Y9=a5+a12+a16+a22=n(na5*na12*na16*na22) Y10=a19+a25=n(na19*na25) Ми отримали усі необхідні вирази для принципової схеми. Будуємо її, користуючись формулами для тригерів та вихідними станами (Лист 1). 2.3 Автомат Мілі Кодування станів виконуємо за алгоритмом, розробленим для D-тригера. Для цього будуємо таблицю переходів автомата, а потім підраховуємо статистику зустрічання кожного стану. Відсортувавши стани, кодуємо їх так, щоб ті, що зустрічаються частіше, мали якнайменше одиниць. b1 – 00000 b3 - 00011 b8 - 00111 b4 - 00001 b7 - 00101 b9 - 01011 b14 - 00010 b10 - 01001b11 - 10011 b17 - 00100 b12 - 10001b16 - 10101 b18 - 01000 b2 - 00110 b19 - 11001 b22 - 10000 b5 - 01010 b21 - 11010 b13 - 10010 b6 - 01100 b15 – 10100 b20 - 11000 Вносимо результати в таблицю:
D2 = b4*x2+b4*nx2+b7+b8+b9*x5+b14*nx4*x3+b15*x4*x3+b15*nx4*x1+b15* nx4*nx1+b17+b18+b19*x4= b4+b7+b8+b9*x5+b14*nx4*x3+b15*x4*x3+b15*nx4+b17+b18+b19*x4 D3 = b1+b4*nx2+b5*nx4+b5*x4+b6*x6+b14*x4+b14*nx4*nx3+b15*x4*nx3+ b16+ b20*nx4*nx1+b22= b1+b4*nx2+b5+b6*x6+b14*x4+b14*nx4*nx3+b15*x4*nx3+ b16+b20*nx4*nx1+b22 D4 = b1+b4*x2+b5*x4+b7+b10*nx1+b11+b12*nx2+b12*x2+b13+b19*x4= b1+b4*x2+b5*x4+b7+b10*nx1+b11+b12+b13+b19*x4 D5 =b2+b3+b5*nx4+b5*x4+b6*nx6+b6*x6+b7+b8+b9*x5+b9*nx5*nx6+ b10*nx1+b10*x1+b12*nx2+b13+b14*x4+b17= b2+b3+b5+b6+b7+b8+b9*x5+b9*nx5*nx6+ b10+b12*nx2+b13+b14*x4+b17 Вихідні стани автомата Мілі: Y1 = b4*nx2+b10*nx1+b11+b12*x2+b17 Y2 = b1+b4*nx2+b5*nx4+b5*x4+b6*x6= b1+b4*nx2+b5+b6*x6Y3 = b4*x2+b7+b12*nx2+b14*nx4*nx3+b15*x4*nx3+b19*nx4*nx3+b20*x4*nx3 Y4 = b4*x2+b5*x4+b14*x4+b16+b19*x4+b21 Y5 = b1+b3+b4*x2+b6*nx6+b15*nx4*nx1+b16+b18+b20*nx4*nx1+b21+b22 Y6 = b7+b14*nx4*x3+b15*x4*x3+b15*nx4*x1+b19*nx4*x3+b20*x4*x3+ b20*nx4*x1 Y7 = b2+b8+b9*x5Y8 = b9*nx5*nx6+b10*x1+b11+b12*x2+b17 Y9 = b3+b6*nx6+b10*nx1+b15*nx4*nx1+b18+b20*nx4*nx1+b22 Y10 = b14*nx4*nx3+b18*x4*nx3+b19*nx4*nx3+b20*x4*nx3 Ми отримали відповідні вирази для функцій збудження і вихідних станів автомата Мілі. За необхідністю можна представити їх в рамках деякої серії елементів і побудувати принципову схему. Заключення В ході проекту ми отримали комбінаційну схему булевої функції в заданому базисі та побудували принципову схему керуючого автомата Мура. Синтез автомата був виконаний з урахуванням серії КР 1533, тому може бути зроблений та опробований в реальному житті. В цілому курсова робота довела свою важливість у закріпленні отриманих знань та набутті низки звичок щодо проектування цифрових автоматів. Перелік використаної літератури. 1. Методичні вказівки до курсової роботи по дисципліні “Прикладна теорія цифрових автоматів”. Одеса. ОГПУ. 1998р. 2. Мікросхеми серії 1533(555). Стислі теоретичні дані. Одеса. Центр НТТМ ОГПУ. 1975г. 3. ГОСТ 2.708-81 ЄСКД. Правила виконання електричних схем цифрової обчислювальної техніки. 4. ГОСТ 2.743-82. ЄСКД. Умовні графічні позначення в схемах. Елементи цифрової техніки. |
||||||||||||||||||||||||||||||||||||||||||||||||||||||||||||||||||||||||||||||||||||||||||||||||||||||||||||||||||||||||||||||||||||||||||||||||||||||||||||||||||||||||||||||||||||||||||||||||||||||||||||||||||||||||||||||||||||||||||||||||||||||||||||||||||||||||||||||||||||||||||||||||||||||||||||||||||||||||||||||||||||||||||||||
000
010
00
0
0
111
X
Виписуємо з таблиці вирази для тригерів (та виконуємо необхідні перетворення для представлення їх в рамках потрібної серії):
D1
= b9*nx5*nx6+b9*nx5*x6+b10*x1+b14*x4+b17+b18+b19nx4*x3+b20*nx4* nx1+b20*x4*x3+b20*nx4*x1+b22= b9*nx5+b10*x1+b14*x4+b17+b18+b19nx4*x3+b20*nx4+b20*x4*x3+b22