Дипломная работа: Исследование способов защиты микропроцессорной системы автоблокировки с тональными рельсовыми
|
Название: Исследование способов защиты микропроцессорной системы автоблокировки с тональными рельсовыми Раздел: Рефераты по коммуникации и связи Тип: дипломная работа |
Федеральное агентство по образованию Государственное образовательное учреждение высшего профессионального образования Ижевский государственный технический университет. Кафедра “Радиотехника” Пояснительная записка выпускной квалификационной работы на соискание степени бакалавр техники и технологии по направлению «Радиотехника» на тему: Исследование способов защиты микропроцессорной системы автоблокировки с тональными рельсовыми цепями, централизованным размещением аппаратуры Студент Л***в Василий Владимирович Руководитель ___ Нормоконтроль Заведующий выпускающей кафедры****** Ижевск 2010 Содержание Перечень принятых сокращений Введение 1 Постановка задачи 1.1 Перегон 1.2 Автоблокировка 1.3 АБТЦ-МШ 1.4 Защита АБ от грозовых разрядов 1.5 Нормы воздействия 2 Зоны воздействия 3 Способы защиты в 1-й зоне 4 Способы защиты во 2-й зоне 5 Способы защиты в 3-й зоне 5.1 Фильтры. Выбор схемы 5.2 Алгоритм расчёта фильтров 5.3 Компоновка фильтров 5.4 Размещение фильтров 5.5 Правила разводки цепей в блоках и платах 6 Правила разводки цепей (кабели системы) 6.1 Выбор кабелей Заземление 7.1 Виды заземления 7.2 Нормы заземления 7 Экономический эффект Заключение Список литературы Перечень принятых сокращений АБ - автоблокировка АБТ - автоблокировка с тональными рельсовыми цепями АБТЦ - автоблокировка с тональными рельсовыми цепями и централизованным размещением аппаратуры АБТЦ-М - микропроцессорная автоблокировка с тональными рельсовыми цепями и централизованным размещением аппаратуры АБТЦ-МШ - микропроцессорная автоблокировка с тональными рельсовыми цепями и централизованным размещением аппаратуры в шкафах 19’ АВР - система автоматического включения резерва ИТ - изолирующий трансформатор КЯ - кабельный ящик ЛЭП – линии электропередач ОМ - однофазный масляный трансформатор ПТ – путевой трансформатор ПЯ – путевой ящик РЛ – рельсовая линия РЦ – рельсовые цепи РШ – релейный шкаф СВ – светофорная мачта СЖАТ - Системы железнодорожной автоматики и телемеханики СП – стрелочный привод СТР - стрелочный перевод СТ - сигнальный трансформатор ТС – технические средства ЭЦ – электрическая централизация (управление станцией) ЭМО - электромагнитная обстановка Введение В последнее десятилетие XX века произошла научно-техническая революция в области транспортной связи, в основе которой лежат два крупных достижения: общая теория связи и микроэлектронная элементная база. На железнодорожном транспорте активно внедряются спутниковые, волоконно-оптические системы связи, системы с шумоподобными сигналами, подвижной радиосвязи: сотовая, транкинговая и др. Доступ подвижного объекта к стационарным сетям связи осуществляется с помощью радио. Произошло объединение в разумном сочетании проводной и радиосвязи, широко- и узкополосных, аналоговых и дискретных систем связи. В очередной раз проявился фундаментальный диалектический закон единства противоположностей. По прогнозам международных экспертов, XXI век должен стать веком глобального информационного обеспечения. Его основой будет информационная инфраструктура, а составляющими — мощные транспортные сети связи и распределенные сети доступа, предоставляющие услуги (информацию) пользователям. Основные тенденции развития связи — цифровизация, интеграция сетей, коммутационного и оконечного оборудования, что позволяет значительно повысить эффективность связевого ресурса. Передача информации на железнодорожном транспорте ведется в специфических условиях воздействия сильных и разнообразных помех. Поэтому системы связи должны обладать высокой помехоустойчивостью, что имеет большое значение для безопасности движения. К системам связи предъявляются также требования высокой эффективности при относительной простоте технической реализации и эксплуатации. Это значит, что надо передавать наибольшее или заданное количество информации (сообщений) наиболее экономичным образом (по затратам энергии и полосе частот) в заданное время. Последнее достигается благодаря использованию наиболее современных способов передачи (кодирования и модуляции) и приема (декодирования и демодуляции). Автоматическая блокировка (АБ) является эффективным средством интервального регулирования движения поездов. Данная система служит для увеличения пропускной способности железнодорожных магистралей и обеспечения высокого уровня безопасности движения поездов. Автоблокировка позволяет организовать движение поездов попутного следования с малыми интервалами и значительно увеличивает пропускную способность магистральных линий. На дорогах России в настоящее время основными являются системы автоматической блокировки. Однако используемые системы, хотя и пригодны к использованию, уже устарели, в связи с этим разрабатываются новые микропроцессорные системы АБ. Система автоблокировки с тональными рельсовыми цепями и централизованным размещением аппаратуры (АБТЦ) предназначена для интервального регулирования движения поездов на перегонах взамен существующей морально и физически устаревшей системы числовой кодовой АБ, а также взамен систем АБТ. Разработку АБТЦ осуществляет институт жел. транспорта - ОАО НИИАС. На международном рынке – GE, Бомбардье транспортейшн, Siemens, AlcatelSEL. Перспективными рынками, для продвижения данной продукции являются Япония, Южная Корея, Индия. Применение системы АБТЦ обеспечивает повышение безопасности движения и снижения задержек поездов, увеличения пропускной способности участков и участковой скорости, снижения эксплуатационных расходов на содержание и обслуживание, сокращения капитальных затрат, сокращения сроков проведения проектных работ и монтажа оборудования при вводе её в эксплуатацию. Применение системы АБТЦ позволяет лучше организовать работу дежурных по станции, электромехаников СЦБ или связи и др., за счёт применения микроэлектроники в процессе контроля и управления системой. 1 Постановка задачи 1.1 Перегон Перегон. Железнодорожный перегон — часть железнодорожной линии, между смежными раздельными пунктами. Раздельными пунктами могут являться: станции, разъезды, обгонные пункты. Перегон может включать в себя переезды, станции, светофоры. Границу перегона означают входные светофоры станций, либо её указатели границ. Для увеличения провозной способности перегон делят на блок-участки — отрезки пути, ограниченные светофорами. Минимальная длина блок-участка должна быть не менее длины тормозного пути поезда. Как правило это 1800-2500метров.
Системы железнодорожной автоматики и телемеханики (СЖАТ) являются эффективным средством совершенствования организации перевозочного процесса. Наибольший эффект от их применения достигается в комплексе мероприятий по реконструкции путевого развития и тяги в условиях концентрации управления процессами перевозок. Эффективность внедрения СЖАТ оценивают по их влиянию на пропускную способность, участковую скорость, капитальные затраты, эксплуатационные расходы, степень безопасности движения поездов, производительность и условия труда. Наличной пропускной способностью железнодорожного участка по перегонам называется число поездов (пар поездов), которое может быть пропущено по участку в единицу времени (сутки, часы). Пропускная способность перегона определяется временем хода поездов по перегону, которое зависит от мощности и технического состояния локомотивов, напряжения в контактной сети, использования двойной тяги или подталкивания, массы поездов, плана, профиля и технического состояния пути, установленных скоростей движения. Перегон с минимальной пропускной способностью (ограничивающий) определяет результативную пропускную способность участка в целом. Чем меньше отношение скоростей грузового vr и пассажирского vn поездов А = Vr/vn, тем чаще возникает необходимость обгонов и больше требуется путей на промежуточных станциях. Ограниченное число последних и необходимость станционных интервалов снижают пропускную способность участка. Станционными интервалами называют минимальные промежутки времени для выполнения операций по приему, отправлению или пропуску поездов через станцию. Их определяют для каждого подхода к станции отдельно для грузовых и пассажирских поездов по утвержденной методике. Схему движения местных поездов (сборные, вывозные и др.) выбирают исходя из условий организации грузовой работы станций с учетом согласования с технологическими процессами работы подъездных путей и промышленных предприятий. При значительных колебаниях размеров движения график работы делят на основное (ядро) и дополнительные расписания. Основное расписание обеспечивает стабильные размеры движения, а дополнительные используют в периоды роста размеров перевозок. На ядро ориентируется система использования локомотивов и основного контингента локомотивных бригад, а дополнительные "нитки" графика обеспечиваются тяговыми средствами на основе оперативного регулирования. 1.2 Автоблокировка Автоблокировка (АБ) — автоматическая система регулирования движения поездов. АБ обеспечивает безопасность движения поездов, информируя машиниста о ситуации впереди поезда. В начале каждого блок-участка устанавливается автоматически действующий проходной светофор, сигнализирующий двумя, тремя или четырьмя показаниями в зависимости от светофорной сигнализации. В зависимости от числа сигнальных показаний автоблокировка (АБ) может быть дву-, трех- и четырехзначной. При двузначной АБ используют два сигнальных показания — красное и зеленое. Машинист о красном огне не предупреждается. Поэтому для своевременной остановки поезда, проезжая светофор с зеленым огнем, он сразу должен видеть показание следующего светофора на расстоянии не более тормозного пути при максимальной реализуемой скорости. В условиях плохой видимости светофоров (туман, метель, кривизна пути) эта система обеспечивает безопасность только при недопустимо низких скоростях поездов. Поэтому на наземных дорогах двузначную АБ не применяют. Для уверенного ведения поезда с установленной скоростью при АБ машинист, проехав светофор с зеленым огнем, должен видеть зеленый огонь на следующем светофоре. При двузначной АБ достаточно разграничить поезда двумя блок-участками, с учетом межпоездного. Такое разграничение позволяет получить высокую пропускную способность. Поэтому двузначную АБ используют в метро, где длины тормозных путей небольшие и влияния погодных условий нет. На участках с плохой видимостью светофоров и на станциях в метро используют более сложную систему сигнализации. При трехзначной АБ используют три сигнальных показания — красный, желтый и зеленый огни. Желтый огонь предупреждает машиниста о красном за один блок-участок. В неблагоприятных погодных условиях видимость желтого огня может составить несколько метров. Поэтому для остановки поезда перед красным огнем длина каждого блок-участка должна быть не менее тормозного пути полного служебного торможения (0,8 полной тормозной силы) при максимальной реализуемой скорости, но не более 120 км/ч для пассажирских поездов и 80 км/ч для грузовых. Эта длина должна быть не менее тормозного пути автостопного торможения (полная тормозная сила с задержкой начала торможения на время срабатывания автостопа 12 с). 1.3 АБТЦ-МШ АБТЦ-МШ представляет собой современную систему интервального регулирования и обеспечения безопасности движения поездов на перегонах с централизованным размещением аппаратуры на прилегающих станциях. Контролирует целостность и свободность участков пути посредством рельсовых цепей тональной частоты без изолирующих стыков. Имеет надежный алгоритм формирования модели поездной ситуации. Области применения системы: однопутные, двухпутные и многопутные участки железных дорог, оборудованные системами электротяги постоянного или переменного токов, а также автономными видами тяги. Пригодна к применению на участках обращения локомотивов и мотор-вагонного подвижного состава с импульсным регулированием тяговых двигателей; линиях высокоскоростного движения; вновь строящихся и модернизируемых линиях. 1.4 Защита АБ от грозовых разрядов Все элементы системы АБ будут подвержены воздействию негативных погодных явлений, например молний, которые будут создавать помехи, а также выводить аппаратуру из строя. Чтобы этого не произошло систему следует защитить. Помимо погодных условий могут возникать наводки от соседних зданий, либо наоборот сама система может создавать наводки по отношению к ним. Со всем этим следует бороться. Защита будет строиться на фильтрах, а также на применении высоковольтных разрядников. Необходимость защиты в целом обусловлена с экономической точки зрения. 1.5 Нормы воздействия Воздействие грозовых разрядов на электрические системы было уже изучено и описано в ГОСТах, наиболее важные из которых: Временные нормы ОСТ 32.146-2000 Аппаратура железнодорожной автоматики, телемеханики и связи ГОСТ Р 50656-2000 Технические средства железнодорожной автоматики и телемеханики ГОСТ Р 51992-2002 (МЭК 61643-1-98). Устройства для защиты от импульсных перенапряжений в низковольтных силовых распределительных системах. Часть 1. Требования к работоспособности и методы испытаний. ГОСТ Р 50571.19-2000 (МЭК 60364-4-443-95). Электроустановки зданий. Часть 4. Требования по обеспечению безопасности. Глава 44. Защита от перенапряжений. Раздел 443. Защита электроустановок от грозовых и коммутационных перенапряжений. ГОСТ Р 50571.2б-2002(МЭК 60364-5-534-97). Электроустановки зданий. Часть 5. Выбор и монтаж электрооборудования. Раздел 534. Устройства для защиты от импульсных перенапряжений. ГОСТ Р 51317.4.4—99 (МЭК 61000-4-4—95) Совместимость технических средств электромагнитная. Устойчивость к наносекундным импульсным помехам. Требования и методы испытаний ГОСТ Р 51317.4.5—99 (МЭК 61000-4-5—95) Совместимость технических средств электромагнитная. Устойчивость к микросекундным импульсным помехам большой энергии. Требования и методы испытаний 2 Зоны воздействия помех На основании документа «Защита систем железнодорожной автоматики и телемеханики от атмосферных и коммутационных перенапряжений. Характеристики импульсных воздействий на системы ЖАТ. Временные нормы. » вводится следующее разбиение на зоны: - Зона 0A - зона, где каждый объект может подвергаться прямому удару молнии и поэтому через него может протекать полный ток молнии. В этой зоне электромагнитное поле имеет максимальное значение. - Зона 0В - зона, где объекты не подвержены прямому удару молнии, но электромагнитное поле не ослаблено и также имеет максимальное значение. - Зона I - зона, где объекты не подвержены прямому удару молнии, и ток во всех проводящих элементах внутри зоны меньше, чем в зонах 0Л и 0В. В этой зоне электромагнитное поле может быть ослаблено экранированием. - Зона II - зона, где объекты не подвержены прямому удару молнии, как и в зоне I, но электромагнитное поле ослаблено по сравнению с зоной I, - Зона III - зона, жесткость электромагнитной обстановки в которой не превышает уровня помех, регламентированных серией стандартов IEC 61000-4-х. - Расположение элементов систем ЖАТ в зонах с электромагнитной обстановкой (ЭМО) разной степени жесткости предопределяет каскадный принцип построения защиты, при котором каждый каскад должен обеспечивать защиту элементов системы ЖАТ до соответствующего уровня напряжения, допустимого для следующего каскада.
Рис. 2 Схема зон воздействия
Рис. 3 Разбиение на зоны 3 Способы защиты в первой зоне Точками воздействия являются внутренняя кабельная сеть здания или РШ, не имеющая гальваническую развязку от внешней кабельной сети (входы ПВ, КРУ) Для защиты используются высоковольтные трансформаторы и разрядники
Рис. 4 Устройства защиты в первой зоне
Рис.5 Воздушный разрядник 4 Способы защиты во второй зоне Точками воздействия являются: 1) Внутренняя кабельная сеть здания, имеющая гальваническую развязку от внешней кабельной сети (выходы панелей электропитания на стативы) 2) Внутренняя кабельная сеть РШ, имеющая гальваническую развязку от внешней кабельной сети (выходы ПОБС на полки) Защита строится также на трансформаторах и разрядниках, но уже меньшей мощности и большего быстродействия по сравнению с I зоной
Рис. 6 Газовый разрядник 5 Способы защиты в третьей зоне Точками воздействия являются Порты ТС ЖАТ, размещенные в аппаратной, релейном помещении или на полках РШ. В этой зоне для защиты могут применяться различные схемотехнические решения в виде фильтров. А также сетевые фильтры и другое оборудование.
Рис. 7 модули защиты в третьей зоне. В целом защита должна собой представлять каскадный принцип, показанный на рис. 8
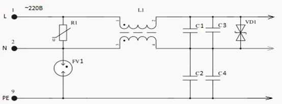
Рис.8 каскадный принцип защиты 5.1 Фильтры. Выбор схемы Выбор схемы осуществляется исходя из: -типа питания: постоянное/переменное -типа схемы: цифровая/аналоговая -максимальных значений напряжений и токов -рабочей частоты
Рис. 9 Пример схемы фильтра 5.2 Алгоритм расчёта фильтров Согласно ГОСТ 13661-92:При расчёте фильтров следует уделить внимание следующим параметрам: - Проходной ток - Ток утечки - Подавление помех в диапазонах частот - Наличие ограничителей по токам и напряжениям Для представленной схемы выбор компонентов определяется исходя из: - Стабилитрон выбирается исходя из напряжения питания защищаемого устройства - Дроссель, конденсаторы и варистор определяют задержку. При этом С1 и С2 органические конденсаторы, а С3 и С4 керамические. - Разрядник осуществляет отвод тока при перенапряжении. - Варистор выбирается исходя из напряжения питания схемы +10-20% запас 5.3 Компоновка фильтров Располагать фильтры по отношению к различным модулям можно по-разному:
Рис. 10 примеры различных компоновок фильтров Различные компоновки обладают различными соотношениями цена/качество. Например, первый вариант будет дешевле второго, но качество фильтрования будет довольно низким. Второй вариант хорош тем, что фильтрование отличное, но он довольно дорог. Оптимальным является третий вариант, перед модулями идет один общий фильтр, после чего в каждом отдельном модуле сигнал снова фильтруется, но уже конкретно для этого модуля, а также устраняя наводки, которые произошли в линии после общего фильтра. Четвертый вариант является просто отдельным случаем, когда модуль может иметь несколько входов, при этом у каждого из которых могут свои требования к фильтрам. 5.4 Размещение фильтров Если рассмотреть расположение фильтров внутри шкафа, то, используя разбиение на блоки, их следует располагать в одном таком блоке. Это делается для того, чтобы исключить влияние силовых блоков на информационные и фильтрующие. 5.5 Правила разводки цепей в блоках и платах При разводке плат следует уделить внимание взаимному расположению элементов на плате. Это связано с тем, что они оказывают влияние друг на друга, изменяя параметры всего фильтра. Сигнал со входа поступает на разрядники, затем на варисторы, конденсаторы и дроссель, а также на стабилитроны. После чего сигнал идёт на выход. 6 Правила разводки кабелей системы Шкаф разбивается на блоки, при этом есть следующие блоки: 1) блок фильтров, в котором находятся только фильтры 2) блок питания, это силовой блок, внутри него также есть фильтрующие элементы 3) информационный блок, в него поступают сигналы с рельс. 6.1 Выбор кабелей - Кабели системы должны быть обязательно экранированы, чтобы уменьшить влияние помех. - Также необходимо стремиться к уменьшению их длины, что также ослабит наводки. - Применение разъемов допустимо внутри блоков - Применение разъёмов на корпусе, допустимо только в том случае, если они будут заизолированы и испытаны на соответствующее напряжение пробоя. На корпус будут происходить наводки. При этом разъёмы должны быть также экранированы, защищены от помех. - Вывод кабелей из корпуса осуществляется через отверстия. 7 Заземление Заземление— преднамеренное электрическое соединение какой-либо точки сети, электроустановки или оборудования с заземляющим устройством. Заземляющее устройство состоит из заземлителя (проводящей части или совокупности соединенных между собой проводящих частей, находящихся в электрическом контакте с землей непосредственно или через промежуточную проводящую среду) и заземляющего проводника, соединяющего заземляемую часть (точку) с заземлителем. Заземлитель может быть простым металлическим стержнем (чаще всего стальным, реже медным) или сложным комплексом элементов специальной формы. Качество заземления определяется значением сопротивления заземляющего устройства, которое можно снизить, увеличивая площадь заземлителей или проводимость среды— используя множество стержней, повышая содержание солей в земле ит.д. Электрическое сопротивление заземляющего устройства определяется требованиями ПУЭ. В России требования к заземлению и его устройство регламентируются правилами устройства электроустановок (ПУЭ). Защитное действие заземления основано на двух принципах: · Уменьшение до безопасного значения разности потенциалов между заземляемым проводящим предметом и другими проводящими предметами, имеющими естественное заземление. · Отвод тока утечки при контакте заземляемого проводящего предмета с фазным проводом. В правильно спроектированной системе появление тока утечки приводит к немедленному срабатыванию защитных устройств (устройств защитного отключения— УЗО). Таким образом, заземление наиболее эффективно только в комплексе с использованием устройств защитного отключения. В этом случае при большинстве нарушений изоляции потенциал на заземленных предметах не превысит опасных величин. Более того, неисправный участок сети будет отключен в течение очень короткого времени (десятые ÷ сотые доли секунды— время срабатывания УЗО). 7.1 Виды заземления Классификация типов систем заземления приводится в качестве основной из характеристик питающей электрической сети. ГОСТ Р 50571.2 рассматривает следующие системы заземления: TN-C, TN-S, TN-C-S, TT, IT. Система TN-CСистема TN-C (фр.Terre-Neutre-Combine) предложена немецким концерном АЭГ (AEG, Allgemeine Elektricitäts-Gesellschaft) в 1913 году. Рабочий ноль и PE-проводник (Protection Earth) в этой системе совмещены в один провод. Самым большим недостатком была возможность появления фазного напряжения на корпусах электроустановок при аварийном обрыве нуля. · Несмотря на это, на сегодняшний день можно встретить данную систему заземления в постройках стран бывшего СССР. Система TN-SНа замену условно опасной системы TN-C в 1930-х была разработана система TN-S (фр.Terre-Neutre-Separe), рабочий и защитный ноль в которой разделялись прямо на подстанции, а заземлитель представлял собой довольно сложную конструкцию металлической арматуры. Таким образом, при обрыве рабочего нуля в середине линии, корпуса электроустановок не получали линейного напряжения. Позже такая система заземления позволила разработать дифференциальные автоматы и срабатывающие на утечку тока автоматы, способные почувствовать незначительный ток. Их работа и по сей день основывается на законах Кирхгофа, согласно которым текущий по фазному проводу ток должен быть численно равным текущему по рабочему нулю току. · Также можно наблюдать систему TN-C-S, где разделение нулей происходит в середине линии, однако, в случае обрыва нулевого провода до точки разделения, корпуса окажутся под линейным напряжением, что будет представлять угрозу для жизни при касании. Система TN-C-SВ системе TN-C-S трансформаторная подстанция имеет непосредственную связь токоведущих частей с землёй. Все открытые проводящие части электроустановки здания имеют непосредственную связь с точкой заземления трансформаторной подстанции. Для обеспечения этой связи на участке трансформаторная подстанция— электроустановки здания применяется совмещенный нулевой защитный и рабочий проводник (PEN), в основной части электрическойСистема TTВ системе TT трансформаторная подстанция имеет непосредственную связь токоведущих частей с землёй. Все открытые проводящие части электроустановки здания имеют непосредственную связь с землёй через заземлитель, электрически не зависимый от заземлителя нейтрали трансформаторной подстанции. Система ITВ системе IT нейтраль источника питания изолирована от земли или заземлена через приборы или устройства, имеющие большое сопротивление, а открытые проводящие части заземлены. Ток утечки на корпус или на землю в такой системе будет низким и не повлияет на условия работы присоединенного оборудования. Система IT применяется, как правило, в электроустановках зданий и сооружений специального назначения, к которым предъявляются повышенные требования надежности и безопасности, например в больницах для аварийного электроснабжения и освещения. 7.2 Нормы заземления
8 Экономический эффект Экономический эффект заключается в следующем: - Меньше ремонтных работ, т.к. вероятность выхода аппаратуры из строя очень низка. - Стабильность системы сводит к минимуму неполадки, а следовательно уменьшает сбои в расписании движения составов и увеличивает безопасность их передвижения. - Оперативность управления составами и всей железнодорожной системой. - Система исключает наводки в жилые районы и городские сети. - Увеличение времени наработки на отказ, что позволяет производителю увеличить срок гарантийного обслуживания Заключение В результате выполнения исследовательской работы были изучены способы защиты микропроцессорных систем от молниевых разрядов на примере системы АБТЦМ-Ш. Были изучены различные фильтры и выбран наиболее оптимальный из них. Напряжение питания системы: переменное 220В Напряжение питания фильтров: постоянное 24В Частота сигналов: 25…1000Гц Ток утечки фильтра: 1мА Также были решены вопросы заземления, размещения, компоновки, разводки и т.д. Система выгодна в экономическом плане. Несмотря на высокую стабильность, выход из строя всё-таки возможен, но в этом случае сгорит не вся система, а лишь фильтр, стоимость которого 0,06% от стоимости системы в целом. Список литературы 1. ОАО «Российские железные дороги». Характеристики импульсных воздействий на системы ЖАТ. Временные нормы. Санкт-Петербург, 2007г. 2. Кравцов Ю.А.Системы железнодорожной автоматики и телемеханики. - М. «Транспорт» 1996г. 3. Горелов Г.В. Фомин А.Ф. Теория передачи сигналов на железнодорожном транспорте. –М. «Транспорт» 2001г. |
Рис.1 Пример перегонов.








