Курсовая работа: Расчет электрических фильтров
|
Название: Расчет электрических фильтров Раздел: Рефераты по физике Тип: курсовая работа | ||||||||||||||||||||||||||||||||||||||||||||||||||||||||||||||||||||||||||||||||||||||||||||||||||||||||||||||||||||||||||||||||||||||||||||||||||||||||||
|
Кафедра «Радиотехника и электроника» Курсовой проект по дисциплине «Основы теории цепей» Расчёт электрических фильтров По заданным требованиям произвести расчет: 1) ФВЧ Чебышева, предназначенного для аппаратуры уплотнения специального типа. Дать оценку полученных решений и обосновать выбор варианта фильтра. · Граница полосы пропускания фильтра: f0 = 83 кГц; · Граница полосы задержания фильтра: fк = 44,86 кГц; · Неравномерность характеристики затухания в полосе пропускания: Δа = 0,17 дБ; · Гарантированное затухание в полосе задержки: а0 = 2,65 Нп ; · Сопротивление генератора и нагрузки: Rг =Rн =350 Ом; 2) ПФ Баттерворта предназначенного для аппаратуры уплотнения специального типа. Дать оценку полученных решений и обосновать выбор варианта фильтра. · Границы полосы пропускания фильтра: f-х = 31 кГц, fх =42 кГц; · Граница полосы задержания фильтра: f-к = 28,1 кГц; · Неравномерность характеристики затухания в полосе пропускания: Δа=1,55 дБ; · Гарантированное затухание в полосе задержки: а0 =2,25 Нп ; · Сопротивление генератора и нагрузки: Rг =Rн =350 Ом; АннотацияДанная курсовая работа предназначена для закрепления, систематизации и расширения знаний, полученных в ходе изучения темы «Фильтры» по дисциплине Основы Теории Цепей. Курсовая работа представляет собой творческое решение конкретных инженерных задач, в ходе выполнения которых производится анализ и расчет фильтров, а также выбор варианта фильтров по полученным результатам в соответствии с требованиями. Работа состоит из расчёта двух фильтров, а также пояснительных рисунков и приложений. Работа выполнялась с учетом рекомендаций учебного пособия [1]. Эту работу можно разделить на две части. В первой части производится расчёт фильтра высоких частот Чебышева и проверяется правильность расчёта посредством моделирования фильтра в среде ЕlektronicsWorkbench, версия 5.12. Во второй части производится расчёт полосового фильтра Баттерворта, а также проверяется правильность расчёта. В конце курсовой работы представлены приложения включающие в себя принципиальные схемы фильтров и спецификацию элементов. В заключение делается вывод о проделанной работе. ОглавлениеЗадание……………………………………………………………………..2 Аннотация………………………………………………………………….3 Оглавление…………………………………………………………………4 Введение……………………………………………………………………5 1. Разработка фильтра высоких частот Чебышева……………………....7 1.1 Анализ задания…………………………………………………………7 1.2 Расчёт ФВЧ Чебышева ...…………………………………………..….7 2. Разработка полосового фильтра Баттерворта ………………………..15 2.1 Анализ задания………………………………………………………..15 2.2 Расчёт ПФ Баттерворта ...……………….…………………………....15 Заключение…………………………………………………………….….23 Библиографический список………………………………………..…….24 Приложение 1.1…………………………………………………………...25 Приложение 1.2………………………………………………………..….26 Приложение 2.1………………………………………………………..….27 Приложение 2.2…………………………………………………………...28 Введение Электрический фильтр представляет собой четырехполюсник, предназначенный для выделения из состава сложного электрического колебания частотных составляющих, расположенных в заданной полосе частот, и подавления тех составляющих, которые расположены в других полосах частот. Первая из названных полос представляет собой полосу пропускания, а вторая – полосу задерживания. В начале нашего столетия электрические фильтры, составленные из ряда катушек индуктивности и конденсаторов, получили широкое применение в технике. Благодаря их применению оказалось возможным осуществление многих магистралей дальней телефонной, телеграфной и других видов связи. В 30-е годы началось развитие современной теории построения электрических фильтров, основанной на использовании строгих математических методов наилучшего приближения функций, разработанных великим русским ученым и математиком П.Л. Чебышевым и его учениками и последователями. Применение этих методов позволило обеспечить построение электрических фильтров с нужными характеристиками при минимально необходимом числе элементов. Особенно быстрое и плодотворное развитие методов синтеза электрических цепей, и в частности электрических фильтров, достигнуто в результате применения ЭВМ и разработки специальных методов расчета. В настоящее время электрические фильтры реализуются не только в виде электрических цепей с катушками индуктивности и конденсаторами, но также практическое применение получили кварцевые, электромеханические, активные RС - фильтры и другие. По взаимному расположению полос пропускания и полос задерживания различают фильтры нижних частот (ФНЧ), фильтры верхних частот (ФВЧ), полосовые (ПФ) и режекторные фильтры (РФ). Электрические фильтры, у которых передаточная функция имеет вид получили название полиномиальных. Фильтры, у которых в ходе решения задачи аппроксимации используются методы теории наилучшего равномерного приближения функций и, как следствие, характеристики затухания которых в полосе пропускания имеют равные минимумы и равные максимумы, называются фильтрами с равноволновыми характеристиками затухания, а полиномиальные фильтры этого типа часто называются фильтрами с характеристиками Чебышева. Если необходимо получить фильтр с большим затуханием в полосе задерживания, применение полиномиальных конструкций приводит к значительному числу элементов. В таких случаях необходимо обратиться к другим передаточным функциям:
где а) затухания фильтра в полосе пропускания не должны превышать б) функция, которая в интервале нормированных частот от 0 до 1 не превышала бы 1, а в интервале частот больших 1 наименьшее по модулю ее значение было бы максимально возможным, называется дробью Золотарёва. Иногда фильтры с характеристиками затухания Золотарёва называют эллиптическими, поскольку значения нулей и полюсов дроби Золотарёва выражаются через эллиптические функции. 1. Разработка фильтра высоких частот Чебышева1.1 Анализ заданияВ данном разделе производится расчет ФВЧ, предназначенного для аппаратуры уплотнения специального типа. Рассчитанный фильтр должен удовлетворять следующим требованиям: - затухание фильтра в полосе пропускания не должно превышать заданной неравномерности затухания Dа; - в полосе задержания затухание должно быть не меньше гарантированного затухания а0 . Неравномерность затухания и гарантированное затухание определяют количество элементов, число звеньев схемы, причем данные величины должны быть обеспечены при любых обстоятельствах. Требования к частотной зависимости затухания ФВЧ Чебышева: 1. Граница полосы пропускания фильтра: f0 = 83 кГц; 2. Граница полосы задержания фильтра: fк = 44,86 кГц; 3. Неравномерность характеристики затухания в полосе пропускания: Δа=0,17 дБ; 4. Гарантированное затухание в полосе задержки: а0 =23 дБ; 5. Сопротивление генератора и нагрузки: Rг =Rн =350 Ом; Требования к частотной зависимости затухания этого фильтра изображены на рисунке 1.1. 1.2 Расчет ФВЧ ЧебышеваРасчёт ФВЧ производится на основе расчета ФНЧ-прототипа, для которого производится пересчет частот, при этом порядок расчета следующий:
Рис. 1.1 Требования к характеристике затухания фильтра высоких частот 1) пересчет требований, сформулированных к ФВЧ, в требования к ФНЧ-прототипу; 2) расчет ФНЧ-прототипа; 3) пересчет параметров элементов ФНЧ-прототипа в параметры ФВЧ; 4) выбирается схема фильтра и определяется число элементов в ней; 5) изображается схема фильтра с параметрами элементов по ГОСТ и производится контрольный расчет затухания фильтра. Зная частоты ¦0 и ¦К, найдем граничные частоты полосы пропускания и полосы задерживания ФНЧ-прототипа:
По найденным граничным частотам ¦0П и ¦КП , а также заданным Dа и а0 рассчитаем ФНЧ с характеристиками Чебышева. Произведем нормирование полученных частот: Минимально возможный порядок передаточной функции рассчитывается по формуле с учетом нормированной частоты полосы задержания ФНЧ-прототипа:
Подставляя численные значения в (1) получаем
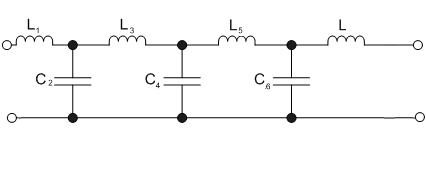
Так как, в результате расчетов, минимальный порядок оказался равным 4,04, то полученное значение округляется до большего ближайшего целого числа, т.е. nч =5. Выберем схему ФНЧ-прототипа, которая определяется на основании принятого значения nч в соответствии с рисунком П. 2.5 [1]. Схема ФНЧ-прототипа представлена на рисунке 1.2.
Рис. 1.2. Схема ФНЧ – прототипа для расчёта Выпишем нормированные значения емкостей, индуктивностей, а также значения нулей и полюсов затухания фильтра в зависимости от Dа, а0 и ¦к n из таблицы П. 2.6 [1]: L1 = 1,144; L3 =1,972; L5 =1,144; C2 =1,372; C4 =1,372. Рассчитаем истинные значения индуктивностей и емкостей для схемы ФНЧ-прототипа по следующим формулам:
Тогда подставив нормированные значения ёмкостей и индуктивностей в (2) получим:
Истинные частоты значений нулей и полюсов ослабления с учетом граничной частоты полосы пропускания
Согласно [1] нормированные значения частот нулей ослабления для ФВЧ Чебышева составляют:
Тогда согласно выражений (3) истинные значения равны:
При переходе от схемы ФНЧ-прототипа к ФВЧ необходимо в схеме ФНЧ индуктивности Li преобразовать в емкости Сi ’ , а емкости Сi в индуктивности Li по следующим формулам:
Подставив численные значения в (4) получим:
Схема ФВЧ пятого порядка в общем случае имеет вид представленный на рисунке 1.3.
Рис. 1.3. Схема рассчитанного фильтра высоких частот Каждому истинному значению частоты нулей ФНЧ-прототипа ¦фнч
соответствует частота ФВЧ ¦фвч
. Связь между ними выражается следующей формулой: Рассчитаем характерные частоты ФВЧ:, на основании проведенного расчета частот построим характеристику фильтра высоких частот Чебышева ( рис 1.4 ). Так как рассчитанные емкости конденсатора отличаются от ГОСТ, Осуществим подбор номиналов конденсаторов для получения рассчитанных емкостей конденсаторов: C1 = 4790 пФ = 4700 пФ + 82 пФ + 7,5 пФ; С3 = 2770 пФ = 2700 пФ + 68 пФ + 2 пФ; С5 = 4790 пФ = 4700 пФ + 82 пФ + 7,5 пФ.
Рис. 1.4 Характеристика затухания рассчитанного фильтра высоких частот Для проверки правильности проведенных расчетов проведем моделирование фильтра в среде ЕlektronicsWorkbench, версия 5.12. Полученная в результате характеристика затухания фильтра приведена на рисунке 1.5 Данный фильтр применяется для выделения или подавления определенных колебаний, разделения каналов, формирования спектра сигналов. Фильтр входит в состав многоканальных и радиорелейных систем передачи, измерительной аппаратуры, в каскады радиопередатчиков и радиоприемников. В соответствии с истинными значениями катушек индуктивности и емкостей схема ФВЧ Чебышева имеет вид, представленный в приложении 1.1. Спецификация для рассчитанной схемы – в приложении 1.2.
Рис. 1.5 Характеристика затухания рассчитанного фильтра высоких частот 2. Разработка полосового фильтра Баттерворта2.1 Анализ заданияВ данном разделе произведен расчет ПФ, предназначенного для аппаратуры уплотнения специального типа. Рассчитанный фильтр должен удовлетворять следующим требованиям: - затухание фильтра в полосе пропускания не должно превышать заданной неравномерности затухания Dа; - в полосе задержания затухание должно быть не меньше гарантированного затухания а0 . Неравномерность затухания и гарантированное затухание определяют количество элементов, число звеньев схемы, причем данные величины должны быть обеспечены при любых обстоятельствах. Требования к частотной зависимости затухания ПФ Баттерворта: - Границы полосы пропускания фильтра: ¦-х = 31 кГц, ¦х = 42 кГц; - Границы полосы задержания фильтра: ¦-к
= 28,1 кГц, - Неравномерность характеристики затухания в ПП: Dа=1,55 дБ; - Гарантированное затухание в полосе задержки: ао = 19,575 дБ; - Сопротивление генератора и нагрузки: Rг = Rн = 350 Ом. Требования к частотной зависимости затухания этого фильтра изображены на рисунке 2.1: 2.2 Расчет ПФ ЧебышеваРасчет ПФ Баттерворта производится на основе расчета ФНЧ-прототипа, для которого производится пересчет частот, при этом порядок расчета следующий: 1) пересчет требований, сформулированных к ПФ, в требования к ФНЧ-прототипу; 2) расчет ФНЧ-прототипа;
3) пересчет параметров элементов ФНЧ-прототипа в параметры ПФ; 4) выбирается схема фильтра и определяется число элементов в ней; 5) изображается схема фильтра с параметрами элементов по ГОСТ и производится контрольный расчет затухания фильтра. Полосовые фильтры, полученные реоктансным преобразованием частоты, обладают геометрически симметричными характеристиками затухания. Требования же, предъявляемые к реальному фильтру, могут не обладать указанной симметрией. Частоты ¦-Х , ¦Х , ¦-К считаем фиксированными, тогда
Требования к фильтру удовлетворяют геометрической симметрии, а именно:
Найдем граничные частоты полосы пропускания и полосы задерживания ФНЧ-прототипа:
По найденным граничным частотам ¦0П и ¦КП , а также заданным Dа и а0 рассчитаем ФНЧ с характеристиками затухания Баттерворта. Минимально возможный порядок передаточной функции рассчитывается по формуле с учетом нормированной частоты полосы задержания ФНЧ-прототипа:
Подставив в (5) численные значения рассчитаем порядок фильтра:
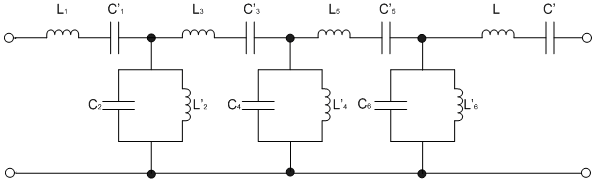
Таким образом, для реализации фильтра необходимо принять большее целое число, т.е. принимаем nб =7. Выберем схему ФНЧ-прототипа, которая определяется на основании принятого значения n. Она будет иметь вид, показанный на рисунке 2.2. Из [1] по таблице, относящейся к фильтрам нижних частот Баттерворта необходимо выписать нормированные значения емкостей и индуктивностей в зависимости от Dа, а0 и ¦КП . Эти значения выбираем для меньшего значения Dа=1,55 дБ: L1 = 0,445; L3 = 1,802; L5 =1,802; L7 = 0,445; C2 = 1,247; C4 = 2,000; C6 =1,247
Рис. 2.2 Схема ФНЧ - прототипа для расчёта Для получения истинных значений параметров L и C фильтра необходимо определить коэффициенты денормирования KL и KC , причем, в данном случае пересчета частоты выполнять не нужно. Коэффициент денормирования для индуктивности равен:
Коэффициент денормирования для емкости равен:
Зная коэффициенты денормирования, рассчитаем истинные значения индуктивностей и емкостей по формулам:
Подставив численные значения в (6) получим:
Рассчитаем затухание фильтра по формуле: а) б) в) Перейдем к схеме ПФ Баттерворта. Для этого каждую индуктивность ФНЧ-прототипа заменяем последовательным соединением этой же индуктивности и емкости C'i , значение которой выбирается из условия резонанса между ними на частоте ¦0 . Каждая емкость ФНЧ-прототипа заменяется параллельным контуром, состоящим из этой же емкости и индуктивности L'i , обеспечивающий резонанс на частоте ¦0 , т. е:
Параллельно с емкостями С2 , С4 , и С6 включаются соответственно следующие индуктивности:
Последовательно с индуктивностями L1 , L3 , L5 и L7 включаются соответствующие емкости:
Таким образом, схема полосового фильтра Баттерворта будет иметь вид, представленный на рисунке 2.3.
Рис. 2.3. Схема рассчитанного полосового фильтра Представим характеристику затухания рассчитанного полосового фильтра Баттерворта ( рис. 2.4 ). Так как рассчитанные емкости конденсатора отличаются от ГОСТа, подбором номиналов конденсаторов получим нужную величину емкости конденсаторов: С’1 = 8200 пФ С2 = 2000 пФ С’3 = 2000 пФ С4 = 82000 пФ С’5 = 2000 пФ С6 = 47000 пФ С’7 = 8200 пФ
Рис. 2.5 Характеристика затухания рассчитанного полосового фильтра Тип конденсатора необходимо выбирать с учётом частоты, на которой он будет работать, напряжения, под которыми он будет находиться, а также исходить из массогаборитных и стоимостных показателей. В данном случае целесообразно использовать конденсаторы типов Катушки индуктивности производятся на заводе-изготовителе по рассчитанным параметрам и их пересчёта не требуется. Таким образом, полосовой фильтр Баттерворта полностью рассчитан, и его принципиальная схема представлена в приложении 2.1, а спецификация элементов - в приложении 2.2. Для проверки правильности проведенных расчетов проведем моделирование фильтра в среде ЕlektronicsWorkbench, версия 5.12. Полученная в результате характеристика затухания фильтра приведена на рисунке 2.5 |
||||||||||||||||||||||||||||||||||||||||||||||||||||||||||||||||||||||||||||||||||||||||||||||||||||||||||||||||||||||||||||||||||||||||||||||||||||||||||
|
В результате выполнения курсовой работы были рассчитаны фильтр высоких частот Чебышева пятого порядка и полосовой фильтр Баттерворта седьмого порядка. Характеристики затуханий, построенные по рассчитанным частотам отвечают требованиям к полосам задержания и пропускания. Проведенное моделирование показало, что характеристики рассчитанных фильтров близки к идеальным, что подтверждает точность расчёта.
Библиографический список
1. Богданов Н.Г. Расчёт электрических фильтров. – Пособие по курсовому и дипломному проектированию.- Орел: ВИПС, 2000г.
2. Зааль Р., Справочник по расчетам фильтров. - М.: Радио и связь, 1983
Приложение 1.2
| Позиционное обозначение | Наименование элементов | Номинал | Кол-во |
| Конденсаторы | |||
| С1 1 ,С51 | К21-9-М150-4700 ± 5% | 4700 пФ | 2 |
| С12 ,С52 | К21-9-М150-82 ± 5% | 82пФ | 2 |
| С13 ,С53 | КД-1а-М75-7,5 ± 5% | 7,5 пФ | 2 |
| С21 | К21-9-М150-2700 ± 5% | 2700 пФ | 1 |
| С22 | К21-9-М150-68 ± 5% | 68 пФ | 1 |
| С23 | КД-1а-М75-2 ± 5% | 2 пФ | 1 |
| Катушки индуктивности | |||
| L2 ,L4 | Катушка | 489 мкГн | 2 |
Приложение 2.2
| Позиционное обозначение | Наименование, тип | Номинал | Кол-во | |||
| Конденсаторы | ||||||
| С’1 | К21-9-М750-8200 ± 5% | 8200 пФ | 1 | |||
| С2 | К21-9-М750-47000 ± 5% | 47000 пФ | 1 | |||
| С’3 | К21-9-М750-2000 ± 5% | 2000 пФ | 1 | |||
| С4 | К21-9-М750-82000 ± 5% | 82000 пФ | 1 | |||
| С’5 | К21-9-М750-2000 ± 5% | 2000 пФ | 1 | |||
| С6 | К21-9-М750-47000 ± 5% | 47000 пФ | 1 | |||
| С’7 | К21-9-М750-8200 ± 5% | 8200 пФ | 1 | |||
| Катушки индуктивности | ||||||
| L1 | Катушка | 2,25 мГн | 1 | |||
| L’2 | Катушка | 0,38 мГн | 1 | |||
| L3 | Катушка | 9,13 мГн | 1 | |||
| L’4 | Катушка | 0,23 мГн | 1 | |||
| L5 | Катушка | 9,13 мГн | 1 | |||
| L’6 | Катушка | 0,38 мГн | 1 | |||
,

,
.
(1)

и
(2)
,
,
,
,
.
,
. (4)







Рис 2.1. Требования к характеристике затухания полосового фильтра
.
;
(5)




,
.



