Курсовая работа: Расчет и проектирование привода электросаней
|
Название: Расчет и проектирование привода электросаней Раздел: Промышленность, производство Тип: курсовая работа | ||||||||||||||||||||||||||||||||||||||||||||||||||||||
МИНИСТЕРСТВО ОБРАЗОВАНИЯ И НАУКИ УКРАИНЫНациональный аэрокосмический университет им Н.Е. Жуковского«ХАИ» Кафедра 202 ХАИ.202.235.10В.0260ПЗ РАСЧЕТ И ПРОЕКТИРОВАНИЕ ПРИВОДА АЭРОСАНЕЙ Пояснительная записка к курсовому проекту Дисциплина - “Конструирование машин и механизмов” 2010 Реферат Страниц 43, рисунков5, таблиц 3. Данный проект является первой конструкторской работой. Работа является завершающим этапом в цикле базовых общетехнических дисциплин. Основными задачами являются: 1. расширить и углубить знания, полученные при изучении предшествующих курсов; 2. усвоить принцип расчета и конструирования типовых деталей и узлов; 3. ознакомиться с ГОСТами и т.п. В ходе курсового проекта были спроектированы привод тяговой лебедки для транспортирования ЛА по стартовой площадке, рассчитаны планетарные прямозубые цилиндрические передачи двухступенчатого цилиндрического редуктора, проведены проверочные расчеты шестерни и колеса прямозубой цилиндрической передачи, а также быстроходного и тихоходного валов, болтовых соединений. В ходе расчетов были разработаны следующие чертежи: сборочный чертеж двухступенчатого цилиндрического редуктора и его основных узлов, чертеж тихоходного вала, чертеж зубчатого колеса, чертеж барабана и компоновочный чертеж привода. ШЕСТЕРНЯ, МЕЖОСЕВОЕ РАССТОЯНИЕ, МОДУЛЬ, ДЕЛИТЕЛЬНЫЙ ДИАМЕТР, УСЛОВИЕ СООСНОСТИ, ВАЛ, БОЛТОВОЕ СОЕДИНЕНИЕ, ТРОС, ШПОНОЧНОЕ СОЕДИНЕНИЕ ИСХОДНЫЕ ДАННЫЕ
Рис. 1 – Схема привода аэросаней
ВВЕДЕНИЕ Редукторами называются механизмы, состоящие из передач зацепления с постоянным передаточным отношением, заключенные в отдельный корпус и предназначенные для понижения угловой скорости выходного вала по сравнению с входным. Редуктор - неотъемлемая составная часть современного оборудования. В приводах общемашиностроительного назначения, разрабатываемых при курсовом проектировании, редуктор является основным и наиболее трудоемким узлом. Основная цель этого курсового проекта по основам конструирования деталей машин – привить студенту навыки конструкторского труда: умение самостоятельно, на основании заданной схемы, выбрать конструкцию механизма, обосновать ее расчетом и конструктивно разработать на уровне технического проекта. СПИСОК УСЛОВНЫХ ОБОЗНАЧЕНИЙ, СИМВОЛОВ, СОКРАЩЕНИЙ
1. ОПРЕДЕЛЕНИЕ ОСНОВНЫХ ПАРАМЕТРОВ СБОРОЧНОГО УЗЛА 1.1 Определение мощности двигателя и элементов исполнительного органаМощность двигателя задана поэтому ее определять не нужно1.2 Определение передаточного отношения редуктора Истинное передаточное отношение редуктора находим по формуле:
Разбиваем передаточное отношение на ступени
где
2. РАСЧЕТ ПРЯМОЗУБОЙ ЦИЛИНДРИЧЕСКОЙ ПЕРЕДАЧИ I -ОЙ СТУПЕНИ Привод от электродвигателя Мощность, подводимая к валу шестерни Частота вращения шестерни Срок службы Принимаем число зубьев шестерни равное По заданному передаточному отношению вычисляем число зубьев шестерни:
Определяем частоты вращения валов: — ведущего:
— ведомого:
2.1 Проектировочный расчет 2.1.1 Подбор материалов Таблица 1 - Принятые материалы для колеса и шестерни I-ой ступени
2.1.2 Определение числа циклов перемены напряжений колеса и шестерни Числа циклов перемены напряжений шестерни и колеса:
где 2.1.3 Определение допускаемых напряжений Определение контактных допускаемых напряжений
где
Принимаем окружную скорость
В качестве расчетного значения принимаем Определение изгибных допускаемых напряжений
так как Коэффициент безопасности при работе зубьев на изгиб
где
Тогда
Определение предельных допускаемых напряжений
Определение коэффициентов расчетной нагрузки Коэффициенты расчетной нагрузки соответственно при расчетах на контактную и изгибную выносливость
|
| Элемент передачи | Заготовка | Марка стали | Термообработка | Твердость сердцевины | Твердость поверхности не менее | Базовое число циклов | ||
| шестерня | поковка | 40ХН | Улучшение | 850 | 600 | HB 230-305 | HRС45-48 | |
| колесо | поковка | 40ХН | Улучшение | 850 | 600 | HB 230-305 | HRC42-45 |
|
3.1.2 Определение числа циклов перемены напряжений колеса и шестерни
Числа циклов перемены напряжений шестерни и колеса:
где
и
- количество контактов зубьев шестерни и колеса соответственно за один оборот (принимаем их равными 1).
3.1.3 Определение допускаемых напряжений
Определение контактных допускаемых напряжений
,
где
- предел контактной выносливости

- коэффициент безопасности для поверхностно-уплотненных зубьев равен 1,2.
- коэффициент, учитывающий шероховатость поверхности сопряженных зубьев, принимают в зависимости от класса шероховатости: для 5-го класса -
.
- коэффициент долговечности, так как
и
, то ![]()
Принимаем окружную скорость
, тогда для закрытых передач
для ![]()
.
![]()
.
В качестве расчетного значения принимаем
.
Определение изгибных допускаемых напряжений
,
так как
и
, то
.
Коэффициент безопасности при работе зубьев на изгиб
,
где
- коэффициент, учитывающий нестабильность свойств материала зубчатого колеса и степень ответственности передачи;
(для поковок) - коэффициент, учитывающий способ получения заготовки колеса.
Тогда
.
- коэффициент, учитывающий шероховатость переходной поверхности зуба. Для шлифованных и фрезерованных зубьев при классе шероховатости не ниже 4-го
.
- коэффициент, учитывающий упрочнение переходной поверхности зуба. При отсутствии упрочнения
.
- коэффициент, учитывающий влияние двухстороннего приложения нагрузки:
- при работе зубьев одной стороной
по ![]()
.
Определение предельных допускаемых напряжений
![]()
.
3.1.4 Определение коэффициентов расчетной нагрузки
Коэффициенты расчетной нагрузки соответственно при расчетах на контактную и изгибную выносливость
,
где
и
- коэффициенты неравномерности распределения нагрузки по длине контактных линий
;
- коэффициенты динамичности нагрузки
.
3.1.5 Определение начального (делительного) диаметра шестерни

где
по
- коэффициент ширины шестерни относительно ее диаметра;
- для стальных колес при 20-градусном зацеплении без смещения рекомендуется принимать при расчете прямозубых цилиндрических передач.
Вращающий момент на валу колеса:
.
Таким образом,
.
Из конструктивных соображений принимаем
.
3.1.6 Определение модуля зацепления
.
Округляя это значение до ближайшего стандартного по ГОСТ9563-60, получаем
.
Тогда
,
.
Межосевое расстояние
.
3.2. Проверочный расчет
3.2.1 Проверка передачи на контактную выносливость
,
где
- коэффициент, учитывающий форму сопряженных поверхностей зубьев;
- коэффициент, учитывающий суммарную длину контактных линий.
Уточняем окружную скорость:
.
Уточняем коэффициент расчётной нагрузки:
,
где
- удельная окружная динамическая сила;
- коэффициент, учитывающий влияние вида зубчатой передачи и модификации профиля зубьев;
- коэффициент, учитывающий влияние разности основных шагов зацепления зубьев шестерни и колеса;
- полезная окружная сила;
- ширина зубчатого венца.
Cледовательно,
;
;
.
![]()
Сравнение действующих контактных напряжений с допускаемыми:
![]()
![]()
3.2.2 Проверка зубьев передачи на изгибную выносливость
![]()
Определю коэффициенты формы зубьев шестерни и колеса:
для ![]()
для ![]()
,
,
так как 104,33<117,62 проверяем зуб шестерни:
,
где
- коэффициент, учитывающий перекрытие зубьев, при 5-й степени точности
.
3.2.3 Проверка на контактную и изгибную прочность при действии максимальной нагрузки
Проверка на перегрузку, на предотвращение пластической деформации или хрупкого излома.
,
.
3.2.4 Определение геометрических и других размеров колеса и шестерни
- диаметр вершин зубьев:
,
,
- диаметр впадины зубьев:
,
.
,
.
Определяем диаметр отверстия под вал в колесе:
,
![]()

где
.
Принимаем из конструктивных соображений
.
4. ПРОЕКТИРОВАНИЕ ВАЛОВ
4.1 Проектировочный расчет валов
Основными условиями, которым должна отвечать конструкция вала являются достаточная прочность, обеспечивающая нормальную работу зацеплений и подшипников; технологичность конструкции и экономию материала. В качестве материала для валов используют углеродистые и легированные стали.
Расчет вала выполняется на усталостную прочность.
За материал валов принимаем сталь 40ХН, с характеристикой:
- временное сопротивление разрыву;
- предел выносливости при симметричном цикле напряжений изгиба;
- предел выносливости при симметричном цикле напряжений кручения;
-коэффициенты чувствительности материала к асимметрии цикла напряжений соответственно при изгибе и кручении.
Для быстроходного вала рассчитываем диаметр вала под муфту из условия прочности, так как это наименьший диаметр вала, остальные диаметры и длины будут задаваться конструктивно:

Принимаем: d1 =32 мм l1 =40 мм
d2 =40 мм l2 =70 мм
d3 =50 мм l3 =5 мм
d4 =94,5 мм l4 =34 мм
d5 =50 мм l5 =5 мм
d6 =40 мм l6 =20 мм
где:
1 – размеры вала под муфту; 2 – под уплотнение и подшипник; 6 – под подшипники; 3,5 – свободные размеры вала; 4-под шестерню. Так же на валу есть шестерня, ее размеры были рассчитаны в п.2.1.3.4.

Для промежуточного вала выбираем размер под колесо из расчета зубчатых передач d2 =46 мм, остальные размеры задаем конструктивно:
Принимаем: d1 =40 мм l1 =24 мм
d2 =46 мм l2 =65 мм
d3 =56 мм l3 =5 мм
d4 =46 мм l4 =44 мм
d5 =94,5 мм l5 =60 мм
d6 =46 мм l6 =7 мм
d7 =40 мм l7 =25 мм
где:
1,7 – размеры вала под подшипники; 2 – под колесо; 3,4,6 – свободный размер вала, 5 шестерня. Так же на валу есть шестерня, ее размеры были рассчитаны в п.2.2.3.4.
Для тихоходного вала рассчитываем диаметр вала под муфту из условия прочности, так как это наименьший диаметр вала, остальные диаметры и длины будут задаваться конструктивно:

Принимаем: d1 =67 мм l1 =82 мм
d2 =75 мм l2 =90 мм
d3 =85 мм l3 =75 мм
d4 =75 мм l4 =27 мм
где:1 – размеры вала под муфту; 2 – под уплотнение и подшипник; 4 – под подшипники; 3 – под колесо.
4.2 Проверочный расчет валов
Для расчета вала на сложное сопротивление необходимо составить его расчетную схему:
- разметить точки, в которых расположены условные опоры;
- определить величину и направление действующих на вал сил: окружной
, радиальной
, осевой
. А также точки их приложения. Поскольку на валы не действуют осевые силы, то
.
Приведем расчет быстроходного вала (рис. 4.1):

Рис. 4.1 – Расчетная схема быстроходного вала на сложное сопротивление
Длины расчетных участков находятся после предварительного проектирования:

Силы действующие на входной вал:
![]()
![]()
![]()
Вертикальная плоскость:
а) Определяем опорные реакции
![]()
![]()
Проверка:
![]()
![]()
б) строим эпюру изгибающих моментов относительно оси х в характерных сечениях:
Горизонтальная плоскость:
а) Определяем опорные реакции
![]()
![]()
![]()
Проверка:
![]()
![]()
б) строим эпюру изгибающих моментов относительно оси y в характерных сечениях:
Строем эпюру крутящих моментов:
Определяем суммарные радиальные реакции:
![]()
![]()
Определяем суммарные изгибающие моменты в наиболее нагруженных сечениях:
Наиболее опасным является третье сечение.
Осевой момент инерции:
Полярный момент инерции:
;
Суммарное напряжение изгиба:
Суммарное напряжение кручения:
.
Суммарное эквивалентное напряжение:
.
Проведем расчет промежуточного вала:
Длины расчетных участков находятся после предварительного проектирования:

Силы действующие на входной вал:
![]()
![]()
![]()
![]()
Вертикальная плоскость:
а) Определяем опорные реакции
![]()
![]()
Проверка:
![]()
![]()
б) строим эпюру изгибающих моментов относительно оси х в характерных сечениях:


Рис. 4.2 – Расчетная схема промежуточного вала на сложное сопротивление
Горизонтальная плоскость:
а) Определяем опорные реакции
![]()
![]()
![]()
Проверка:
![]()
![]()
б) строим эпюру изгибающих моментов относительно оси y в характерных сечениях:
Строем эпюру крутящих моментов:
Определяем суммарные радиальные реакции:
![]()
![]()
Определяем суммарные изгибающие моменты в наиболее нагруженных сечениях:
Наиболее опасным является третье сечение.
Осевой момент инерции:
Полярный момент инерции:
;
Суммарное напряжение изгиба:
Суммарное напряжение кручения:
.
Суммарное эквивалентное напряжение:
.
Проведем расчет тихоходного вала:
Длины расчетных участков находятся после предварительного проектирования:
![]()
Силы действующие на входной вал:
![]()
![]()
![]()
Вертикальная плоскость:
а) Определяем опорные реакции
![]()
![]()
Проверка:
![]()
![]()
б) строим эпюру изгибающих моментов относительно оси х в характерных сечениях:

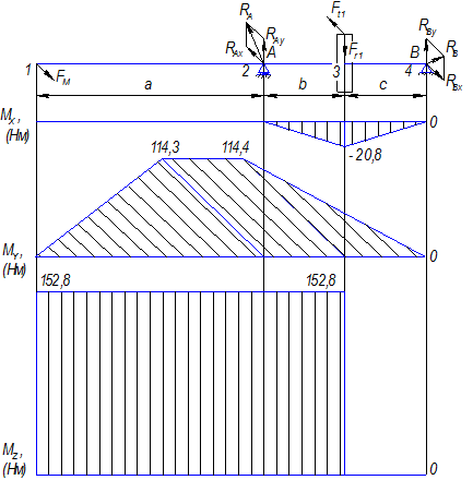
Рис.4.3 – Расчетная схема тихоходного вала на сложное сопротивление
Горизонтальная плоскость:
а) Определяем опорные реакции
![]()
![]()
![]()
Проверка:
![]()
![]()
б) строим эпюру изгибающих моментов относительно оси y в характерных сечениях:
Строем эпюру крутящих моментов:
Определяем суммарные радиальные реакции:
![]()
![]()
Определяем суммарные изгибающие моменты в наиболее нагруженных сечениях:
Наиболее опасным является третье сечение.
Осевой момент инерции:
Полярный момент инерции:
;
Суммарное напряжение изгиба:
Суммарное напряжение кручения:
.
Суммарное эквивалентное напряжение:
.
Расчет валов на усталостную выносливость:
![]()
где
коэффициент запаса по нормальным напряжениям;
коэффициент запаса по касательным напряжениям;
![]()
![]()
где
пределы выносливости материала соответственно при изгибе и кручении с симметричным знакопеременным циклом,
![]()
амплитудные напряжения,
коэффициенты, характеризующие чувствительность материала к асимметрии цикла напряжений, ![]()
средние значения напряжений, ![]()
суммарные коэффициенты, учитывающие влияние всех факторов,
Расчет быстроходного вала:

![]()

Расчет промежуточного вала:

![]()

Расчет тихоходного вала:

![]()

5 . РАСЧЕТ ПОДШИПНИКОВ НА ДИНАМИЧЕСКУЮ ГРУЗОПОДЪЕМНОСТЬ
Основные критерии работоспособности подшипников качения – его динамическая и статическая грузоподъемности. Метод подбора по динамической грузоподъемности применяют в случаях, когда частота вращения кольца превышает
.
Исходя из конструкции механизма, подбираем:
1) подбираем два шариковых радиальных подшипника номер 208 ГОСТ 8338-75 на быстроходный вал:
![]()
Необходимо обеспечить номинальную долговечность
при условии, что ![]()
![]()
Определяем эквивалентную нагрузку:
.
Определяем расчетную долговечность по формуле:
где
- показатель степени:
- для шарикоподшипников и р=3,33 для роликоподшипников.
![]()
2) один роликоподшипник 32508 ГОСТ 8328-75 и один шарикоподшипник номер 208 ГОСТ 8338-75 на промежуточный вал:
![]()
![]()
Необходимо обеспечить номинальную долговечность
при условии, что ![]()
![]()
Определяем эквивалентную нагрузку:
.
![]()
Определяем расчетную долговечность по формуле:
![]()
![]()
3) два шариковых радиальных подшипника номер 215 ГОСТ 8338-75 на тихоходный вал:
![]()
Необходимо обеспечить номинальную долговечность
при условии, что ![]()
![]()
Определяем эквивалентную нагрузку:
![]()
Определяем расчетную долговечность по формуле:
![]()
6. РАСЧЕТ ШПОНОЧНОГО СОЕДИНЕНИЯ
Все шпонки проверяем на смятие:
где:
заглубление шпонки в вал;
высота шпонки;
длина поверхности воспринимающая смятие;
диаметр вала;
вращающий момент на валу.
Проверка шпонки
по ГОСТ 23360-78 под муфту на быстроходном валу.
Проверка шпонки
по ГОСТ 23360-78 под колесо на промежуточном валу.
Проверка шпонки
по ГОСТ 23360-78 под муфту на быстроходном валу.
Проверка шпонки
по ГОСТ 23360-78 под муфту на быстроходном валу
Все шпонки проходят по прочности
7. РАСЧЁТ БОЛТОВ КРЕПЛЕНИЯ РЕДУКТОРА К РАМЕ
Будем определять осевую нагрузку, которая действует на болт при креплении корпуса редуктора к раме. Число болтов Z = 4.
Считая, что предварительная затяжка одинакова для всех болтов и обеспечивает нераскрытие стыка при действии внешнего момента Tкр , и предполагая, что нагрузка между болтами и поверхности стыка изменяется по линейному закону, можно записать формулу в первом приближении для определения внешней силы Fвн [2].
Число болтов z = 4; L=455 мм; B=245 мм; h=180 мм; a=190 мм.



![]()
![]()
![]()
![]()
![]()
![]()
По ГОСТ 8724-81 выбираем резьбу
(мм).
По ГОСТ 7798-81 принимаем болт М16х55.
8. ВЫБОР КОНСТРУКЦИИ И РАСЧЁТ МУФТ
Муфты применяют практически во всех машинах и механизмах. Конструкция муфт весьма разнообразна. Тип муфты выбирают в зависимости от требований, которые предъявляют в данном приводе. Например, муфта должна компенсировать несоосность валов, уменьшать динамические нагрузки, предохранять привод от перегрузки, позволять включение и выключение привода.
Привод аэросаней имеет две муфты. Одна из них соединяет двигатель и редуктор. Чаще всего здесь применяют муфты с резиновыми упругими элементами. Выберем муфту упругую втулочно-пальцевую МУВП 63-24-1-ІІ-2-У3 ГОСТ 21494-93 по диаметру выходного вала выбранного двигателя 24 мм. Проверим муфту по передаваемому моменту:
,
где K
=
1,3-
коэффициент динамичности нагрузки (привода);
- максимальный момент;
.
Вторая муфта находится между редуктором и винтом. Выбираем карданную муфту так как она может передать крутящий момент не соосно а параллельно что нам и требуется.
Проверим муфту по передаваемому моменту:
,
где K
=
1,3-
коэффициент динамичности нагрузки (привода);
- максимальный момент;
.
9. РАЗРАБОТКА СИСТЕМЫ СМАЗКИ И НАЗНАЧЕНИЕ ТИПА СМАЗОЧНОГО МАТЕРИАЛА ДЛЯ ПРОЕКТИРУЕМОГО МЕХАНИЗМА
Смазку машин применяют в целях защиты от коррозии, снижения коэффициента трения, уменьшения износа, отвода тепла и продуктов износа от трущихся поверхностей, снижения шума и вибраций.
В связи с малыми окружными скоростями, предполагаемым состоянием окружающей среды и температурного режима работы колес подшипники набиваем консистентной смазкой солидол синтетический по ГОСТ 4366-76.
Для редукторов общего назначения применяют смазку жидким маслом. Способ смазки – картерный непроточный (окунанием зубчатых колёс в масло, залитое в корпус).
Исходя из передаваемой мощности, назначаем количество смазки, заливаемой в картер редуктора (0,3 л на 1 КВт). Таким образом, для заливки в картер назначаем 24 л ± 0,1 л смазки. Марку смазки определяем по окружной скорости зубчатого колеса на промежуточном валу.
Скорости
м/с соответствует смазка, имеющая значение кинематической вязкости
м2
/с. Этим условиям соответствует масло цилиндровое 38 ГОСТ 21743-76.
10. КОМПОНОВКА И РАЗРАБОТКА ЧЕРТЕЖА РЕДУКТОРА
Размеры валов и подшипников в значительной мере определяются компоновочными размерами прямозубых цилиндрических передач, взаимным расположением агрегатов привода, заданными габаритными размерами привода.
Поэтому после расчета передач и установленных размеров их основных деталей приступают к составлению компоновочных чертежей узлов, агрегатов и всего привода.
Компоновка привода определяется его назначением, предъявленными к нему требованиями, зависит от компоновки отдельных агрегатов.
11 . РАСЧЕТ УЗЛА ВИНТА
Основными нагрузками действующими на вал редуктора являются: максимальный крутящий момент, сила тяги винта, вес винта, гироскопический момент возникающий при виражах саней, когда изменяется направление оси вращения винта и центробежная сила неуравновешенных масс винта. Поэтому рассчитываем вал на прочность учитывая все эти нагрузки.
Максимальный вращающий момент Т=1525 Нм
Сила тяги винта FаВ , сжимающая вал, ее максимальное значение при работе винта на старте.
;
где РДВ – мощность двигателя;
ηВ = 0,65…0,85 – КПД винта;
V – скорость движения.
Вес винта
![]()
где n – коэффициент силовой перегрузки;
ρ – плотность материала;
V- усредненный объем винта.
Центробежная сила неуравновешенных масс винта FЦБ , которой обычно пренебрегают вследствие ее малости по сравнению с другими силами.
Гироскопический момент МГ возникающий при виражах саней рассчитывается по формуле:
![]()
где J – момент инерции винта относительно оси вращения, кг м2 ;
ω – угловая скорость вращения вала винта;
Ω – средняя угловая скорость вращения ЛА;
![]()
![]()
Момент инерции винта находим из выражения J=mr2 =5.247 кг м2
Радиус инерции определяем через наибольший радиус лопасти r=εR=0.35*0.9=0.315 м.
Проектировочный расчет вала
Предварительно определяем диаметр вала из условия его работы на кручение

где Ткр – вращающий момент Нм
τКР – условное допускаемое напряжение при кручении МПа
Принимаем диаметр равный 30мм
10.7 Проверочный расчет
Для расчетной схемы определяем реакции опор
М - 0,1RB + MГ + 0,185G = 0;
RB = 6550 H;
0,1 RА + М - MГ – 0,085G = 0;
RА = 6020 H.
Определяем суммарный изгибающие моменты
![]()
Определяем статическую прочность вала в опасном сечении
![]()

Определяем коэффициенты запасов усталостной прочности в опасных сечениях

где Sσ – коэффициент запаса по нормальным напряжениям
![]()
Sτ – коэффициент запаса по касательным напряжениям
![]()
![]()
![]()
![]()
![]()
![]()
Расчет подшипников
Для принятой расчетной схемы определяем реакции в опорах.
Изгибающие моменты: а) Момент от муфты 209Нм; б) Гироскопический момент 347Нм; осевая реакция в опоре F = 132.48H.
Вертикальная составляющая в опорах
0.1RB – MГ – М – 0,185F = 0;
RB = 5805 H;
М – 0,1RA – MГ – 0,085F = 0;
RA = 5447 Н.
Горизонтальная составляющая в опорах
0.1RB – MГ – М – 0,185G = 0;
RB = 6540 H;
М – 0,1RA – MГ – 0,085G = 0;
RA = 6010 Н.
Суммарные реакции в опрах
Опора А: ![]()
Опора В: ![]()
Для наиболее нагруженной опоры рассчитываем эквивалентную нагрузку F.
По рекомендациям принимаем V=1, Кб =1, Кт =1.
Эквивалентную нагрузку вычисляем по формуле:
![]()
Определяем расчетный ресурс в миллионах оборотов
![]()
Определяем динамическую грузоподъемность подшипника

По справочным данным принимаем роликовый конический однорядный с упорным бортом на наружном кольце подшипник № 67214 ГОСТ3169-71 .
10.9 Проверяем подшипник на быстроходность
![]()
ЗАКЛЮЧЕНИЕ
В данной курсовой работе в соответствии с полученным заданием спроектирован двухступенчатый цилиндрический редуктор как составная часть привода транспортера для транспортирования штучныхгрузов.
В результате проектировочных расчетов получены конкретные параметры деталей механизма, участвующих в передаче движения, таких как: колесо, шестерня, тихоходный, промежуточный и быстроходный валы, крышки редуктора и т.д.
Детали корпуса изделия, крепления и другие элементы разработаны конструктивно. Произведен подбор стандартных деталей крепежа.
СПИСОК ИСПОЛЬЗУЕМОЙ ЛИТЕРАТУРЫ
1. Киркач Н.Ф., Баласанян Р.А. Расчет и проектирование деталей машин, Х.: Основа, 1991, 276 с.
2. Анурьев В.И. «Справочник конструктора-машиностроителя» (3 тома). М., 1980.
3. Алферов В.В. “Визначення геометричних параметрiв та якiсних показникiв змiщення евольвентного зачеплення”, ХАI, 1999 р.
4.Бейзедьман Р.Д., Цыпкин Б.В., Перель Л.Я. ”Подшипники качения” (справочник), М. “Машиностроение”,1975, 574 с.
5. Иванов М.Н. Детали машин. Учебн. - М.: Высшая школа, 1984, 336 с.
6. Чернин И.М., Кузьмин А.В., Ицкович Г.М. «Расчеты деталей машин» (справочное пособие). Издание 2-е, переработанное и дополненное. – Минск: «Высшая школа», 1978 – 472 с.
7. Чернавский С.А., Снесарев Г.А., Боков К.Н. «Проектирование механических передач». Учебно-справочное пособие по курсовому проектированию механических передач. Издание пятое, переработанное и дополненное. – Москва: «Машиностроение», 1984 – 560 с.


,
,
,
,
- удельная окружная динамическая сила;
- коэффициент, учитывающий перекрытие зубьев, при 5-й степени точности
,
.