Курсовая работа: Автоматизация технологических процессов на горнорудных предприятиях
|
Название: Автоматизация технологических процессов на горнорудных предприятиях Раздел: Промышленность, производство Тип: курсовая работа | |||||||||||||||||||||||||||||||||||
Содержание 1. Введение АСУ ТП процесса измельчения 2. Описание технологического процесса Подача руды Процесс измельчения Конструкции вращающихся барабанных мельниц Режим работы мельниц 3. Моделирование АИС Концептуальная модель Процесс измельчения как управляемый объект Функциональная структура проектируемой системы Описание режимов функционирования объекта Язык моделирования UML: диаграмма использования и диаграмма классов Построение функциональной модели Информационно-логическая модель Составление структуры базы данных Доступ к БД процесса, запросы и протоколы Формирование протоколов Протоколы обслуживания Операции управления, выполняемые с использованием БД Проверка достоверности исходных данных Построение графиков Имитационная модель 4. Глоссарий 5. Заключение 6. Литература Введение АСУ ТП процесса измельчения Измельчение и классификация минерального сырья являются основными подготовительными операциями перед его обогащением. Измельчение сырья производится в стержневых и шаровых мельницах, а также в мельницах мокрого измельчения. Мельница и классификатор могут работать последовательно, раздельно или в замкнутом цикле друг с другом. Измельчение—процесс уменьшения крупности твердых частиц в результате различных физических воздействий. В отличие от дробления крупность измельченного продукта не превышает 5 мм. В практике обогащения полезных ископаемых измельчение применяется для раскрытия рудных зерен, имеющих размер от 5 мм до долей миллиметра. Из всех технологических переделов горно-обогатительного комбината измельчение является наиболее энергоемким процессом. Технологические и технико-экономические показатели работы фабрики во многом определяются процессом измельчения, на долю которого приходится около 15% общего объема информации, используемой при автоматическом контроле и управлении технологическим процессом переработки руды. При автоматизации процессов измельчения необходимо решать ряд задач: 1. Автоматический контроль состояния механизмов: a) температуры подшипников механизмов и машин; b) параметров системы маслосмазки; c) состояния перегрузочных узлов отделения измельчения; d) длительности работ и простоя технологических механизмов. 2. Автоматический контроль технологических параметров цикла измельчения: a) производительности цикла по исходной руде; b) расхода воды, подаваемой в цикл измельчения; c) гранулометрического состава продукта измельчения (слива классифицирующего аппарата); d) заполненности барабана мельницы рудой; e) загрузки мельницы дробящей средой; f) уровня пульпы в зумпфах насосов гидроциклонов; g) циркуляционных нагрузок цикла измельчения. 3. Автоматическое управление циклом измельчения: a) Стабилизацией технологических параметров цикла; b) Оптимизацией работы цикла. Зачем нужна автоматизация процессов измельчения? С одной стороны, автоматизация данного процесса предназначена для поддержания требуемых режимов измельчения и классификации в условиях изменяющегося качества измельчаемого сырья и других условий измельчения (загрузки мелющих тел, водных режимов, циркуляционной нагрузки и прочее). С другой, автоматизация – снижение издержек производства и максимизация прибыли. Оба мнения справедливы, поэтому следует учитывать как мнение технологов, так и мнение инвесторов, поскольку они не противоречат, а взаимно дополняют друг друга. Что мы имеем на сегодняшний день? Уровень автоматизации процессов измельчения сильно отличается на различных предприятиях: от практически нулевого уровня до достаточно развитых систем интеллектуальной оптимизации процесса. Наиболее типичные задачи автоматизации, решаемые посредством введения контуров стабилизации соответствующих технологических параметров в порядке уменьшения их распространенности: - стабилизация расхода руды в мельницу; - стабилизация соотношения «руда-вода» посредством подачи воды в мельницу; - стабилизация плотности слива классифицирующего аппарата (классификатора или гидроциклона) подачей дополнительной воды в классификатор или ЗУМПФ. В 95% случаев автоматизация процессов измельчения этим и ограничивается. В данной курсовой работе я попытаюсь создать АИС управления процессом измельчения воздействием на подачу исходной руды в цикл и расхода воды в мельницу. Целью курсовой работы является обучение практическим приемам математического моделирования автоматизированных информационных систем. Целью создания автоматизированной системы является повышение эффективности функционирования технологического комплекса за счет улучшения системы регулирования и контроля подачи исходной руды и расхода воды в мельницу. Условием достижения поставленной цели является улучшение качества и оперативности обработки информации. Описание технологического процесса Подача руды Руда качающимся питателем подается на ленточный конвейер. На ленточном конвейере перед подачей руды в мельницу установлены конвейерные весы для учета веса руды.
Процесс измельчения Измельчение сырья производится в стержневых и шаровых мельницах, а также в мельницах мокрого измельчения. Применяемые для измельчения различных материалов барабанные мельницы различаются по форме барабана, характеру среды и измельчающих тел, по способу разгрузки измельченного продукта и по принципу действия. На современных обогатительных фабриках применяются преимущественно мельницы с барабанами цилиндрической формы различной длины. Трубная мельница является разновидностью цилиндрической и отличается удлиненной формой барабана. В зависимости от характера среды барабанные мельницы бывают для сухого и для мокрого измельчения. В качестве измельчающих тел для барабанных мельниц применяются стальные шары и стержни, керамические шары, природная галька и крупные куски руды. По способу разгрузки измельченного продукта барабанные мельницы бывают с разгрузкой через решетку, с периферической разгрузкой и с центральной разгрузкой через полую цапфу. По принципу действия барабанные мельницы бывают вращающиеся, вибрационные и центробежные. Степень измельчения, так же как и степень дробления, определяется отношением максимального размера зерен исходного продукта к максимальному размеру зерен (измельченного продукта). Конструкции вращающихся барабанных мельниц Шаровая мельница с разгрузкой через решетку МШР (рис. 2) состоит из барабана, коренных подшипников 2 и 3, и питателя 4. Барабан состоит из загрузочной, разгрузочной и средней частей. Загрузочная часть представляет торцовую крышку 5, отлитую вместе с цапфой. В цапфе установлен загрузочный патрубок 6, внутри которого предусмотрены винтовые направляющие для подачи материала из питателя внутрь барабана. Одновременно патрубок служит для защиты внутренней поверхности цапфы от износа. Средняя часть мельницы представляет барабан, к которому болтами крепятся торцовые крышки. Внутри барабан футеруется бронеплитами 7, которые крепятся на болтах 8. Разгрузочная часть включает торцовую крышку 9 с цапфой 10, разгрузочную решетку, лифтеры 12, внутри цапфы устанавливается разгрузочная воронка 13. Барабан, устанавливаемый в подшипниках 2 и 3, получает вращение от электродвигателя через зубчатый венец 14. Исходный материал подается в мельницу через отверстие 15 питателя, измельченный разгружается через щелевидные отверстия решетки в лифтеры, из которых при повороте барабана сливается в горловину разгрузочной цапфы. Разгрузочная цапфа выполняется несколько большего размера, чем загрузочная, что облегчает продвижение пульпы вдоль барабана мельницы. Мельницы типа МШР характеризуются укороченным барабаном (отношение длины барабана к диаметру составляет не более 1:1), благодаря чему они выдают измельченный продукт с меньшим содержанием шламов, чем мельницы с центральной разгрузкой. Благодаря более высокому заполнению мельниц типа МШР мелющими телами, удельная производительность этих мельниц увеличивается на 10—15%.
Рис 2. Шаровая мельница с решеткой Режим работы мельниц - Частота вращения барабана. При повышении частоты вращения барабана до критической наступает момент, когда центробежные силы уравновешивают силы тяжести мелющих тел, которые, не отрываясь, начинают вращаться вместе с внутренней поверхностью барабана, и измельчение руды практически прекращается. Критической частотой вращения барабана называют такую частоту, при которой мелющие тела прижимаются центробежной силой к внутренней поверхности барабана и вращаются вместе с барабаном, не отрываясь. Критическая частота вращения вычисляется по формуле nкр = 42,3 / √D(об/мин) где в — диаметр барабана мельницы, м.
При работе мельницы частота вращения барабана должна быть меньше критической. В зависимости от частоты вращения барабана в мельнице создаются различные режимы измельчения (рис. 23). Если фактическая частота вращения барабана составляет не менее 0,76—0,88 критической, создается так называемый водопадный режим измельчения, когда основная масса мелющих тел поднимается вместе с внутренней поверхностью вращающегося барабана на некоторую высоту, а затем, отрываясь, свободно падает под действием сил тяжести по траекториям, близким к параболическим. Измельчение рудных зерен в данных условиях происходит преимущественно ударом. Водопадный режим применяется при измельчении более крупного материала (в первой стадии). Смешанный режим измельчения характеризуется тем, что одна часть мелющих тел участвует в свободном полете, другая часть — перекатывается внутри барабана по замкнутым траекториям, подвергая руду измельчению ударом и истиранием. Смешанный скоростной режим имеет место при мокром измельчении руд в шаровых мельницах; скорость вращения составляет 0,6—0,76 от критической. Каскадный режим наиболее тихоходный, скорость вращения барабана составляет 0,5—0,6 от критической. При измельчении в каскадном режиме свободный полет мелющих тел исключен. При установившемся каскадном режиме мелющие тела непрерывно циркулируют внутри барабана, поднимаясь по круговым траекториям на некоторую высоту, затем скатываясь под углом, близким к углу естественного откоса. При каскадном режиме руда измельчается преимущественно путем истирания. Производительность барабанных мельниц зависит от диаметра, рабочего объема и скорости вращения барабана, от массы и размера мелющих тел, от конструктивных особенностей мельницы, от измельчаемости руды, от крупности исходного и измельченного материала, от выхода циркулирующего продукта, от плотности пульпы в исходном питании. Моделирование АИС Основой разработки АИС является построение моделей производственных процессов, а также процессов сбора и обработки информации о ходе этих процессов. Общая цель моделирования подчинена цели любых естественно – научных исследований – прогнозировать результаты предстоящих экспериментов. Создание автоматизированной системы управления технологическим процессом измельчения является одним из этапов реконструкции обогатительной фабрики. АСУ ТП процесса измельчения предназначена для выполнения следующих задач: 1. управления технологическим процессом измельчения и классификации, руды на различных стадиях; 2. непрерывного измерения, контроля и регулирования технологических параметров; 3. диагностики и контроля состояния оборудования цеха измельчения. Концептуальная модель Построение концептуальной (содержательной) модели конкретного объекта является первым этапом моделирования. Основным содержанием этого этапа является переход от словесного описания к его математической модели. Процесс измельчения как управляемый объект Как управляемый объект, замкнутый цикл измельчения характеризуется следующими параметрами (рис. 4): 1. входные: - производительность цикла по исходной руде Q; - расход воды в мельницу Wм и классифицирующий аппарат Wкл; - гранулометрический состав Cx 1 и физико-механические свойства руды σ; - частота вращения барабана мельницы n; - количество мелющей среды φ; - влажность ω; - температура T1 исходной руды. 2. выходные: - объемный расход слива классифицирующего аппарата qсл ; - плотность δсл ; - гранулометрический состав Cx 2 ; - производительность цикла по готовому классу qг ; - мощность, потребляемая электроприводом мельницы P.
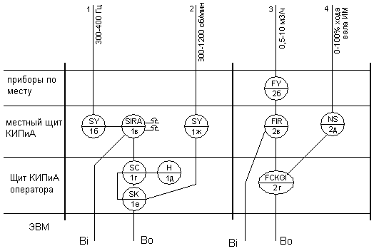
![]() Рис. 41. Структура замкнутого цикла измельчения Управляющими воздействиями могут служить: производительность цикла по исходной руде Q; расход воды в мельницу Wм. Цель моей работы создать систему управления процессом измельчения воздействием на подачу исходной руды в цикл и расхода воды в мельницу, т.е. регулировать и контролировать параметры Q и Wм, а также следить за состоянием оборудования. Контроль загрузки барабана мельницы рудой и циркулирующая нагрузка замкнутого цикла измельчения – естественные индикаторы, отражающие ход процесса измельчения и реагирующие на изменение всех параметров цикла. Степень загрузки мельницы рудой наиболее просто контролировать по уровню шума, производимого мелющими телами в зоне их падения. При уменьшении уровня загрузки уровень шума возрастает, при увеличении – уменьшается. Техническая реализация контроля наиболее проста при использовании амплитуды шумового сигнала. В этом случае в состав датчика входят микрофон, выпрямительная приставка, сглаживающий фильтр и выходной делитель напряжения. Датчик устанавливается вблизи мельницы в зоне падения шаров со стороны разгрузочной цапфы. Звуковые колебания воспринимаются микрофоном, преобразующим звуковые колебания в э.д.с. шумового сигнала. Ток выпрямляется, сглаживается и используется в системе контроля и регулирования. Недостаток этого метода контроля – чувствительность датчика к внешним звуковым помехам, например, от работающих рядом мельниц. Для устранения этого недостатка динамик или микрофон, воспринимающие шум мельницы, заключаются в специальный корпус с тройной звукопоглотительной решеткой на входе. Итак, первая моя задача – стабилизация уровня загрузки барабана мельницы рудой с воздействием на частоту вращения привода. Этот метод оправдывает себя, когда гранулометрический состав и физико-механические свойства исходной руды сравнительно постоянны. Основное преимущество этого принципа управления – простота технической реализации. Использование его при автоматическом управлении дает увеличение производительности измельчительного агрегата до 10%. В состав системы автоматического регулирования САР I (рис.5), реализующий этот принцип, входят следующие элементы:
Вторая задача - стабилизация расхода воды в барабан мельницы (Wм = const) с воздействием на положение регулирующего клапана трубопровода, подающего воду в мельницу. Этот принцип применим при условии стабилизации расхода руды в барабан мельницы, Принцип прост в технической реализации САР II (рис.5) .В качестве датчика расхода воды 2а используют различного рода сужающие устройства. Регулятор расхода воды 2г через исполнительный механизм 2е воздействует на клапан трубопровода воды в мельницу. В состав системы автоматического регулирования САР II входят следующие элементы:
Bi– ввод информации на ЭВМ оператора Bo– вывод информации с ЭВМ оператора вход информации
Рис. 5. Функциональная схема технической реализации принципов управления измельчения воздействием подачу исходной руды в цикл (САР I) и на расход воды в мельницу (САР II). Функциональная структура проектируемой системы Существующая система на предприятии должна иметь два уровня системы управления, так все данные фиксируются на местном щите мастера и на ЭВМ оператора. Первый (нижний уровень) должен осуществлять контроль результатов измерений и непосредственное цифровое управление по датчикам, исполнительным механизмам, выполнение необходимых переключений по командам верхнего уровня, автоматическим переключениям. Второй (верхний уровень) выполняет функции отображения данных о состоянии технологического процесса, архивировании полученных данных. Кроме того, на этом уровне нужно организовать сохранение всех изменений всех параметров, которые осуществил оператор, в базу данных, справочную систему и удобный интерфейс. Описание режимов функционирования объекта В общем случае все режимы функционирования технологического процесса управления процессом измельчения можно разделить на следующие группы: 1. Режим нормальной эксплуатации; 2. Предаварийные режимы эксплуатации; 3. Аварийные режимы эксплуатации. Допустимость тех или иных режимов работы определяется характеристиками и возможностями оборудования. В соответствии с общими принципами установка считается безопасной, если при длительной ее эксплуатации во всех режимах, включая аварийные, будет исключено серьезное повреждение потенциально опасных узлов, а также обеспечена соответствующая зашита персонала установки. Режимы нормальной эксплуатации включают в себя основные фазы производственного процесса: - непосредственно сам технологический процесс; - подготовку к пуску технологического комплекса (ТК); - запуск ТК; - останов ТК. Предаварийные режимы работы соответствуют следующим случаям: - параметры регулирования системы находятся в допустимых, но близких к критическим значениям; К числу аварийных режимов работы ТК следует отнести: - отключение электрического питания; - прекращение подачи воды; - режим работы, при появлении различного рода больших и малых течей на оборудовании и трубопроводах; - режим работы при выходе за определенные границы различных параметров регулирования; - при выходе из строя различных контролирующих устройств (датчиков); - при обрыве связи с объектом. Описание режимов должно быть представлено в виде логических правил, образующих базу знаний (БЗ). Логические правила, описывающие возникновение аварийных ситуаций в технологическом комплексе измельчения руды: Если прекращение подачи воды, то остановка мельницы, питателя и конвейера, перекрытие вентилей на водоподводящих трубах. Если нарушение герметичности оборудования и трубопроводов, то остановка мельницы, питателя и конвейера, перекрытие вентилей на водоподводящих трубах. Если прекратилась подача исходной руды, то остановка мельницы, питателя и конвейера, прекращение подачи воды. Если вышли из строя контролирующие устройства, то остановка мельницы, питателя и конвейера, прекращение подачи воды. Если обрыв ленты, то остановка мельницы, питателя и конвейера. Если заклинивание ленты, то остановка мельницы, питателя и конвейера. Язык моделирования UML Диаграмма использования
ИМ – исполнительный механизм РО – регулирующий орган Построение функциональной системы Обеспечение нормального функционирования системы включает в себя функции, ориентированные на решение задач управления, документального обоснования (оценки и обработки данных о технологических параметрах и аварийных ситуациях), контроля, направленного на предотвращение и устранение аварийных режимов работы модуля, анализ причин отклонения.
Мониторинг процесса осуществляется с периодичностью 0,5 с использованием датчиков. Он включает в себя контроль расхода воды и руды. Под мониторингом понимается не только сбор информации об объекте управления, но и регулировании параметров системы. Анализ процесса включает в себя непосредственно диагностику процесса, осуществляемую с применением средств автоматизации с известной степенью достоверности, фиксацию выхода контролируемого параметра за допустимые границы и анализ возникновения причин аварийных и предаварийных ситуаций. Документирование осуществляет сбор всей идущей информации с последующим отбором и хранением ее. Инфологическая модель является семантической моделью данных, т.е. переходом от функциональной модели к базе данных и показывает, какой информацией должно быть обеспечено выполнение конкретных функций. Информационно-логическая модель Для систематизации и уменьшения объема данных о процессе нужно рассмотреть природу соответствующей информации. Наиболее важные параметры, используемые в обработке измерений, включают в себя: - Указатели на данные измерений (идентификатор); - Адрес входного порта измерительной информации; - Интервал выборки; - Коэффициенты перерасчета сигнала; - Параметры датчика; - Пороговые значения (полоса гистерезиса с первым и вторым сигнальными пределами); - Результат измерений до и после обработки. Параметры описания объектов хранятся с БД процесса, которая представляет собой центральный элемент программного обеспечения управляющей системы. БД для автоматизированного управления процессом содержит для обработки следующей информации: - Параметры всех датчиков и исполнительных механизмов; - Параметры для расчета производных величин; - Определение возможных событий и соответствующих им реакций управляющих воздействий - Плановые показатели. Доступ к БД процесса, запросы и протоколы Доступ к информации, содержащейся в БД, выполняется с помощью трех основных операций, которые могут комбинироваться, - выбора, проекции и сортировки. Выбор (selection) определяет операцию для извлечения из базы данных только записей, удовлетворяющих заданным критериям. В нашей системе должны быть: - Выборка по сигналу датчика т.е. выборка параметра расходомера воды и параметра расхода руды в мельницу по уровню шума в ней); - Выборка по типу ситуации (нормальный режим работы, предаварийный, аварийный); Проекция (projection) – это список интересующих полей записи БД. Сортировка (sorting) означает упорядочение выбранных записей в соответствии с критерием. Сочетание трех основных операций порождает большое число вариантов обработки и анализа данных. Операция по извлечению информации из БД называется запросом. Формирование протоколов Важнейшей функцией системы управления является быстрое выявление недопустимых режимов и оповещение об этом оператора. Каждое изменение состояния, классифицированное как аварийное, должно быть зафиксировано специальном файле – журнал аварий – с указанием времени события. Специальный запрос – аварийный протокол – используется для поиска и вывода всех объектов БД, которые находятся в данный момент в аварийно состоянии. Как заполняется журнал предаварийных/аварийных ситуаций Протоколы обслуживания Важной составляющей работы является техническое обслуживание приборов и оборудования: - Подготовка к запуску; - Поверка состояния; - Замена изношенных приборов; - Калибровка датчиков; Очевидным решением является подготовка графиков планового обслуживания на определенный период, исходя из информации хранящейся в БД процесса. Операции управления, выполняемые с использованием БД В зависимости от режима работы различаются исполнительные команды: - Автоматический – управление с ЭВМ. В данной системе управления в БД хранятся указания на автоматические действия, которые выполняются в определенных ситуациях. Специальная таблица БД указывает, при каком значении некоторого параметра вызывается исполнительная команда. - Ручной – управление мастером на местном щите. Проверка достоверности исходных данных Для данной системы достоверность играет большую роль, так как ошибки во входных данных могут привести к некорректным управляющим действиям: 1. проверяем состояние оборудования; 2. величина входного сигнала лежит в пределах рабочего диапазона датчика (микрофон: 300-400Гц, расходомер: 0,5-10м3 /ч). Во избежание аварийных ситуаций определяют полосу гистерезиса вокруг порогового значения. Аварийный сигнал генерируется только тогда, когда входная величина превысит второе пороговое значение. Для того чтобы сбросить аварийный сигнал, входная величина должна снова пересечь первое пороговое значение. Новый аварийный сигнал может быть выработан после того, как второй порог будет достигнут снова. Построение графиков Построение графика изменений сигнала во времени или как функции сигнала позволяют выявить некоторые интересные детали: 1. исключительные или необычные возмущения; 2. потерю значений; 3. периодические колебания. Имитационная модель Задачи имитационной модели: хранение всех показаний датчиков, которые снимаются 1 раз в секунду, сравнение с пороговыми значениями, построение графиков, выявление аварийный и предаварийных ситуаций, смена режима работы, назначение ответственного. Все показания заносятся в журнал событий.
В течение работы программы можно менять режим работы: автоматический и на местном щите с помощью РО. При этом назначается ответственное лицо.
Все показания, вышедшие за пределы пороговых значений, заносятся в журнал предаварийных/аварийных ситуаций.
На вкладке 2 и 4 можно просмотреть графики показаний расхода воды и уровня шума в мельнице. Зеленая линия – первое пороговое значение, красная – значения, вышедшие за первое пороговое значение, заносятся в журнал предаварийных ситуаций. В зависимости от того, как меняется расход руды и уровень шума в мельнице можно посмотреть график изменения скорости ленты конвейера.
Глоссарий Руда – полезные ископаемые, которые содержат ценные компоненты в количестве, достаточном для того, чтобы их извлечение при современном состоянии техники и технологии было экономически выгодным. Обогащение полезных ископаемых – совокупность процессов механической переработки минерального сырья с целью извлечения ценных компонентов и удаления пустой породы и вредных примесей, которые не представляют практической ценности в данных технико-экономических условиях. Измельчение – процесс уменьшения крупности твердых частиц в результате различных физических воздействий. Концептуальная модель включает в себя краткое содержательное описание объекта, ориентированное на поставленную задачу. Инфологическая модель является логической основой проектирования баз данных и основана на трактовке данных в контексте их взаимосвязи с другими данными. Формализованная модель связывает выходные переменные объекта с управляющими и возмущающими воздействиями. Имитационная модель отражает динамические аспекты функционирования системы и предназначена для анализа основных процессов с учетом альтернативных вариантов их организации. Прецедент (ВИ – вариант использования) – специфицирует поведение системы или ее части и представляет собой описание множества последовательностей действий (включая варианты), выполняемых системой для того, чтобы исполнитель мог получить определенный результат Исполнитель (actor) называют сущность, обладающую поведением, например, человека или организацию. Выбор (selection) определяет операцию для извлечения из базы данных только записей, удовлетворяющих заданным критериям. В нашей системе должны быть: Проекция (projection) – это список интересующих полей записи БД. Сортировка (sorting) означает упорядочение выбранных записей в соответствии с критерием. Диаграмма классов (classdiagram) описывает типы объектов системы (сущности, характеризующиеся операциями (методами) и атрибутами) и различного рода статистических отношений между ними. ИМ – исполнительный механизм РО – регулирующий орган Заключение В процессе измельчения руды важно учитывать, контролировать и регулировать ряд параметров для нормального режима предприятия. Для этого создаются информационные системы управления. В данной работе я рассмотрела систему управления процесса измельчения воздействием на подачу исходной руды в цикл и расхода воды в мельницу под воздействием. Система позволяет: - регистрацию и сохранение параметров процесса в БД; - контроль за состоянием оборудования и приборов, контролирующих и регулирующих параметры процесса; - выявление предаварийных и аварийных ситуаций; - регулирование параметров с помощью мастера (ручной способ на местном щите) или оператора ЭВМ (автоматический: на ЭВМ). Литература 1. Арестова А.В., Ефремов В.Н. Теоретические основы автоматизированного управления. Автоматизация обогатительных фабрик. Уральский государственный горный университет. Екатеринбург 2005 2. Автоматизация технологических процессов на горнорудных предприятиях / под редакцией В.С. Виноградова. Недра. М. 1984 3. Зобнин Б.Б. Задания и методические указания по выполнению курсовой работы. Уральская государственная горно-геологическая академия. Екатеринбург 2003 4. Зобнин Б.Б., Сурин А.А. Информационные технологии. Конспект лекций. Уральский государственный горный университет. Екатеринбург. 2006 5. Троп А.А., Козин В.З., Прокофьев Е.В. Автоматическое управление технологическими прочесами обогатительных фабрик, Недра, М. 1986 |















