Реферат: Расчет усилителя на биполярном транзисторе
|
Название: Расчет усилителя на биполярном транзисторе Раздел: Рефераты по коммуникации и связи Тип: реферат | |
Расчетно-графическая работа по курсу электроники. Расчет однокаскадного усилителя. Вариант №25. Задание: Требуется рассчитать однокаскадный усилитель на биполярном транзисторе, схема которого приведена ниже. В этой схеме тип транзистора определяется полярностью заданного напряжения.
Порядок расчета усилителя: 1. Оценка предельных параметров работы транзистора: Uкэмах = 1,2 * 18= 21.6 в Rк выбираем в 3.5 раз меньше Rн, где Rн из условия задания = 420 ом Iкм = Uвых.мах. * (Rк + Rн) / Rк * Rн = 6 * (420 + 115) / 420 * 115 = 66.46 мА Предельно допустимое значение тока коллектора Ikmax = 2Ikm + 0.2Ikm = 66.46*2 + 66.46*0.2=146.22 мA Выбираем транзистор ГТ404В 2. Уточняем Iкmin. Для этого на входной ВАХ найдем ток базы, с которого предположительно начинается линейная часть входной ВАХ: Iкmin = 4 мА 3. На выходной ВАХ стоим линию нагрузки по постоянному току: Iкп = 66.46 + 4= 70.46 мА Uкп = 6 + 2 = 8 В, где DU=2 в, 4. Сопротивление коллекторной цепи Rоб = Rк + Rэ , Rоб = Eп/I = 18/0.12772 = 141 Ом, -> Rэ=141 – 115 = 26 Ом 5. Сопротивление Rэ попадает в диапазон 0,1 - 0,25 Rk 6. Построим линию нагрузки по переменному току: l= arctg ((Rk+Rн)/RкRн); Найдем точку пересечения нагрузочной линии по переменному току: Учитывая масштаб по осям Ox и Oy решая систему уравнений: Приходим к решению Ik*=158.46 мА В градусном измерении нельзя решать т.к. ветви имеют не одинаковый масштаб. 7. По выходной характеристике строим переходную характеристику, а на выходной характеристике эпюру изменения напряжения коллектора. 8. Напряжение покоя базы Uбэп = 0,65 В Ток покоя базы Iбп = 7,5 мА 9.Входное сопротивление каскада по переменному току: Rвх~ = Uбзm / Iбm = 400 Ом 10. Зададимся необходимым коэффициентом нестабильности S=4, отсюда найдем напряжение Rд; Rд = [S*(Rэ+h21 * Rэ)-h21*Rэ] / [h21-S] = (3224-780)/26=94 Ом 11.Определим вeличину разделительной емкости С2: C2=1 / [2hf (Rк + Rн) (M²-1)½] = 1/823151=1.22*10 12.Найдем емкость конденсатора Сэ: Cэ=10/2hfнRэ=10/2 * 3,14 * 250 * 26 = 2.45*10 13.Рассчитываем сопротивление делителя R1и R2: UR2 = Uбэп + (Iбп + Iкп) * Rэ = 0,65 + (0,0075 +0,07) ∙26 = 2,665 В Iдподбираем эмпирически по правилам (Iд = 3 * Iбн): =22.5 мА R2=UR2/Iд; R2 = 118.4444Ом; R1 = R2*Rд / (R2+Rд) = 53 Ом 14.Рассчитываем коэффициент усиления по напряжению: По графическим характеристикам: Ku~ = 6/0.06 = 100
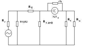
Для диапазона средних частот определим Ku~:
Анализируя схему работы транзистора на средних частотах получим Кu~ = h21э ∙ Rвх / Rк = 30 ∙ 400/115=104.34 Вывод: При выполнении данного расчетно – графического задания был использован германиевый транзистор ГТ 404В. Из расчета видно, что коэффициент усиления определенный графо – аналитическим методом мало отличается от коэффициента определенного из схемы замещения однокаскадного усилителя на средних частотах. Это связано с неточностью самого графо – аналитического метода и приближенность формул используемых при расчете. Но так как значения отличаются меньше чем на порядок то результаты расчета считаем удовлетворительными в рамках этого расчетно – графического задания.
Российской Федерации ХГТУ Кафедра «Электроника и электротехника»Расчетно – графическая работа Расчет усилительного каскада на биполярном транзисторе Выполнил: ст-т гр.ВМ-71 Спорыхин Денис ИгоревичПроверил: зав. кафедрой«Электроника и электротехника» Зелев Л.В. Хабаровск 2000 |



Министерство общего и профессионального образования