Реферат: Дискретные электронные устройства преобразователь кода
|
Название: Дискретные электронные устройства преобразователь кода Раздел: Рефераты по коммуникации и связи Тип: реферат | |||||||||||||||||||||||||||||||||||||||||||||||||||||||||||||||||||||||||||||||||||||||||||||||||||||||||||||||||||||||||||||||||||||||||||||||||||||||||||||||||||||||||||||||||||||||||||||||||||||||||||||||||||||||||||
| Утверждаю __________ Тихомиров П. И. “___” _____________ 2002 г. Задание на курсовое проектирование Учебная дисциплина: Дискретные электронные устройства Изделие: Преобразователь параллельного двоичного кода в последовательный 1 Исходные данные Число разрядов – 24. Изменение уровня – ‘1’, не изменение уровня – ‘0’. Моменты передачи информации(разрядов) от начала посылки (1.0+N*0.5)мкс ±0.02мкс, N=1,2,..24. Уровни сигналов – нижний (U0)≤0.4В; верхний (U1)≥2.4В. Срок предоставления к защите _________________________ Дата выдачи ЗКП “___” ________________ 2002 г Руководитель Исполнитель __________ Тихомиров П. И. Студент гр. 9011 __________ Руппель Д.А. Техническое задание на курсовое проектирование на Преобразователь параллельного двоичного кода в последовательный Руководитель ________ Тихомиров П. И. Студент гр. 9011 ________ Руппель Д.А. 1 Наименование и применяемость. 1.1 Преобразователь параллельного двоичного кода в последовательный (ППК-1) входит в состав передающей системы цветной видеокамеры (ЦВ-1). 2 Исходные документы 2.1 Задание на курсовое проектирование на преобразователь параллельного двоичного кода в последовательный код. 3 Цель работы. 3.1 Разработка схемы электрической принципиальной (НУРС.426441.001) преобразователя кода, входящего в состав передающей системы цветной видеокамеры, предназначенной для ведения автоматического наблюдения. 4 Частные цели 4.1 Показатели назначения 4.1.1 Преобразователь кода должен преобразовывать поступающий параллельный код в последовательный вида: изменение уровня – «1», не изменение – «0». 4.1.2 Число разрядов – 24. 4.1.3 Посылка перед началом передачи информации: импульс положительной полярности длительностью 1мкс. 4.1.4 Моменты передачи информации от начала посылки (1.0+N*0.5)мкс0.02мкс, где N номер передаваемого разряда. 4.1.5 Уровни сигналов – нижний U00.4В; верхний U12.4В. 4.1.6 Период передачи блока информации - (15.6250.005)мкс. 4.1.7 Потребляемая мощность не более 1 Вт. 4.2 Надежность 4.2.1 Среднее время наработки на отказ устройства не менее 20000 часов. 4.3 Долговечность 4.3.1 Срок хранения изделия не менее 7 лет. 4.4 Приспособленность к окружающей среде 4.4.1 Изделие должно удовлетворять требованиям ГОСТ 15150-69 по категории УХЛ 4.2. Изделие устанавливается в закрытых, отапливаемых помещениях. 4.4.2 Диапазон рабочих температур +5…+40С. 4.4.3 Максимальная относительная влажность воздуха 80% при +20С. 4.4.4 Изделие должно выдерживать механические нагрузки по ГОСТ 11478-88, группа I. 4.4.5 Воздействие ударов при транспортировке ускорением 150 м/с2 с частотой 60-120 ударов в минуту. 4.5 Совместимость 4.5.1 Изделие выполняется в виде отдельной платы 100x80мм, высотой не более 15мм. 4.5.2 Питание от источника питания 5В5%. 4.6 Безопасность изготовления, обслуживания и ремонта 4.6.1 Изделие не должно содержать деталей, находящихся под напряжением, опасным для жизни. 4.6.2 При применении, монтаже и эксплуатации следует руководствоваться ГОСТ 23784 и РД 11 0477. 5 Граничные условия 5.1 Организационно временные условия 5.1.1 Результатом курсового проектирования являются следующие документы: ведомость курсового проекта, пояснительная записка, инструкция по настройке, схема электрическая принципиальная, перечень элементов. 5.1.2 Сдача курсового проекта на проверку 25.05.02, защита – до начала сессии. Дата выдачи ТЗ “___” ____________ 2002 г. Заказчик Исполнитель Руководитель Студент гр. 9011 ________Тихомиров П. И. _______Руппель Д. А. Министерство образования Российской Федерации Новгородский государственный университет имени Ярослава Мудрого
Кафедра “Радиосистемы” ПРЕОБРАЗОВАТЕЛЬ ПАРАЛЛЕЛЬНОГО КОДА В ПОСЛЕДОВАТЕЛЬНЫЙ КОД Курсовой проект по учебной дисциплине “Дискретные электронные устройства” Пояснительная записка НУРС.426441.001ПЗРуководитель ______ П.И. Тихомиров “ __ “ ________ 2002 г. Студент группы 9011 ______ Д.А.Руппель “ __ “ _________ 2002 г. 1 ОБОСНОВАНИЕ НЕОБХОДИМОСТИ РАЗРАБОТКИ В последнее время черно-белые камеры наружного и внутреннего наблюдения используются все реже и реже. Основным их недостатком является невозможность передачи одной из важных характеристик объекта – цвета. В медицине, к примеру, цвет лица позволяет охарактеризовать состояние пациента во время проведения длительных лечебных процедур, автоматический анализ видеоизображения и сигнализация, позволяет освободить медперсонал от рутинного наблюдения. Но ни только новые задачи решают цветные камеры наблюдения, они с успехом могут заменить черно-белые, в любых областях, где цвет позволяет более точно разобраться в ситуации. Требования по разрешающей способности и частоте кадров камеры наблюдения остаются невысокими. В данной модели видеокамеры выбран размер изображения 320x200 точек и частота смены кадров 1Гц, глубина цвета равной 24бита. Все это позволяет совместить видеокамеру с ПЭВМ, при помощи которой вести анализ, вывод на экран и запись видеоизображения. Поток данных при этом составляет 188кБ/c, обработка и хранение которых вполне достижима для современных ПЭВМ. Изделие, разрабатываемое в рамках данного курсового проекта, входит в состав цветной камеры, и выполняет функцию подготовки данных к передачи. Необходимость разработки преобразователя кода вызвана несколькими причинами. Во-первых, желанием уменьшить количество соединений между камерой и ПЭВМ, использовав последовательный интерфейс передачи данных. Во-вторых, снизить требования к линии передачи данных, путем введения особого типа кодирования, в котором вдвое снижена частота по сравнению с обыкновенным последовательным кодом. Кроме этого, учтена особенность не сжатых видео изображений, в которых количество нулевых бит значительно превышает количество единичных, что так же снижает требования к линии передачи данных. 2 УПОРАДОЧЕНИЕ ИСХОДНЫХ ДАННЫХ ДЛЯ РАЗРАБОТКИ СХЕМЫ ЭЛЕКТРИЧЕСКОЙ ПРИНЦИПИАЛЬНОЙ Рассмотрим схему работы комплекса видео наблюдения (рисунок 1). Исходное изображение проецируется оптической системой на прибор с зарядовой связью (ПЗС), который осуществляет преобразование световой энергии в зарядовые пакеты, хранение зарядовых пакетов и их передачу на выход устройства. Зарядовые пакеты основных трех цветов поступают на входы 8 битных аналого-цифровых преобразователей. Цифровые сигналы поступают на вход преобразователя параллельного кода, который и формирует последовательный код, передаваемый по линии передачи данных в приемное устройство, подготавливающие данные к передаче в ПЭВМ. Преобразователь параллельного кода выполняет функцию подготовки данных к передаче. В соответствии с требованием, комплекс должен обеспечивать разрешающую способность 320x200 точек и глубину цвета 24бита при одном кадре в секунду, что соответствует 64000 24битных блоков в секунду. Период передачи 24 битного блока составляет 15.625мкс. Длительность посылки одного блока выбрана 13мкс. Обмен данными - асинхронный, началу каждой посылки предшествует стартовый сигнал высокого уровня длительностью 1мкс. Уровни сигналов ТТЛ. Для проектирования необходимо задать исходные данные, не указанные в задании на курсовое проектирование. Кроме сигналов данных преобразователю параллельного кода необходим сигнал начала посылки, обеспечивающий синхронизацию с передачей данных с ПЗС. Все блоки камеры работают синхронно с генератором пиксельной частоты. Сигнал с этого генератора может быть использован и в преобразователе параллельного кода, таким образом в момент передачи и оцифровки сигнала с ПЗС будет происходить передача данных о предыдущей точке. Тип сигнала – импульсный, низкого уровня. 3 ВЫБОР И ОБОСНОВАНИЕ СТРУКТУРНОЙ СХЕМЫ Для решения задачи видео наблюдения, система должна уметь выполнять следующие функции: фокусировка и преобразование оптического изображения в электрический сигнал, преобразование полученного сигнала в цифровой и доставка его устройству обработки и хранения. Схема разбиения системы по функциям представлена на рисунке 2.
Преобразование оптического изображения в эквивалентное цифровое, его анализ, обработка и хранение
Фокусировка изображения Анализ, хранение информации Преобразование в эл. сигнал ![]()
Преобразование из параллельного в последовательный код
Преобразование в цифровой код Передача цифровых данных Рисунок 2 – Разбиение системы видео наблюдения по функциям Из приведенной схем разбиения системы по функциям и схемы работы видно, что преобразователь кода занимает промежуточное место в преобразовании и передачи сигнала. Изделие выполняет функцию преобразования параллельного кода в последовательный. Разрабатываемое изделие должно обеспечивать: считывание данных с выходных регистров аналого-цифровых преобразователей по управляющему сигналу, преобразование данных в особого типа последовательный код, формирование стартового сигнала и передачу в нормированном временном интервале. По причине несовместимости временных интервалов выходного последовательного кода с временными интервалами формируемыми генераторами других узлов видеокамеры, необходимо включить в функции изделия и формирование опорной частоты. Таким образом изделие должно содержать следующие узлы: генератор, формирователь, преобразователь параллельного двоичного кода в последовательный код. Вариантом структурной схемы изделия может служить структурная схема приведенная на рисунке 3. выход вход выход
Преобразо-ватель кода ватель 27 27 Генератор Рисунок 3 – Структурная схема изделия (вариант 1) Сигналы с выходных регистров аналого-цифровых преобразователей поступают на формирователь параллельного кода, который формирует параллельный код таким образом, что бы после преобразования параллельного кода в последовательный синтезировался сигнал в соответствии с ТЗ. Формирователь также формирует стартовый сигнал. В соответствии с ТЗ длительность стартового сигнала в три раза длиннее длительности бита информации, следовательно для его кодирования необходимо 3 бита. На выходе формирователя – 27 разрядные данные. Преобразователь преобразует параллельный код в последовательный. Входными сигналами преобразователя являются: данные формирователя, частота опорного генератора, и сигнал начала посылки. С поступлением сигнала начала посылки преобразователь производит загрузку в память сигналов с формирователя и по сигналам с генератора начинает последовательно их выдавать на выход. Возможен так же и другой вариант структурной схемы (рисунок 4).
выход
Формиро- ватель Преобразо-ватель кода вход
24
Генератор
Рисунок 4 – Структурная схема изделия (вариант 2) В отличие от первого варианта обработка данных происходит после преобразования в последовательный код. Преобразователь также должен формировать и стартовый сигнал в посылке. Входными данными преобразователя кода также являются: сигнал начала посылки, сигнал с генератора и данные выходных регистров АЦП. Выходными данными являются последовательное представление входных параллельных с предшествующими им стартовыми битами для формирования стартового сигнала. Формирователь последовательные данные формирует согласно: при входном значении «0» – не изменение уровня сигнала, при входном «1» – изменение уровня. Оба устройства работают синхронно от частоты опорного генератора. Для того, чтобы выбрать из приведенных вариантов наиболее простой и приемлемый, необходимо рассмотреть отличие в работе формирователей. В первом варианте схемы формирователь работает с полным набором сигналов реализуя функцию 27 переменных. Хотя на входе и присутствует весь набор данных, формирователь обрабатывать их может только последовательно, так как значение Nого бита зависит от состояния N-1ого , а N-1ого от N-2ого и так далее. Таким образом, если взять за время t0 время задержки в элементе, реализующем базовую функцию N-1оговыходного и Nого входного сигнала (в данном случае таким базовым элементом может являться элемент, реализующий функцию исключающего или), то общая задержка в формирователе будет составлять 27t0. Таким образом становиться очевидным использование последовательностной схемы (автомата), значение входных сигналов котоpой зависит не только от значений входных сигналов в данный момент, но и от состояния схемы, опpеделяемого сигналами в пpедыдущий момент времени. Определив величину задержки такой схемы в t0, получим задержку в формирователе также t0. Структурная схема реализации устройства с последовательностным автоматом приведена во втором варианте рисунок 4. Во втором варианте схемы сигнал начала посылки соответствует моменту выставления данных выходными регистрами предшествующего узла, и его можно непосредственно использовать узлом преобразователя кода для загрузки данных в регистры. В первом варианте устройства необходимо будет предусмотреть задержку этого сигнала на величину задержки формирователя. Необходимо так же отметить нецелесообразность коммутирования 27 линий данных между двумя узлами устройства: формирователем и преобразователем, когда во втором варианте линия данных всего одна. Указанные недостатки первого варианта структурной схемы делают ее менее предпочтительной. По этому для построения схемы электрической принципиальной выбран второй вариант структурной схемы изделия. 4 ВЫБОР ЭЛЕМЕНТНОЙ БАЗЫ В соответствии с техническим задание уровни сигналов соответствуют ТТЛ (U00.4B U12.4В). Таким образом в разрабатываемом изделие предпочтительным является использование цифровых интегральных микросхем серий ТТЛ. К таким микросхемам относятся микросхемы серий К155, К555, КР1533, КР531. Основные характеристики микросхем перечисленных серий сведены в таблицу 1. Таблица 1 – Основные параметры микросхем серий ТТЛ
Из приведенных данных особое внимание обратим на потребляемую мощность: наименьшей потребляемой мощностью обладают микросхемы серий К555 и К1533, но в отличие от других типов микросхем, микросхемы серий КР531 обладают значительно меньшей величиной задержки в элементе и как следствие большей частотой работы. В соответствии с техническим заданием длительность передачи одного бита информации составляет 0.5мкс, что соответствует частоте переключений 2Мгц. Такая частота не является предельной ни для одной серии. Таким образом следует отказаться от использования микросхем с большим потреблением: К155 и КР531. Из серий К555 и КР1533, для дальнейшей разработки и расчетов выбраны микросхемы серии К555, которая полностью удовлетворяя по показателям: частота переключений, входные и выходные токи, нагрузочная способность, является более дешевой и доступной. Серия К555 содержит все элементы использующиеся для дальнейшей разработки и расчета схемы электрической принципиальной. При построении генератора тактовой частоты используется кварцевый резонатор. Из возможных вариантов серий кварцевых резонаторов была выбрана серия РК-170, содержащая кварцевый резонатор необходимой частоты и стабильности, работающий на частоте первой гармоники. Размеры резонатора 18x23x8мм. При планарном расположении резонатор не превышает указанной в техническом задании высоты платы. Рабочая температура, влажность, механическая прочность, вибрация полностью соответствуют требованиям предъявляемым изделию. В соответствии с техническим заданием высота платы не должна превышать 15мм, таким образом для обеспечения соединения с другими узлами аппаратуры и блоком питания необходим угловой разъем. При указанной максимальной длине платы - 100мм, и большом количестве коммутируемых сигналов разъем должен быть малогабаритным, двухрядным, обеспечивать надежное соединение, работать на частотах до 2МГц. Руководствуясь приведенными выше соображениями был выбран разъем ОН-КГ-125. Параметры приспособленности к окружающей среде полностью удовлетворяют параметрам на изделие. 5 РАЗРАБОТКА И РАСЧЕТ СХЕМЫ ЭЛЕКТРИЧЕСКОЙ ПРИНЦИПИАЛЬНОЙ 5.1 Разработка и расчет узла генератор Для того, чтобы определить вариант используемой схемы генератора тактовой частоты, необходимо определить требуемую стабильность работы изделия. В соответствии с техническим заданием длительность передачи информации от начала посылки составляет 13мкс, при этом погрешность времени передачи последнего бита информации не должна превышать 0.02мкс. Таким образом величина стабильности, которую должен обеспечивать генератор должна составлять 1.5*10-3. Вариантом генератора тактовой частоты может служить любой RC-генератор. При подборе элементов (погрешности 1%) достаточно просто получить стабильность 10-3. Но при этом начальная установка частоты может оказаться неприемлимой - порядка 5%. Долговременная, а так же температурная стабильность слишком мала, что бы использовать RC – генератор в устройстве преобразователя цифрового кода. Вариантом генератора может служить LC – генератор стабильность которого выше 10-4.. Он обеспечивает стабильные колебания, обладает большей температурной и долговременной стабильностью по сравнению с RC – генераторами. Но использование намоточных изделий усложняет циклы производства, настройки, а также снижает надежность устройства в целом. Наиболее приемлемым и целесообразным вариантом является использование кварцевого резонатора для обеспечения стабильных колебаний. Кварцевый генератор без специальных мер подстройки и подбора элементов позволяет обеспечить стабильность 5*10-5 и откланение начальной установки частоты не более 0.5% при этом долговременная стабильность оказывается порядка 10-6 в сутки, что является достаточным для нормальной работы изделия. Наконец, последним вариантом генератора тактовой частоты может являться законченный модуль кварцевого генератора. При том, что он выпускается готовым элементом, он обладает большей надежностью, и обеспечивает точность начальной настройки до 0.01%. при этом обеспечивает стабильность 10-4, долговременную стабильность 10-5 в сутки, которой недостаточно, для функционирования в течении всего эксплуатации, кроме того они являются более дорогими и менее распространенными элементами цифровой техники, что затрудняет последующий ремонт вышедшей из строя аппаратуры. Таким образом из рассмотренных вариантов генераторов тактовой частоты был выбран кварцевый генератор. Д В приведенной схема резисторы R1 и R3 оба номиналом в 560кОм и резистор R2 номиналом 220кОм, включенные в цепь обратной связи инвертирующих элементов, тем самым уменьшая наклон переключательной характеристики, устраняя возможную точку стабильного состояния обоих элементов. Конденсатор C1 емкостью 220пФ, подключенный последовательно к кварцевому резонатору, добавляет его емкость, увеличивая устойчивость колебаний генератора. Инверторы DD5-1 и DD5-2, не обладая ни одним устойчивым состоянием, переключаются с частотой кварцевого резонатора. Инвертор DD5-3 формирует сигнал прямоугольной формы. В соответствии с техническим заданием длительность следования единицы информации на выходе преобразователя кода составляет 0.5мкс. Следовательно целесообразным является формирование тактовой частоты 2МГц. Используемый кварцевый резонатор будет также 2МГц. В следствии симметричности схемы генератора, на его выходе формируется цифровой сигнал скважностью 2. 5.2 Разработка и расчет узла преобразователь В цифровой технике для преобразования параллельного кода в последовательный код очень широко используются регистры сдвига. В соответствии с техническим задание разрядность обрабатываемой информации составляет 24 бита. Следовательно целесообразным является использование регистров сдвига максимальной разрядности. В серии К555 регистры сдвига максимальной разрядности составляют 8 разрядов. Такими регистрами являются микросхемы К555ИР9, К555ИР10, а так же К555ИР13, но она слишком избыточна по реализуемым функциям, и поэтому дальше рассматриваться не будет. Р![]() исунок 6 – Микросхемы сдвигающих регистров Микросхема К555ИР9 – восьмиразрядный сдвигающий регистр с возможностью асинхронной параллельной записью и последовательным считыванием. Микросхема содержит вход D0 для подачи информации при последовательной записи, восемь входов D1-D8 для подачи при параллельной записи, два равноправных входа для подачи тактовых импульсов, вход параллельной записи и прямой и инверсный выходы последнего разряда сдвигающего регистра. Таблица 2 – Таблица истинности регистра К555ИР9
Микросхема К555ИР9 – восьмиразрядный сдвигающий регистр с возможностью синхронной параллельной записью и последовательным считыванием. Микросхема содержит вход D0 для подачи информации при последовательной записи, восемь входов D1-D8 для подачи при параллельной записи, два равноправных входа для подачи тактовых импульсов, вход параллельной записи и сброса всех триггеров, прямой выход последнего разряда сдвигающего регистра. Таблица 3 – Таблица истинности регистра сдвига К555ИР10
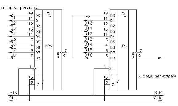
Рассмотрим таблицы истинности восьмибитовых регистров. Основным отличием регистра ИР9 от регистра ИР10 является возможность асинхронной параллельной записи. В соответствии с техническим заданием сигнал к передаче данных имеет длительность 100нс, без применения специальных мер по задержке и синхронизации параллельную запись невозможно осуществить в регистр ИР10. Таким образом для реализации функции преобразования параллельного кода в последовательный выбрана микросхема сдвигающего регистра К555ИР9. Так как количество разрядов данных, которые необходимо обработать превосходит разрядность одной микросхемы регистра, необходимо объединить их в каскады в соответствии с приведенной схемой на рисунке 7. Таким образом обеспечивается требуемая разрядность. Для формирования посылки воспользуемся предварительной установкой значений регистра. Сигналу посылки соответствует параллельный код длительностью 4 бита: предварительный «0», изменение уровня – «1», не изменение уровня – «0» и изменение уровня – «1». Таким образом необходимо 28 разрядов для передачи данных. Общая длительность посылки блока данных соответственно составила 24*0.5мкс = 14мкс, при периоде стартового сигнала 15.625мкс. Поместим в начале посылки еще один «0», чтобы увеличить стабильность работы узла, избежав опасной ситуации, когда стартовый сигнал совпадет с тактовой частотой устройства. На оставшиеся свободными разряды также подадим «0». Р![]() исунок 7 – Соединение микросхем К555ИР9 Таким образом на выходе преобразователя будет присутствовать последовательный код данных разрядностью 24бит, снабженный в начале специальными данными длиной 5бит. 5.2 Разработка и расчет узла формирователь В Рисунок 8 – Микросхема К555ТМ2 Таблица 4 – Таблица истинности элемента триггера К555ТМ2
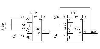
Д Таким образом вся схема узла формирователь будет выглядеть согласно изображению на рисунке 9. Рисунок 9 – Схема узла формирователь Как показано на схема, на вход R и C подаем частоту тактового генератора, на вход в выход микросхемы последнего в каскаде регистра. Таким образом при положительном перепаде тактового генератора будет происходить защелкивание данных входа D, при прохождении половины периода тактового генератора, на вход R будет подан низкий активный уровень и в соответствии с таблицей истинности триггера (таблица 4), на выходе триггера так же будет низкий уровень. Таким образом осуществляется нормировка данных преобразователя относительно опорного генератора, второй же D-триггер работая в счетном режиме выдаст на выходе требуемый код: если «1» – то изменение уровня, если «0» - то не изменение. На вход R второго D-тригера подан внешний сигнал начала передачи данных, который сбрасывает триггер в «0» уровень, подготавливая его к передачи следующей посылке. Для предустановки регистров и триггеров необходим сигнал высокого уровня. Такой сигнал формируется подачей напряжения +5В через токоограничивающий резистор R4 номиналом 1кОм. В результате объединения рассчитанных узлов оформляется схема электрическая принципиальная НУРС.426441.001ЭЗ 6 КОНСТРУКТОРСКО-ТЕХНОЛОГИЧЕСКАЯ ОТРАБОТКА СХЕМЫ ЭЛЕКТРИЧЕСКОЙ ПРИНЦИПИАЛЬНОЙ 6.1 Отработка электромагнитной и тепловой совместимости Изделие не требует специальных мер для отвода рассеиваемой мощности, экранирования, компоновке функциональных узлов по отношению к другим функциональным узлам или группам элементов. Отработка схемы на надежность На величину надежности изделия влияет как надежность активных элементов входящих в состав изделия, так и пассивных, надежность пайки и контактов. Показателем позволяющим оценить надежность всего изделия является среднее время наработки изделия: величина обратная интенсивности отказов всего изделия, которая может быть получена суммированием интенсивности отказов всех элементов, узлов и блоков входящих в данное изделие: общ = N11 + N22 + … + Nkk, (6.1) i – интенсивность отказов элементов типа i; Ni – количество элементов типа i; k – количество типов элементов. Таким образом величину среднего времени наработки изделия можно вычислить по формуле: T = 1 / общ. (6.2) Рассчитаем интенсивность отказов преобразователя параллельного кода. Исходными данными для расчета будут являться средние величины отказов по ОСТ4 ГО.202.014. Таблица 5- Расчет среднего времени наработки изделия
Среднее время наработки на отказ удовлетворяет данным указанным в техническом задании. Отработка технологичности В соответствии техническим задание размеры платы должны составлять 100x80x15мм. Коммутация входных и выходных сигналов, а также питания должны осуществляться через малогабаритный двухрядовый угловой разъем XP1, имеющий общую длину 51мм и размещенный вдоль меньшей стороны платы. Плата должна содержать необходимые технологические отверстия для крепления корпусе камеры. Специальных мер по экранированию и теплоотводу не требует. 7 МЕРОПРИЯТИЯ ПО ТЕХНИКЕ БЕЗОПАСНОСТИ Разработанное изделие не содержит элементов находящихся под напряжением, опасным для жизни. Устанавливается в закрытый корпус видеокамеры и соответствует общим требованиям техники безопасности видеокамеры. Приложение А А.1 МОДЕЛИРОВАНИЕ РАБОТЫ УСТРОЙСТВА В СРЕДЕ MICROCAP А.1.1 Обзор возможностей среды MicroCap 7.0 Моделирование работы устройства всегда занимало важную часть в его разработке, по этому, не удивителен интерес проявляющийся к средствам автоматического моделирования. Такой средой и является пакет MicroCap 7.0. Среда MicroCap позволяет моделировать работу аналоговых и цифровых устройств, рассчитывать и проектировать фильтры, колебательные контура, предоставляет временные диаграммы сигналов в различных участках схемы. К сожалению данный пакет (как и множество других) практически не возможно перенастроить под существующие российские государственные стандарты, а большая цена пакета, не позволяет его приобрести. Для моделирования работы преобразователя кода использовался MicroCap 7.0(Demo Version) обладающего рядом ограничений, в основном касающихся проектирования и моделирования аналоговой техники, но вполне позволяющий смоделировать работу цифровой части преобразователя кода. A.1.2 Моделирование работы преобразователя кода Рассмотрим процесс моделирования цифровой аппаратуры. Перед началом проектирования необходимо определить основные параметры используемых элементов. Таковыми для цифровой аппаратуры являются время распространения сигналов между выводами ИМС. MicroCap позволяет выбрать для каждого из используемых элементов собственное значение величины задержки, либо указать диапазон возможного значения этой величины. Второй вариант относится к более реальному варианту моделирования, так как микросхемы даже одной серии имеют различные величины задержек. При каждом запуске моделирования значение задержки будет определятся случайным образом из заданного интервала. Далее весь процесс проверки правильности работы схемы сводится к анализу временных диаграмм сигналов, как на выходе устройства, так и внутри его. В соответствии со схемой электрической принципиальной НУРС.426441.001ЭЗ создадим в пакете MicroCap 7.0 преобразователь кода. Генератор тактовых импульсов зададим в виде готового генератора цифровой последовательности работающего в режиме генерирования сигналов частоты 2Мгц, скважности 2. Отдельным генератором цифровых последовательностей сформируем сигнал начала передачи цифрового кода, в соответствии с техническим заданием и расчетом схемы, таким сигналом будет являться импульс отрицательной полярности длительностью 100нс и периодом повторений 15.625мкс. Набор цифровых данных для установки регистров сдвига подадим от имеющихся в пакете фиксированных источников цифровых сигналов «0» и «1», скоммутировав их таким образом, что бы на выходе устройства формировались сигналы высокого уровня длительностью 1.5мкс, скважностью 3, что обеспечит удобство восприятия полученных результатов. Установим пределы изменения задержек в элементах устройства в приделах 50% погрешности: для микросхем К555ИР9 20нс-45нс, для элементов микросхемы К555ТМ2 20нс-40нс. В соответствии с приведенными выше принципами моделирования получим схему коммутации элементов устройства изображенную на рисунке 10. Р Рисунок 12 – Временные диаграммы работы изделия на интервале 2мкс Как можно пронаблюдать из временных диаграмм, при подачи стартового сигнала происходят следующие процессы асинхронно с тактовыми импульсами: загрузка данных в регистры сдвига, сброс выходного тригера устройства. По истечении переходных процессов (времени порядка 50нс) на выходе регистров сдвига формируется 8 бит загруженных данных. При последующих положительных перепадах тактового импульса происходит перенос данных со входа элемента DD51, к его выходу, а по отрицательному его сброс, по прошествии переходных процессов на выходах регистров сдвига формируются следующие данные и так далее. Счетный триггер DD552 на выходе устройства формирует по наличию положительного перепада на входе - перепад на выходе.. Таким образом моделирование в пакете MicroCap позволило без этапа макетирования отследить процесс преобразования информации в устройстве и удостовериться в правильности разработанной принципиальной схемы. ПРЕОБРАЗОВАТЕЛЬ ПАРАЛЛЕЛЬНОГО КОДА В ПОСЛЕДОТЕЛЬНЫЙ КОД Инструкция по проверке НУРС.426441.001 И1 Настоящая инструкция устанавливает порядок проверки преобразователя импульсов НУРС.426441.001 с целью проверки параметров на нахождение их в пределах допусков, обеспечивающих выполнение требований технических условий НУРС.426441.001. Настоящая инструкция устанавливает порядок настройки дискриминатора импульсов НУРС.467742.001 с целью получения параметров изделия в пределах допусков, обеспечивающих выполнение требований технических условий НУРС.467742.001. Инструкция предназначена для настройки изделия при серийном производстве на предприятии-изготовителе. 1 КРАТКИЕ СВЕДЕНИЯ ОБ ИЗДЕЛИИ 1.1 Дискриминатор импульсов по интервалам между ними предназначен для селектирования интервалов между входными импульсами, накопления результатов и передачи их в ПЭВМ. 1.2 Конструктивно изделие выполнено в виде платы расширения ПЭВМ. 2 ПЕРЕЧЕНЬ ПАРАМЕТРОВ, ПО КОТОРЫМ ПРОИЗВОДИТСЯ НАСТРОЙКА 2.1 Настройка изделия заключается в загрузке файла конфигурации в энергонезависимую память ПЛИС EPM3128ATC100-10. 3 УКАЗАНИЕ МЕР БЕЗОПАСНОСТИ 3.1 При подготовке к настройке необходимо соблюдать требования мер безопасности, изложенные в разделе “К” инструкции “Техника безопасности при работе с радиоэлектронным оборудованием”. 3.2 При оборудовании рабочего места необходимо выполнять следующие правила: соблюдайте требования мер безопасности по работе с ПЭВМ; не допускаете установку или снятие изделия в ПЭВМ и из нее, коммутацию разъемов при включенном питании ПЭВМ. 4 ВСПОМОГАТЕЛЬНЫЕ ТЕХНИЧЕСКИЕ ДАННЫЕ 4.1 Для проведения настройки дискриминатора импульсов необходима следующая техническая документация: схема электрическая принципиальная НУРС.467742.001 Э3; перечень элементов НУРС.467742.001 ПЭ3; пояснительная записка НУРС.467742.001ПЗ; техническое описание на устройство загрузки конфигурации ByteblasterMV; описание пакета MAX+plus II; конфигурационный файл для ПЛИС. 5 ТРЕБОВАНИЯ К РАБОЧЕМУ МЕСТУ 5.1 Настройка дискриминатора проводится на рабочем месте, оборудованном ПЭВМ с подключенным устройством конфигурирования ByteblasterMV. Температура помещения +20…+30C, относительная влажность воздуха не более 60%. 5.2 При проверке дискриминатора требуется генератор испытательного сигнала, подключенный ко входу дискриминатора. 5.3 К рабочему месту должно быть подведено напряжение 220В частотой 50Гц. 6 ПОДГОТОВКА К РАБОТЕ 6.1 Для настройки необходимо: проверить наличие отметки ОТК о приемке операции изготовления изделия; проверить наличие документов, указанных в разделе 4 и приборов, указанных в разделе 5. проверить наличие свидетельств о проверке сроков годности и работоспособности измерительных приборов и наличие штампа ОТК о приемке изделия; расположить на рабочем месте ПЭВМ c установленным программным обеспечением MAX+plus II а также программой приема данных с дискриминатора. 7 МЕТОДЫ НАСТРОЙКИ И ПРОВЕРКИ 7.1 Установите изделие в ПЭВМ. Подключите устройство ByteblasterMV к ПЭВМ через параллельный порт, и к изделию через разъем XP1. 7.2 Подключите генератор испытательного сигнала к разъему XS1. 7.3 Убедитесь в отсутствии внешних повреждений устройств. 7.4 Загрузите в ПЭВМ пакет MAX+plus II. По описанию пакета войдите в режим программирования и загрузите конфигурационный файл. 7.5 Загрузите конфигурационный файл в ПЛИС, убедившись в соответствии его микросхеме. 7.6 Для проверки изделия произведите чтение портов счетчиков дискриминатора (300h-305h) при помощи программы приема данных. Значения в счетчиков должны быть равны нулю. 7.7 Запустите генератор испытательного сигнала кнопкой “Старт”. Генератор выдает импульсы длительностью 2 мкс с интервалом между ними линейно меняющимся от 1 до 500 мкс с шагом 0,2 мкс. Всего выдается 32104 интервалов (по 128 интервалов каждой длительности). Через 3 минуты произведите чтение портов. В каждом счетчике должно быть значение 128010%. 7.8 Запишите любое число в порт 300h для установки дискриминатора в начальное состояние. После этого считайте содержимое портов. Их значение должно быть нулевым. |
|||||||||||||||||||||||||||||||||||||||||||||||||||||||||||||||||||||||||||||||||||||||||||||||||||||||||||||||||||||||||||||||||||||||||||||||||||||||||||||||||||||||||||||||||||||||||||||||||||||||||||||||||||||||||||









