Дипломная работа: Электроснабжение сельскохозяйственных потребителей Будёновских РЭС
|
Название: Электроснабжение сельскохозяйственных потребителей Будёновских РЭС Раздел: Рефераты по физике Тип: дипломная работа | |||||||||||||||||||||||||||||||||||||||||||||||||||||||||||||||||||||||||||||||||||||||||||||||||||||||||||||||||||||||||||||||||||||||||||||||||||||||||||||||||||||||||||||||||||||||||||||||||||||||||||||||||||||||||||||||||||||||||||||||||||||||||||||||||||||||||||||||||||||||||||||||||||||||||||||||||||||||||||||||||||||||||||||||||||||||||||||||||||||||||||||||||||||||||||||||||||||||||||||||||||||||||||||||||||||||||||||||||||||||||||||||||||||||||||||||||||||||||||||||||||||||||||||||||||||||||||||||||||||||||||||||||||||||||||||||||||||||||||||||||||||||||||||||||||||||||||||||||||||||||||||||||||||||||||||||||||||||||||||||||||||||||||||||||||||||||||||||||||||||||||||||||||||||||||||||||||||||||||||||||||||||||||||||||||||||||||||||||||||||||||||||||||||||||||||||||||||||||||||||||||||||||||||||||||||||||||||||||||||||||||||||||||||||||||||||||||||||||||||||||||||||||||||||||||||||||||||||||||||||||||||||||||||||||||||||||||||||||||||||||||||||||||||||||||||||||||||||||||||||
| Содержание Аннотация Введение 1. Расчётно-пояснительная записка 1.1 Характеристика сельскохозяйственного района 1.2 Определение расчётных нагрузок в сетях 0,38 – 110 кВ 1.3 Выбор напряжения и схемы электроснабжения сельскохозяйственного района 1.3.1 Выбор вариантов схемы электроснабжения 1.3.2 Выбор силовых трансформаторов 1.3.2.1 Выбор типов трансформаторов 1.3.2.2 Выбор мощности трансформаторов 1.3.3 Определение сечения проводов питающих линий электропередач 1.3.4 Определения сечений проводов распределительной сети 10 кВ 1.4 Технико-экономическое обоснование выбора целесообразного варианта схемы электроснабжения сельскохозяйственного района 1.4.1 Определение капитальных вложений 1.4.2 Определение ежегодних издержек 1.5 Выбор схем распределительных устройств подстанций 1.6 Расчёт токов короткого замыкания 1.7 Выбор электрических аппаратов распределительных устройств напряжения 110 и 10 кВ 1.8 Оборудование и конструкция распределительных устройств подстанции напряжением 110/10 кВ 1.9 Релейная защита 1.9.1 Выбор вида защит силовых трансформаторов 1.9.2 Релейная защита ВЛ – 10 кВ районных электрических сетей 2. Разработка устройства для определения мест повреждения воздушных ЛЭП 2.1 Классификация и назначение устройств для определения мест повреждения воздушных ЛЭП 2.2 Принцип действия и характеристика прибора "Поиск - 1" 2.3 Применение и техническое обслуживание прибора "Поиск - 1" 2.4 Принцип действия и характеристика прибора "Волна" 2.5 Применение и техническое обслуживание прибора "Волна" 3. Организационно-экономический раздел 3.1 Расчёт себестоимости передачи и полной себестоимости энергии 3.2 Определение хозрасчётного экономического эффекта 4. Безопасность и экологичность проекта 4.1 Расчёт заземления подстанции 110/10 кВ 4.2 Молниезащита подстанции 4.3 Мониторинг окружающей среды. Понятие экологического мониторинга. 4.4 Защита человека от поражения электрическим током Заключение Литература Аннотация Настоящий дипломный проект выполнен на основании задания на проектирование № от г. на тему: Электроснабжение сельскохозяйственных потребителей Будёновских РЭС с разработкой устройства для определения мест повреждения воздушных ЛЭП. Дипломный проект представлен пояснительной запиской на страницах, содержащей рисунков и таблиц, графической частью, включающей 8 листов. Проект выполнен в соответствии с требованиями методических и руководящих материалов по проектированию электроснабжения сельского хозяйства, разработанных институтом "Сельэнерго проект", требований правил ПУЭ, ПТБ, ПТЭ в электроустановках, другой справочной, нормативной и методической литературой. Дипломный проект выполнен в следующем объёме: · определены электрические нагрузки объектов в сетях 110 – 0,38 кВ; · составлены расчётные схемы сетей 10 – 35 кВ; · произведены расчёты электрических сетей 10 – 35 кВ по выбору сечений провода, потери напряжения для нормального и аварийного режимов; · рассчитаны токи короткого замыкания; · выбран оптимальный вариант электроснабжения района; · выбраны схемы соединения и оборудование трансформаторных подстанций 35/10 кВ; · разработана релейная защита силовых трансформаторов от аварийных режимов; · разработаны мероприятия по охране труда; Результаты расчётов сведены в таблицы и указаны на расчётных схемах. Дана оценка принятых проектных решений. Введение В настоящее время в России осуществляется экономическая реформа. В этих условиях энергетики вынуждены уделять больше внимания проблематике взаимоотношений общественной и экономической эффективности в энергетике, выбору оптимальных вариантов развития и функционирования энергетических систем. Насколько важна эта проблема ясно из того, что наше общество ежегодно расходует от одной трети до половины капиталовложений в промышленность только на развитие энергетического хозяйства. Вместе с тем быстрый рост электрификации сельскохозяйственного производства, последовавший за ним некоторым спадом, создание агропромышленных комплексов, требует дальнейшего развития электрических сетей в сельской местности. Одновременно повышаются и требования к их пропускной способности, надёжности электроснабжения и качеству полученной электрической энергии. В этой связи возникает целый ряд задач связанных с электроснабжением потребителей в сельской местности. Решение этих задач базируется на правильном и рациональном проектировании электрических сетей районного значения. Таким образом, можно констатировать, что остаётся актуальной задача проектирования систем электроснабжения небольших районов и потребителей на селе. 1. Расчётно-пояснительный раздел1.1 Характеристика сельскохозяйственного района Территория сельскохозяйственного района составляет 3670 кв. км, на которых расположено населённых пунктов. Численность населения проживающего на территории района 9,5 тыс. человек. Площадь сельскохозяйственных угодий составляет 226 тыс. га., в том числе пашни 150 тыс. га. из них 6500 га орошаемых земель. На территории района имеются животноводческие и птицеводческие комплексы с общим поголовьем скота и птицы; откорм крупного рогатого скота 6,2 тыс. голов, молочно-товарные фермы на 12,8 тыс. голов, свиноводство 23 тыс. голов, овцы 12 тыс. голов, птицефермы на 150 тыс. кур несушек. На территории района имеются животноводческие фермы, отнесенные к I категории по надежности электроснабжения. Подробные данные по потребителям электрической энергии сельскохозяйственного района приведены в пояснительной записке (таблица 1.1 и рис. 1.1…1.5). По природно-климатическим условиям сельхозрайон относится к IV по гололёду. 3 по скоростному напору ветра, среднесуточная температура для зимнего периода – 4°С.
Рис. 1.1. П/ст "Покойное" с присоединёнными линиями 10 кВ
Рис 1.2. "Красный октябрь" с присоединенными линиями 10 кВ
Рис. 1.3. п/ст "Прасковея" с присоединёнными линиями 10 кВ
Рис. 1.4. п/ст "Будёновск" с присоединёнными линиями 10 кВ
Рис 1.5. п/ст "Преображенское" с присоединёнными линиями 10 кВ 1.2 Определение расчётных нагрузок в сетях 0,38 – 110 кВ Расчёт электрических нагрузок сетей 0,38 – 110 кВ производится исходя из расчётных нагрузок на вводе потребителей [1], на шинах подстанции и соответствующих коэффициентов одновременности отдельно от дневного и вечернего максимумов (таблица 4.1, 4.2, 4.3) [1]. РД =К0 *SРД i (1.1) РВ =К0 *SРВ i (1.2) где К0 – коэффициент одновременности; РД , РВ – расчётная дневная, вечерняя нагрузка на участке линии или шинах трансформаторной подстанции, кВт; РД i , РВ i – дневная, вечерняя нагрузка i-го потребителя и i-го элемента сети, кВт. Расчётные электрические нагрузки потребителей суммируются с коэффициентами одновремённости приведёнными в таблице 4.2 [1] в сетях 6 – 20 кВ, в таблице 4.3 [1] в сетях 35 – 110 кВ. Если нагрузки потребителей отличаются по величине больше чем в 4 раза, суммирование их рекомендуется производить по таблице 4.8 [1] в сетях 6 – 35 кВ. Коэффициент мощности cos j приведены в таблице 4.5 [1]. При наличии сезонных потребителей расчётные нагрузки с учётом коэффициента сезонности, таблица 4.4 [1]. Расчётные нагрузки подстанции 10/0,4 кВ на расчётный год определяются по следующей формуле: РР =РТ *КР где РТ – существующая нагрузка на трансформаторную подстанцию, кВт; КР – коэффициент роста нагрузок. Расчётные нагрузки питающей линии напряжением 110 кВ, а также трансформаторных подстанций 110/10 кВ определяют суммированием расчётных нагрузок подстанций 10/,38 кВ (или линии 10 кВ) со следующими коэффициентами одновременности: при двух подстанциях и линиях К0 =0,97 [1], при трёх подстанциях К0 =0,96, при четырёх и более К0 =0,9 [1]. Для расчёта сетей 110 кВ коэффициенты мощности (cos j) определяются по кривым рисунка 4.1 [1]. Пример расчёта. Определение электрических нагрузок потребителей села Покойное. Из таблицы 1.1 определяется вид нагрузок потребителей и по таблице п. 1.1. [1] устанавливаются максимальные нагрузки РД i , РВ i , так для МТФ КРС на 1200 голов (потребитель №16) РД =820 кВт; РВ =220 кВт. cos jД =0,75; cos jВ =0,85 таблица 4.5 [1]. SД
= SВ
= SД
= SВ
= Выбираем большую из нагрузок SД =293,3 кВА. Аналогично определяются нагрузки остальных потребителей. Места расположения трансформаторных подстанций 10 кВ, характеристика их электрических нагрузок приведены в исходных данных. Подсчёт электрических нагрузок в сетях 10 кВ производится путём суммирования расчётных нагрузок подстанций 10/0,38 кВ. Расчётные схемы сетей 10 кВ приведены на рис. 1.6 … 1.10. Дневной максимум для подстанции "Покойное". SРД =(60+630+20+630+75+20+20+280+240+220)* 0,65=1426,7 кВт; S’РД =(29+23+23+29+29)*0,22=29,3 кВт; РР.Д. =1426+18,4=1444,4 кВт. Вечерний максимум составит SРВ =(30+630+10+630+190+45+10+10+280+240+220)*0,65=1491,8 кВт; S’РВ =(86+69+69+86+86)=87 кВт; РР.В. =1491,8+60,3=1552,1 кВт. Значение cos j при определённой полной мощности на участках сетей 6 – 35 Кв и 35 – 110 кВ принимается в зависимости от отношения РР.Д. и РР.В. по рис. 4.1 [1].
при КР =1,4 табл 3,8 [1] SД
= SВ
= За расчётную нагрузку принимается РР =2173 кВт, SР =2859 кВА. Результаты сводим в табл. 1.2 Сведения о нагрузках и потребителях Таблица 1.2
Рис. 1.6 Расчётная схема распределительных сетей 10 кВ, присоединённых к п/ст "Покойное"
Рис. 1.7 Расчётная схема распределительных сетей 10 кВ, присоединённых к п/ст "Красный Октябрь"
Рис.1.8 Расчётная схема распределительных сетей 10 кВ, присоединённых к п/ст "Прасковея"
Рис. 1.9 Расчётная схема распределительных сетей 10 кВ присоединённых к п/ст "Будёновск"
Рис.1.10 Расчётная схема распределительных сетей 10 кВ, присоединённых к п/ст "Преображенское" 1.3 Выбор напряжения и схемы электроснабжения сельскохозяйственного района Система централизованного электроснабжения включает в себя сети трёх типов: питающие сети, составляющие из линии электропередачи 35 – 110 кВ; распределительные сети напряжением выше 1 кВ, включающие линии напряжением 35 – 6 кВ и распределительные сети ниже 1 кВ состоящие из линии напряжением 0,38 кВ. Выбор схем электроснабжения включает выбор номинальных напряжений сети, её конфигурацию, выбор и размещение трансформаторных подстанций различных напряжений, схемы их распределения к источникам питания. Конфигурация схем электрических сетей зависит от ряда факторов, в том числе от числа, размещения электрических нагрузок и категорийности по надёжности электроснабжения потребителей, числа и размещения опорных подстанций энергосистем. Целесообразно предусматривать, чтобы конфигурация и параметры сетей обеспечивали возможность последующего развития без серьёзных изменений. Выбранные сети должны быть приспособлены к различным режимам работы при изменении нагрузки, а так же в после аварийных ситуациях. 1.3.1 Выбор вариантов схемы электроснабжения Намечаются сочетания напряжения питающих и распределительных сетей. Вариант I – 110/10 кВ с двухцепными радиальными линиями электропередачи; Вариант II – 35/10 кВ с двухцепными радиальными линиями электропередачи; Определяется значение допустимого суммарного отклонения напряжения для всех звеньев передачи по заданному режиму уровней напряжения источника питания по принятому режиму регулирования напряжения на трансформаторах. На шинах 35 и 110 кВ источника питания осуществляется встречное регулирование напряжения: при максимуме нагрузки UC =1.05UН , При 25 % нагрузки UC =UН . Суммарные допустимые потери напряжения определяются согласно [10], зная закон регулирования напряжения на источнике питания и принимая, ориентировочно пределы регулирования напряжения на трансформаторах с РПН ±8% и исходя из допустимых отклонений напряжения у потребителя, данные заносятся в таблицу 1.3. Таблица 1.3 Отклонения напряжения при питании потребителей сельскохозяйственного района от шин 110 ¸35 кВ
Определяется центр перегрузок района. Из анализа расчётных нагрузок хозяйств района следует, что центрами сосредоточения нагрузок необходимо считать населённые пункты с. Преображенское, с. Прасковея, г. Будённовск, с. Покойное, с. Красный октябрь, при этом город Будённовск находится ближе всего к центру питания и находится от него (энергосистема) в 50 км. Определяется ориентировочное значение потери напряжения питающей сети согласно табл. 1.3 DUП =4%. Допустимая потеря напряжения в распределительной сети 10 кВ и 0,4 кВ составит DUå р =5,5%. Выбираем оптимальное значение приведённой плотности тока для распределительной сети выше 1000 В. Определяется коэффициент динамики роста нагрузок. Методические указания к технико-экономическим расчётам при выборе схем и параметров электрических сетей рекомендуют определять коэффициент роста нагрузок по следующей приближённой формуле: aт
= где S1 – расчётная мощность первого года эксплуатации сетей, отнесённая к расчётной мощности пятого года SР ; St – наибольшая расчётная мощность за пределами пятого года эксплуатации отнесённая к SР ; При S1 =0,5; St =1,0; at =0.86. Оптимальное значение приведённой плотности тока для сочетания напряжения 110/10 кВ согласно [12] jпр =0,76. Определяем экономический радиус распределительной сети выше 1000 В. RЭ
= где UР – линейное напряжение распределительной сети, кВ; КР – коэффициент учитывающий криволинейность дороги; aР – коэффициент учитывающий параметры сопротивления линии и cos j, aР =1,0 [12]. RЭ
= Определяется целесообразное число подстанций районного значения согласно источникам [10], [12]. N=PРЗ
где РРЗ – расчётная перспективная нагрузка района, кВт; РОР – плотность нагрузки сельскохозяйственного района, кВт/км2 ; ХР , ШР , ФР – параметры, определяемые сочетанием напряжений, динамикой поста нагрузок, потерями энергии, экономическими показателями, параметры определяются по [12] РОР
= где SР – площадь района, км2 . РОР
= N=9860 Определяем местонахождения районных понижающих подстанций. Для этой цели круги радиуса RЭ накладываем на карту района с таким расчётом, чтобы в зоне кругов оказалось максимальное число населённых пунктов, и центр окружности совпадал с населённым пунктом, имеющим максимальную нагрузку. В пределах экономического круга намечаем число фидеров и конфигурацию распределительной сети для электроснабжения населённых пунктов. При этом учитываем, что электрифицируемый район располагает современным, высокоразвитым сельскохозяйственным производством, имеющим потребителей первой и второй категории по условиям надёжности электроснабжения. Питающие линии 110 – 35 кВ в выбранных вариантах выбираем двухцепными. 1.3.2 Выбор силовых трансформаторов При выборе вариантов электроснабжения в первую очередь необходимо выяснить, можно ли применять однотрансформаторную подстанцию. Установка двух трансформаторов на подстанции обязательна, когда хотя бы одна из линий напряжением 10 кВ, отходящих от рассматриваемой подстанции, питающей потребители первой и второй категории надёжности электроснабжения не может быть зарезервирована от соседней подстанции 35 – 110 кВ, имеющее независимое питание с рассматриваемой; расчётная нагрузка подстанции требует установки трансформатора мощностью 6300 кВА; от шин 10 кВ отходят шесть и более линий напряжением 10 кВ расстояние между соседними подстанциями более 15 км [8]. По перечисленным условиям для всех вариантов электроснабжения выбираются двухтрансформаторные подстанции на напряжение 35 – 110 кВ. 1.3.2.1 Выбор типов трансформаторов На РТП 35 – 110 кВ сельских электрических сетей устанавливают трансформаторы ТМН с автоматическим регулированием напряжения под нагрузкой (РПН). На потребительских подстанциях 10 кВ устанавливают трансформаторы типа ТМ с переключением без возбуждения (ПБВ), с переключением ответвлений обмотки высшего напряжения при отключённом трансформаторе и приделами регулирования ±2х2,5%. 1.3.2.2 Выбор мощности трансформаторов В соответствии с рекомендациями по проектированию электроснабжения сельского хозяйства мощность трансформаторов напряжением 110 – 10 кВ на подстанциях определяют экономическим интервалом нагрузки. Для трансформаторных подстанций достаточным условием для выбора служит выражение SЭН £SP £SЭ.В (1.10) где SЭН и SЭ.В – соответственно нижняя и верхняя граница интервалов нагрузки для трансформатора принятой номинальной мощности, кВА, таблица 7.1 … 7.2 [8]; SP – расчётная нагрузка подстанции, кВА. Пример расчёта: Потребитель – комбикормовый цех на 15 т. в смену, потребитель III категории надёжности электроснабжения, SP =86.7 кВА; мощность трансформатора для ТП 10/0,4 кВ выбирается по таблице 7.2 [8] и она составит 63 кВА. Аналогично производится однотрансформаторные подстанции 10/0,4 кВ. Данные выбора заносятся в таблицу 1.2 Номинальная мощность трансформаторов для двухтрансформаторных подстанций определяют по условиям их работы, как в нормальном, так и в послеаварийном режимах. Номинальным режимом считается работа обоих трансформаторов, каждый на свою секцию; послеаварийным – работа одного трансформатора на обе секции. Мощность трансформаторов в нормальном режиме при равномерной их нагрузке для подстанции напряжением 35 – 110 кВ и 10 кВ выбирается исходя из требований SЭ.Н <0,5×SP <SЭ.В (1.11) где SЭ.Н и SЭ.В – соответственно нижняя и верхняя границы интервалов нагрузки для трансформатора принятой номинальной мощности, кВА, таблица 7.1 … 7.2 [8]; SP – расчётная нагрузка подстанции, кВА. В послеаварийном режиме мощность трансформатора соответствующую условию (1.11) проверяют с учётом возможных вариантов резервирования потребителей по сетям низкого напряжения. SНОМ =SP /КПЕР (1.12) где КПЕР – коэффициент аварийных допустимых перегрузок, выбирается по таблице 7.3 [8]. Зная КПЕР для трансформаторов с высшим напряжением 110 – 35 кВ находят по кривым их нагрузочной способности [8]. Пример расчёта: Вариант I подстанция "Красный Октябрь" с трансформаторами U=110 кВ. Расчётная нагрузка SP =3992 кВА согласно условию выбора (1.12), мощность трансформатора в послеаварийном режиме определяется SНОМ
= Выбираем два трансформатора типа ТМН 4000/110 Аналогично выбираем мощность трансформаторов на других подстанциях, данные заносим в таблицу 1.4 Таблица 1.4 Силовые трансформаторы
Рис 1.11 Вариант I напряжением 110/10 кВ с двухцепными радиальными линиями электропередач
Рис 1.12 Вариант I напряжением 110/10 кВ с двухцепными радиальными линиями электропередач 1.3.3 Определение сечения проводов питающих линий электропередач Расчёт питающей линии 0 – 1, схема которой приводится на рис. 1.13
Рис. 1.13 Схема к расчёту питающей линии 0 – 1 Рассчитывается сечение проводов ЛЭП, для чего выбирается экономическая плотность тока j при ТМАХ =3000 ч [3,6,7,9] j=1,3 А/мм2 . FЭК
= где FЭК – сечение провода, мм2 ; IР – расчётный ток, А. IP
= IP
= FЭК
= Для потребителей I – ой категории принимаем двухцепную линию F’ЭК
= F’ЭК
= По условиям коронирования для линии электропередач напряжением 110 кВ выбирается провод АС – 70 [3,7,16]. Составив схему замещения рис. 1.14 определяются постоянные её значения для провода АС – 70 Го = 0,45 Ом/км П.4 [7]. Хо = 0,44 Ом/км П.14 [10,3,16]. Во = 2,47 × 10-6 Ом-1 /км П.7 [15,18,17]
Рис. 1.14 Схема замещения питающей линии 0 – 1 Сопротивления воздушных линий электропередач определяются по формулам: R12
= X12 = (x0 × l) / 2, (1.17) где L – длина линии, км; r0 – удельное активное сопротивление провода, Ом/км; х0 – удельное индуктивное сопротивление провода Ом/км; R12
= Х12
= Определяется емкостная проводимость линии по формуле (1.18). В1
= В2
= Где в0 – удельная емкостная проводимость, Ом-1 /км. В1
= В2
= Определяются активное и индуктивное сопротивления трансформаторной подстанции: R23
= Где Рк – потери короткого замыкания, кВт; Uном – номинальное напряжение высшего порядка, кВ; Sном – номинальная каталожная мощность, мВА. Х23
= где Uк – напряжение короткого замыкания, %; n – число трансформаторов. R23
= Х23
= Определяется реактивная мощность холостого хода группы n - трансформаторов: ∆Uхх
= где Iо – ток холостого хода, %; ∆Qхх
= Рассчитывается линия электро передач по звеньям рис. 1.14. Второе звено. По условию расчета активная мощность потребителя в конце звена Рз = 2,525 МВт, коэффициент мощности cosj = 0.8. Тогда реактивная мощность определяется по формуле: Qз = Рз × tg j (1.22.) Qз = 2,525 × 0,75 = 1,894 Мвар. Потери мощности во втором звене запишутся ∆Р2
= ∆Р2
= Потери реактивной мощности определяются: ∆Q2
= ∆Q2
= Потери напряжения в звене, продольная составляющая ∆U2 = (P3 × R23 × Qз × X23 ) / Uз (1.25) ∆U2
= поперечная составляющая d U2 = (P3 × X23 – Q3 × R23 ) / U3 (1.26.) d U2
= Определим мощность и напряжение в начале второго звена: Р2 = Р3 + ∆Р3 Q2 = Q3 + ∆Q3 Р2 = 2,525 + 0.018 = 2,543 мВт; Q2 = 1,894 + 0,215 = 2,109 Мвар. Uз
= Uз
= Данные, полученные при расчете сводим в таблицу 1.5. Таблица 1.5 Расчет линий электропередач по звеньям
Первое звено. Активная мощность в конце звена Р1 = 14,555 МВт. Реактивная мощность рассчитывается с учетом потери мощности трансформатора на холостом ходу и зарядной мощности линии Qc Qc = BU2 (1.29) Qc
= Q’2
+ Qxx
Q2
= 2,103 + 0,075 Потери мощности в звене запишутся ∆Р1
= ∆Р1
= ∆Q1
= ∆Q1
= Потери напряжения в звене ∆U1
= ∆U1
= dU1
= dU1
= Мощность и напряжение в начале первого звена определяется: Р1 = Р2 + ∆Р1 (1.35) Q1 = Q2 + ∆Q1 Q1 = 1,09 + 0.0063 = 1,096 Мвар; Р1 = 2,543 + 0,0065 = 2,55 МВт. U1
= U1
= Полученные расчетные данные заносим в табл.1.5. Из табл.1.5 находим основные технико-экономические показатели расчитаной линии. Коэффициент полезного действия передачи h = h = при этом tg j = tg j = откуда определяется cos j = 0,92. Общая потеря напряжения в линии определяется. ∆U % = U1 – U3 (1.39.) ∆U = 115,25 – 110 = 5,25 кВ или 4,8% Таким образом выбранная мощность и тип трансформатора, а так же сечение (3´70) мм2 и марка проводов АС обеспечивают передачу запланированной расчетной мощности с достаточно высоким КПД передачи h = 0,99. Данные расчётов заносим в таблицу 1.6. Таблица 1.6 Расчет питающих линии напряжением 35 ¸ 110 кВ
1.3.4 Определение сечений проводов распределительной сети напряжением 10 кВ Методика разработанная институтом "Сельэнергопроект", предусматривает выбор провода по эквивалентной мощности Sэкв , а не по проектной, которая наступает в конце расчетного срока, через 5…7 лет. Определяется расчетная максимальная нагрузка Smax на данном участке линии. Разные схемы сети 10 кВ приведены на рис. 1.16., рис. 1.20. Определяется эквивалентная нагрузка по формуле: Sэкв = Smax × Kд , (1.40) где Kд – коэффициент учитывающий динамику роста нагрузок, для вновь сооружаемых сетей Kд = 0,7 [1]. По таблицам [1] предварительно определяется сечение проводов для каждого участка линий. Определяется потеря напряжения при выбранных сечениях для мощности расчетного года Smax . Если потери напряжения превысит допустимую, то на ряде участков начиная с головных берутся большие дополнительные сечения из тех же таблиц приложения [1]. Расчет заканчивается проверкой потери напряжения в линии, которая на должна превышать допустимую. Все расчеты по распределительной сети 10 кВ сведены в таблицу 1.7. Таблица 1.7 Расчет сетей напряжением 10 кВ
Рис. 1.15 Расчётная схема сети ВЛ – 10 кВ к определению сечения проводов сети присоединённой к п/ст "Покойное"
Рис. 1.16 Расчётная схема сети ВЛ – 10 кВ к определению сечения проводов сети присоединённой к п/ст "Красный Октябрь"
Рис.1.17 Расчётная схема сети ВЛ – 10 кВ к определению сечения проводов сети, присоединённой к п/ст "Прасковея"
Рис. 1.18 Расчётная схема сети ВЛ – 10 кВ к определению сечения проводов сети присоединённой к п/ст "Будёновск"
Рис.1.19 Расчётная схема сети ВЛ – 10 кВ к определению сечения проводов сети присоединённой к п/ст "Преображенское" 1.4 Технико–экономическое обоснование выбора целесообразного варианта системы электроснабжения сельскохозяйственного района При проектировании систем сельского электроснабжения необходимо обеспечить выбор наиболее целесообразного, имеющего лучшие технико–экономические показатели, варианта. На практике при сравнении вариантов в качестве показателя сравнительной экономической эффективности наиболее часто используют приведенные затраты.Приведенные затраты по каждому варианту представляют собой сумму текущих затрат на издержки производства и капитальных вложений, приведенных к одинаковой размерности при помощи нормативного коэффициента Ен [4].З = Ен × К + И, (1.41.)Где Ен – нормативный коэффициент эффективности принимаемый в энергетике, 0,15;К – капиталовложения, тыс. руб.;И – ежегодные издержки производства, руб.Наиболее экономичен из числа сравниваемых вариант с наименьшими годовыми затратами.1.4.1 Определение капитальных вложений Капитальные вложения в электрические сети при питании от энергосистемы в общем случае определяют по формуле:К = åКл + åКп/ст + Кя + Кq , (1.42.)где åКл – суммарные капиталовложения на сооружение электрических линий, тыс. руб.; Кя – капиталовложения на сооружение ячейки РУ в точке питания, тыс. руб.; Кд – дополнительные капиталовложения, тыс. руб. Стоимость линий и оборудования выбирают по справочным материалам [2], [9]. Капиталовложения в линии электропередач приведены в таблице 1.8., а капитальные вложения в подстанции в таблице 1.9. Дополнительные капитальные затраты определяют по формуле: Кд = a × (å∆Рл + å∆Рп/ст ), (1.43) Где a - удельные капиталовложения на 1кВт установленной мощности электростанции, руб./кВт; å∆Рл , å∆Рп/ст – соответственно суммарные потери мощности в электрических линиях и на подстанциях, кВт. Потери мощности в линии определяется: ∆Рл = 3 × I2 р × R × 10-3 , (1.44) где R – активное сопротивление линии, Ом; Iр – расчетный ток линии, А. Пример расчета. Вариант I Линия 0 –1 110 кВ Iр = 95,4; r0 = 0,43 Ом/км; L = 50 км. ∆Рл = (3 × 62,92 × 50 × 0,43 × 10-3 )/2= 127,2 кВт. Потери мощности в линиях электропередач сведены в таблицу 1.10. Потери мощности в двухобмоточных трансформаторах: ∆Рт
= ∆Рст
× n + где ∆Рст – потери в стали трансформатора, кВт; n – количество параллельно включенных трансформаторов; ∆Рм. ном – потери мощности в обмотках трансформатора, кВА. Пример расчета. Вариант I, п/ст "Красный Октябрь" Трансформаторы ТМН – 6300/110кВ, включены 2 штуки параллельно: ∆Рт
= 2 × 11,5 + Потери мощности в трансформаторных подстанциях заносятся в таблицу 1.11. Находим дополнительные капитальные вложения по I – му варианту: Кд =31,5×(248,9+136,5)=12,1 тыс. руб Таблица 1.8 Капитальные вложения линии электропередач 110 кВ.
Таблица 1.9 Капитальные вложения в подстанции
Таблица 1.10 Потери мощности в линиях электропередач 110 кВ
Таблица 1.11 Потери мощности в трансформ-х подстанций 110/10 кВ
Результаты расчетов капитальных затрат по вариантам сведены в таблицу 1.12. Капитальные вложения в ячейки ОРУ – 110 кВ на пункте питания от энергосистемы будут величиной постоянной для вариантов I и II и составят Кя = 90 млн. руб. Таблица 1.12 Капитальные вложения в электрическую сеть.
1.4.2 Определение ежегодных издержек. Ежегодные издержки производства представляют собой сумму всех отчислений и расходов связанных с эксплуатацией данной электроустановки для каждого звена электрической сети определяются по формуле:И = где Кл i - капитальные вложения на сооружение i - ой линии электропередач, млн. руб.; Ра i , Ртр i = отчисления в процентах на амортизацию линии и текущей ремонт; Кп/стi - капитальные вложения на сооружение подстанции, млн. руб.; Р`а i , Р’тр i - отчисления в процентах на амортизацию и текущий ремонт подстанций; Кя – капитальные вложения на сооружение ячейки ОРУ в месте присоединения сети к энергосистеме, млн. руб.; Р’’а , Р’’тр – отчисления в процентах на амортизацию и текущий ремонт ячейки; bл – удельные затраты на потери электроэнергии в воздушных линиях, руб./кВт × час; bт – удельные затраты на потери электроэнергии в трансформаторах понизительных подстанций, , руб./кВт × час; å∆Ал , å∆Ап/ст – суммарные потери электроэнергии в линиях и на подстанциях, кВт/час; З – заработная плата и другие расходы связанные с эксплуатацией сетей, млн. руб. Согласно [9] при технико–экономическом сопоставлении вариантов электрических сетей, затраты на эксплуатацию (текущий ремонт, зарплату персоналу и общественные расходы) допускается определять в процентах от капиталовложений формула (1.47.) перепишется следующим образом: И = где Рэ i Р’э i Р’’э – отчисления в процентах, соответственно на эксплуатацию линий и ячейки ОРУ в месте присоединения сети в энергосистеме. Потери электроэнергии в линиях электропередач определяется по формуле: å∆Ал = å × З × I2 max × R × t × 10-3 , (1.48) где Imax – максимальный ток в линии, А; R – активное сопротивление линии, Ом; t - время наибольших потерь, ч. Для сельскохозяйственных потребителей: t = 0,69 × Тм – 584, (1.49.) Для сельскохозяйственных сетей Тм = 3500 ч, поэтому t = 0,69 × 3500 – 584 = 1831 час. Потери электроэнергии в трансформаторах подстанций определяется: å∆Ап/ст
= å [ ∆Pm
Результаты расчетов потерь энергии в линиях сведены в таблицу 1.13., а результаты расчетов потерь энергии в трансформаторных подстанциях в таблицу 1.14. Издержки на амортизацию и обслуживание линий. Пример расчета. Вариант I. Амортизационные отчисления на линии 110 кВ. Ра 110 = 2,4%. Затраты на эксплуатацию линии 110 кВ Рэ = 0,4%: åКл
× Издержки на амортизацию и обслуживание подстанций. Пример расчета. Вариант I. åКп/ст
× Таблица 1.13 Потери электроэнергии в линиях 110 кВ
Таблица 1.14 Потери электроэнергии в трансформаторах подстанций
Издержки на амортизацию и обслуживание ячеек ОРУ в месте присоединения сети к энергосистеме. åКя
× Нормы на амортизацию взяты из [15]. Затраты на возмещение потерь электроэнергии в линиях и на подстанциях. Согласно [4] для зоны Северного Кавказа стоимость потерь электроэнергии в линиях b110 = 26 коп./кВт × ч. Пример расчета. Вариант I. b110 × å∆Ал110 + bт110/10 × å∆Ат110/10 = 26×455735,9+27,7×438557 = 239,9 тыс. руб. Результаты расчетов для вариантов сведены в таблицу 1.15. Определяются суммарные приведенные затраты для вариантов: З = И + Ен × К , (1.41) где Ен – нормативный коэффициент сравнительной эффективности капитальных вложений; Ен
= где Тн – нормативный срок окупаемости Тн = 5 лет. Расчет приведенных затрат сводится в таблицу 1.16. Таблица 1.15 Ежегодные издержки
Таблица 1.16 Суммарные приведенные затраты
Анализ таблицы 1.16 показал, что оба варианта практически равнозначны. Выбираем вариант I по техническим соображениям, т. к. он содержит большее количество подстанций тупикового типа, которые выполнены по более простым схемам и более удобны в обслуживании. 1.5 Выбор схем распределительных устройств подстанцийСхемы распределительных устройств подстанций на всех напряжениях выбираются с учетом числа присоединений и назначения подстанции. При выборе схем подстанции они должны удовлетворять: надёжности электроснабжения потребителей, транзита мощности через подстанцию, возможности проведения ремонтных работ на отдельных элементах схемы без отключения соседних присоединений, учитывать перспективу развития. Трансформаторная подстанция "Будёновск" является для всех вариантов узловой, РУ 110 кВ выполняется по схеме с одной рабочей секционированной и одной обходной системой шин. Подстанции "Преображенское", "Прасковея", "Красный Октябрь" являются тупиковыми. Схемы подстанций представляют собой два блока "линия – трансформатор" с автоматической перемычкой со стороны питающей линии и с установкой короткозамыкателей и отделителей, подстанция "Покойное" выполнена на отпайках. 1.6 Расчет токов короткого замыкания Расчет короткого замыкания проводится с целью выбора и проверки электрических аппаратов и токоведущих устройств, выявления необходимости ограничения величины тока короткого замыкания и проектирования устройств релейной защиты и автоматики. Расчетная схема сети приведена на рис. 1.21. а схема замещения на рис. 1.22. По данным энергосистемы мощность трёхфазного короткого замыкания питающей системы в месте присоединения Sк.с = 1000 МВА. Расчет выполняется в относительных единицах. Принимается базисная мощность Sd = 100 МВА. Определяются сопротивления элементов схемы. Расчет приводится только для характерных элементов схемы. Остальные данные приведены на рис. 1.22. Сопротивление системы. Хс
= Хс
= Сопротивление воздушной линии Х = r = где х0 , r0 – индуктивное и активное сопротивление 1 км провода [12], Ом/км, L – длина линии, км. Активное сопротивление учитывается только при условии, что rå
> Сопротивление трансформатора Хт
= Для трансформаторов с Sн >630 кВА r»0, сопротивление Хн %»Uк % Результаты расчётов сводим в таблицу 1.17.
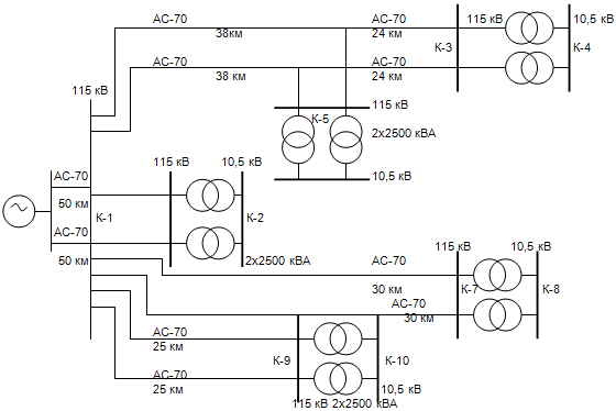
Рис. 1.20 Расчетная схема для определения токов КЗ
Рис.1.21 Схема замещения питающей сети 110 кВ Таблица 1.17 Расчет токов короткого замыкания
1.7 Выбор электрических аппаратов распределительных устройств 110 и 10 кВ Выбор электрических аппаратов должен производиться в соответствии с вычисленными максимальными величинами токов, напряжений, мощностей отключений для двух режимов: нормального и режима короткого замыкания. К таким аппаратам относятся: выключатели разъединители, предохранители, измерительные трансформаторы. При выборе производится сравнение расчётных величин с допускаемыми значениями. При этом расчётные значения должны быть меньше допустимых (табличных). Результаты выбора аппаратов приведём в таблицах 1.18-1.22 Таблица 1.18 Данные разъединители РНД 3 – 2 - 110/1000 У1
Таблица 1.19 Данные отделителя ОДЗ – 1 – 110/1000 УХЛ1
Таблица 1.20 Данные короткозамыкателя КЗ 110 УХЛ 1
Таблица 1.21 Данные выключателя ВК – 10, 630
Таблица 1.22 Данные разъединителя РВЗ – 10/400 У2
Результаты приведённые в таблицах позволяют сделать вывод о правильности выбора электрических аппаратов. 1.8 Оборудование и конструкция распределительных устройств подстанции напряжением 110/10 кВ Комплектные трансформаторные подстанции (КТП) 110 кВ выполняются без включателей на стороне 110 кВ, но с установкой трехполюсных автоматических отделителей ОД – 110 и однополюсных короткозамыкателей КЗ – 110. Отказ от установки выключателей на стороне высшего напряжения КТП – 110 обеспечивает значительное упрощение схем и конструкций КТП и удешевление их стоимости. КТП – 110 рассчитаны на работу в условиях от –40 до +400 С. Комплектные трансформаторные подстанции выполняются с одним или двумя трансформаторами. Комплектные трансформаторные подстанции блочного типа (КТПБ) изготавливаются на напряжения 110/10, 110/35/10 кВ. Типы блоков, применяемых на КТПБ 110/10 и КТП 110/35/10, одинаковы. Для КТПБ применяются трансформаторы с регулированием напряжения под нагрузкой типов ТМН, ТДН, ТМТН и ТДТН. Комплектуются КТПБ шкафами КРУН. Комплектные РУ наружной установки (КРУН) 10 кВ имеют два основных исполнения: стационарное и выкатное. Шкафы КРУН имеют уплотнения обеспечивающие защиту от попадания внутрь шкафа атмосферных осадков и пыли. Комплектные распределительные устройства наружной установки рассчитаны для работы при температуре окружающей среды от –40 до +35 °С. 1.9 Релейная защита 1.9.1 Выбор вида защит силовых трансформаторов На выбор вида защит силового трансформатора влияет несколько факторов: высшее напряжение трансформатора, его мощность, а также требования предъявляемые ПУЭ к данному силовому трансформатору. Для защиты трансформаторов используется несколько видов защит: плавкие предохранители, токовая отсечка, дифференциальная защита, максимальная токовая и газовая защиты. Силовые трансформаторы потребительских подстанций напряжением 10/0,4 кВ и трансформаторы с высшим напряжением 35 кВ мощностью до 1 мВА защищают плавкими вставками. Ток плавкой вставки от бросков тока намагничивания трансформатора должен быть в 2-2,5 раза больше его номинального тока. Значения токов плавких вставок для трансформаторов разного класса, напряжения и мощности можно найти по справочным данным. Из условия выбора видно что предохранитель защищает трансформатор только от коротких замыканий. Время срабатывания плавких вставок должно обеспечивать термическую стойкость трансформатора. Согласно ГОСТ 11677-75 продолжительность короткого замыкания на зажимах трансформатора не должна превышать следующего значения [8] t к = 1500/Кр2 , (1.56) где Кр – кратность максимального расчетного тока короткого замыкания по отношению к номинальному. В соответствии с требованиями ПУЭ [2] трансформатор должен иметь защиту от междуфазных коротких замыканий внутри обмоток и на вводах, от перегрузок, от внешних межвитковых замыканий и от аварийного снижения уровня масла в баке. Токовая отсечка. Для трансформаторов напряжением 100…35/10 кВ мощностью до 4 мВА в качестве защиты от междуфазных коротких замыканий применяют токовою отсечку. Ток срабатывания отсечки Iс.о. ³ kн × Iкмах (3) , (1.57) где kн – коэффициент надежности, зависящий от типа реле; Iкмах (3) – максимальное значение тока на шинах низшего напряжения трансформатора, приведенное к стороне не высшего напряжения, определяется с учетом РПН. Ток срабатывания реле: Iс.р.
= По найденному току выбирают установку реле Iу ³ Iср . Коэффициент чувствительности определяют по формуле: Кч
= где Ipmin – минимальное значение тока в реле при двух фазном коротком замыкании на выводах высшего напряжения трансформатора. Коэффициент чувствительности токовой отсечки должен быть равен примерно 2 [8]. Дифференциальные защиты. Если токовая отсечка не удовлетворяет требованиям чувствительности, то необходимо применить более сложную дифференциальную защиту. Возможны два основных способа выполнения продольных защит: применение самостоятельных защит для каждой обмотки или общей для всех обмоток. Недостатками первого варианта являются следующие: зашита не реагирует (во многих исполнениях) на относительно частый вид повреждения – витковые короткие замыкания; Необходимо устанавливать дополнительные трансформаторы тока у выводов фаз к нейтралям и в обмотках соединенных в треугольник, и большее число комплектов реле. Поэтому на практике как правило применяется второй вариант, общая защита для всех обмоток [13]. В соответствии с ПУЭ [2] продольная дифференциальная токовая защита без выдержки времени должна предусматриваться на трансформаторах мощностью 6,3 мВА и выше, а также на трансформаторах 4 мВА при их параллельной работе и на трансформаторах меньшей мощности, но не менее 1 мВА, если токовая отсечка не удовлетворяет требованиям чувствительности, а максимальная токовая защита имеет выдержку времени более 0,5 с. Кроме того дифференциальная защита предусматривается на трансформаторах, установленных в районах подверженных землетрясениям, поскольку газовая защита трансформатора здесь может действовать только на сигнал. В России выпускается специальные реле для дифференциальных защит трансформаторов распределительных сетей серии РНТ – 560 и ДЗТ – 10. На двух и трехобмоточных силовых трансформаторах, автотрансформаторах, без регулирования напряжения под нагрузкой обычно применяются реле серий РНТ с насыщающимися трансформаторами тока НТТ и короткозамкнутой обмоткой. Для защиты силовых трансформаторов с регулированием напряжения под нагрузкой, как правило применяют реле серий ДЗТ – 10 с НТТ и магнитным торможением сквозным, циркулирующим током дифференциальной защиты. Исключения могут составлять трансформаторы с малыми значениями токов короткого замыкания при повреждениях на стороне низшего напряжения, для которых более высокую чувствительность обеспечивают реле РНТ благодаря лучшей отстройке от бросков тока намагничивания. Для трансформаторов большой мощности выпускаются полупроводниковые сложные реле серии ДЗТ – 20, позволяющие выполнить дифференциальную защиту с током срабатывания, значительно меньшим номинального тока трансформатора. В сравнительно редких случаях дифференциальной защиты, используются обычные токовые реле серии РТ – 40 [11]. Существует несколько вариантов выполнения дифференциальных токовых защит. Дифференциальная токовая отсечка, это защита с обычными реле без выдержки времени, с отстройкой от всех видов токов небаланса Iн.б. , возникающих при выборе трансформаторов тока со стандартными значениями коэффициентов трансформации отличающихся от требуемой величины коэффициентов трансформации, соответствующим выбором тока срабатывания защиты приведена на рис.1.22. На основании экспериментальных данных при близких значениях токов плеч в рабочих режимах можно иметь: Iс.з. » (3,5¸4,5) Iном.т. , Рассмотренный вид дифференциальных защит применяют на трансформаторах небольшой мощности, если обеспечивает приемлемую чувствительность и не требует выравнивания токов плеч, а также в качестве резервной к более чувствительным, но и значительно более сложным дифференциальными защитами [6].
Рис.1.22 Однолинейная принципиальная схема дифференциальной токовой отсечки Защита с промежуточными насыщающимися трансформаторами. Однолинейная схема защиты с реле типа РНТ приведена на рис.1.23. Промежуточный насыщающийся трансформатор тока имеет одну дифференциально включенную первичную рабочую обмотку, две уравнительные обмотки и две части короткозамкнутой обмотки соответственно с числами витков Wраб.н. , Wраб.в , Wур I , Wур II , W’кз , W’’кз . Промежуточный НТТ имеет два назначения: - отстраивать защиту от переходных токов небаланса Iнб обусловленных бросками тока намагничивания защищаемого элемента, когда Íнб содержат апериодические слагающие; - короткозамкнутые обмотки НТТ усиливают при этом эффективность отстройки; - косвенно выравнивать токи II в и IIi в плеч защиты путем выравнивания магнитодвижущих сил, определяемых этими токами.
Рис. 1.23 Однолинейная принципиальная схема дифференциальной токовой защиты с промежуточными насыщающимися трансформаторами тока В случаях когда расчетным условием для выбора тока срабатывания защиты Iс.з является отстройка от токов небаланса Iн.б , определяемых не бросками тока намагничивания Iнам.бр. , а токами максимальными внешними Iвн.мах. на практике часто используются схемы, имеющие дополнительно магнитное торможение. Однолинейная схема защиты с реле типа ДЗТ – 1 приведена на рис.1.24. Для нее используется НТТ примерно того же исполнения что и для схемы рис.1.23. Дополнительно на нем располагается тормозная обмотка с Wторм. обычно обеими катушками включаемая на ток одного из плеч, и отсутствуют короткозамкнутые обмотки, что ухудшает отстройку от переходных токов небаланса Iнб.
Рис.1.24 Однолинейная принципиальная схема дифференциальной токовой защиты с магнитным торможением Тормозная обмотка обеспечивает "магнитное" торможение – автоматическое увеличение тока срабатывания защиты Iс.з. при возрастании Iторм. посредством насыщения магнитной системы НТТ от тока Iвн. и ухудшение вследствие этого магнитной связи между Wраб.п. и Wраб.в. Тормозная обмотка не оказывает существенного влияния на отстройку от тока намагничивания, с учетом этого при одностороннем питании её целесообразно включать на ток питаемой стороны, что исключает торможение при внутренних коротких замыканиях [13]. Схемы соединения трансформаторов тока, при выборе дифференциальной защиты, со стороны высшего и низшего напряжения выбирают с учетом схемы соединения обмоток силового трансформатора. Коэффициенты трансформации трансформаторов тока определяют так, чтобы значения токов в плечах дифференциальной защиты I21 , I22 рис.1.25. были по возможности одинаковые.
Рис. 1.25 Схема дифференциальной защиты (Wур1 , Wур2 – уравнительные обмотки; Wр – рабочая обмотка; Wт – тормозная обмотка) Для расчета защиты необходимо знать максимальные и минимальные значения тока короткого замыкания в точке К1 с учетом изменения сопротивления системы с силового трансформатора при работе устройства регулирования напряжения под нагрузкой (РПН). Расчет дифференциальной защиты начинают с определения токов в ее плечах, исходя из мощности силового трансформатора , за основную сторону принимают ту где протекает большой ток. Ток срабатывания дифференциальной защиты рассчитывают по двум условиям: - отстройки от броска тока намагничивания силового трансформатора Iс.з. = kн × Iном. , где kн – коэффициент надежности зависит от типа реле для РТ – 40 kн = 3…4; для РНТ kн = 1,3, для ДЗТ kн = 1,5; Iном = номинальный ток силового трансформатора. - отстройки от внешних коротких замыканий. Iс.з. = kн (kодн × ka e + ∆U* p + fвыр ) Iкмах (3) , где kодн – коэффициент однотипности трансформаторов тока, при защите силовых трансформаторов kодн = 1; ka – коэффициент учитывающий влияние апериодической составляющей; e - относительная погрешность трансформаторов тока, e = 0,1; ∆U* p – половина диапазона регулирования напряжения силового трансформатора , в относительных единицах; fвыр – погрешность, обусловленная неточностью установки расчетного числа витков; Iкмах (3) – периодическая составляющая тока внешнего короткого замыкания с учетом РПН трансформатора. Ток срабатывания реле: Iср
= где КI – коэффициент трансформации трансформатора тока; Ксх – коэффициент схемы, зависит от схемы соединения трансформаторов тока Для дифференциальной отсечки реле РТ 40 ток срабатывания является током установки. Для защит с дифференциальными реле определяется число витков основной стороны дифференциальной защиты: Wосн
= где Fср – намагничивающая сила срабатывания реле, для реле РНТ 565 и ДЗТ – 11 Fср = 100 Ампервитков. Число витков не основной стороны определяется из соотношения: I200н × Wосн = I2носн × Wносн , Для схемы изображенной на рис. 1.25. число витков основной и не основной сторон включают в себя сумму витков рабочей и соответствующей уравнительной обмотки. Для защит с реле ДЗТ по максимальному значению тока небаланса Iнб определяется число витков тормозной обмотки: Wт
= Кн
× где tga - тангенс угла наклона тормозной характеристики (для реле ДЗТ tga = 0,75…0,8). Защита от внешних коротких замыканий и перегрузок. Для защиты трансформатора от внешних коротких замыканий применяют максимальную токовую защиту. Однолинейная схема максимальной токовой защиты приведена на рис.1.26. Ток срабатывания реле определяется по формуле: Iс.з.вн. = Кн.с. × Iсзнн. , где Кн.с. – коэффициент согласования зависит от типов реле защиты установленных на вводах низшего и высшего напряжений; Iсзнн. – ток срабатывания защиты ввода низшего напряжения приведенный к высшему напряжению. На выходное промежуточное реле
Рис.1.26 Однолинейная схема максимальной токовой защиты Iс.р
= Установка реле по току должна быть не менее расчетного тока срабатывания. Установку по времени определяют по карте селективности. Защита действует на отключение. Защиту от перегрузки выполняют токовым реле установленным в одной фазе. Это объясняется тем что перегрузки обычно бывают симметричными. Защиты работают с выдержкой времени большей, выдержки времени защит от короткого замыкания, обычно на сигнал. Схема токовой защиты от перегрузок приведена на рис.1.27. Ток срабатывания реле: Iс.р
= где Кв – коэффициент возврата, зависит от типа реле.
Рис.1.27 Принципиальная схема токовой защиты от перегрузок Газовая защита реагирует на все виды внутренних повреждений в том числе и на витковые замыкания, при которых другие применяемые стандартные виды защит могут не срабатывать. Витковые замыкания как и другие виды коротких замыканий сопровождаются местным нагревом, а во многих случаях и горением электрической дуги. Это приводит к разложению трансформаторного масла и изоляционных материалов и образованию газов, в результате чего и действует газовая защита. Основным органом газовой защиты является газовое реле. Его устанавливают между баком трансформатора и расширителем. Раньше нашей промышленностью выпускались поплавковые реле ПГ – 22, а затем чашечковые типа РГ 43. Но с начала 70-х годов на отечественные силовые трансформаторы устанавливаются более надежные газовые реле Бухгольца типа BF – 80/Q производства Германии. Кроме того, что газовые реле защищает трансформатор при внутренних коротких замыканиях оно еще реагирует на аварийное снижение уровня масла в баке трансформатора. Газовое реле Бхгольца работает как на сигнал, так и на отключение. Установка газовой защиты обязательно на трансформаторы мощностью 6,3 мВА и более [10]. После анализа выше перечисленных типов защит для трансформатора мощностью 6,3 мВА с высшим напряжением 110 кВ выбираются: для защиты от внутренних коротких замыканий и аварийного снижения масла газовая защита; Для защиты от внешних коротких замыканий дифференциальная продольная токовая защита. 1.9.2 Релейная защита ВЛ – 110 кВ районных электрических сетей В сельской местности электроснабжение осуществляется, как правило, по воздушным ВЛ напряжением 10 кВ, которые подключаются к подстанциям 110 и 35 кВ. За последние годы благодаря увеличению числа питающих линий и подстанций снизилась средняя протяжённость линии 10 кВ. Появилось много сравнительно коротких линий (до 10 км). Защита линии 10 кВ сельскохозяйственных районов выполняется в соответствии с ПУЭ от многофазных к. з. И от однофазных замыканий на землю.Защиту от многофазных к. з. предусматривают в двухфазном исполнении на одних и тех же фазах линии №2 подстанции "Красный Октябрь" с исполнением реле РТВ – I, включённым на однофазные токи (рис 1.28).
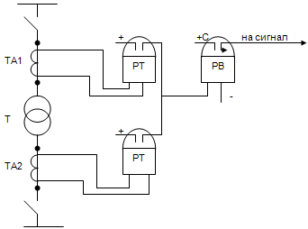
Рис 1.28 Схема минимальной защиты линии Согласуем защиту линии с работой кварцевого предохранителя типа ПКТ трансформатора 250 кВА, подключённого к линии. Определим ток срабатывания защиты по условиюIc
.з.
³ где Кн – коэффициент надёжности, обеспечивающий надёжное срабатывание (отстройку) защиты путём учёта погрешности реле с необходимым запасом, Кн =1,4 для реле РТВ – I [11]; Кв – коэффициент возврата реле, Кв =0,6 [11]; Ксзп – коэффициент запуска, Ксзп =1,25; Iраб. max – максимальный рабочий ток ногрузки. Находим из табл.1 – 7 [11] номинальный ток плавкой вставки предохранителя, который равен 40 А. По типовым время токовым характеристикам предохранителя ПКТ – 10 [11] определим значение тока, для которого время плавления tпл =5с: 150 А. Ток срабатывания максимальной защиты в этом случае должен быть не менее, чем Iс.з. ³1,4 In =1.4*150=210 А. С учётом имеющихся установок на реле РТВ – I и принимая nтт =100/5, ток срабатывания округлим до 500 А. Следовательно, для обеспечения требуемого коэффициента чувствительности защиты линии К(2) ч.осн. =1,5 [9,11,13] ток через защиту, выполненную по схеме неполной звезды (рис. 1.26) при двухфазном к. з. в конце защищаемой зоны должен быть не менее 300 А. Выбранные токи срабатывания могут обеспечить и дальнейшее резервирование, т. е. при двухфазном к. з. за трансформатором 250 кВА. На рис 1.29 построены время токовые характеристики предохранителя ПКТ – 10 Iном =40 А: типовые (кривые 1) и предельные, смещённые на 20 % вправо (кривые 1). Характеристика 2 времени срабатывания линейной защиты с реле типа РТВ – I с током срабатывания 200 А подобрано таким образом, чтобы обеспечить ступень селективности Dt между характеристиками 1 и 2 не менее 0,5 с во всём диапазоне ожидаемых токов к.з.
Рис.1.29 Схема сети (а) и карта селективности (б) 2. Разработка устройства для определения мест повреждения линии ЛЭП 2.1 Классификация и назначение устройств для определения мест повреждения воздушных ЛЭП Воздушные распределительные сети 6 – 35 кВ работают с изолированной или компенсированной нейтралью. Значение токов замыкания на землю в этих сетях относительно не велики и во многих случаях на один или даже два порядка меньше токов нагрузки. Для воздушных сетей 6 –35 кВ с изолированной нейтралью значение тока замыкания на землю при замыкании без переходного сопротивления может быть ориентировочно определено по эмпирической формуле [19] Ic=2.7*lc*U* л *10-3 (2.1) где Iс – ток замыкания, А; Uл * - линейное напряжение, кВ; lc – суммарная длина линии сети, км. В компенсированных сетях ток замыкания на землю зависит , кроме того, от степени компенсации ёмкостного тока. Для этих сетей характерна так же сложная древовидная конфигурация линий. Указанная особенность сетей 6 – 35 кВ практически исчезает возможность применения для них методов и средств определения мест однофазных замыканий на землю, используемых в сетях более высокого напряжения. В связи с этим в воздушных линиях 6 –35 кВ получили распространение переносные приборы, которые позволяют путём ряда последовательных измерений в разных точках определить место повреждения. Известные методы и приборы для отыскания места однофазного замыкания на землю [1,2] в воздушных распределительных сетях основан на использовании процессов и явлений, происходящих в сетях при этом виде повреждений. При замыкании на землю как в повреждённой, так и в неповреждённых линиях определяется при прочих одинаковых условиях: ёмкостью проводов каждой линии по отношению к земле. В повреждённой линии от шин подстанции к месту замыкания протекает суммарный ток нулевой последовательности неповреждённых линий. Направление тока в повреждённой линии противоположно направлению токов в неповреждённой линии. Замыкание на землю вызывает искажение системы фазных напряжений. Токи нулевой последовательности, кроме основной составляющей 50 Гц, содержат составляющие высших гармоник. Основными источниками высших гармоник являются генераторы,э.д.с. которых не чисто синусоидальная, а так же силовые трансформаторы и токоприёмники, имеющие не линейную характеристику. При замыкании на землю в сети гармонический состав тока нулевой последовательности непосредственной линии определяется гармоническим составом напряжения нулевой последовательности и параметрами данной линии. Гармонический состав тока повреждённой линии представляет собой сумму гармонических составляющих токов неповреждённой линии. В компенсированных сетях к высшим гармоникам тока нулевой последовательности повреждённого присоединения добавляются высшие гармонические составляющие тока дугогосящей катушки. Контроль тока нулевой последовательности в линиях сети осуществляется переносными приборами путём измерения магнитного поля вблизи линии с помощью встроенных в прибор магнитных датчиков, представляющих собой индуктивную катушку с разомкнутым ферромагнитным сердечником. Контроль напряжения сети осуществляется путём измерения электрического поля с помощью штыревой антенны. По измеряемым составляющим тока и напряжения переносные приборы делятся на две группы: приборы, работающие на частоте 50 Гц, и приборы, работающие на высших гармонических составляющих. Каждая группа в свою очередь включается как токовые, так и направленные приборы. Токовые приборы используются для сравнительной оценки токов нулевой последовательности в линиях и участках сети при замыкании на землю. Направленные приборы дают возможность определить направление протекания токов. При применении токовых приборов в результате сравнительной оценки уровня соответствующих составляющих токов нулевой последовательности определяется повреждённая линия, показания прибора, для которой максимальны; затем по максимальным показаниям прибора на повреждённой линии определяется повреждённое ответвление и место повреждения, за которым показания прибора резко снижаются. Направленные приборы позволяют по показаниям индикатора определить направление к месту повреждения в точке сети, если значение соответствующей составляющей тока нулевой последовательности в данной точке сети достаточно для работы прибора. Это условие выполняется обычно на сравнительно коротких ответвлениях и кольцевых участках сети. Применение приборов, использующих составляющие основной частоты, встречают трудности из–за влияния магнитного поля токов нагрузки, напряжённость которого сравнима с напряжённостью магнитного поля тока замыкания на землю. Наличие вблизи линии компенсационного магнитного поля токов нагрузки объясняется несимметричным расположением проводов линии по отношению к точке расположения переносного прибора. Влияние магнитного поля токов нагрузки резко ограничивает область применения наиболее простых приборов на основной частоте. При токах замыкания на землю, составляющих менее 20% тока нагрузки, применение таких приборов практически невозможно. Использование высших гармонических составляющих имеет то преимущество, что их относительный уровень в токе замыкания на землю по сравнению с уровнем в токе нагрузки тем выше, чем выше номер гармоники. Это объясняется ёмкостным характером сопротивления в контуре протекания тока замыкания на землю и в значительной степени индуктивным характером сопротивления в контуре протекания тока нагрузки. Поэтому при использовании высших гармонических составляющих влияние магнитного поля токов нагрузки существенно меньше. Замыкание на землю в большинстве случаев происходит через переходное сопротивление. В процессе протекания тока замыкания на землю значение этого сопротивления, как правило, не остаётся неизменным. Измерение переходного сопротивления, часто значительные, вызывают изменения уровня гармонических составляющих тока. Так как ёмкостное сопротивление в контуре прохождения тока замыкания на землю тем меньше, чем выше номер гармоники, влияние измерений переходного сопротивления на изменение уровня высших гармоник тем больше, чем выше номер гармоники. Таким образом, хотя более высокие гармоники дают возможность лучшей отстройки от влияния токов нагрузки, нестабильность их уровня в следствии измерения переходного сопротивления затрудняет работу с прибором, использующим более высокие гармоники. Наиболее распространённым в энергосистемах является серийно выпускаемые приборы "Поиск-1" и "Волна". Серийный выпуск прибора "Поиск-1" освоен Мытищенским электромеханическим заводом, он работает как универсальный прибор и имеет фиксированную настройку на 5,7,11 и 13-ю гармоники и возможность работы в полосе частот. Рекомендуется преимущественное использование 5-й гармоники. Основным недостатком является относительно большие размеры и масса. Усовершенствованный прибор "Волна" имеет лучшую селективность, более высокую чувствительность, меньшие габариты и всё. Общими ко всем переносным приборам для определения места замыкания в сети является следующие требования. Прибор должен иметь достаточно высокую чувствительность, обеспечивать определения места замыкания на землю в сетях малой протяжённости (не более 20 км), позволять производить контроль наличия замыкания в сети в процессе поиска повреждения. Прибор должен обеспечивать надёжное определение повреждений линии на подстанции, повреждённого ответвления и места повреждения на линии при значительных токах нагрузки (до 80-100 А). Прибор должен быть универсальным, применимым как в сетях с изолированной, так и скомпенсированной нейтралью при любой конструкции линии, в широком диапазоне температур, от –40 до +40 °С. прибор должен быть лёгким и малогабаритным, надёжным в работе и простым в употреблении, чтобы прибором мог пользоваться без труда любой электромонтёр. Наиболее перспективными переносными приборами, в большей степени удовлетворяющими перечисленным требованиям, являются приборы, основанные на использовании высших гармонических составляющих. 2.2 Принцип действия и характеристика прибора "Поиск-1" Прибор "Поиск-1" основан на измерении составляющих высших гармоник при токе замыкания на землю [18]. Прибор выполнен универсальным, рассчитанным на эксплуатацию в сетях с различными характеристиками. Это определяется возможностью работы прибора на любой из четырёх фиксированных частот, хорошей отстройкой от токов нагрузки, возможность контроля наличия в сетях замыкания на землю. Основными узлами прибора (рис.1) являются: магнитный датчик М, представляющий собой индуктивную катушку с разомкнутым ферромагнитным сердечником; фильтр – пробка на конденсаторах С1 – С3 и резисторах, предназначенная для запирания сигнала основной частоты; узел конденсаторов С4 – С7 для настройки прибора на разные рабочие частоты; усилитель на транзисторах VT1 – VT4, выходной измерительный прибор РА и источник питания GB. В качестве фильтра пробки в схеме используется двойной Т – образный RC – фильтр с нулевой настройкой на частоте 50 Гц. Это обеспечивает отсутствие влияния на показания прибора первой гармоники в токе нагрузки и в токе нулевой последовательности. Возможность настройки датчика с помощью конденсаторов С4 – С7 в резонанс на частоте одной из высших гармоник обеспечивает дополнительное ослабление сигнала основной частоты при отклонении частоты сети от частоты настройки RC – фильтра и повышает избирательность прибора (рис.2.2,а).
Рис.2.1 Принципиальная схема прибора "Поиск-1" Прибор "Поиск-1"снабжён штыревой ёмкостной антенной А (рис.2.1), позволяющей контролировать наличие напряжения на линии в процессе поиска повреждения, а так же определять наличие в сети замыкания на землю. Магнитный датчик прибора кроме рабочей обмотки 1 имеет вспомогательную обмотку 2, используемую при наладке прибора, а так же для проверки его исправности в условиях эксплуатации. С помощью переключателя 1SA последовательно с рабочей обмоткой включаются конденсаторы С4 – С7, которые обеспечивают резонансную настройку датчика на частоты, соответственно 5,7,11 и 13-й гармоник. Положение 5 переключателя используется для контроля суммы высших гармоник, а так же настройки Т – образного фильтра, а положение 6 позволяет контролировать составляющую промышленной частоты. Двойной Т – образный фильтр имеет подстроечные резисторы, позволяющие настраивать фильтр на промышленную частоту (50 Гц). Усилитель измерительной частоты собран на транзисторах. Стабилизация режима по постоянному току первых трёх каскадов осуществляется с помощью кольцевой глубокой обратной связи. Переключатель служит для изменения пределов измерения, контроля и отключения источника питания. Антенна прибора подключается непосредственно на вход усилителя. Для подключения антенны переключатель 1SA переключают в положение 7. если в сети нет замыкания на землю, на антенне прибора, помещённого вблизи линии, возникает небольшой потенциал, вызванный несимметричным расположением проводов. Однако этого потенциала достаточно, чтобы вызвать заметное отклонение стрелки прибора. При замыкании на землю одной фазы сети на антенне возникает потенциал определяемый напряжением нулевой последовательности. Этот потенциал в 20 – 30 раз превышает потенциал нормального режима и вызывает резкое увеличение показаний прибора. Основные технические характеристики прибора "Поиск-1"
2.3 Применение и техническое обслуживание прибора "Поиск-1" Прибором рекомендуется пользоваться на частоте 250 Гц. Отыскание места повреждения (замыкания на землю) с помощью этого прибора производится в следующей последовательности. У выходов линии с территории подстанции прибор располагается под одной линией на расстоянии 6 – 8 м от её оси. Переключатель1SA (рис.2.1) ставится в положение 1, соответствующее контролю пятой гармоники. При этом фиксируется показание прибора. Необходимая чувствительность прибора устанавливается переключателем 2SA. Аналогичные измерения проводятся под остальными отходящими линиями. Повреждённая линия определяется по максимальным показаниям из результатов измерений под всеми линиями. Далее измерения производятся в местах разветвлений повреждённой линии; при этом переключатель 1SA остаётся в положении, соответствующем той гармонике, на которой получены максимальные показания прибора на повреждённой линии, а переключатель 2SA в положении, соответствующем выбранной чувствительности. Неповреждённое ответвление даёт минимум показаний прибора. Для определения места повреждения на повреждённом ответвлении производятся последовательные измерения вдоль этого ответвления. Переход через место замыкания определяется по резкому снижению показаний прибора. В отдельных случаях с помощью переносного прибора бывает трудно определить место повреждения. Так, если от подстанции отходят всего две линии примерно одинаковой длины, то при замыкании на землю на одной из них токи нулевой последовательности в начале обеих линий практически равны между собой, и токовым прибором определить повреждённую линию практически невозможно. Аналогичное явление будет и при большем числе отходящих линий; если две из них имеют протяжённость существенно превышающую суммарную протяжённость остальных линий. Для отыскания места замыкания в этих случаях совместно с прибором может применяться электромагнитный генератор частоты типа ЭГЧ. 2.4 Принцип действия и характеристика прибора "Волна" Действие прибора "Волна" основано на измерении составляющих высших гармоник в токе замыкания на землю. По сравнению с прибором "Поиск-1" он имеет более высокую чувствительность при существенно меньших габаритах и массе, и более простое управление. Благодаря специальным мерам прибор имеет повышенную селективность по сравнению с другими приборами. Повышение селективности обеспечено благодаря использованию в приборе корректора, снижающего зависимость показаний прибора от расстояния между устройством и проводами линии (рис. 2.2,б), а так же от значения переходного сопротивления в месте замыкания [20.21].
Рис. 2.2. Характеристики приборов "Поиск-1" и "Волна": а) – зависимость показаний N прибора "Поиск-1" от частоты при настройке на частоты 5,7,11 и 13-й гармоник (1 – 4 кривые соответственно); б) – зависимость показаний N прибора "Поиск-1" (1) и "Волна" (2) от расстояния l между оператором и проекции оси линии Структурная схема прибора (рис. 2.3) содержит магнитный датчик М, представляющий собой индуктивную катушку с разомкнутым стержневым ферромагнитным сердечником, который совместно с параллельно подключёнными к нему конденсаторами 1 образует резонансный контур, настроенный на частоту 550 Гц или 250 Гц, и включённый на вход эмиттерного повторителя 2. В эмиттерной цепи повторителя включён делитель напряжения 3, обеспечивающий ступенчатую регулировку чувствительности устройства. Сигнал, снятый с делителя, падает через блок управления 8 на вход первого транзисторного усилителя 4, на выход которого через схему выпрямления включён микроамперметр магнитоэлектрической системы 5. Электрическая антенна А, представляющая собой металлическую пластину, встроенную в корпус устройства, включена через эмиттерный повторитель 6 на вход второго усилителя переменного тока 7. Усилитель 7 имеет два выхода – переменного и постоянного тока. Выход постоянного тока воздействует на усилитель 4, обеспечивая автоматическую стабилизацию показаний выходного прибора при измерении расстояния от устройства до проводов линии путём увеличения (или уменьшения) коэффициента усиления первого усилителя при уменьшении (или увеличении) электрического поля в точке измерения и, следовательно на антенне. Это решение обеспечивает так же частичную компенсацию измерения показаний прибора при измерении переходного сопротивления в месте замыкания на землю в процессе поиска места повреждения. Выход переменного тока второго усилителя через блок управления 8 подаётся на вход последних двух каскадов первого усилителя, что позволяет в режиме контроля наличия в сети замыкания на землю контролировать напряжённость электрического поля по показаниям выходного прибора.
Рис. 2.3. Структурная схема прибора "Волна" Блок управления 8 состоит из переключателя режима работы и чувствительности устройства, а так же кнопки включения питания. В устройстве обеспечена возможность контроля исправности встроенного источника питания при помощи выходного прибора. На рис. 2.4 представлена принципиальная схема устройства. Магнитный датчик М имеет рабочую обмотку 1 и испытательную обмотку 2, которая используется для настройки устройства на заводе – изготовителе или для проверки его в процессе эксплуатации. Обмотка 1 совместно с параллельно подключёнными конденсаторами образует резонансный контур, настроенный на частоту 250 Гц или 550 Гц и включённый на вход составного эмиттерного повторителя на транзисторах VT1 и VT2, в эмиттерной цепи которого включён делитель напряжения. С делителя напряжения сигнал поступает через RC – фильтр верхних частот на вход первого транзисторного усилителя переменного тока (транзисторы VT3 – VT6)?на выход которого через схему выпрямителя включён микроамперметр магнитоэлектрической системы РА. Электрическая антенна А через эмиттерный повторитель на транзисторе VT7 включён на вход второго усилителя переменного тока на транзисторах VT8 – VT10.
Рис. 2.4. Принципиальная схема прибора "Волна" Выходная мощность тока этого усилителя (с коллектора VT10) через переключатель SA подаётся на вход последних двух каскадов первого усилителя, что позволяет по показаниям прибора РА контролировать напряжённость электрического поля. Выход постоянного тока второго усилителя включён на базу транзистора VT4 первого усилителя, что обеспечивает изменение коэффициента усиления первого усилителя при изменении напряжения на антенне. Переключатель SA служит для ступенчатого регулирования чувствительности, для перевода устройства в режим контроля источника питания устройства. Питание устройства включается кнопкой SB на время измерения. Основные технические характеристики прибора "Волна"
2.5 Применение и техническое обслуживание прибора "Волна" Прибор выпускается заводом с настройкой на 550 Гц. Отыскание места замыкания на землю с помощью этого прибора производится таким же образом, как и с помощью прибора "Поиск-1". Благодаря корректному, снимающему зависимость прибора от расстояния между устройством и проводами линии, прибор "Волна" обеспечивает чёткое определение места повреждения линии с многократным запасом по селективности даже в сетях с малым током замыкания на землю (1 – 1,5 А) при значительных токах нагрузки до 800 – 100 А. Кроме отыскания места замыкания на землю прибор "Волна" позволяет производить отыскание железобетонных опор, находящихся под напряжением, места обрыва провода в сети и отыскание других видов повреждений. Железобетонная опора в ряде случаев оказывается под напряжением при пробое изоляции и длительном протекании через опору тока замыкания на землю. При этом виде повреждений грунт под опорой высыхает, оплавляется и становится практически непроводящим. Опора же находится под высоким напряжением и может быть причиной электротравм. Большую опасность так же представляют опоры с линейными разъединителями при пробое опорных изоляторов. Определение опор с повреждённой изоляцией при больших переходных сопротивлениях может производиться с помощью прибора "Волна", контролирующего значение напряжённости электрического поля в близи опоры. Для определения находящейся под напряжением опоры с повреждённой изоляцией оператор должен подойти к опоре на расстояние 8 – 10 м, поставить переключатель SA (рис. 2.3) в положение Uлин и расположить прибор перпендикулярно оси линии. Если опора находится под напряжением, а заземление опоры нарушено или имеет большое переходное сопротивление, показания прибора превышают 30 – 40% шкалы. Если же опора не находится под напряжением, показания прибора близки к нулю. Для определения места обрыва провода оператор устанавливает переключатель прибора "Волна" в положение Uлин и производит контроль электрического поля на расстоянии около 5 м от ствола линии в различных точках сети. Показания прибора за местом обрыва резко возрастают (в 15 – 20 раз) по сравнению с показаниями до места обрыва. Прибор "Волна" позволяет так же определить, какой из проводов сети с симметричным расположением проводов на опоре имеет замыкание на землю. Для этого оператор устанавливает переключатель прибора в положение Uлин и производит контроль электрического поля в двух точках по обе стороны линии, расположенных симметрично относительно оси линии на расстоянии около 5 м от линии. Равенство показаний прибора свидетельствует о повреждении изоляции провода средней фазы, при неравенстве показаний провод с повреждённой изоляцией расположен ближе к точке измерений с меньшими показаниями прибора. Перед началом поиска места повреждения необходимо проверить исправность прибора в части источника питания. Для этого переключатель ставится в положение Uпит и кнопкой включается питание прибора. При исправном источнике питания стрелка прибора должна находиться в пределах 70 – 95% шкалы. Если показания прибора ниже 70% шкалы, то источник питания должен быть заземлён. Перед началом поиска места повреждения рекомендуется произвести упрощённую проверку работоспособности прибора. Для этого переключатель переводится в положение 1:3 и прибор подносят торцевой стороной к электрической лампе накаливания мощностью 40 – 60 Вт. При исправности прибора стрелка должна отклониться на 30 – 60% шкалы вблизи лампы мощностью 40 – 60 Вт напряжением 220 В. При переводе переключателя в положение Uлим стрелка прибора должна отклониться на 10 –20% шкалы. Если при такой проверке отклонения стрелки отсутствуют или значительно отличаются от указанных выше, то прибор должен быть направлен в лабораторию для устранения неисправности. Лабораторная проверка и устранение неисправности производится в соответствии с рекомендациями заводской инструкции. Данные энергосистем свидетельствуют о высокой эффективности [18,20,22] применения приборов "Поиск-1" и "Волна", которая определяется в первую очередь возможностью отыскания места повреждения без поочерёдного отключения линии и ответвлений и, следовательно, без недоотпуска электроэнергии потребителям. При этом значительно сокращаются трудозатраты на отыскания места повреждения за счёт сокращения времени поиска и сокращения количества участвующих в поиске людей. 3. Расчёт себестоимости передачи и полной себестоимости энергии Затраты на передачу и распределение электрической энергии можно представить как сумму затрат на амортизацию, эксплуатационное обслуживание электрической сети. Затраты на эксплуатационное обслуживание электрической сети складываются из затрат на оплату труда ремонтно-эксплуатационного персонала, начислений на оплату труда, на вспомогательные материалы, прочих расходов, цеховых и эксплуатационных расходов (Таблица 3.5) Выполнение расчёта начинаем с определения годового объёма электропотребления: полезного: WПОЛЕЗН. =РРАС *ТМАХ WПОЛЕЗН. =8765*3500=30677500 кВт*ч ТМАХ – время использования максимальной нагрузки, час; полного: WПОЛН. =WПОЛЕЗН. +dWЛИН. +dWТР , где dWЛИН. ,dWТР – потери энергии в линиях и трансформаторе, кВт*ч WПОЛН. 1=31562619 кВт*ч WПОЛН. 2=31142685 кВт*ч При определении годового объёма энергопотребления можно использовать результаты расчётов, приведённых в основных разделах дипломного проекта. Исходные данные для расчёта оформляем в виде таблиц 3.1и 3.2. Таблица 3.1 Норма трудоёмкости работ по ремонту и обслуживанию оборудования
Таблица 3.2 Структура ремонтного цикла
Таблица 3.3 Трудоёмкость работ по ремонту и обслуживанию оборудования
Среднегодовая трудоёмкость работ по ремонту рассчитывается отдельно для каждого наименования оборудования и сетей по формуле: ТСР.РЕМ. =n*(ТК /tК +ТТ /tТ +Т0 /t0 ), где n – кол-во одноимённого оборудования; ТК , ТТ , Т0 – трудоёмкости капитального, текущего ремонтов и осмотра, чел*час; tК , tТ , t0 – периодичности ремонтов по видам, лет. Трудоёмкость работ по техническому обслуживанию в соответствии с рекомендациями по схеме ПРОСПЭ может рассчитываться по формуле ТТ.О. =0,1*ТТ.Р. , где ТТ.О. – трудоёмкость работ по техническому обслуживанию, чел*час; ТТ.Р. – Трудоёмкость текущего ремонта соответствующего вида оборудования, чел*час. Результаты расчётов сводим в таблицу 3.3. Общая трудоёмкость работ по ремонту и обслуживанию оборудования определяется по формуле: SТ=ТРЕМ.СР. +ТОБСЛ.ЧЕЛ.*ЧАС. Расчёт годовых расходов по оплате труда начинается с определения заработный рлаты ремонтно-эксплуатационного персонала. Основная заработная плата рассчитывается по формуле: ЗОСН 1.=SТ*ВСР. *(1+ a)=282,31 т.руб ЗОСН 2.=SТ*ВСР. *(1+ a)=333,03 т.руб где SТ – суммарная трудоёмкость работ по ремонту и эксплуатации оборудования, чел.*час.; ВСР – часовая тарифная ставка, соответствующая среднему разряду работ с учётом компенсации, руб., ВСР =22 руб/час; a - коэффициент, учитывающий размер текущих премий, a=0,7; Дополнительная заработная плата составляет 9,6% от основной. ЗДОП 1=0,096*282,31=27,1 т.руб ЗДОП 2=0,096*333,03=27,1 т.руб Начисления на оплату труда 35,8% от основной и дополнительной заработной платы: НОТ 1=0,358*(ЗОСН 1+ЗДОП 1)=110,77 т.руб НОТ 2=0,358*(ЗОСН 2+ЗДОП 2)=130,67 т.руб в том числе: 1. Фонды обязательного социального страхования 0,2% 0,002*( ЗОСН 1+ЗДОП 1)=0,62 т.руб 0,002*( ЗОСН 2+ЗДОП 2)=0,73 т.руб 2. Пенсионный фонд 28% 0,28*( ЗОСН 1+ЗДОП 1)=86,63 т.руб 0,28*( ЗОСН 2+ЗДОП 2)=102,2 т.руб 3. Федеральный социальный фонд РФ 4,0% 0,04*( ЗОСН 1+ЗДОП 1)=12,38 т.руб 0,04*( ЗОСН 2+ЗДОП 2)=14,6 т.руб 4. Фонд медицинского страхования 0,036*( ЗОСН 1+ЗДОП 1)=11,14 т.руб 0,036*( ЗОСН 2+ЗДОП 2)=13,14 т.руб Амортизационные отчисления определяются на основании величины капитальных вложений в оборудование и сети, а также действующих норм амортизационных отчислений. В соответствии с Постановлением о единых нормах на полное восстановление основных фондов от 22.10.1990 г. №1072, нормы амортизационных отчислений на силовое электротехническое оборудование и распределительные устройства – 3,5%, на кабельные и воздушные линии – 2,0%. Капитальные вложения берутся полные с учётом затрат на строительно-монтажные работы. Расчёты по определению капитальных вложений сводим в таблицу 3.4. Затраты на вспомогательные материалы можно принять 0,6% от полных капитальных вложений в оборудование схемы электроснабжения, цеховые расходы составят 2,3%. Прочее расходы можно принять 0,3% от полных капитальных вложений в линии и оборудовании, обще-эксплуатационные расходы планируем в размере 170 % расходов по распределению электроэнергии. Расчёты годовых эксплуатационных расходов заканчиваются составлением калькуляции (Таблица 3.5). Стоимость передачи электроэнергии определяется следующим образом: SПЕР =SU/WПОЛЕЗН. , где SU – годовые эксплуатационные расходы по передаче энергии, тыс. руб. Стоимость потерь энергии в калькуляции определённоё статьёй не выделяется, а учитывается косвенно, путём отнесения суммы затрат по передаче энергии к количеству энергии, полезно доведённой до потребителя. Полная себестоимость энергии включает в себя затраты предприятия на приобретение энергии из внешних источников энергоснабжения. При определении платы за энергию предприятием обязательно учитывается потери мощности и энергии в схеме энергоснабжения: СГОД =а*(Р+DР)+b*WПОЛН , где а – основная ставка-плата за участие в максимуме нагрузки энергосистемы; b – дополнительная ставка-плата за каждый кВт*час энергии, учтённой счётчиком. Таблица 3.4 Расчёт амортизационных отчислений
Таблица 3.5 Плановая калькуляция себестоимости отпущенной энергии
Полная себестоимость энергии для предприятия определяется по формуле: SПОЛН. =(SU+CГОД )/WПОЛЕЗН. SПОЛН 1=68,51 коп/кВтч SПОЛН 2=67,97 коп/кВтч SПЕР. =SU/WПОЛЕЗН. SПЕР 1=17,07 коп/кВтч SПЕР 2=17,21 коп/кВтч Для нашего варианта энергоснабжения: Таблица 3.6 Итоговая таблица технико-экономических показателей
3.2 Определение хозрасчётного экономического эффекта Увеличение балансовой прибыли принимаем равной сумме снижения затрат на передачу, уменьшение затрат на потери энергии и уменьшения ущерба от перерывов в электроснабжении, если он имеет место по условиям задания дипломного проекта в основной его части. Снижение затрат на передачу электроэнергии можно определить по таблице 3.5 (пункт 3) предыдущей части организационно-экономического раздела. Полученное увеличение балансовой прибыли необходимо уменьшить на величину налога на прибыль по соответствующей ставке налога и отчислений от прибыли по соответствующим договорам и обязательствам предприятий. Оставшуюся в распоряжении предприятия часть прибыли рассматриваем, как увеличение хозрасчётного дохода предприятия и принимаем за величину хозрасчётного экономического эффекта. Расчёты по определению хозрасчётного экономического эффекта, выразившегося в увеличении прибыли, остающейся в распоряжении предприятия, сводим в таблицу 3.7. Таблица 3.7 Определение хозрасчётного эффекта
4. Безопасность и экологичность проекта 4.1 Расчет заземления подстанции 110/10 кВ В зависимости от назначения, различают рабочее, защитное и грозозащитное заземления. Рабочее заземление необходимо для создания определенного режима работы электроустановки в нормальных и аварийных условиях, например заземление нейтрали силовых и измерительных трансформаторов. Защитное заземление используют для защиты людей и сельскохозяйственных животных от поражения электрическим током при замыкании электрического провода на нетоковедущие металлические части электроустановки при пробое изоляции. Грозозащитное заземление для эффективной защиты от перенапряжений, предусматривает заземление стержневых и тросовых молниеотводов, порталов распределительных устройств, разрядников. Обычно на подстанциях для выполнения всех трех типов заземления используют одно заземляющее устройство. Согласно действующим ПУЭ [2] сопротивление заземляющих устройств в трансформаторных подстанциях напряжением 110/10 кВ R3 £ 0,5 Ом. Заземляющий контур выполняется в виде прямоугольника 50´30 м. Удельное сопротивление грунта r составляет 83 Ом × м (глина) [4]. Заземление выполняется стальными уголками 50´50´4 мм длинной 3 м заглубленными на 0,7 м от поверхности земли и связанными между собой полосой сечением 40´4 мм. Расчетное сопротивление грунта определяется по формуле: rрасч = Кс × К1 × r , (4.1) где Кс – коэффициент сезонности, Кс = 1,1 [4]; К1 – коэффициент учитывающий состояние грунта К1 = 1,15 [4]; r - удельное сопротивление грунта, r = 83 Ом × м. rрасч = 1,1 × 1,15 ´ 100 = 104,7 Ом × м Сопротивление одиночного вертикального электрода определяется по формуле [8]: Rв.о.
= где Lв – длинна вертикального электрода, м; t1 – расстояние от поверхности земли до верхнего конца вертикального электрода, м; d = 0.95 × в – где в – ширина полки уголка, м. Rв.о.
= Задаваясь определенным размещением вертикальных заземлителей по контуру определяется ориентировочно их число: n = где Ки.в. – коэффициент использования вертикальных электродов, Ки.в. = 0,8 [4]. n = Принимается ближайшее большее целое число n = 73 мм. В соответствии с числом электродов и их размещением определяется сопротивление горизонтальных соединительных электродов. Предварительно рассчитывается сопротивление грунта, с учетом коэффициента сезонности и коэффициента учитывающего состояние грунта, для горизонтальных заземлителей. [4] rрасч = 1,4 × 1,6 × 83 = 185,9 Ом × м. Сопротивление горизонтального электрода определяется по формуле: Rг
= где Киг – коэффициент использования горизонтального электрода, Ки2 = 0,8 [8]; t2 – расстояние от поверхности земли до горизонтального заземлителя, м; d – диаметр электрода, для полосы принимают равным половине ширины полосы, м. Rг
= При известном сопротивлении горизонтального заземлителя уточняется необходимое сопротивление вертикальных электродов. Rв
= Rв
= Число вертикальных электродов уточняется по формуле: ny
= ny
= Окончательное число вертикальных электродов принимают из условий размещения но не меньше чем ny . Принимаем n0 = 77 шт. Тогда результирующее сопротивление заземляющего устройства определяется: Rк
= Rк
= Rк < R3 0,49 < 0,5 Ом. (4.8) Из условия (4.8) видно что расчет заземляющего устройства подстанции 110/10 кВ выполнен верно и оно отвечает требованиям ПУЭ [2]. 4.2 Молниезащита подстанций Тип грозозащиты системы электроснабжения выбирается в зависимости от рабочего напряжения, мощности подстанции её схемы. Существенную роль в грозозащите играет удельное сопротивление грунта в районе сооружения системы электроснабжения, материал опор линии электропередач и конструктивных элементов подстанции. При выборе грозозащитных аппаратов (вентильных и трубчатых разрядников, искровых промежутков) важными параметрами являются максимальные и минимальные значения сопровождающих токов короткого замыкания, возникающих при перекрытии изоляции волнами грозовых перенапряжений. Принципиальная схема грозозащиты выбирается по справочникам в зависимости от рабочего напряжения подстанции, её мощности и схемы питания. На подстанциях 110/10 кВ со стороны напряжения 110 кВ вблизи трансформаторов устанавливают два комплекта вентильных разрядников РВС – 110. Они устанавливаются на бетонном фундаменте с надежным ограждением. Все вентильные разрядники заземляются и подключаются к фазным проводам. Со стороны напряжения 10 кВ подстанцию защищают устанавливая комплекты трубчатых разрядников РТФ – 10. Их соединяют с проводами линии через наружные искровые промежутки. У подстанции комплект трубчатых разрядников соединяется с её заземлением, а на линии с заземлением не более 10 – 15 Ом. Открытые подстанции от прямых ударов молнии защищают стержневыми молниеотводами, которые устанавливаются на конструкциях ОРУ 110 кВ. Подходы к подстанции защищаются грозозащитными тросами с заземлением их на каждой опоре. Защитные свойства стержневого молниеотвода характеризуют зоной защиты, под которой понимается пространство вкруг молниеотвода, где поражение защищаемого объекта атмосферным разрядом мало вероятно. Для защиты трансформаторной подстанции 110/10 кВ применяется двойной стержневой молниеотвод, схема защитной зоны которого изображена схематически на рис.4.1.
Рис.4.1 Схема защитной зоны двойного стержневого молниеотвода Защитное действие молниеотвода характеризуется коэффициентом защиты Кх . Принимается для расчета два стержневых молниеотвода высотой М1 – 27м и М2 – 32м стоящих друг от друга на расстоянии 54м. Для молниеотвода высотой меньше 30м радиус защиты определяется по формуле: rx = 1,6 × h × (h – hx ) / (h + hx ) , (4.9.) где h – полная высота молниеотвода, м; hx – высота защищаемого объекта, м. rx = 1,6 × 27 (27 – 6)/(27 + 6) = 27,69м » 28м. Определяется коэффициент защиты: Кх
=tga = Где ha = активная высота молниеотвода, ha = h – hx , м. Кх
= Для молниеотводов высотой меньше 30м Кa пред = 1,6 Кх < Кa пред 1,33 < 1,6 Для молниеотвода высотой больше 30м радиус защиты определяется по формуле: rx
= 8,8 rx
= 8,8 × Коэффициент защиты определяется: Кх
= 8,8 / Кх
= 8,8 / Расчетная ширина внутренней зоны защиты вх
на высоте hx
находится по кривым рис.8.6.[10]. Для Наименьшая высота зоны защиты составляет: h0 = h – a/7. (4.13.) h0
= 32 - Произведённые расчеты подтверждают правильность использования двойного стержневого молниеотвода. Который обеспечивает необходимую степень защиты трансформаторной подстанции 110 /10 кВ. 4.3 Мониторинг окружающей среды. Понятие экологического мониторинга Мониторинг – комплексная система наблюдений, оценки и прогноза изменения состояния окружающей среды под влиянием антропогенных факторов. Этот термин появился перед проведением Стокгольмской конференции ООН по окружающей среде (июнь, 1972 г.) в дополнение к понятию "контроль". Большой вклад в разработку теории мониторинга внесли И.П. Герасимов, Ю.А. Израиль, В.Д. Федоров и др. Основными задачами мониторинга служат: наблюдение за состоянием биосферы, оценка и прогноз состояния природной среды, выявление факторов и источников антропогенных воздействий на окружающую среду и др. выделяют следующие типы мониторинга: глобальный (биосферный), геофизический, климатический, биологический, экологический и др. При организации мониторинга возникает необходимость решения нескольких задач разного уровня, поэтому И.П. Герасимов (1975) предложил различать три ступени мониторинга (смотри таблицу 3.1). Видно, что на первой ступени главное внимание уделяется наблюдению за состоянием окружающей среды с точки зрения ее влияния на здоровье населения. Эта ступень мониторинга опирается на систему наблюдательных постов и работу санитарно-гигиенических служб. На второй ступени основным объектом наблюдений и контроля выступают природно-территориальные комплексы. Основная задача третьей ступени: – наблюдения за глобальными параметрами окружающей среды с целью – оценки последствий этих изменений для здоровья и деятельности людей. Таблица 4.3 Система наземного мониторинга окружающей среды
Основу сети глобального мониторинга составляют биосферные станции, включающие как биосферные заповедники, так и зоны антропогенных воздействий человека. Успешное функционирование данной системы мониторинга зависит от совершенствования стационарных наблюдений и дистанционных методов исследований. Используются специальные спутники и спутниковые системы при организации экологического мониторинга, включающего наблюдения за различными компонентами биосферы (атмосфера, растительность, почвы). В системе мониторинга различают три уровня: санитарно-токсический, экологический и биосферный. Экологический мониторинг – представляет собой определение изменений в составе экологических систем, биогеоценозов, природных комплексов и их продуктивности, а также выявление динамики запасов полезных ископаемых, водных, земляных и растительных ресурсов. Экологическая ступень мониторинга не имеет единой системы учетных показателей. Степень нарушения природных комплексов, биогеоценозов, отдельных составляющих биосферу компонентов определяют путем сравнения их по ряду признаков и характеристик с нарушенными экосистемами, по динамике поддающихся учету изменений и т.п. наиболее важный показатель – биологическая продуктивность биогеоценоза, единицы площади суши или воды за определенный промежуток времени. О степени антропогенного воздействия человека на окружающую среду можно судить по снижению плодородия земли, запасов и качества пресной воды, аридизации или заболачиванию местности. По снижению запасов минеральных ресурсов. О характере и мере нарушения природных комплексов судят путем сравнения или сопоставления их с охраняемыми, заповедными территориями, стационарными опытными участками, а также по поведению животных (миграции, изменению пищевых связей и т.п.) 4.4 Защита человека от поражения электрическим током Поражение электрическим током происходит в результате прикосновения к токоведущим частям или корпусу прибора или аппарата, находящегося под напряжением, а также при попадании человека под шаговое напряжение. Защита человека от напряжения электрическим током обеспечивается техническими и организационными мероприятиями. К организационным мероприятиям, обеспечивающим безопасность работы в электроустановках, относятся: а) оформление работы нарядом или распоряжением; б) допуск к работе; в) надзор во время работы; г) оформление перерыва в работе, переводов на другое рабочее место, окончание работы. Наряд есть письменное распоряжение на работу в электроустановках, определяющее место, время начала и окончания работы, условия ее безопасного проведения, состав бригады и лиц, ответственных за безопасность работ. По на наряду должны производиться : а) работы, выполняемые с полным снятием напряжения; б) работы, выполняемые с частичным снятием напряжения; в) работы, выполняемые без снятия напряжения вблизи и на токоведущих частях, находящихся под напряжением. По распоряжению могут производиться: а) работы без снятия напряжения вдали от токоведущих частей, находящихся под напряжением; б) кратковременные и небольшие по объему работы с полным или частичным снятием напряжения, а также без снятия напряжения вблизи и на токоведущих частях, находящихся под напряжением, выполняемые оперативным персоналом или под его наблюдением. Ответственными за безопасность работ являются: а) лицо, выдающее наряд, отдающее распоряжение; б) ответственное лицо оперативного персонала – допускающий; в) ответственный руководитель работ; г) производитель работ; д) наблюдающий; е) члены бригады; Для подготовки рабочего места при работах с частичным или полным снятием напряжения должны быть выполнены в указанной ниже последовательности следующие технические мероприятия: а) производство необходимых отключений и принятие мер, препятствующих подаче напряжения к месту работы вследствие ошибочного или самопроизвольного включения коммутационной аппаратуры; б) вывешивание плакатов: "Не включать – работают люди", "Не включать – работа на линии", "Не открывать – работают люди" и при необходимости установка ограждений; в) присоединение к "земле" переносных заземлений. Проверка отсутствия напряжения на токоведущих частях, на которые должно быть наложено заземление; г) наложение заземлений (непосредственное после проверки отсутствия), т.е. включение заземляющих ножей или там, где они отсутствуют, наложение переносных заземлений; д) ограждение рабочего места и вывешивание плакатов: "Стой – высокое напряжение", "Не влезай – убьет", "Работать здесь", "Влезать здесь". При необходимости производится ограждение оставшихся под напряжением токоведущих частей; в зависимости от местных условий установка этих ограждений выполняется до или после наложения заземлений. (При работах с полным снятием напряжения выполнение мероприятий, указанных в д, не обязательно). При оперативном обслуживании электроустановки двумя лицами в смену перечисленные в настоящем пункте мероприятия должны выполняться вдвоем. При единоличном обслуживании они могут выполняться лицом, за исключением наложения переносных заземлений в установках напряжением выше 1000В. Для уменьшения опасности поражения током применяют ряд мер, основными из которых являются: а) защитное заземление; б) зануление; в) применение пониженного напряжения; г) закрытие токоведущих частей и их изоляция; д) применение изолирующих подставок, резиновых перчаток, исправного инструмента отвечающего нормам техники безопасности и т.п. е) сигнализация при случайном заземлении какой-либо точки при случайном заземлении цепи. Защитным заземлением называется металлическое соединение с землей нетоковедущих металлических частей установки. Как правило, заземляются корпуса электрических машин и аппаратов, каркасы щитов, оболочки кабелей, металлические фермы и колонны. Присоединение корпусов передвижных установок или ряда мелких приемников к местным заземлениям встречает значительные затруднения. В этих случаях при необходимости осуществляется зануление – корпуса или защитные оболочки установок присоединяются к специальным жилам кабелей или к специальным проводам, которые соединены с заземлением в месте питания или с другими заземлениями электрической сети. Если человек находится в условиях, когда уменьшается сопротивление человеческого тела за счет снижения сопротивления рогового слоя, опасными становятся уже напряжения в несколько десятков вольт. Поэтому для питания электроприемников в этих случаях применяется пониженное напряжение. Источником энергии с пониженным напряжением обычно являются трансформаторы. При ремонте и чистке паровых котлов внутри, где тело имеет хороший контакт с металлическими поверхностями, применяется напряжение не выше 12В. Для того, чтобы исключить возможность прикосновения, все токоведущие части установок должны быть надежно изолированы или закрыты. Там, где по условиям эксплуатации токоведущие проводники прокладываются открыто в помещениях или на открытом воздухе, например на высоковольтных подстанциях, доступ в высоковольтную часть разрешен только дежурному персоналу, а работа на таких установках производится специальным персоналом по особым пропускам после отключения той установки, где производится работа. Для уменьшения возможности поражения током при выполнении включений и отключений, осмотрах высоковольтных установок и других операциях обязательным является применение изолирующих подставок, резиновых ковров, специальных резиновых галош, а также резиновых перчаток. В некоторых электрических установках случайное заземление какой-либо точки электрической цепи является аварийным происшествием, так как при этом возникает опасность поражения током при прикосновении. В таких установках применяется автоматическая сигнализация в случае заземления электрической сети. Сигнализация при заземлении применяется, например, в шахтах. Возникновение сигнала о заземлении требует отключения поврежденного участка сети. В ряде случаев, наоборот, производится заземление средней точки цепи: нейтрали трансформатора, средней точки цепи постоянного тока. При заземлении средней точки цепи, напряжение проводов относительно земли равно U/2 – в два раза меньше напряжения цепи. Поражения электрическим током можно разделить на два вида: электрический удар и электрическая травма. Электрический удар происходит при относительно небольшом токе (25-100 мА) и сравнительно длительном (несколько секунд) времени протекания тока. Возникновение электрического удара начинается с судорожного сокращения мышц и может закончится исходом при параличе сердца. Электрические травмы представляют собой поражение внешних частей тела и обычно возникает при кратковременном протекании значительного электрического тока. К электрическим травмам относятся: ожоги, электрические знаки, электрометаллизация кожи, а также поражение глаз в результате воздействия лучистой энергии электрической дуги. При электрических травмах требуется оказание квалифицированной медицинской помощи. В случае электрического удара надо срочно освободить пострадавшего от воздействия электрического тока. При обморочном состоянии пострадавшему необходимо оказать первую помощь на месте до прибытия врача: освободить его от стесняющей одежды, дать понюхать нашатырный спирт, открыть окна. При необходимости применяется искусственное дыхание. Методы искусственного дыхания описаны в пособиях по технике безопасности. При монтаже радиоэлектронного оборудования следует соблюдать требования электробезопасности и работать только исправными электроинструментами. Импульсный блок питания является источником питания, работающим без сетевого трансформатора, что увеличивает опасность прикосновения к цепям, находящимся под напряжением сети 220В. При монтаже запрещается: - проверять на ощупь наличие напряжения и нагрев токоведущих частей; - применять для соединения блоков и приборов провода с поврежденной изоляцией; - производить пайку и установку деталей в оборудовании, находящимся под напряжением; - измерять напряжения и токи переносными приборами с неизолированными проводниками и щупами; - подключать блоки и приборы к оборудованию, находящемуся под напряжением; - заменять предохранители во включенном оборудовании. Заключение При выполнении дипломного проекта рассмотрены вопросы, касающиеся электроснабжения части сельскохозяйственного района. Произведены расчёты электрических нагрузок. Определены мощность и места установки трансформаторных подстанций. Выполнен электрический расчёт питающих и распределительных сетей. Для выбора оптимального варианта сети выполнен технико-экономический расчёт 2-х вариантов схем и по наименьшим годовым затратам выбрана радиальная схема электроснабжения потребителей. Для основного выбора рассмотрен вопрос разработки устройства для определения мест повреждения воздушных ЛЭП. В организационно экономическом разделе произведён расчёт себестоимости электроэнергии и полной себестоимости её передачи, а так же определён хозрасчётный экономический эффект. В заключении оценивается безопасность и экологичность проекта. Литература 1. Методические указания по расчету электрических нагрузок в сетях 0,38 – 110 кВ сельскохозяйственного назначения. Руководящие материалы по проектированию электроснабжения сельского хозяйства. – М.: Сельэнергопроект, 1981. – 109с. 2. Правила устройства электроустановок. – М.: Энергоатомиздат, 1985 – 640с. 3. Идельчик В.И. Электрические системы и сети: Учебник для вузов. – М.: Энергоатомиздат, 1989. 4. Каганов И.Л. Курсовое и дипломное проектирование. – М,: ВО Агропромиздат, 1990. – 351с. 5. Крючков И.П., Кувшинский Н.Н., Неклепаев Б.Н. Электрическая часть электростанций и подстанций. – М,: Энергия, 1978. – 454с. 6. Будзко И.А. Практикум по электроснабжению сельского хозяйства. – М.: Колос, 1982. – 319с. 7. Липкин В.М. Расчеты электрических сетей. – М.: Энергоатомиздат, 1976. – 234с. 8. Васильев Л.И., Ихтейман Ф.М. Курсовое и дипломное проектирование по электроснабжению сельского хозяйства. – М.: ВО Агропромиздат, 1989. – 159с. 9. Будзко И.А., Зуль Н.М. Электроснабжение сельского хозяйства. – М.: Агропромиздат, 1990. – 496с. 10. Федосеев А.М. Релейная защита электрических систем. – М.: Энергоатомиздат, 1984. – 519с. 11. Шабд М.А. Расчеты релейной защиты и автоматики распределительных сетей. – Ленинград: Энергоатомиздат, 1985. – 295с. 12. Имщецкий В.Н., Ропсавский С.М. Сельские электрические сети. – М.: Колос, 1970. – 230с. 13. Федосеев А.М. Релейная защита электрических систем. – М.: Энергия, 1976. – 559с. 14. Ф.Ф. Карпов, Козлов В.Н. Справочник по расчету проводов и кабелей. – М.: Энергия, 1969. – 456с. 15. Федоров А.А. Справочник по электроснабжению и электрооборудованию, - М.: Энергоатомиздат, 1967. 16. Мельников Н.А. Электрические сети и системы. Учебное пособие для вузов. Изд. 2-е, стереотип. М.: Энергия, 1975. 17. Справочник по проектированию электросетей в сельской местности / Э.Я. Гричевский, П.А. Кашков, А.М. Карпенко и др.; Под. ред. П.А. Кашкова, В.И. Франгуляна. – М.: Энергия, 1980. 18. Справочник по проектированию электрических систем. Под ред. С.С. Рокотяна, И.М. Шапиро. – М.: Энергия, 1971. 19. Коваленко В.В., Нагорный А.В. Методические указания к курсовому и дипломному проектированию по электроснабжению сельского хозяйства. Изд. СГСХА, Ставрополь, 1998. |
|||||||||||||||||||||||||||||||||||||||||||||||||||||||||||||||||||||||||||||||||||||||||||||||||||||||||||||||||||||||||||||||||||||||||||||||||||||||||||||||||||||||||||||||||||||||||||||||||||||||||||||||||||||||||||||||||||||||||||||||||||||||||||||||||||||||||||||||||||||||||||||||||||||||||||||||||||||||||||||||||||||||||||||||||||||||||||||||||||||||||||||||||||||||||||||||||||||||||||||||||||||||||||||||||||||||||||||||||||||||||||||||||||||||||||||||||||||||||||||||||||||||||||||||||||||||||||||||||||||||||||||||||||||||||||||||||||||||||||||||||||||||||||||||||||||||||||||||||||||||||||||||||||||||||||||||||||||||||||||||||||||||||||||||||||||||||||||||||||||||||||||||||||||||||||||||||||||||||||||||||||||||||||||||||||||||||||||||||||||||||||||||||||||||||||||||||||||||||||||||||||||||||||||||||||||||||||||||||||||||||||||||||||||||||||||||||||||||||||||||||||||||||||||||||||||||||||||||||||||||||||||||||||||||||||||||||||||||||||||||||||||||||||||||||||||||||||||||||||||||










, (1.7)
, (1.8)
=3.94
.

, (1.19)
(1.20)
× R23
(1.23.)
× 254,1 = 0,215 мВAP.
× R12
(1.31)
(1.32)
(1.33)
(1.34)




= 31,73 кВт.
+
+ Кя
+ bл
å∆Ал
+ bт
å∆Ап/ст
+ 3 (1.46)
× t + ∆Рст
× 8760]. (1.50.)





,
,
,
,






, (4.2.)
, (4.3)
, (4.5.)
(4.6)
Ом.
, (4.12.)
= 1,31
= 2,6 и hx
= 0,2h