Реферат: Расчет слухового аппарата
|
Название: Расчет слухового аппарата Раздел: Рефераты по коммуникации и связи Тип: реферат | ||||||||||||||||||||
|
1 Электрический расчёт усилителя на биполярном транзисторе И с х о д н ы е д а н н ы е : 1 Напряжение источника питания Еист=2,5В; 2 Амплитуда напряжения на нагрузке , равная амплитуде входного напряжения следующего каскада UH=0.2В; 3 Амплитуда тока в нагрузке , равная амплитуде входного тока с учётом тока, проходящего через цепь смещения следующего каскада IH=1мА: 4 Сопротивление источника сигнала Rсиг =1КОм и сопротивление нагрузки RН=1Ком; 5 Диапазон частот FH=1000Гц и FВ=40МГц; 6 Допустимые частотные искажения МН =МВ =1.05 на нижней и верхней граничных частотах; 7 Ёмкость СН=5000 пФ;
Т р е б у е т с я о п р е д е л и т ь : 1 Тип транзистора. 2 Режим работы транзистора по постоянному току. 3 Элементы цепи стабилизации рабочей точки. 4 Основные показатели работы каскада: -коэффициент усиления по току; -входное сопротивление каскада; -коэффициент усиления по напряжению; -выходное сопротивление каскада; 5 Элемент схемы каскада Сэ. П о р я д о к р а с ч ё т а : 1 Выбираем транзистор КТ315Б -UКЭ проб=20В>Еист; -h11э=450Ом; -h12э=0.04; -h21э=10; -h22э=5*10-4См; -Iкэ=20мА; -Dhэ=h11эh22э- h12э h21э=1.75. 2 Определяем величину постоянной составляющей тока коллектора IК min=(5¼10) Iкэ=10×20=200мкА; (1.1) IK ³ IH+IK min=1+0.2=1.2мА; Принимаем IK=1.2мА. 3 Выбираем минимальное напряжение между коллектором и эмиттером UКЭ min=1B. (1.2) 4 Определяем напряжение между коллектором и эмиттером UКЭ0 ³ UКЭ min+UH=1+0.2=1.2B; (1.3) Принимаем UKЭ0=1.5В. 5 Определяем ток базы
6 Выбираем напряжение на сопротивлении RЭ в цепи коллектора URЭ=(0.15¼0.2)ЕИСТ=0.2×2.5=0.5В (1.5) 7 Вычисляем сопротивление R4 в цепи коллектора
8 Уточняем значения постоянных составляющих токов в цепи коллектора и базы
Принимаем IK=0.2мА , IБ0=20мкА. 9 Выбираем ток цепи смещения I1,2=(3¼5) IБ0=5×0.02=0.1мА; (1.9) 10 Рассчитываем сопротивление R3 цепи стабилизации рабочей точки
11 Рассчитываем эквивалентное сопротивление нагрузки цепи коллектора
12 Определяем коэффициент усиления по току
13 Расчитываем входное сопротивление
14 Вычисляем коэффициент усиления по напряжению
15 Определяем входное сопротивление каскада
16 Проверяем коэффициент частотных искажений на верхней частоте диапазона
17 Вычисляем ёмкость блокировочного конденсатора С3 в цепи эмиттера
2 Электрический расчёт усилителя на биполярном транзисторе И с х о д н ы е д а н н ы е : 1 Напряжение источника питания Еист=2,5В; 2 Амплитуда напряжения на нагрузке , равная амплитуде входного напряжения следующего каскада UH=0.2В; 3 Амплитуда тока в нагрузке , равная амплитуде входного тока с учётом тока, проходящего через цепь смещения следующего каскада IH=1мА: 4 Сопротивление источника сигнала Rсиг =1КОм и сопротивление нагрузки RН=1Ком; 5 Диапазон частот FH=1000Гц и FВ=40МГц; 6 Допустимые частотные искажения МН =МВ =1.05 на нижней и верхней граничных частотах; 7 Ёмкость СН=5000 пФ;
Т р е б у е т с я о п р е д е л и т ь : 1 Тип транзистора. 2 Режим работы транзистора по постоянному току. 3 Элементы цепи стабилизации рабочей точки. 4 Основные показатели работы каскада: -коэффициент усиления по току; -входное сопротивление каскада; -коэффициент усиления по напряжению; -выходное сопротивление каскада; 5 Элемент схемы каскада Сэ. П о р я д о к р а с ч ё т а : 1 Выбираем транзистор КТ315Б -UКЭ проб=20В>Еист; -h11э=450Ом; -h12э=0.04; -h21э=10; -h22э=5*10-4См; -Iкэ=20мА; -Dhэ=h11эh22э- h12э h21э=1.75. 2 Определяем величину постоянной составляющей тока коллектора IК min=(5¼10) Iкэ=5×20=100мкА; (1.1) IK ³ IH+IK min=1+0.1=1.1мА; Принимаем IK=1.1мА. 3 Выбираем минимальное напряжение между коллектором и эмиттером UКЭ min=1B. (1.2) 4 Определяем напряжение между коллектором и эмиттером UКЭ0 ³ UКЭ min+UH=1+0.2=1.2B; (1.3) Принимаем UKЭ0=1.5В. 5 Определяем ток базы
6 Выбираем напряжение на сопротивлении RЭ в цепи коллектора URЭ=(0.15¼0.2)ЕИСТ=0.15×2.5=0.375В (1.5) 7 Вычисляем сопротивление R7 в цепи коллектора
8 Уточняем значения постоянных составляющих токов в цепи коллектора и базы
Принимаем IK=0.1мА , IБ0=10мкА. 9 Выбираем ток цепи смещения I1,2=(3¼5) IБ0=3×0.01=0.03мА; (1.9) 10 Рассчитываем сопротивление R6 цепи стабилизации рабочей точки
11 Рассчитываем эквивалентное сопротивление нагрузки цепи коллектора
12 Определяем коэффициент усиления по току
13 Расчитываем входное сопротивление
14 Вычисляем коэффициент усиления по напряжению
15 Определяем входное сопротивление каскада
16 Проверяем коэффициент частотных искажений на верхней частоте диапазона
17 Вычисляем ёмкость блокировочного конденсатора С6 в цепи эмиттера
Выводы
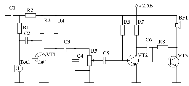
Приложение 1
10 |

(1.4)
(1.7)
(1.8)
(1.10)
(1.11)
(1.12)
(1.13)
(1.14)
(1.15)
(1.16)
(1.17)
(1.19)
(1.4)
(1.7)
(1.8)
(1.10)
(1.11)
(1.12)
(1.13)
(1.14)
(1.15)
(1.16)
(1.17)
(1.19)