Курсовая работа: Гидравлический расчет объемного гидропривода механизма подачи круглопильного станка
|
Название: Гидравлический расчет объемного гидропривода механизма подачи круглопильного станка Раздел: Промышленность, производство Тип: курсовая работа | ||||||||||||||||||||||||||||||||||||||||||||||||||||||||||||||||||||||||||||||||||||||||||||||||||||||||||||||||||||||||||||||||||||||||||||||||||||||||||||||||||||||||||||||||
СОДЕРЖАНИЕ Введение 1. Исходные данные 2. Расчёт нерегулируемого объёмного гидропривода возвратно-поступательного движения 2.1. Выбор рабочего давления в гидросистеме 2.2. Определение расчётного давления в гидросистеме 2.3. Определение диаметра цилиндра в и штока d 2.4. Определение расхода рабочей жидкости в гидроцилиндре 2.5. Определение потребной подачи насоса 2.6. Определение наибольшего и наименьшего расходов рабочей жидкости 2.7. Выбор диаметров трубопроводов 2.8. Выбор рабочей жидкости 2.9. Выбор гидроаппаратуры 2.10. Определение потерь давления в гидролиниях 2.11. Определение усилий трения гидродвигателя 2.12. Определение величины давления нагнетания 2.13. Выбор насоса 2.14. Определение объёмных потерь (утечек) жидкости 2.15. Определение гидравлических потерь в гидросистеме во время рабочего хода 2.16. Определение КПД гидропривода 3. Тепловой расчёт гидросистемы Список литературы ВВЕДЕНИЕ гидропривод возвратный поступательный насос В данной работе производится гидравлический расчёт гидросистемы зажима бревна гидравлической тележкой ПРТ8-2 по исходным данным. Гидравлические системы широко используются в разных отраслях промышленности. Использование методов гидравлики гораздо легче, надёжнее и практичнее. Гидроприводом называется совокупность гидроаппаратуры, предназначенной для передачи механической энергии и преобразования движения при помощи жидкости. Описание работы гидропривода. Гидронасос создаёт давление нагнетания на напорной линии, которое ограничивается соответственно обратным клапаном, после чего рабочая жидкость поступает на гидрораспределитель, а с него в штоковую полость гидроцилиндра, который совершает рабочий ход при входе штока в гидроцилиндр. При совершении обратного хода, жидкость через гидрораспределитель и дроссель подаётся в нештоковую полость гидроцилиндра. Для контроля давления установлен манометр. 1. ИСХОДНЫЕ ДАННЫЕ: Р – усилие на штоке гидроцилиндра, кН……………………………...15 Vрх – скорость рабочего хода, м/с……………………………………0,08 Vхх – скорость холостого хода, м/с…………………………………..0,05 Напорная линия: длина lн , м…………………………………………….7 Исполнительная линия: длина lн , м……………....................................3 Сливная линия: длина lн , м…………………….....................................5 Местные потери напора в процентах от линейных………………….40 Температура рабочей жидкости t, о С……………………...................70 Температура воздуха t, о С……………………………………………..20 Произвести гидравлический расчет гидросистемы зажима бревна гидравлической тележкой ПРТ8-2 по исходным данным.
Рис. 1. Схема гидравлическая принципиальная механизма зажима бревна гидравлической тележки ПРТ8 - 2: 1 – гидробак; 2 – насос; 3 – фильтр; 4 – гидрораспределитель; 5 – гидроцилиндр; 6 – клапан предохранительный; 7 – золотник включения манометра; 8 – манометр; 9 – всасывающая линия; 10 – напорная линия; 11 – исполнительная линия; 12 – сливная линия. 2. ПОРЯДОК РАСЧЕТА НЕРЕГУЛИРУЕМОГО ОБЪЕМНОГО ГИДРОПРИВОДА ВОЗВРАТНО-ПОСТУПАТЕЛЬНОГО ДВИЖЕНИЯ 2.1. Выбор рабочего давления в гидросистеме Таблица 1 Рекомендуемые рабочие давления в зависимости от усилия на штоке гидроцилиндра
Принимаем рабочее давление в гидроцилиндре Рр =2.5 МПа 2.2. Определение расчетного давления в гидроцилиндре, МПа:
2.3. Определение диаметра цилиндра в и штока d По величине расчетного давления в гидроцилиндре рр определяем отношение D/d. Рациональное соотношение между рр и d/D следующее:
Таблица 2 Ряд внутренних диаметров в для гидроцилиндров по ГОСТ 6540-68
Таблица 3 Ряд рекомендуемых диаметров штока в по ГОСТ 6540-68
В машинах лесной промышленности широко используются одноштоковые гидроцилиндры двухстороннего действия с демпфированием в конце хода поршня. Для случая, когда рабочий ход поршня совершается при входе в гидроцилиндр:
или
Принимаем в = 110 мм задавшись соотношением d/D, определяем d
Принимаем в = 56 мм 2.4. Определение расхода рабочей жидкости в гидроцилиндре Таблица 4 Расчетные формулы для определения расхода рабочей жидкости в гидроцилиндрах
2.5. Определение потребной подачинасоса,
где Ку – 1,1 - 1,3 – коэффициент утечек, учитывающий суммарно все утечки в элементах гидросистемы от насосов до гидроцилиндра; Z – количество гидроцилиндров в гидросистеме. 2.6. Определение наибольшего Qнаиб и наименьшего Qнаим расходов рабочей жидкости (для гидроцилиндров двухстороннего действия)
Таблица.5. Распределение расхода рабочей жидкости в магистралях гидросистемы с гидроцилиндром двухстороннего действия с односторонним штоком.
2.7. Выбор диаметров трубопроводов Внутренний диаметр трубопровода определяют по формуле
где Q – наибольший расход на расчетном участке гидролинии, м3 /с; V – допускаемая скорость движения жидкости, м/с. Для напорной линии:
Для исполнительной линии, соединяющий распределитель и нештоковые полости гидроцилиндров:
Для исполнительной линии, соединяющий распределитель и штоковые полости гидроцилиндров:
Для сливной линии:
2.8 Выбор рабочей жидкости Таблица 6. Техническая характеристика рабочей жидкости.
2.9. Выбор гидроаппаратуры 2.9.1. Выбор реверсивного золотникового гидрораспределителя. Таблица 7. Техническая характеристика гидрораспределителя.
2.9.2. Выбор фильтра Таблица 8. Техническая характеристика фильтра.
где ∆р – перепад давления на фильтре при максимальном расходе; Qмакс – пропускная способность фильтра при перепаде ∆р и определенной вязкости жидкости; Qф – фактический расход через фильтр. 2.9.3. Выбор предохранительного клапана. Таблица 9. Техническая характеристика предохранительного клапана.
2.9.4. Выбор манометра Таблица 10. Техническая характеристика манометра.
2.10. Определение потерь давления в гидролиниях Потери напора на каждом участке гидролинии определяем при рабочем ходе как сумму линейных и местных сопротивлений. Линейные потери напора определяем по формуле
где
ℓ - длина магистрали, м; dт – диаметр трубопровода, м; S – площадь сечения потока в трубопроводе, м2 ; Q – расход рабочей жидкости через магистраль, м3 /с. Определение линейных потерь напора для напорной линии:
Определение линейных потерь напора для исполнительной линии.
Определение линейных потерь напора для сливной линии:
Местные потери напора ∆рм определяем по формуле
Для напорной линии:
Для исполнительной линии:
Для сливной линии:
Определив линейные и местные потери на данном участке трубопровода, находим (суммированием) общие потери на участке магистрали. Для напорной линии:
Для исполнительной линии:
Для сливной линии:
2.11. Определение усилий трения в гидродвигателе. Усилие трения в гидроцилиндре равно:
где Rп и Rш – усилия трения соответственно в уплотнениях поршня и штока. Расчет сил трения в уплотнениях поршня или штока ведут по приближенной формуле. Для резиновых колец круглого сечения
где в – диаметр уплотняемой поверхности, м; qр – сила трения на 1 м длины уплотнения, МН/м. Значения qр в зависимости от диаметра сечения резинового кольца в и давления рабочей жидкости при предварительном (монтажном) сжатии определяется по номограмме (рис. 2). Выбор резиновых манжет для уплотнений гидроцилиндров производят по ГОСТ 6969-54, а резиновых колец – по ГОСТ 9833-61.
2.12. Определение величины давления нагнетания Величину давления нагнетания определяют по силовой характеристике гидроцилиндра. Силовой характеристикой гидроцилиндра является зависимость между давлениями в полостях цилиндра; усилием трения поршня и штока и усилием на штоке.
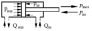
Рис. 2. Номограмма для определения qр Силовые характеристики, например, гидроцилиндра двухстороннего действия с односторонним штоком (рис. 3) имеют вид: - при выходе штока из цилиндра:
- при входе штока в цилиндр:
где рнш и рш – давление в нештоковой и штоковой полостях цилиндра; Fнш и Fш – площади поперечных сечений цилиндра и штока; Rтр – сила трения в уплотнениях поршня и штока; Рвых и Рвх – полезные усилия на штоке при выходе штока из гидроцилиндра или входе в него.
Рис. 3. Схема силового гидроцилиндра двухстороннего действия с односторонним штоком При расчете конкретных гидросистем с конкретным гидроцилиндром, например, двухстороннего действия с односторонним штоком (см. рис. 2 и 3), когда рабочий ход совершается при входе штока в гидроцилиндр, давления рнш и рш будут равны:
В формулах рн-р ; рр-нш ; рр-б – потери давления в магистралях: соответственно насос – распределитель; распределитель – нештоковая полость; распределитель – бак. ∆рдр , ∆рр ,∆рф – потери давления соответственно в дросселе, распределителе, фильтре при соответствующих расходах рабочей жидкости.
2.13. Выбор насоса Таблица 11. Техническая характеристика насоса.
2.14. Определение объемных потерь (утечек) жидкости Общие потери жидкости в гидросистеме складываются из потерь в насосе ∆Qут.н , гидрораспределителе ∆Qут.р , дросселе ∆Qут.др и потерь в гидроцилиндре ∆Qут.ц (см. рис. 12), т.е.:
Каждый из перечисленных видов потерь можно выразить через удельную утечку, которая представляет собой величину утечки (м3 /с), отнесенную к единице давления. В паспортах на гидравлическое оборудование приводятся утечки ∆Qут при номинальном (или максимальном) давлении, поэтому удельные утечки будут равны
Удельные утечки в насосе определяются по формуле
где q – рабочий объем насоса (удельная подача насоса за один оборот), м3 /об; n – число оборотов насоса, об/с; Qmax и (рн )max – соответственно максимальная подача и максимальное давление насоса; η0 – объемный КПД насоса. Общие потери жидкости в гидросистеме будут:
где
2.15. Определение гидравлических потерь в гидросистеме во время рабочего хода
2.16. Определение КПД гидропривода Гидравлический КПД гидропривода:
Объемный КПД гидропривода:
Механический КПД гидропривода учитывает механические потери в насосе и гидроцилиндрах. Механический КПД насоса ηмн равен 0,99. Механический КПД гидроцилиндра:
где Р п – полезное усилие, создаваемое поршнем от давления в полости цилиндра. Оно равно:
Здесь
Механический КПД гидропривода будет:
Общий КПД гидропривода:
3. ТЕПЛОВОЙ РАСЧЕТ ГИДРОСИСТЕМЫ Тепловой расчет гидросистемы производится для уточнения теплового режима рабочей жидкости в необходимости установки в гидросистеме теплообменника (холодильника). Мощность, Вт, превращаемая в тепло:
где Nн = рн Qн – мощность насоса, Вт; рн – давление насоса, Н/м2 ; Qн – подача насоса, м3 /с; η – общий КПД гидропривода. Потери мощности в гидросистеме и есть количество выделенного тепла, т.е.
Суммарная поверхность теплообменника (или бака), необходимая для поддержания заданной температуры рабочей жидкости, при известной температуре окружающей среды будет:
где Крг = τрг /τс – коэффициент продолжительности работы гидропривода под нагрузкой; τрг – время работы гидропривода под нагрузкой, ч; τс – полное время смены, ч; к – коэфиициент теплопередачи от жидкости к воздуху через наружную поверхность гидробака; к = 10 - 15 Ккал/м2 ∙°С = (10 – 15)1,163 Вт/ м2 ∙°С – для гидробаков с естественным воздушным охлаждением (открытая вентилируемая поверхность); tж , tв – температура соответственно масла и окружающего воздуха, °С. Чтобы установить необходимость принудительного охлаждения, сначала нужно сконструировать бак. Если поверхность наружных стенок бака Sб окажется меньше вычисленной, то необходима установка холодильника. Объем бака Vб принимают равным двух – трехминутной производительности наоса Qн , т.е.:
Задаемся соотношением ширины, высоты и длины бака в виде прямоугольного параллелепипеда, как 1:2:3. Обычно бак заполняется рабочей жидкостью на 0,8 высоты. Если обозначить ширину бака через x , объем жидкости в баке Vб = x 2(0,8x )3 x = 4,8x 3 . Определяем размеры бака: ширина Находим площадь поверхности бака, участвующую в охлаждении рабочей жидкости:
где S1 – суммарная площадь поверхностей бака, омываемых жидкостью; S2 – суммарная площадь боковых поверхностей, не омываемых жидкостью. У этих поверхностей эффект охлаждения в 2 раза меньше. S1 = 15,8 x 2 = 15.8 ∙ 0.0562 = 0.05 м2 ; S2 = 3,2 x 2 = 3,2 ∙ 0.0562 = 0.01 м2 .
Из сравнения поверхностей Sт и Sб делается заключение о необходимости установки холодильника, т.к. Sт >Sб , необходима установка холодильника. ЛИТЕРАТУРА 1. Лебедев Н.И. Объемный гидропривод машин лесной промышленности. - М.: Лесн. пром-сть, 1986. 2. Халтурин В.М., Мамаев В.В., Пушкарева О.Б. Гидрооборудование машин лесной промышленности: учеб. Пособие, Екатеринбург, 2001. 3. Анурьев В.И. Справочник конструктора-машиностроителя. - М.: Машиностроение, 1980. 4. Вильнер Я.М., Ковалев Я.Т., Некрасов Б.Б. и др. Справочное пособие по гидравлике, гидромашинам и гидроприводам. Минск: Вышайшая школа, 1976. Размещено на |
||||||||||||||||||||||||||||||||||||||||||||||||||||||||||||||||||||||||||||||||||||||||||||||||||||||||||||||||||||||||||||||||||||||||||||||||||||||||||||||||||||||||||||||||




, 



,
, высота 2x
, длина 3x
.
,