Реферат: Однотактные импульсные преобразователи
|
Название: Однотактные импульсные преобразователи Раздел: Рефераты по коммуникации и связи Тип: реферат | ||||||||||||||||||||||||||||||||
ГОУ СПО Кировский Авиационный техникум ДОКЛАД по электропитанию СВТ на тему «Однотактные импульсные преобразователи» Студента группы ВП-34 _________Беляева П.Ю. 2006 Содержание
1 Введение. Некоторые определенияИмпульсные (ключевые) источники питания - ИИП (SMPS) - это современные источники питания с высоким КПД. Традиционные линейные источники питания с последовательным регулирующим элементом сохраняют постоянное выходное напряжение при изменении входного напряжения или тока нагрузки благодаря изменению своего сопротивления. Линейный регулятор (стабилизатор) поэтому может быть очень неэффективным. Импульсный источник питания, однако, использует высокочастотный ключ (транзистор) с переменными величинами включенного-выключенного состояний, чтобы стабилизировать выходное напряжение. Пульсации выходного напряжения, вызванные ключевым режимом, отфильтрованы LC фильтром. ИИП могут понижать напряжение питания, так же, как и линейные. В отличие от линейного регулятора(стабилизатора), однако, ИИП может также увеличивать напряжение питания и инвертировать выходное напряжение. Типовые схемы применения даются ниже. Типовое применение для понижающего импульсного (ключевого) регулятора: Формирование напряжения 5 В для питания цепей ТТЛ от 12 В батареи (особенно если 12 В батарея ограниченной емкости, поскольку ключевые стабилизаторы гораздо более эффективны чем линейные стабилизаторы). Типовое применение для повышающего импульсного регулятора: Формирование 25 В от напряжения 5 В для питания программируемого ПЗУ. Типовое применение для инвертирующего импульсного регулятора: Формирование двуполярного напряжения от однополярного для питания операционных усилителей. Формирование отрицательного смещения для микросхем динамического ОЗУ. Термин импульсный регулятор используется для описания схемы, которая преобразует постоянное напряжение в выходной сигнал также постоянного напряжения той же самой или противоположной полярности более низкого или более высокого напряжения. Импульсные регуляторы используют дроссели и не обеспечивают гальванической развязки между входом и выходом. Термин импульсный преобразователь используется для описания схемы, которая преобразует постоянное напряжение в один или несколько выходных сигналов также постоянного напряжения более низкого или более высокого напряжения. Импульсные преобразователи используют трансформатор и обеспечивают гальваническую развязку (изоляцию) между входом и выходами, а также между выходами. Термин импульсный источник питания - ИИП (SMPS) используется для описания импульсных регуляторов и преобразователей. 2 Первичные ИИП 2.1 Прямоходовые и обратноходовые преобразователиПри обсуждении ИИП различной топологи часто упоминаются прямоходовые и обратноходовые преобразователи. В прямоходовом ИИП источник энергии подает ток к выходному конденсатору, когда ключ замкнут. Обратноходовой ИИП передает энергию от дросселя к выходному конденсатору, когда ключ разомкнут. Прямоходовый (forward) преобразователь
Рисунок 1. Дополнительная обмотка трансформатора прямоходового преобразователя гарантирует, что к моменту включения ключа магнитное поле сердечника трансформатора нулевое. При отсутствии дополнительной обмотки после нескольких периодов переключения сердечник трансформатора войдет в насыщение, ток первичной обмотки чрезмерно увеличится, таким образом ключ (то есть транзистор) выйдет из строя. Временные диаграммы напряжений и токов для прямоходового преобразователя показаны на рисунке 2.
= намагничивающий ток Рисунок 2. Выходное напряжение прямоходового преобразователя равно среднему значению напряжения на входе LC фильтра и равно: Vout = Vin x (n2/n1) x (Ton x f) где: Обратноходовый (flyback) преобразователь
Рисунок 3. Выходное напряжение для обратноходового преобразователя (трапецеидальная форма электрического тока) может быть рассчитано следующим образом: Vout =Vin x (n2/n1) x (Ton x f) x (1/(1-(Ton x f))) где: Cхема управления контролирует Vout и управляет скважностью (временем включенного состояния ключа Q1). Если Vin увеличивается, схема управления уменьшит скважность, чтобы сохранить постоянное выходное напряжение. Аналогично, если ток нагрузки уменьшится и Vout увеличится, схема управления будет действовать таким же образом. Наоборот, уменьшение Vin или увеличение тока нагрузки увеличит скважность. Заметим, что выходное напряжение меняется, когда изменяется коэффициент заполнения, Ton x f. Однако зависимость между выходным напряжением и коэффициентом заполнения - не линейна, как имела место в прямоходовом преобразователе, это - гиперболическая функция. Ток в обратноходовом преобразователе может иметь или трапецеидальную, или пилообразную форму. Трапецеидальная форма тока будет в том случае, если ключевой транзистор включается до того, как ток во вторичной обмотке спадет до нуля. Если пилообразный ток во вторичной обмотке успевает достичь нуля, то появляется "мертвое время", когда нет никакого тока ни в вторичной обмотке, ни в первичной.
Рисунок 4. 2.2 Двухтактный (Push Pull) преобразователь
Рисунок 5. Двухтактный преобразователь относится к числу прямоходовых. Как показано на рисунке 5, когда ключ Q1 включен, ток течет через верхнюю половину первичной обмотки T1 и магнитное поле в сердечнике T1 растет. Растущее магнитное поле в T1 индуцирует напряжение во вторичной обмотке T1 такой полярности, что диод D2 смещен в прямом, а D1 - в обратном направлении. D2 проводит и заряжает выходнй конденсатор C2 через дроссель L1. L1 и C2 составляют схему фильтра. Когда ключ Q1 выключается, магнитное поле в трансформаторе T1 спадает, и после времени паузы (зависящего от скважности ШИМ), Q2 включается, ток течет через нижнюю половину первичной обмотки T1 и магнитное поле в сердечнике T1 растет в противоположном направлении. Растущее магнитное поле в T1 индуцирует напряжение во вторичной обмотке T1 такой полярности, что диод D1 смещен в прямом, а D2 - в обратном направлении. D1 проводит и заряжает выходной конденсатор C2 через дроссель L1. После окончания мертвого времени включается ключ Q1 и процесс повторяется. Имеются два важных соображения, касающиеся двухтактного преобразователя:
Эти критерии должны удовлетворяться схемой управления и драйвером. Выходное напряжение Vout равно среднему значению напряжения на входе LC фильтра: Vout = Vin x (n2/n1) x f x (Ton, q1 + Ton, q2 ) где: Cхема управления контролирует Vout и управляет включенным состоянием ключей Q1 и Q2. Если Vin увеличивается, схема управления уменьшит скважность, чтобы сохранить постоянное выходное напряжение. Аналогично, если ток нагрузки уменьшится и Vout увеличится, схема управления будет действовать таким же образом. Наоборот, уменьшение Vin или увеличение тока нагрузки увеличит скважность. Временные диаграммы на рисунке 6 показывают токи двухтактного преобразователя.
Рисунок 6. 2.3 Полумостовой преобразователь
Рисунок 7. Полумостовой преобразователь подобен двухтактному преобразователю, только не требуется делать отвод от середины первичной обмотки. Изменение направления магнитного поля достигается изменением направление тока первичной обмотки. Этот тип преобразователя применяется в преобразователях большой мощности. Для полумостового преобразователя выходное напряжение Vout равно среднему значению напряжения на входе LC фильтра. Vout = (Vin /2) x (n2/n1) x f x (Ton,q1 + Ton,q2 ) где: Заметим, что Ton,q1 должно быть равно Ton,q2 и что Q1 и Q2 никогда не должны проводить одновременно. Схема управления полумостового преобразователя подобна схеме управления двухтактного преобразователя. 2.4 Мостовой преобразователь
Рисунок 8. Мостовой преобразователь подобен двухтактному преобразователю, только не требуется делать отвод от середины первичной обмотки. Изменение направления магнитного поля достигается изменением направление тока первичной обмотки. Этот тип преобразователя применяется в преобразователях большой мощности. Для мостового преобразователя выходное напряжение Vout равно среднему значению напряжения на входе LC фильтра. Vout = Vin x (n2/n1) x f x (Ton,q1 + Ton,q2 ) где: Диагональные пары транзисторов поочередно проводят, таким образом достигая изменения направления тока в первичной обмотке трансформатора. Это можно пояснить следующим образом - когда включены ключи Q1 и Q4, ток будет течь "вниз" через первичную обмотку трансформатора (втекать в начало обмотки), а когда включены ключи Q2 и Q3, ток будет течь "вверх". Схема управления контролирует Vout и управляет скважностью импульсов управления ключей Q1, Q2, Q3 и Q4. Схема управления работает так же, как и для двухтактного и полумостового преобразователя, за исключением того, что надо управлять четырьмя транзисторами, а не двумя. 3 Вторичные ИИПИмпульсный источник питания, который дает низкое напряжение, изолированный от первичного источника, часто называется вторичным ИИП. Типичная блок-схема такого источника питания показана на рисунке 9.
Рисунок 9. Фильтр, показанный в левой части блок-схемы, необходим для предотвращения попадания в сет помех из источника питания. Он также помогает предохранять цепи ИИП от импульсов напряжения (или скачки напряжения) в сети переменного тока. Типовая силовая часть такой схемы показана на рисунке 10.
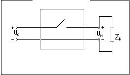
Рисунок 10. Конденсатор при питании от сети переменного тока 220 В заряжается до напряжения приблизительно 310 В (340 В для 240 В). Резистор R1 - низкоомный (номинал от 2 до 4 Ом), который предохраняет схему от бросков тока при заряде конденсатора C1 во время подачи питания. Q1 - высоковольтный МОП-транзистор, который используется в качестве быстродействующего ключа, переключающего импульс питающего тока в ферритовом высокочастотном трансформаторе T1. Частота переключения обычно лежит в диапазоне от 25 до 250 кГц. Элементы R2 и C2 составляют защитную цепь (snubber), которая уменьшает выбросы напряжения и шумы переключателя. Стабилизация достигается благодаря контролю за выходным напряжением в точке "FB" и регулирования ширины входных импульсов драйвера ключа Q1. Предохранитель FS2 необходим для защиты от короткого замыкания и перегрузки. FS2 иногда заменяется датчиком тока, который запирает при перегрузке драйвер ключа Q1. 4 Импульсные преобразователиВ регулируемом линейном источнике питания силовой трансформатор промышленной частоты используется для изоляции, а затем выпрямитель и линейный регулятор используются для формирования выходного напряжения. В управляемом ИИП изоляция и регулирование объединены в единое целое, имеющее высокий КПД. В ИИП используется маленький высокочастотный трансформатор, обычно работающий в диапазоне частот от 25 до 250 кГц (хотя в маломощных ИИП до 1 МГц). Трансформаторы и дроссели, используемые для ИИП, имеют ферритовые сердечники в противоположность листовым железным сердечникам их более низкочастотных двойников. Трансформаторы ИИП вообще имеют меньшее количество витков в обмотках чем трансформаторы промышленной частоты. 4.1 Однотактный преобразователь напряжения Однотактный преобразователь напряжения содержит трансформатор, первичная обмотка которого состоит из двух частей с числом витков w1 и w2, первый транзистор, соединенный с блоком управления, и второй транзистор, шунтированный обратным диодом. Между эмиттерами транзисторов включен конденсатор. Коллекторы первого и второго транзисторов соединены с крайними выводами обмоток трансформатора. Кроме того, коллектор первого транзистора через резистор, шунтированный последовательной RC-цепью, образующие токозадающую цепь, соединен с входом управления второго транзистора. В качестве первого и второго транзисторов в данном преобразователе могут быть использованы любые другие ключевые элементы, например, МОП транзисторы и т.д. Однотактный преобразователь постоянного напряжения работает следующим образом. При поступлении отпирающего сигнала на базу транзистора последний открывается, к обмотке трансформатора прикладывается входное напряжение. При этом к управляющему переходу транзистора прикладывается запирающее напряжение, практически равное напряжению конденсатора, и он запирается. Через второй транзистор протекает сумма токов намагничивания сердечника трансформатора и нагрузки. По окончании управляющего импульса транзистор запирается, ток намагничивания замыкается через диод, конденсатор и обмотку. К управляющему электроду второго транзистора прикладывается отпирающее напряжение, равное разности коллекторного напряжения первого транзистора и напряжения конденсатора. Второй транзистор отпирается, обеспечивая протекание тока намагничивания в обратном направлении. Благодаря конденсатору ток намагничивания протекает непрерывно в течение всего периода следования импульсов с блока управления и среднее значение этого тока равно нулю. Это приводит к тому, что размагничивающее напряжение прикладывается к обмотке в течение всего времени запертого состояния первого транзистора, а перемагничивание сердечника трансформатора осуществляется по полному циклу с малой амплитудой тока намагничивания. Таким образом, в предложенном устройстве уменьшены потери мощности на резисторе, включенном в управляющей цепи дополнительного ключа, за счет снижения напряжения на нем. 4.2 Импульсный однотактный преобразователь постоянного напряжения . Конвертор. Импульсные преобразователи постоянного напряжения (ИППН) регулируют выходное напряжение (напряжение на нагрузке) путём изменения времени подачи напряжения Uo на нагрузку Zн . Чаще всего применяют широтно-импульсный (ШИР) и частотно-импульсный (ЧИР) способы регулирования . Принцип действия ИППН основан на ключевом режиме транзистора или тиристора, которые периодически прерывают цепь подачи напряжения U0 в нагрузку (Рисунок 11). При широтно-импульсном способе выходное напряжение регулируют изменением длительности выходных импульсов tи (рисунок 12) при неизменном периоде их следования Т . Тогда среднее значение выходного напряжения преобразователя будет определяться по формуле Uн.ср=(tи/T)*Uо. Следовательно, выходное напряжение регулируют от нуля (при tи=0) до Uо(tи=T).
Рисунок 11.
Рисунок 12. На рисунке 13 изображена схема широко распространённого ИППН . Такой преобразователь называют однотактным . В качестве ключа служит тиристор . Между нагрузкой Z н и тиристором включен сглаживающий LC-фильтр .
Рисунок 13. Диод Д, выполняющий функции обратного диода , необходим для создания электрической цепи для тока нагрузки при выключенном тиристоре. Однотактные ИППН работают при мощности 100 кВт . Если требуется большая мощность, прибегают к многотактным ИППН . Во всех ИППН отпирание проводниковых ключей производится путём принудительной подачи на тиристор (транзистор) коммутирующих импульсов , запирание же тиристоров осуществляется напряжением периодически перезаряжаемого конденсатора. Естественно , что коммутационный блок в ИППН имеет некоторое отличие от подобных блоков в автономных инверторах . Отметим , что регулирование постоянного напряжения на нагрузке при питании от сети переменного тока можно осуществить с помощью ИППН . Небольшое падение напряжения на открытом полупроводниковом ключе и очень малый ток при его запертом состоянии определяют высокий КПД импульсных преобразователей постоянного напряжения . В этом отношении неуправляемый выпрямитель , работающий в паре с ИППН , успешно конкурирует с управляемым выпрямителем . Преимущество импульсных преобразователей постоянного напряжения по сравнению с конверторами с самовозбуждением является то , что в ИППН в качестве ключей применяют тиристоры , которые в настоящее время выпускаются на напряжения до нескольких киловольт . Это позволяет создать конверторы большой мощности (свыше 100 кВт) с высоким КПД , меньшими габаритами и массой . Конверторы получили широкое применение в установках , в которых первичным источником электропитания являются контактная сеть , аккумуляторы , солнечные и атомные батарейки , термоэлектрические генераторы . 5 Заключение 5.1 Электромагнитные и радиопомехи, создаваемые ИИПИзвестно, что импульсные источники питания создают электромагнитные и радиопомехи. НЧ фильтры в подводящих проводах жизненно важны для уменьшения наводок по цепям питания. Экран Фарадея между обмотками трансформатора и вокруг чувствительных компонентов вместе с правильным расположением в блоке цепей, компенсирующим поля, также уменьшают электромагнитные и радиопомехи. Проблема сглаживания тока пилообразной формы требует применения фильтрового конденсатора. Индуктивность и сопротивление (последовательно включенные) стандартных электролитических конденсаторов влияют на пульсации и напряжения шума в выходных сигналах. Линейные источники питания не имеют себе равных в маломощных и очень малошумящих с низкими пульсациями в выходных сигналах источниках. 5.2 Интегральные микросхемы для ИИПMullard:TDA2640TDA2581SGS:L4960- Диапазон входного напряжения - 9 - 50 В постоянного тока - Регулируемое выходное напряжение - от 5 до 40 В - Максимальный выходной ток - 2.5 А - Максимальная выходная мощность - 100 Вт - Встроенная схема плавного включения - Стабильность внутреннего опорного источника - +\- 4 % - Требует очень небольшого числа навесных компонентов - Коэффициент заполнения - 0 - 1 - Высокий КПД - выше 90 % - Встроенная тепловая защита от перегрузки: микросхема выключается, когда температура pn-перехода достигает 150 град. C. - Встроенный ограничитель тока для защиты от короткого замыкания L4962 (16-выводной DIP корпус. Выходной ток до 1.5 А)L4964 (специальный 15- выводной корпус. Выходной ток до 4 А)Texas Instruments:TL494TL497TL497 имеет генератор с фиксированным временем включенного состояния, но с переменной выходной частотой. Это дает минимальное количество навесных элементов. Время включенного состояния определяется значением емкости конденсатора, подключенного между выводом 3 и землей.
Рисунок 14. 5.3 Режим повторных включений ИИПВ импульсных источниках питания такой режим часто используется для ограничения выходного тока. Если ИИП перегружен, схема выключается. После некоторого интервала времени он включается, если перегрузка все еще существует, он немедленно выключается. На некоторых конструкциях, если это случается несколько раз, питание отключается, пока не будет сброшена блокировка схемы. 5.4 ИИП с поддержкой питанияНекоторые "более автономные" ИИП разработаны так, чтобы сохранить устойчивое выходное напряжение более чем несколько периодов при отключении входного питания. Это может быть достигнуто установкой входного конденсатора большой емкости, такой, что его напряжение не будет существенно падать в течение перерывов подачи энергии. Период времени, в течение которого ИИП поддерживает выходное напряжение, когда отсутствует входное, часто называют "временем поддержки питания". 6 Литература1. INTERNET:- SGS Power Supply Application manual - Motorola Power MOSFET Transistor Databook - Unitrode Semiconductor Databook - Unitrode Applications Handbook - Transformer Core Selection for SMPS, Mullard - Soft Ferrites - Properties and Applications, E.C. Snelling - Switchmode - A Designer's Guide, Motorola - SMPS Technology and Components, Siemens - Texas Instruments Linear Circuits Databook - Analogue Electronics Handbook, T.H. Collins - Smith, K.L. Ph.D. (University of Kent), "D.C. Supplies from A.C. Sources", Electronics & Wireless World, September 1984. - Иванов В.С., Панфилов Д.И. Компоненты силовой электроники фирмы MOTOROLA. - М.: ДОДЭКА, 1998 - Силовые полупроводниковые приборы International Rectifier. Пер. п/р В.В.Токарева. - Воронеж, 1995 - Микросхемы для импульсных источников питания и их применение. Изд. 2-е. - М.: ДОДЭКА, 2000 - Поликарпов А.Г., Сергиенко Е.Ф. Однотактные преобразователи напряжения в устройствах электропитания РЭА. - М.: Радио и связь, 1989 - Поликарпов А.Г., Сергиенко Е.Ф. Импульсные регуляторы и преобразователи постоянного напряжения. - М.: Изд-во МЭИ, 1998 |













