Курсовая работа: Расчет дросселя бустерной схемы DC DC преобразователя
|
Название: Расчет дросселя бустерной схемы DC DC преобразователя Раздел: Рефераты по коммуникации и связи Тип: курсовая работа | ||||||||||||||||
ФЕДЕРАЛЬНОЕ АГЕНСТВО ПО ОБРАЗОВАНИЮ РФ Воронежский государственный технический университет Кафедра "Радиоэлектронные устройства и системы" КУРСОВОЙ ПРОЕКТ по дисциплине "Элементная база радиоэлектронных средств и систем" на тему: "Расчет дросселя бустерной схемы DC – DC преобразователя" Выполнила: студентка гр. РК - 041 Иванченкова А.А. Принял: канд. физ-мат. наук Худяков Ю.В. Воронеж 2006 СОДЕРЖАНИЕ 1.1. Бустерная схема и основы ее проектирования. 4 1.1.1. Что такое бустерная схема. 4 1.1.2. Фаза заряда дросселя. 5 1.1.3. Фаза разряда дросселя. 7 1.2. Определение параметров бустерной схемы.. 9 1.2.1. Индуктивность дросселя L. 9 1.2.2. Емкость конденсатора С.. 12 1.3. Отличие реальной схемы от идеальной. 13 1.4. Проектирование дросселя для бустерной схемы.. 16 2.1. Алгоритм расчета параметров дросселя. 23 ВведениеВ последнее время резко увеличился темп технического прогресса, научно-технической революции во многих областях современной техники и прежде всего в радиоэлектронике и автоматике. Радиоэлектронная аппаратура и приборы автоматики предъявляют весьма жёсткие требования к качеству потребляемой ими электроэнергии, а в ряде случаев требует обязательного преобразования энергии первичного источника. Поэтому одновременно с прогрессом в автоматике и радиоэлектронике происходило бурное развитие преобразовательной техники и статистических средств вторичного электропитания РЭА, которые осуществляют необходимые преобразования электроэнергии (часто многократные), при этом обеспечивая требуемые значения питающих напряжений, как постоянного, так и переменного – однофазного или многофазного – токов; электроизоляцию цепей питания друг от друга и от первичного источника; высокую стабильность вторичных питающих напряжений в условиях значительного изменения первичного питающего напряжения и нагрузок; эффективное подавление пульсаций во вторичных питающих цепях постоянного тока. Рассматриваемая в данном курсовом проекте бустерная схема DC – DC преобразователя используется в подвижных и стационарных автономных объектах различного назначения, снабжённых автономными первичными источниками электрической энергии типа аккумуляторных или солнечных батарей и т.д. 1. Теоретическая часть1.1. Бустерная схема и основы ее проектирования1.1.1. Что такое бустерная схемаВ чопперной схеме стабилизатора невозможно принципиально получить выходное напряжение, которое по величине будет выше входного. Тем не менее, построить повышающий стабилизатор можно. Для этого необходимо воспользоваться так называемой бустерной схемой, схематическое изображение которой приведено на рис.1.
Рис.1. Базовая схема бустерного стабилизатора. Ключевой элемент Кл, в качестве которого используется знакомый нам транзистор, подключен параллельно нагрузке RH и работает в импульсном режиме, то есть попеременно замыкается и размыкается с частотой преобразования. Диод VD блокирует нагрузку и конденсатор фильтра С от ключевого элемента в нужные моменты времени. Когда ключ замкнут, ток i3 от источника питания Un протекает через дроссель L, запасая в нем энергию. Диод VD при этом отсекает (блокирует) нагрузку и не позволяет конденсатору фильтра разряжаться через замкнутый ключ. Ток в нагрузку в этот промежуток времени поступает только от конденсатора С. Далее, когда ключ закрывается, ЭДС самоиндукции дросселя суммируется с выходным напряжением и энергия тока дросселя отдается в нагрузку. При этом выходное напряжение UH оказывается больше входного Un. Следует обратить внимание на то, что, в отличие от чопперной схемы, дроссель L не является элементом фильтра, а выходное напряжение становится больше входного на величину, определяемую индуктивностью дросселя L и скважностью работы ключа. Рабочий цикл бустерной схемы также состоит из двух фаз: фазы заряда дросселя и фазы его разряда на нагрузку. 1.1.2. Фаза заряда дросселяВ данной фазе, схематически показанной на рис.2, ключевой элемент коммутирует нижний вывод индуктивного элемента к общему проводу схемы.
Рис.2. Зарядная фаза бустерного преобразователя. Соотношение между напряжением на дросселе и током через него в общем случае определяется:
Поскольку в данном случае UL = U П а напряжение питания является постоянной величиной, то оба вывода дросселя оказываются подключенными к источнику питания с низким внутренним сопротивлением. Мы получаем очень интересный результат. Итак,
а, проинтегрировав, получим простое выражение для тока заряда дросселя:
Давайте осмыслим полученную формулу. Предположим, что в момент замыкания ключа ток в индуктивном элементе Lвообще отсутствует. После замыкания ключа ток i3 появляется в обмотке дросселя не скачкообразно, а начинает нарастать по линейному закону. Нарастание тока в дросселе будет происходить до тех пор, пока ключ не разомкнётся. При прочих равных условиях (напряжении питания и времени заряда) ток в индуктивном элементе к моменту окончания времени заряда будет тем больше, чем меньше индуктивность L. Этот простой, но очень важный вывод мы сделали исходя из того, что в полученном выражении индуктивность Lстоит в знаменателе. Понятно, что чем меньше индуктивность, тем легче дросселю "набирать" ток. Зависимость скорости нарастания от величины индуктивности показана на рис.3.
Рис.3. Влияние величины индуктивности на скорость нарастания зарядного тока. 1.1.3. Фаза разряда дросселяМы уже хорошо знаем, что основное свойство индуктивного элемента - стремление к поддержанию величины и направления протекающего через него тока. Поэтому при размыкании ключа направление разрядного тока ipсовпадет по направлению с зарядным током i. Разрядный ток замыкается через диод VDна нагрузку и подзаряжает конденсатор С, как показано на рис.4.
Рис.4. Разрядная фаза бустерного преобразователя. Теперь нам станет понятно, что напряжение на нагрузке может быть больше напряжения питания. Согласно теории электрических цепей, напряжение на обкладках конденсатора и ток, протекающий через него, связаны следующим соотношением:
Мы можем приближенно считать, что дроссель в фазе разряда как бы является источником постоянного тока, поэтому
где Uo - напряжение на конденсаторе к моменту окончания заряда дросселя (заряд дросселя L и разряд конденсатора С происходят одновременно). Добавка напряжения ΔU3, компенсирующая убыль энергии дросселя за счет разряда на нагрузку, будет:
Последовательно, за несколько циклов "заряд-разряд" можно увеличивать напряжение на нагрузке, причем, на первый взгляд, никаких ограничений на его потолок найти не удастся. Важно лишь, чтобы показанная на рисунке 5 добавка ΔUp < ΔU3.
Рис.5. График нарастания выходного напряжения. Казалось бы, с помощью столь простых средств можно создать повышающий стабилизатор, имеющий на входе 1,5 В (напряжение одного гальванического элемента) и выдающий на нагрузку 1,5 кВ! К сожалению, максимальный коэффициент преобразования (даже при наличии очень хороших элементов схемы) существенно ограничен. Его значение не превышает в типичных реальных схемах 3...5. Почему так происходит, мы объясним в отдельном разделе. Пока же определим вид регулировочной характеристики (зависимости выходного напряжения от входного и режима работы стабилизатора). В фазе заряда максимальное значение тока дросселя:
где i0 - добавка тока, определяемая режимом, в котором ключ Кл постоянно разомкнут:
В фазе разряда дросселя к нему прикладывается разность напряжений (Uн – Un) и происходит спад тока дросселя, как показано на Рис.6.
Рис.6. К определению вида регулировочной характеристики бустерного преобразователя. В установившемся режиме "добавка" зарядного тока равна убыли разрядного, поэтому мы можем записать:
После несложных преобразований получаем:
Хорошо видно, что чем меньшее разрядное время tpнам удастся сделать, тем большее напряжение мы можем получить на нагрузке. Конечно, такая ситуация может быть только в идеальной схеме. Реальная схема имеет существенные отличия. 1.2. Определение параметров бустерной схемы1.2.1. Индуктивность дросселя LКак было отмечено выше, цикл работы бустерной схемы состоит из двух фаз: фазы заряда дросселя и фазы его разряда на нагрузку. Кроме того, стабилизатор должен иметь возможность передавать от источника в нагрузку достаточную, мощность, которая определяется из выражения:
где iH - ток нагрузки, А. В то же время ток нагрузки определяется током заряда дросселя и не может стать больше i3. Ранее мы также выяснили, что ток i3 в индуктивности нарастает по линейному закону:
После несложных преобразований получим:
Мы получили еще один интересный результат-нельзя бесконечно увеличивать величину индуктивности. Если L будет слишком большой, мы не сможем передать в нагрузку необходимую мощность. Казалось бы, если мы ограничены в выборе индуктивности "сверху", почему бы нам не сделать ее сколь угодно малой и тем самым, повысив ток заряда, повысить передаваемую мощность? Увы, нижняя граница величины индуктивности тоже существует, и к определению Lminследует отнестись даже более внимательно, чем к оценке Zmax. Выбрав индуктивность слишком большой, мы рискуем лишь тем, что не получим требуемой мощности в нагрузке. А вот если индуктивность окажется слишком маленькой, это может стоить нам необратимого разрушения всей схемы стабилизатора. Дело в том, что транзистор, используемый в качестве ключевого элемента Кл, может пропустить через себя ток, сила которого ограничена цифрой, приведенной в технических условиях на данный элемент (максимальный ток коллектора или стока). Поскольку ток в индуктивном элементе нарастает линейно, его максимальное значение (которое появится в момент, соответствующий переходу схемы из фазы I в фазу 2) ни в коем случае не должно превысить допустимых для транзистора значений, что показано на рис.8. Определим критическое значение индуктивности.
Поскольку ток i0 течет всегда, максимальный ток через индуктивный элемент будет:
Устремляя к нулю ток i0 (минимальный режим), получаем:
На рисунке 8 индуктивность L2 является минимально допустимой, L3 безопасна для схемы, L, может привести к разрушению стабилизатора. При определении Lminрекомендуется принять время заряда t3 (для большинства схем): t3 = 0.9/f. Максимальный ток, допускаемый для силового ключа, можно найти в технических условиях на данный элемент (транзистор, микросхему). Следует также учесть, что современный разработчик импульсной техники едва ли предпочтет схему, построенную на дискретных элементах, интегральной схеме с такими же параметрами. Скорее, он выберет уже готовую микросборку. Если в составе микросборки уже содержится силовой транзистор, нужно найти в технических условиях на данный элемент значение параметра swithcurrent (ток переключения). Мы уже знаем, что мощность, рассеиваемая транзистором, определяется формой тока через транзистор. Поскольку ток в бустерной схеме носит линейно-нарастающий характер, действующее значение тока в этом случае будет:
Для максимального режима при коэффициенте заполнения 0,9: IVT = 0,67 iL. Максимальная мощность, которая может быть передана в нагрузку, таким образом, определяется максимальным током через ключевой элемент. Методика расчета индуктивного элемента следующая: 1) по заданным параметрам t3max, Uн, f, Pн, Unmin определяем Lmax; 2) по заданным параметрам Unmin, t3max, in определяем Lmin; 3) расчетное значение Lmaxдолжно получиться больше Lmin, в противном случае преобразователь просто не сможет выполнить предъявленные к нему требования по току или по мощности; 4) в качестве L рекомендуется принять Lmin. 1.2.2. Емкость конденсатора СПоскольку выходное напряжение стабилизатора всегда характеризуется наличием пульсаций, важно принять меры по их снижению. Для этого в бустерной схеме предусматривается фильтровой конденсатор С, емкость которого рассчитывается следующим образом. Величина зарядной добавки конденсатора, обусловленной разрядом дросселя L:
где Q - заряд, накопленный индуктивностью в первой фазе и передаваемый конденсатору; С - емкость фильтрующего конденсатора; Q = tр iр. С другой стороны, как мы уже выяснили, величина зарядного тока определяется по формуле:
При равенстве зарядного и разрядного токов абсолютный уровень пульсаций в нагрузке:
Физически это означает, что энергия, накапливаемая в индуктивности, переходит в энергию заряженного конденсатора без потерь, что вполне допустимо считать в практических расчетах. Коэффициент пульсаций:
Из этой формулы мы можем определить величину С. 1.2.3. Диод VDВ качестве блокирующего диода рекомендуется использовать диоды Шоттки, обладающие, по сравнению с обычными диодами, меньшим падением напряжения в прямом направлении, повышенным быстродействием. Все эти достоинства повышают КПД схемы. Разработчику необходимо выбрать подходящий по прямому току, обратному напряжению и конструкции корпуса диод Шоттки. 1.2.4. Ключевой элементВ качестве ключевого элемента бустерной схемы в последнее время все чаще используют силовые полевые транзисторы MOSFET. 1.3. Отличие реальной схемы от идеальнойДо сих пор мы рассматривали идеализированную схему бустерного преобразователя, полагая, что ключевой элемент, источник питания, дроссель и диод имеют нулевое активное сопротивление. В реальных схемах это не так.
Рис.9. Реальная схема бустерного преобразователя. rдр – активное сопротивление обмотки дросселя; ru – внутреннее сопротивление источника питания; rкл – активное сопротивление ключевого элемента в состоянии "замкнут"; rvd – активное сопротивление блокирующего диода. Предположим, что rкл ~ rvd. Тогда сопротивления разрядной и зарядной цепей дросселя окажутся также одинаковыми, что и отражено на рис.10: r = ru + rдр + rкл = ru + rдр + rvd.
Рис.10. Преобразованная расчетная схема, в которой учитываются все паразитные сопротивления. Давайте выясним характер регулировочной характеристики в случае реальной схемы. В зарядной и разрядной фазах теперь необходимо учесть падение напряжения на сопротивлении r. Составим уравнение баланса токов через индуктивность в фазе заряда и разряда:
После несложных преобразований получаем:
Считаем, что iн = iL /2. Окончательно выражение для реальной регулировочной характеристики:
Графически семейство регулировочных характеристик с разным соотношением сопротивления нагрузки и паразитных сопротивлений показано на рис.11.
Рис.11. Семейство регулировочных характеристик бустерных преобразователей. Данное выражение справедливо для γ < γкр, где γкр - так называемый критический коэффициент заполнения, при превышении которого регулировочная характеристика стабилизатора приобретает падающий характер. Это происходит потому, что падение напряжения на паразитном сопротивлении rуже не может быть скомпенсировано нарастанием тока в индуктивности. Поэтому пользоваться приведенной формулой на "падающем" участке регулировочной характеристики уже нельзя. Да и проектировать стабилизатор для работы в таком режиме бессмысленно. Критический коэффициент заполнения определяется из выражения:
Чтобы получить достаточно протяженный начальный участок и, следовательно, расширить диапазон регулирования выходного напряжения, необходимо уменьшать сопротивление зарядной цепи r. Из рисунка 11. хорошо видно, что невозможно получить бесконечно большие значения напряжений UHпри ограниченном напряжении Un. Практически в стабилизаторах коэффициент заполнения выбирается не более 0,8...0,9, а коэффициент повышения напряжения для самых высоковольтных вариантов - не более 5. 1.4. Проектирование дросселя для бустерной схемыИзготовители интегральных схем для источников вторичного электропитания рекомендуют использовать в маломощных бустерных схемах преобразователей индуктивные элементы, имеющие минимальные паразитные параметры (межвитковые емкости, индуктивности рассеяния и др.). Поскольку используемые в настоящее время частоты преобразования смещаются в высокочастотную область (100...300 кГц), индуктивные элементы, учитывая это обстоятельство, должны обладать следующими обязательными свойствами: 1) иметь минимально возможные габариты при достаточной для передачи мощности в нагрузку энергоемкости; 2) обладать минимальными потерями в сердечнике и в обмоточных проводах; 3) обладать близкой к нулевой остаточной индукцией. Всем этим условиям неплохо удовлетворяют индуктивные элементы, изготовленные на основе стержневых ферритовых сердечников. В технической документации на микросхемы, как мы уже говорили, приводятся типы и номиналы индуктивных элементов. Зарубежные производители микросхем, стремясь подчеркнуть высокий технический уровень своих разработок, приводят в документации так называемую тестовую схему, изготовив которую, разработчик электронной аппаратуры сможет несложными средствами проверить все режимы работы микросхемы. Тестовая плата, чертеж которой бычно публикуется здесь же, разработана так, что при необходимости можно будет ввести дополнительные элементы или исключить штатные. Рекомендуемые для тестовой схемы типы комплектующих приводятся в сводной таблице. Казалось бы, остается только приобрести необходимые элементы и изготовить печатную плату... К сожалению, и профессиональные отечественные разработчики, и радиолюбители, занимающиеся конструированием собственной, а также ремонтом чужой аппаратуры, далеко не всегда имеют возможность использовать указанные на схеме компоненты,-зачастую их просто нет в продаже. Поэтому приходится либо выбирать индуктивный элемент из тех запасов, что имеются, либо самостоятельно изготавливать его. Качество работы бустерной схемы во многом зависит от качества индуктивного элемента. Знание вопросов расчета индуктивных элементов для бустерной схемы пригодится не только тем, кто намеревается их проектировать, но также и тем, кому необходимо оценить электрические параметры готовых элементов. Конструктивно индуктивный элемент для бустерной схемы представляет собой круглый (реже - прямоугольный или квадратный) ферритовый стержень, на который намотан в один или несколько слоев изолированный медный провод. Сверху нанесена защитная водостойкая краска. Дроссель имеет два контактных вывода, расположенных в торцах. Физически стержневой индуктивный элемент представляет собой магнитную цепь с воздушным участком большой протяженности, как показано на рис.12.
Рис.12. Расчетная модель индуктивности с разомкнутым магнитопроводом (сердечником). Когда мы говорили о вычислении поля в магнетиках, мы упомянули о размагничивающем поле, которое надо учитывать при расчете индуктивных элементов с соразмеримыми линейными размерами. Стержневой сердечник - как раз тот самый случай. Не пугайтесь, автор не будет приводить здесь методику вывода формул для определения индуктивности дросселей, намотанных на сердечниках конечной длины. Эти методики сложны и отнимают много времени для понимания. В конце концов, нам важен результат. В приводимых ниже формулах используются обозначения конструктивных и магнитных величин индуктивного элемента, расчетная модель которого изображена на рис.13:
Рис.13. Конструктивные параметры индуктивности со стержневым сердечником. l – длина сердечника; lk – длина намотки; d – диаметр сердечника; μс - относительная эквивалентная проницаемость сердечника; μ - начальная проницаемость материала сердечника; μ0 - магнитная постоянная; a, b - стороны поперечного сечения сердечника прямоугольного вида; k = l/ lk – коэффициент заполнения сердечника обмоткой. Следует также учесть, что в подавляющем большинстве случаев сердечник изготавливается из феррита марок НН, НМ НМС с начальной магнитной проницаемостью μ > 600, что позволяет значительно упростить первоначальные расчетные формулы. Итак, индуктивность дросселя: а) при к ~ 1 для сердечника круглого сечения:
для сердечника прямоугольного сечения:
б) при к >> 1 для стержня круглого сечения:
для стержня прямоугольного сечения:
в) при k >> l и l/d ≥ 20 для стержня круглого или квадратного сечения: L = 0,75 μ0 w2 l. Очень важным обстоятельством является прогнозирование состояния сердечника. Если сердечник будет работать с заходом в область насыщения, это обстоятельство может привести к значительному снижению КПД стабилизатора или даже к выгоранию силового транзистора из-за резкого увеличения тока накачки. Поэтому необходимо спроектировать индуктивный элемент так, чтобы магнитная индукция в сердечнике не превышала определенного значения. Типичная величина индукции насыщения Вrдля ферритов, как мы знаем, составляет 0,2...0,3 Тл. На эту цифру и следует ориентироваться, разрабатывая индуктивный элемент. Из-за большого размагничивающего эффекта, благодаря большому воздушному промежутку на пути магнитных силовых линий, эквивалентная проницаемость сердечника μс может оказаться на порядок ниже начальной проницаемости замкнутого сердечника μ, изготовленного из того же материала. Однако соответственно снижается и величина остаточной индукции, что необходимо, поскольку через дроссель протекает ток в одном направлении. Приближенно эквивалентную проницаемость сердечника μс можно оценить по следующей формуле: для круглого сечения
для прямоугольного сечения:
Минимальный объем сердечника с учетом потерь в нем и перегрева до заданной температуры:
где [Vm] - в см3; а - температурный коэффициент теплоотдачи (α =1,2 * 103 Вт/см2*°С); ΔT - нагрев магнитопровода (типично ΔТ= 40 °С). Значение магнитной индукции в сердечнике: для круглого сечения:
для прямоугольного сечения:
Методика расчета: 1) по известному Lи определяем минимальный объем магнитопровода и геометрические размеры сердечника; 2) по известному Lи геометрическим размерам сердечника вычисляем количество витков w; 3) проверяем значение магнитной индукции в сердечнике; 4) при необходимости (если значение индукции превышает допустимое значение) выбираем сердечник с большими габаритными размерами (диаметром и длиной), повторяем расчет w и В; 5) толщину намоточного провода определяем из условия 4-5 А/мм2. В заключение этого раздела небольшой технологический совет для радиолюбителей. Желательно разместить обмотку в центральной части стержня в один слой, как показано на рис.14. Если все-таки разместить ее в один слой не удается, можно изготовить две круглые обечайки и намотать провод в 2-3 слоя с тонкой прокладкой между слоями. После намотки индуктивный элемент желательно покрыть термостойким лаком и надежно укрепить выводы.
Рис.14. Вариант изготовления индуктивного элемента. 2. Практическая часть2.1. Алгоритм расчета параметров дросселяИсходные данные: 1) Напряжение питания: U вх. = 3В; 2) Напряжение на выходе: U вых. = 10В; 3) Ток на выходе: I вых. = 5А; 4) Частота: f = 70кГц; 5) Коэффициент скважности: γ = 0,8; 6) Коэффициент пульсации: К п. = 0,25; 7) Температура перегрева: Т Для расчета параметров дросселя бустерной схемы используем прикладную программу. После ввода данных и расчета получаем результат, который изображен на рисунке 15.
Рис.15. Результат расчета параметров. Значения длинны сердечника (l) и диаметра сердечника (D) подбирались последовательной подстановкой типоразмеров для получения минимальных размеров l и D. Значения типоразмеров приведены в таблице 1.
Табл.1. Основные типоразмеры стержневых сердечников из магнитомягких ферритов (ГОСТ 19726-79). В данной программе производится расчет параметров дросселя по формулам, приведенным в теоретической части, а также производится проверка полученных параметров. Формулы для расчета: 1) Определяем выходную мощность:
2) Находим L и С по известным значениям:
3) Находим параметры:
4) Определяем поперечное сечение, диаметр провода и число витков:
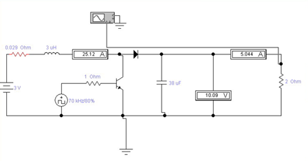
Ток через дроссель (Y1) получаем следующим образом: сначала собираем бустерную схему, после чего в ней подбираем сопротивление дросселя, так, чтобы получить нужные значения выходных тока и напряжения. Это можно сделать в программе Electronic Work Bench. Результат приведен на рисунке 16.
Рис.16. Бустерная схема. После расчетов мы знаем все параметры дросселя. Чертежи приведены в приложении А. 2.2. Выбор материаловМатериал для сердечника, в подавляющем большинстве случаев, это феррит марок НН, НМ НМС с начальной магнитной проницаемостью μ > 600. Каркас катушки изготавливается из пластмассы. Обмотка – медный эмалированный провод. ЗаключениеВ данном курсовом проекте был спроектирован дроссель для бустерной схемы DC – DC преобразователя. В ходе расчётов, помимо специального программного средства, были использованы следующие программы: КОМПАС-3D V7 (для создания чертежей изделия); Electronics Workbench (для составления принципиальной электрической схемы с целью проверки правильности расчётов). В ходе выполнения курсового проекта мы спроектировали дроссель бустерной схемы DC – DC преобразователя, полностью удовлетворяющий техническому заданию. Библиографический список1. Семёнов Б.Ю. Силовая электроника для любителей и профессионалов. М.: Солон-Р, 2001 2. Рычина Т.А., Зеленский А.В. Устройства функциональной электроники и электроэлементы: Учебник для ВУЗов. – 2-е издание, М.: Радио и связь, 1989 3. Ромаш Э.М. Источники вторичного электропитания радиоэлектронной аппаратуры. – М.: Радио и связь, 1981 4. Грязнов Н.М. Трансформаторы и дроссели в импульсных устройствах. – М.: Радио и связь, 1986 5. Свитенко В.Н. Электроэлементы: Курсовое проектирование: учеб. пособие. – М.: высшая школа, 1987 |



























