Реферат: Расчет сцепления
|
Название: Расчет сцепления Раздел: Рефераты по транспорту Тип: реферат | |||||||||||||||||||||||||||||||||||||||||||||||||||||||||||||||||||||||||||||||||||||||||||||||||||||||||||||||||||||||||||||||||||||||||||||||||||||||||||||||||||||
| Оглавление Введение………………………………………………………………………….. 2 Исходные данные………………………………………………………………... 3 1. Проектировочный расчет муфты сцепления………………..5 1.1. Момент, передаваемый сцеплением…………………………………… 5 1.2. Определение нажимного усилия для сжатия дисков…………………...5 1.2.1. Определение расчетного размера диаметра накладок………………5 2. Проверочный расчет муфты сцепления……………………….6 2.1. Определение удельного давления на фрикционные накладки………6 2.2. Определение хода нажимного диска…………………………………...6 2.3. Определение работы буксования сцепления………………………….6 2.4. Определение удельной работы буксования……………………………7 2.5. Тепловой расчет муфты сцепления…………………………………….8 3. Расчет ведущего диска……………………………………………….8 4. Расчет рычагов выключения………………………………………10 5. Расчет нажимных пружин………………………………………….11 5.2. Расчет ведомого диска…………………………………………………...11 5.2. Расчет ведомого диска…………………………………………………...13 5.3. Расчет шлицевого соединения…………………………………………..14 5.4.Расчет рабочих поверхностей смятия…………………………………...14 6. Выбор подшипников выключения……………………………..15 1 Перед автомобильной промышленностью в настоящее время стоят задачи, связанные с увеличением выпуска экономичных автомобилей с дизельными двигателями, позволяющих значительно сократить расход топлива, а следовательно и затраты на него. Одновременно с ростом производства автомобилей особо большой грузоподъемности (110 и 180 тонн) необходимо создавать мощности для выпуска грузовых автомобилей малой грузоподъемности - полтонны. В настоящее время проводятся значительные работы по увеличению выпуска и повышению надежности автомобилей, работающих на сжатом и сжиженном газах. Возрастает производство специализированных автомобилей и прицепов для перевозки различных грузов. Предусматривается уменьшить на 15-20% удельную металлоемкость, увеличить ресурс, снизить трудоемкость технического обслуживания автомобилей, повысить все виды безопасности. Курсовой проект по дисциплине "Конструирование и расчет автомобилей" является творческой работой, целью которой служит приобретение навыков использования знаний, полученных как в самом курсе, так и в ряде профилирующих дисциплин, на которых базируется этот курс. Получение навыков аналитического определения показателей эксплуатационных свойств и конструктивных параметров автомобиля, закрепление навыков четкого изложения и защиты результатов самостоятельной работы как в рукописных формах, так и при публичном выступлении. 2 Исходные данные к расчету
3
4 1. Проектировочный расчет муфты сцепления 1.1. Момент, передаваемый сцеплением:
1.2. Определение нажимного усилия для сжатия дисков: 1.2.1. Определение расчетного размера диаметра накладок:
Полученное значение
2.2.2. Определение среднего радиуса трения:
2.2.3. Расчет нажимного усилия:
5 2. Проверочный расчет муфты сцепления 2.1. Определение удельного давления на фрикционные накладки
где:
2.2. Определение хода нажимного диска Ход нажимного диска 2.3. Определение работы буксования сцепления
где: для карбюраторных ДВС :
где:
6 где:
где:
где:
где:
для грузовых АТС :
2.4. Определение удельной работы буксования 7 где:
для грузовых АТС :
2.5. Тепловой расчет муфты сцепления где:
где:
. Тепловой расчет проводится: - для однодискового сцепления считается ведущий диск;
3. Расчет ведущего диска Материал для изготовления - СЧ21 и СЧ24. Определение напряжений смятия элементов, соединяющих диск с маховиком: 8 МПа
где:
Диаметр ведущего диска где: Толщина диска
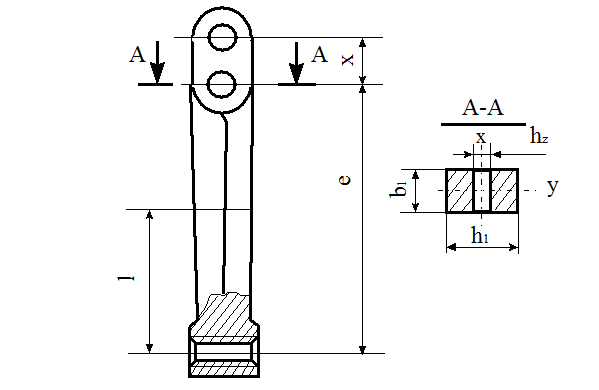
где: Рис.1. Схема для определения напряжения смятия 9 4. Расчет рычагов выключения
Материал для изготовления - сталь 35 ГОСТ 1050 - 74 Рис. 2. Схема для расчета рычагов выключения Рычаги выключения рассчитывают на изгиб:
где:
(см. рис. 2);
10 где:
где:
5. Расчет нажимных пружин В сцеплениях применяются цилиндрические, конические и тарельчатые пружины, изготавливаемые из сталей марок 65Г, 85Г. При периферийном расположении пружин их число должно быть кратным числу рычажков выключения сцепления для исключения возможности перекоса нажимного диска при выключении сцепления и составлять 6…24. При определении числа пружин обычно учитывают, что усилие, приходящееся на одну пружину, не должно превосходить для автомобилей малой и средней грузоподъемности 600 – 700 Н, а для автомобилей большой грузоподъемности – 1000 Н. 5.1. Расчет цилиндрических пружин Определение усилия одновитой пружины
где:
Расчет коэффициента, учитывающего кривизну витков: где: 11 Расчет диаметра проволоки:
где: Полученное значение диаметра округляют до стандартной величины. Определение среднего диаметра пружины Определение жесткости пружины где:
Определение числа рабочих витков где:
Определение полного числа витков Определение шага пружин в свободном состоянии где: Определение высоты полностью сжатой пружины Определение высоты пружины в свободном состоянии Определение длины развернутой пружины
12 5.2. Расчет ведомого диска Ведомый диск состоит из металлического диска (материал - сталь 50, ГОСТ 1050-74), к которому крепятся заклепками шлицевая ступица (материал - сталь 40Х, ГОСТ 4543-71) и фрикционные накладки (материал - НСФ, ГОСТ 1788-74). Определение диаметра заклепок, соединяющих диск со ступицей
где:
где:
13 Из двух значений 5.3. Расчет шлицевого соединения Ступицу ведомого диска устанавливают на шлицевом конце первичного вала с сопряжением, необходимым для свободного его перемещения на валу. Так как соединение в муфте сцепления принято применять только прямозубое с центрированием по диаметру шлицевой втулки, выбираем по ГОСТ 1139-80 шлицевое соединение:
10×30×40×5 Для нормальных условий работы длина ступицы равна наружному диаметру шлицев ведущего вала, а для тяжелых условий - примерно 1,4 от наружного диаметра. Расчет проводим на срез и на смятие. 5.4.Расчет рабочих поверхностей смятия - средний диаметр шлицевого соединения
- рабочая высота шлицев
Рис.3. Схема шлицевого соединения 14 где:
- удельный суммарный статический момент площади рабочих поверхностей соединения относительно вала - среднее давление смятия - максимальное давление смятия где:
Расчет рабочих поверхностей на срез
6. Выбор подшипников выключения Подшипники выключения позволяют значительно снизить трение при выключении. Для данного вида сцепления применяют подшипник качения с защитным кожухом, смазку подают к нему по гибкому шлангу, соединенному с масленкой, которая устанавливается на корпусе картера сцепления. При выборе подшипника ориентируются на размер стакана, диаметр вала. 15 Основные данные подшипника:
Используемая литература1. Пректирование трансмиссий автомобилей: Справочник. Под общей редакцией Гришкевича А.И. М.: Машиностроение, 1984. 2. Лукин П.П. Конструирование и расчет автомобиля/ П.П. Лукин, Г.А. Гаспарянц. М.: Машиностроение, 1984. 3. Осепчугов В.В. Автомобиль/ В.В. Осепчугов. М.: Машиностроение, 1989. 16 МИНИСТЕРСТВО ОБРАЗОВАНИЯ И НАУКИ РОССИЙСКОЙ ФЕДЕРАЦИИ ______________________ Липецкий государственный технический университет Кафедра управления автотранспортом КУРСОВОЙ ПРОЕКТ по дисциплине “Автомобили и двигатели”, спецкурс “Расчет автомобиля ЗИЛ ММЗ 550” Выполнил студент гр. ОЗА-05-1 С.В.Бондарев Проверил В.И. Сорокин 2010г. |
|||||||||||||||||||||||||||||||||||||||||||||||||||||||||||||||||||||||||||||||||||||||||||||||||||||||||||||||||||||||||||||||||||||||||||||||||||||||||||||||||||||
мм
Н
Н
Мпа

Па=0,16МПа
=
Нм 
Дж/м 
,°С
°С


МПа
МПа
мм3
=
Н
= 1,23
мм
=
=
МПа
МПа
МПа;
,=3,6
= 2,35 мм;
= 0,3 мм.
МПа
=
МПа