Курсовая работа: Розрахунок електронних схем
|
Название: Розрахунок електронних схем Раздел: Рефераты по коммуникации и связи Тип: курсовая работа | |||||||||||||||||||||||||||||||||||||||||||||||||||||||||||||||||||||||||||||||||||||||||||||||||||||||||||||||||||||||||||||||||||||||||||||||||||||||||||||||||||||||||||||||||||||||||||||||||||||||||||||||||||||||||||||||||||||||||||||||||||||||||||||||||||||||||||||||||||||||||||||||||||||||||||||||||||||||||||||||||||||||||||||||||||||||||||||||||||||||||||||||||||||||||||||||||||||||||||||||||||||||||||||||||||||||||||||||||||||||||||||||||||||||||||||||||||||||||||||||||||||||||||||||||||||||||||||||||||||||||||||||||||||||||||||||||||||||||||||||||||||||||||||||||||||||||||||||||||||||||||||||||||||||||||||||||||||||||||||||||||||||||||||||||||||||||||||||||||||||||||||||||||||||||||||||||||||||||||||||||||||||||||||||||||||||||||||||||||||||||||||||||||||||||||||||||||||||||||||||||||||||||||||||||||||||||||||||||||||||||||||||||||||||||||||||||||||||||||||||||||||||||||||||||||||||||||||||||||||||||||||||||||||||||||||||||||||||||||||||||||||||||||||||||||||||||||||||||||||||
| КУРСОВА РОБОТА з курсу Аналогова схемотехніка тема Розрахунок електронних схем Зміст 1. Теоретичні відомості. 1.1 Живлення ланцюгів транзистора. 1.2 Властивості каскадів при різних ввімкненнях транзистору. 1.3 Активні фільтри. 1.4 Генератори коливань. 2. Розрахункова частина. 2.1 Підсилювальні каскади на біполярних транзисторах. 2.1.1 Завдання. 2.1.2 Методика розрахунку. 2.1.3 Кінцеві схеми з вказаними номіналами елементів. 2.1.4 Висновки. 2.2 Активні RC–фільтри нижніх частот. 2.2.1 Завдання. 2.2.2 Методика розрахунку. 2.2.3 Кінцеві схеми з вказаними номіналами елементів. 2.2.4 Розрахунок амплітудно–частотних характеристик схем. 2.2.5 Висновки. 2.3. RC–генератори. 2.3.1 Завдання. 2.3.2 Методика розрахунку. 2.3.3 Кінцева схема з вказаними номіналами елементів. 2.3.4 Амплітудно–частотна характеристика фазозсуваючого ланцюга. 2.3.5 Висновки. 3. Висновки по роботі. Список літератури. 1. Теоретичні відомості 1.1 Живлення ланцюгів транзистора Джерело живлення обирають залежно від призначення підсилювача і необхідної вихідної потужності (напруга сигналу на заданому навантаженні). Якщо є вимоги до економічності підсилювача, обирають як можна меншу напругу живлення. Внутрішній (вихідний) опір джерела живлення повинен бути досить малим, щоб небажані зворотні зв’язки через загальне джерело живлення каскадів не призводили до нестабільності характеристик підсилювача. Живлення БТ типу На рис. 1.1 приведені найпростіші схеми резистивних підсилювальних каскадів на БТ, ввімкнених по схемі з ЗЕ. Необхідну напругу на базу можна подавати через резистор Напругу зміщення на базу можна подавати паралельно з напругою сигналу (рис. 1.1, а, б) та послідовно з напругою сигналу, якщо сигнал подається через трансформатор (рис. 1.1, в). Зміщення на базу з дільника напруги також можна подати і послідовно з напругою сигналу. Для цього в схемі на рис. 1.1, в паралельно конденсатору 1.2 Властивості каскадів при різних ввімкненнях транзистору Ввімкнення транзистору з ЗБ дозволяє отримати підсилення тільки напруги. Коефіцієнт підсилення струму при такому включенні менше одиниці і мало змінюється при зміні режиму роботи, температури і заміні екземпляру транзистору. Коефіцієнт підсилення потужності порівняно невеликий, однак при заміні екземплярів транзисторів, їх старінні та зміні температури змінюється значно менше, ніж при інших схемах включення. Вхідний опір транзистора при включенні з ЗБ менше, ніж при інших включення і знаходиться в межах від десятих долей ома (для транзисторів великої потужності) до десятків ом (для транзисторів малої потужності). При збільшенні опору навантаження вхідний опір зростає. Вихідний опір при включенні з ЗБ більше, ніж при інших включення і зростає при збільшенні внутрішнього опору джерела сигналу. Коефіцієнт гармонік зазвичай не перевищує декількох відсотків навіть при повному використанні транзистора.
Включення транзистору з ЗЕ дозволяє отримати підсилення як струму, так і напруги сигналу. Коефіцієнт підсилення потужності при такому включенні найбільший, однак він сильно змінюється при зміні режиму транзистора, температури та заміні екземплярів транзисторів. Вхідний опір транзистора значно вище, ніж при включенні з ЗБ і знаходиться в межах від декількох ом (для транзисторів великої потужності) до тисяч ом (для транзисторів малої потужності). При збільшенні опору навантаження вхідний опір зменшується. Вихідний опір менше, ніж при включенні з ЗБ, і зменшується при збільшенні внутрішнього опору джерела сигналу. Коефіцієнт гармонік більше, ніж при інших включеннях. Однак таке включення використовується найбільш широко, оскільки дозволяє отримати найбільше підсилення потужності (напруги при заданому опорі навантаження). Включення транзистора з ЗК дозволяє досягти найбільшого вхідного опору (до сотень кілоом для БТ малої потужності). Цей опір суттєво зростає при збільшенні опору навантаження. Вихідний опір при такому включенні менше, ніж при інших включеннях і знаходиться в межах від десятих долей ома (для транзисторів великої потужності) до тисяч ом (для транзисторів малої потужності). Він різко зростає при збільшенні внутрішнього опору джерела сигналу. Коефіцієнт підсилення напруги менше одиниці, коефіцієнт підсилення струму більше, ніж при включенні з ЗЕ и сильно змінюється при зміні режиму роботи, температури і заміні транзисторів. Підсилювачі, що мають виборчі властивості, умовно поділяють на фільтри нижніх і високих частот, а також смугові та режекторні (загороджувальні). Фільтри низьких і високих частот відповідно пропускають тільки низькі або тільки високі частоти, смугові та режекторні забезпечують пропускання або непропускання сигналів певних частот. Для отримання в підсилювачах виборчих властивостей в області низьких частот (нижче В області високих частот в якості фільтрів низьких частот широко застосовують високоякісні дроселі, а смугові і режекторні фільтри виконують на основі використання котушок індуктивності ( В окремих випадках використовують електромеханічні фільтри, які відносяться до числа смугових та мають резонансну частоту, рівну частоті власних механічних коливань системи. Добротність таких фільтрів зазвичай велика (сотні…тисячі одиниць), але перестройка частоти ускладнена. Тому електромеханічні фільтри в основному використовують в техніці зв’язку та радіомовленні, де маються стандартні визначені робочі частоти. Під активними фільтрами зазвичай розуміють електронні підсилювачі, що мають Найпростіші фільтри високих і низьких частот показані на рис. 1.2, а, в. В них конденсатор, визначаючий частотну характеристику, ввімкнений в ЗЗ.
Для фільтру високих частот, який часто використовується в якості диференціюючого пристрою, коефіцієнт передачі
Переходячи до операторного запису, отримаємо передавальну функцію
де ЛАЧХ даного фільтра наведена на рис. 1.2, б. Частоту спряження асимптот
Для фільтру низьких частот (рис. 1.2, в) аналогічно розглянутому маємо
або в операторному вигляді
де ЛАЧХ фільтру низьких частот показана на рис. 1.2, г. Так як на частоті спряження асимптот виконується умова Передавальні функції наведених найпростіших фільтрів являють собою рівняння першого порядку, тому і фільтри називаються фільтрами першого порядку. Коефіцієнт підсилення у них зменшується з частотою на При об’єднанні фільтрів низьких та високих частот (рис. 1.2, а, в) виходить смуговий фільтр (рис. 1.3, а), що має ЛАЧХ приведену на рис. 1.3, б.
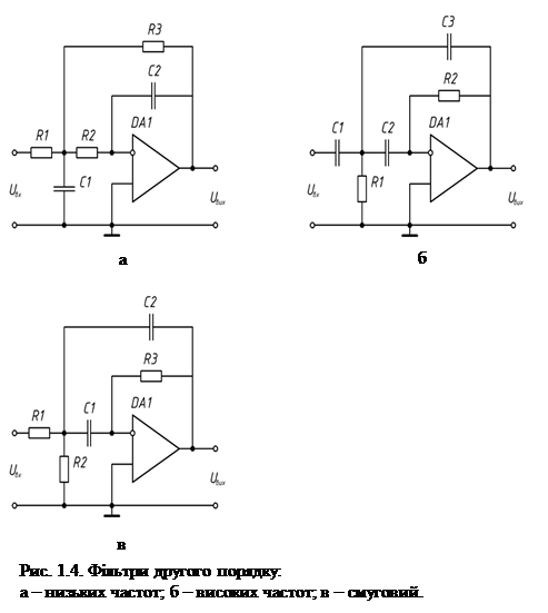
Найпростіші активні фільтри мають малу крутизну спаду ЛАЧХ, що свідчить про погані виборчі властивості. Для поліпшення вибірковості треба підвищувати порядок передавальних функцій за рахунок введення додаткових Активні фільтри низьких, високих частот та смуговий фільтри другого порядку наведені на рис. 1.4, а, б, в. У них при відповідному виборі номіналів резисторів і конденсаторів нахил асимптот
Для смугового фільтра рис. 1.4, в резонансна частота
Для фільтрів низьких і високих частот частоти, що характеризують «початок» зрізу або його «завершення», рівні
Вигляд їх частотної характеристики залежить від параметрів компонентів. Вона маже бути монотонно спадаючою або наростаючою, або мати немонотонний вигляд та підйом поблизу частоти Достатньо часто смугові фільтри другого порядку реалізують за допомогою мостових ланцюгів. Найбільш розповсюджені подвійні
Мостові ланцюги включені в ланцюг від’ємного та додатного ЗЗ. У випадку подвійного Резонансну частоту подвійного Для отримання режекторного фільтру подвійний Якщо виникне необхідність перестройки активного фільтру в широких межах, то зазвичай використовують міст Віна, у якого резистори Зі здешевленням і випуском декількох ОП в одному корпусі почали широко застосовувати декілька активних фільтрів низьких порядків, об’єднаних між собою в єдину замкнену систему. Приклад побудови такого фільтру показаний на рис. 1.5, г. В його склад входять суматор на ОП Асимптоти мають нахил В електронних ланцюгах крім розглянутих використовують фазові фільтри. Вони мають незалежний від частоти коефіцієнт передачі і пропорційний їй фазовий зсув вихідного сигналу. В якості фазових фільтрів можна використовувати фазозсуваючі пристрої. Електронні ланцюги, в яких періодичні зміни напруги та струму виникають без прикладення до них додаткових періодичних сигналів, називаються автономними автоколивальними ланцюгами, а пристрої, виконані на їх основі, – автогенераторами або генераторами коливань відповідної форми. Ці ланцюги треба розглядати як перетворювачі енергії джерела живлення постійного струму в енергію періодичних коливань. Автогенератори можна розділяти на генератори імпульсів і генератори синусоїдальних коливань. Генератори імпульсів в залежності від форми вихідної напруги ділять на генератори: напруги прямокутної форми (ГПН); напруги експоненціальної форми; напруги, що лінійно змінюється (ГЛЗН); напруги трикутної форми; ступінчастої напруги; імпульсів, вершина яких має дзвіноподібну форму (блокінг–генератор). Генератори синусоїдальних коливань класифікують по типу коливальної системи і ділять на: Для отримання незатухаючих коливань у всіх названих автогенераторах використовуються компоненти електроніки, на вольт–амперних характеристиках яких мається або створена за допомогою ланцюга додатного ЗЗ ділянка з від’ємним диференціальним опором. В більшості автогенераторів використовуються електронні підсилювачі з додатнім ЗЗ. При додатному ЗЗ, коли фазовий зсув по петлі підсилювач–ланцюг зворотного зв’язку При наявності в петлі підсилювач–ланцюг зворотного зв’язку елементу, накопичуючого енергію, наприклад конденсатора, підсилювач з додатнім ЗЗ не має жодного стійкого стані генерує періодично змінюючюся напругу. Генератори імпульсів, що складаються з широкосмугових електронних підсилювачів, охоплених додатнім зворотнім зв’язком, глибина котрого залишається майже постійною у широкій смузі частот, і мають в петлі зворотного зв’язку елементи, що накопичують енергію, називаються мультивібраторами. 2.1 Підсилювальні каскади на біполярних транзисторах Таблиця 2.1
Напруга живлення схеми Схеми підсилювальних каскадів зображені на рис. 2.1.
2.1.2.1 Транзистор обирається з вимоги забезпечення необхідної амплітуди вихідного сигналу
де В табл. 2.2 наведені параметри обраного транзистора МП39. Таблиця 2.2
2.1.2.2 Опір резисторів
де Таким чином:
обираємо
Тоді можна розрахувати ємність конденсаторів
2.1.2.3 На родині вихідних характеристик транзистора будується лінія навантаження по постійному струму і визначається положення точки спокою (
Робоча точка
При розрахунках необхідно брати значення не враховуючи знак. 2.1.2.4. Опір резисторів
2.1.2.5 Ємність роздільних конденсаторів
де Розрахунок ємностей роздільних конденсаторів. Спочатку необхідно виконати розрахунок допоміжних параметрів:
Розрахунок ємностей:
2.1.3 Кінцеві схеми з вказаними номіналами елементів. Схеми зображені на рис. 2.4.
Дані схеми є досить простими: в них немає стабілізації режиму транзисторів та іншого. Через це вони мають обмежене застосування в підсилювачах. 2.2 Активні RC–фільтри нижніх частот Частота зрізу Схеми фільтрів наведені на рис. 2.5. Параметри компонентів схеми для фільтрів нижніх частот 1–го порядку
Для фільтрів нижніх частот 2–го порядку
В якості операційного підсилювача можна взяти модель К140УД9. 2.2.3 Кінцеві схеми з вказаними номіналами елементів Схеми фільтрів першого та другого порядків наведені на рис. 2.6.
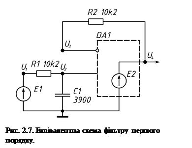
2.2. 4 Розрахунок амплітудно-частотних характеристик схем Схема активного фільтра першого порядку (див. рис. 2.6, а) являє собою пасивний
для розрахунку АЧХ приймається
АЧХ у логарифмічному масштабі (ЛАЧХ) визначається як
Графік ЛАЧХ наведений на рис. 2.8.
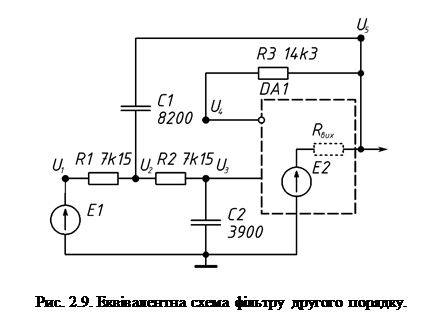
Для розрахунку АЧХ фільтру другого порядку (див. рис. 2.6, б) необхідно скласти систему рівнянь за методом вузлових потенціалів для схеми рис. 2.9. Знехтувавши певними елементами (в тому числі вхідним опором ОП) залишили
Складаємо систему рівнянь у матричному вигляді за методом вузлових потенціалів
врахуємо, що
де Тоді
Розв’язавши систему рівнянь можемо визначити коефіцієнт передачі у частотній області
Якщо прийняти, що
АЧХ має вигляд
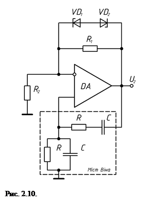
Графік ЛАЧХ для даного фільтру наведений на рис. 2.8. 2.2.5 Висновки З графіків АЧХ видно (див. рис. 2.8), що обидва фільтра мають частоту зрізу близьку до заданої в умові Частота генерації Вихідна напруга Схема генератора представлена на рис. 2.10.
Генератор з мостом Віна. В схемі (рис. 2.10) RC–генератора використовується частотно–залежний позитивний зворотній зв'язок (міст Віна) і частотно–незалежний негативний зворотній зв'язок (НЗЗ) за допомогою резисторів Вибір та розрахунок допоміжних параметрів. Приймаємо
Обрана модель операційного підсилювача: К140УД9 Вхідний струм Різниця вхідних струмів Вхідний опір Напруга зміщення нуля Коефіцієнт підсилення напруги Коефіцієнт ослаблення синфазних вхідних напруг Частота одиничного підсилення Вихідний опір Максимальний вихідний струм Максимальна вихідна напруга Максимальна вхідна диференціальна напруга Напруга живлення Струм споживання Вибір стабілітрона:
таку напругу стабілізації має стабілітрон КС139А. Розрахунок опорів та ємностей
Резистори
де Обираємо
При таких значеннях опорів вказані вище умови виконуються:
2.3.3 Кінцева схема з вказаними номіналами елементів Схема представлена на рис. 2.11. 2. 3.4 Амплітудно-частотна характеристика фазозсуваючого ланцюга Для визначення АЧХ ланцюга (рис. 2.12) представимо його у більш загальному вигляді в частотній області (рис. 2.13). Де
Тоді вихідну напругу можна розрахувати виходячи з уявлень про дільник напруги
А коефіцієнт передачі
АЧХ
Графік АЧХ наведений на рис. 2.14.
Як видно з АЧХ (див. рис. 2.14), міст Віна являє собою смуговий фільтр, тому при використанні в ланцюгу зворотного зв’язку генератора дозволяє генерацію лише певних частот. Використання операційних підсилювачів в різноманітних схемах дозволяє спростити розрахунок цих схем, адже на відміну від транзисторів та інших дискретних активних елементів, операційні підсилювачі мають параметри близькі до ідеальних (надзвичайно великий вхідний опір, малий вихідний опір, дуже велике значення коефіцієнту підсилення та відсутність власного зворотного зв’язку). На ОП можна будувати звичайні підсилювачі, фільтри, генератори, інвертори імпедансу та інші схеми, до того ж в інтегральному виконанні. В той час як розрахунок найпростішої схеми на одному транзисторі потребує застосування графоаналітичного методу і в цілому є дуже складним. 1. Терещук Р.М, Терещук К.М., «Полупроводниковые приемно-усилительные устройства». «Наукова думка», Киев, 1987. 2. Гусев В.Г., Гусев Ю.М., «Электроника». «Высшая школа», Москва, 1991. 3. Галкин В.И., Булычев А.Л., «Полупроводниковые приборы». «Беларусь» Минск 1987.
|
|||||||||||||||||||||||||||||||||||||||||||||||||||||||||||||||||||||||||||||||||||||||||||||||||||||||||||||||||||||||||||||||||||||||||||||||||||||||||||||||||||||||||||||||||||||||||||||||||||||||||||||||||||||||||||||||||||||||||||||||||||||||||||||||||||||||||||||||||||||||||||||||||||||||||||||||||||||||||||||||||||||||||||||||||||||||||||||||||||||||||||||||||||||||||||||||||||||||||||||||||||||||||||||||||||||||||||||||||||||||||||||||||||||||||||||||||||||||||||||||||||||||||||||||||||||||||||||||||||||||||||||||||||||||||||||||||||||||||||||||||||||||||||||||||||||||||||||||||||||||||||||||||||||||||||||||||||||||||||||||||||||||||||||||||||||||||||||||||||||||||||||||||||||||||||||||||||||||||||||||||||||||||||||||||||||||||||||||||||||||||||||||||||||||||||||||||||||||||||||||||||||||||||||||||||||||||||||||||||||||||||||||||||||||||||||||||||||||||||||||||||||||||||||||||||||||||||||||||||||||||||||||||||||||||||||||||||||||||||||||||||||||||||||||||||||||||||||||||||||||

.

;
;
.
.
;
.

;
;
,
,
;
;
;
,
.
,
,
,
,
, 
, 
, 
,


,
.
.
,
,
,
.
,
.

,
;