Курсовая работа: Проектирование консольного поворотного крана на неподвижной колонне
|
Название: Проектирование консольного поворотного крана на неподвижной колонне Раздел: Рефераты по транспорту Тип: курсовая работа | |||||||||||||||||||||||||||||||||||||||||||||||||||||||||||||||||||||||||||
| Федеральное агентство по образованию Государственное образовательное учреждение высшего профессионального образования «Тульский государственный университет»
Кафедра «подъемно-транспортные машины и оборудование» ПОЯСНИТЕЛЬНАЯ ЗАПИСКА к курсовому проекту по дисциплине «ПТ и ПМ» «Проектирование консольного поворотного крана на неподвижной колонне»
Тула 2008 Содержание: Введение 1. Режимы работы ГПМ 2. Расчет механизма подъема 3. Расчет механизма поворота крана 4 Расчёт приводной тележки электротали Список литературы Приложение Введение Грузоподъёмные и транспортирующие машины являются неотъемлемой частью совершенного производства, так как с их помощью осуществляется механизация основных технологических процессов и вспомогательных работ. В поточных и автоматизированных линиях роль подъёмно - транспортных машин возросла, и они стали органической частью технологического оборудования, а влияние их на технико-экономические показатели предприятия стало весьма существенным. Увеличение производительности и улучшение технико-экономических показателей подъёмно - транспортных машин, повышение их прочности, надёжности и долговечности неразрывно связано с применением новейших методов расчёта и конструирования. Современное производство грузоподъёмных машин основывается на создание блочных и унифицированных конструкций. Применение блочных конструкций позволяют выпускать узел механизмов в законченном виде, что приводит отдельных цехов и заводов. Применение блочных конструкций позволяет легко отделить от машины узел, требующий ремонта, без разборки смежных узлов. Принцип унификации и блочности создаёт основу для серийного производства подъёмно - транспортных машин. Грузоподъёмные машины по назначению и конструктивному исполнению весьма разнообразны. В данном курсовом проекте рассмотрен поворотный кран-стрела с электроталью. Данный вид крана широко используется на машиностроительных предприятиях для разгрузки и погрузки, передачи изделий с одной технологической операции на другую и многое другое. Исходные данные: Стреловой полуповоротный кран. 1. Режимы работы ГПМ 1. Тип ГПМ стреловой полноповоротный кран. Срок службы 15 лет, число рабочих смен в сутки - 1, продолжительность рабочей смены – 7 часов. Характер обрабатываемых грузов – штучные грузы. 2. График загрузки механизма во времени.
График использования механизма по времени. Класс использования зависит от общего времени работы механизма за весь срок его службы. Время работы механизма:
где
В соответствии с таблицей 1.3 [1] класс использования данного механизма А4. Класс нагружения характеризуется коэффициентом нагружения, который вычисляется по формуле:
где
В соответствии с таблицей 1.4 [1] класс нагружения В1 (работа при нагрузках значительно меньших номинальных и в редких случаях номинальных). В соответствии с таблицей 1.2 [1] класс использования 3М . Режим работы механизма по ГОСТ 25835-83 – Т. 2. Расчёт механизма подъёма груза В качестве механизма подъема используется электроталь. Они предназначены для выполнения погрузочно-разгрузочных работ. Перемещаются по нижней полке двутаврового монорельса. Электротали выполняют грузоподъемностью 0,25; 0,5; 1; 2; 3; 5; 8 тон.
Рис. Электроталь Общий расчёт механизма подъёма груза включает выбор крюковой подвески, полиспаста, двигателя, редуктора, муфт, тормоза; выбор и расчёт каната, расчёт барабана и крепления концов каната. Исходные данные: 2.1 Выбор кинематической схемы механизма Кинематическая схема механизма подъёма груза. Схема подвески груза выбирается в зависимости от типа крана, его грузоподъемности, высоты подъема груза, типа подвесного грузозахватного устройства и кратности полиспаста. Используя табл. 2.1[1], выбираю – тип полиспаста сдвоенный.
где
Для кранов стрелового типа при грузоподъемности от 2000 до 6000 кг кратность полиспаста i П = 2. Учитывая тип крана и необходимость обеспечения подъема груза без раскачивания и равномерного нагружения всех сборочных единиц механизма подъема принимаем подвеску груза через одинарный полиспаст и изображаем схему подвески груза на рис. 1.1.
Рис. 1.1 Схема механизма подъёма 1 – электродвигатель; 2 – тормоз, 3 – редуктор, 4 – муфта, 5 – барабан; 6 – крюковая подвеска.
2.2 Выбор каната Усилие в канате набегающем на барабан при подъёме груза:
где
2.2.1 Расчёт канатов на прочность Расчёт стальных канатов на прочность производиться согласно правилам Госгортехнадзора. Расчётное разрывное усилие каната: произведение максимального усилия в канате на коэффициент запаса прочности не должно превышать разрывного усилия каната в целом:
Выбор типа каната. Выбираю шестипрядный стальной канат двойной свивки с органическим сердечником тип ЛК-Р Диаметр каната13,0 мм
, Расчётная площадь сечения проволок 61 2.2.2 Проверка типоразмера каната - должно выполняться соотношение между диаметром выбранного каната и диаметром блока крюковой подвески:
- фактический коэффициент запаса прочности каната не должен превышать табличного:
Данные условия выполняются. 2.3 Выбор крюковой подвески Используя приложение 1 [1], выбираю крюковую подвеску: ГОСТ 24.191.08-81 Типоразмер по стандарту 1-5-406,
Рис. 1.2 Крюковая подвеска 2.4 Определение основных размеров сборочной единицы «Установка барабана»
Схема установки барабана.
Выбираю тип установки барабана, предназначенного для одинарного полиспаста. Диаметр барабана Принимаю диаметр барабана Определение диаметра барабана по дну канавок:
Уточнённый диаметр барабана Определение диаметра максимальной окружности описываемой максимальной точкой установки барабана,
Определение длины барабана:
где
Длина гладкого концевого участка, необходимого для закрепления заготовки барабана в станке при нарезании канавок определяется:
Длина барабана: Определение высоты оси барабана относительно основания вершины опоры: Определение толщины стенки барабана. Толщина стенки литого чугунного барабана должна быть не менее Принимаю толщину стенки барабана Проверку стенки барабана от совместного сжатия, изгиба и кручения выполняют, если lб
≥3D в нашей работе
2.4.1 Расчет крепления каната к барабану Принимаем конструкцию крепления каната к барабану прижимной планкой, имеющей трапециевидные канавки. Канат удерживается от перемещения силой трения, возникающей от зажатия его между планкой и барабаном двумя болтами. Натяжение каната перед прижимной планкой:
где е=2,72 φ=0,1…0,16 – коэффициент трения между канатом и барабаном, принимаем φ=0,15; α – угол обхвата канатом барабана, принимаем α=4π Усилие растяжения в каждом болте:
Суммарное напряжение в болте при затяжке крепления с учетом растягивающих и изгибающих усилий:
d1 – внутренний диаметр болта М12, изготовленного из стали Ст.3;
l=26 мм – длина болта от барабана до гайки.
n – коэффициент запаса надежности крепления каната к барабану, n≥1.5; принимаем n=1.5; z=2 – количество болтов.
2.5 Выбор двигателя
2.5.1 Определение максимальной статической мощности:
где
2.5.2 Выбор серии двигателя Номинальную мощность двигателя можно принять равной или на 20-30% меньше статической мощности По таблице III.3.7 [2] выбираю – крановый электродвигатель серии MTK 111-6 с короткозамкнутым ротором 50Гц
220/380В
, имеющего при ПВ=15% мощность 4,5кВт
и частоту вращения 825
2.5.3 Выбор типа редуктора Скорость наматывания каната на барабан:
Определение частоты вращения барабана:
Общее передаточное число привода механизма:
Для редукторов, расчётная мощность на быстроходном валу равна:
где
Редуктор типа ЦЗУ-200, для него
Выбираю по табл.П.5.8 [1] цилиндрический трехступенчатый редуктор типа ЦЗУ-200. Техническая характеристика:
L=775мм, L1
=650 мм, l=236 мм, A=580 мм, H=425 мм, B=250 мм, Крутящий момент на входе в редуктор:
2.5.4 Выбор соединительной муфты Расчётный момент муфты:
где
Момент статического сопротивления, в период пуска с учётом того, что на барабан навивается две ветви каната, определяется по формуле:
где
Номинальный момент, передаваемый муфтой, принимается равным моменту статического сопротивления
Определение номинального момента на валу двигателя:
По табл. 3.5.1 [2], подбираю муфту: ГОСТ 20761-80, 2.5.5 Выбор тормоза
Рис. Расчетная схема тормоза. Момент статического сопротивления на валу двигателя при торможении механизма определяется:
где
По правилам Госгортехнадзора момент, создаваемый тормозом, выбирается из условия:
где
По таблице 3.5.12 [2], выбираю тормоз ТКТ-300, имеющего характеристики: диаметр тормозного шкива 300мм
, Наибольший тормозной момент 500 2.5.6 Проверка двигателя на время пуска У механизма подъёма груза фактическое время пуска при подъёме груза:
где
Для двигателей фазным ротором:
Фактическая частота вращения барабана:
Фактическая скорость подъёма груза:
Время пуска, должно соответствовать значениям, приведённым в таблице 1.19 [2], для механизма подъёма при скоростях более 0.2 У механизма подъёма груза фактическое время торможения при опускания груза:
Время торможения механизма, должно соответствовать значениям, приведённым в таблице 1.19 [2], для механизма подъёма при скоростях более 0.2 Определение ускорения механизма при пуске механизма:
Проверка ускорения производиться по таблице 1.25 [2], наибольшие допускаемые ускорения механизмов подъёма составляют 0.2..0.6
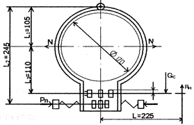
3. Механизм поворота крана Выбор и расчет колонны. вес тали: 4,9 кН Вес поворотной части крана Тлов =mуд *Q*L mуд – удельная металлоёмкость =0,25Т/(Тм) Тлов =0,25*2,5*6=3,75 Слов =3,75*9,8=36,75 кН
М4 =(GT +G)(Gпов -Gт )*1,8=176,4+57,33=233,73 Диаметр колонны
В качестве материала для колонны выбираем сталь 20, для которой [G]=40
принимаем Dк =0,5м Выбор и расчет зубчатой передачи. Принимаем модуль з.п.т.=5, число зубьев ведущей шестерни z=8,тогда диаметр делительной окружности D=40*22.75=910мм число зубьев венца:182 Межцентровое расстояние Rн =1/2(DB +Dm )=475мм Расчет механизма поворота. Определим действующие нагрузки и реакции в опорах: 1. Вертикальная реакция: V=Q+G =4000кг =4т Расчетная нагрузка на подшипник: Qp =k*V=1.4*5000=7000кг где к- коэф. безопасности По расчетной нагрузке(ГОСТ 6874,75)выбираем упорный шарикоподшипник 8216 с допускаемой статической грузоподъемностью Q=7990кг, внутренним диаметром d=40мм, наружным диаметром D=125мм. 2. Горизонтальная реакция: Горизонтальную реакцию H определяем из равенства суммы моментов всех действующих сил относительно точки В.
H= QA+GC
Расчетная нагрузка на подшипник: По расчетной нагрузке на подшипник выбираем однорядный подшипник статической грузоподъемностью 11,1 т внутренним диаметром d=95мм, наружным диаметром D=200мм, высотой В=45мм. 3. Общий статический момент: Общий статический момент сопротивлению равен сумме моментов сил действующих на кран:
где:
Момент сил трения в верхнем подшипнике Мтр (d1)=Нf*d1/2=7500*0.015*0.1475/2=8.3 кг*м где: f=0.015...0.02- приведенный коэф. трения шарикоподшипника. d1=0.1475м- средний диаметр подшипника Момент сил трения в упорном подшипнике: Mтр (d3) = Vf*d3/2=5000*0,015*0,054/2=2,025кг*м Момент сил трения в нижнем радиальном подшипнике: т.к. d1=d2, то Мтр (d2)=Нf*d2/2=8,3кг*м Момент сил, возникающих от наклона крана: Му (QF+Gc )*sin a=(2.5*6+2.5*1.5)0.02=0.375м где а- угол наклона, принимаем а=1 Общий статический момент:
4. Момент сил инерции, при пуске привода:
где: Iв - суммарный момент инерции масс груза, крана, механизма поворота, приведенной к оси вращения крана. Iв =δ(Iтр +Iкр )= 1,2(9172,8+573,3)=11695кг*м*с2 Iтр = mгр* А2 =254,8*62 =9172,8 кг*м*с2 Iкр = mкр* ε2 = 254,8*1,52 =573,3 кг*м*с2 mкр =Gкр /s =2500/9,81=254,8 кг*с*м*с2 ωк - угловая скорость поворота ωк = π*nкр /30= 3,14*1/30=0,105 рад/с Расчетная мощность двигателя
где ψср =1,5....1,8- средний коэф. перегрузки асинхронных двигателей с фазным ротором принимаем 1,65 По каталогу выбираем электродвигатель МТF 112-6 мощностью N=1,7 кВт при ПВ= 25%, n=910 мин-1 , Ми мах =4кг*с*м, Iр = 0,00216 кг*с*м*с2 =0,021кг*м2 Общее передаточное число механизма поворота: Vоб =n/nкр =910/1 =910 Принимаем передаточное число зубчатой передачи Vв =20, тогда передаточное число червячного редуктора
Выбираем стандартный редуктор РУУ- 160-40 и уточняем Vв Vв =910/40=22.75 Проверку выбранного двигателя по условиям нагрева выполняем с использованием метода номинального режима работы. Суммарный момент статического сопротивления повороту приведенный к валу двигателя:
Номинальный момент выбранного двигателя:
Коэф. загрузки двигателя при установившемся режиме:
При α=0,28 находим относительное время пуска t=1,2. Определяем время разгона привода при повороте крана с номинальным грузом:
где : Inp- суммарный момент инерции вращающихся масс механизма поворота крана, массы груза и массы вращающейся части крана, приведённый к валу двигателя
где: Iмех - момент инерции вращающихся масс механизма поворота крана
Iгр - момент инерции массы груза, приведённой к валу двигателя
I кр = момент инерции массы вращающейся части крана, приведенной к валу двигателя.
Тогда:
Время разгона привода:
Ускорение конца стрелы при пуске :
Время рабочей операции при среднем угле поворота а = 90° (1/4 оборота)
Определяем отношение
Находим
Необходимая мощность:
Эквивалентная мощность:
Номинальная мощность:
Следовательно, выбранный электродвигатель MTF 112-6 удовлетворяет условиям нагрева. При перегрузке двигатель должен удовлетворять условию нагрева:
где: Мл и Мн - пусковой и номинальный моменты двигателя. Пусковой момент:
где: М'ст - суммарный статический момент сопротивления вращению Мд динамический момент от вращательно движущихся масс механизма и крана Мд - динамический момент от вращательно движущейся массы груза
тогда Коэффициент перегрузки двигателя при пуске
Определение максимальной нагрузки в упругих связях механизма поворота. Максимальный момент в упругой связи в период пуска:
где :
Коэффициент динамичности:
Определение тормозного момента и выбор тормоза. Принимаем время торможения tr = 6с, Линейное замедление конца стрелы : а = εт -А = 0,021-6 = 0,105м/с2
Тормозной момент:
Тогда
Выбираем двух колодочный тормоз ТКТ - 200/100 с тормозным моментом Мт = 4 кгс-м, который обеспечивает торможение крана за более короткое время. Следовательно, его нужно отрегулировать на нужный тормозной момент.
Расчёт муфты предельного момента
Максимальный крутящий момент:
где: Мп = 2,02 - пусковой момент Vp = 40 - передаточное число редуктора ηp = 0,8 . к.п.д. червячной пары
Рис Расчётная схема фрикциона Расчётный момент фрикциона: Mp = R-Mmax = 11,6 кгс*м где: R = 1,2..1,4 - коэффициент расчётной силы динамической нагрузки при работе червячной пары. Руководствуясь ориентировочными данными по расчёту червячных передач, принимаем средний диаметр в = 300мм, угол при вершине β=16° Необходимое усилие пружины:
где: f- коэффициент трения бронзы по стали в условиях смазки f = 0,06 Предельное усилие пружины: Рпредел = (1,3..1,6)р = 1,3-600 = 780 кгс Коэффициент 1,3... 1,6 учитывает возможные изменения величины момента при регулировках. Диметр прутка пружины рассчитываем на кручение :
где: R =1,4 - коэффициент кривизны витка, зависящий от отношения диаметра витка пружины к диаметру прутка.
- отношение среднего диаметра пружины к диаметру прутка. Средний диаметр пружины:
Рабочая длина пружины:
Наименьший допустимый зазор между витками пружины:
Число рабочих витков пружины:
где: t = в + s = 14,5мм - шаг ненагруженной пружины. Предельная длина пружины:
Определяем усадку пружины при её нагружении из соотношения :
Длина пружины в рабочем состоянии :
Наибольший и наименьший диаметры конусов:
Давление на рабочей поверхности конуса:
4. Расчёт приводной тележки электротали
Имеются два редуктора - правый и левый, соединённых между собой тремя стяжками. На правом редукторе, являющимся ведущим, закреплён электродвигатель механизма передвижения. Колёса тележки установлены на выходных валах редукторов. Приводная и холостая тележка присоединены шарнирно к траверсе, образуя механизм передвижения тали. Полное сопротивление передвижению электротали, складываются из сопротивлений от трения при движении и от уклона пути. Груз перемещается электроталью по двутавровой балке на расстояние см. Допустимый местный уклон, отношение стрелы прогиба к расстоянию между двумя опорами в = 0,003 Сопротивление движению от трения
Go = 470 кгс - вес электротали Dk = 17,5 см - диаметр ходового колеса d = 4 см - диаметр цапфы μ = 0,04 см f = 0,015 - коэффициент трения в шарикоподшипниках опоры Rτ = 2,5...3 - коэффициент учитывающий дополнительные сопротивления от трения реборд и торуов ступени ходовых колёс. Сопротивление движению от уклона пути:
Статическая мощность для перемещения тележки с грузом
ηm = 0,85 - кпд передачи при полной нагрузке Принимаем электродвигатель типа АОЛ - 22 - 4мощностью N = 0,4 кВт n = 1410 мин-1 ω = 147,6 рад/с Mmax/Мн = 2,2 J1 = 0,000201 кгс • м • с2 Частота вращения ходового колеса:
Передаточное число редуктора:
Фактическое передаточное число редуктора:
Фактическая скорость движения тележки:
Номинальный момент двигателя:
Статический момент при нагружение тележки:
Момент электродвигателя при пуске:
Максимальный момент электродвигателя при пуске принимают равным наибольшему значению, указанному в каталоге, с учётом падения напряжения в сети до 10%, т.е.
Средний момент электродвигателя при пуске:
Приведённый момент инерции тележки механизма передвижения с грузом:
где:
J ш = 0,00005 кгс-м-с2 - момент инерции шестерни, закреплённой на валу электродвигателя. Время пуска двигателя:
Путь тележки с грузом за время её разгона:
Сила сопротивления передвижению электротали без груза:
Момент сопротивления передвижению электротали без груза:
Приведённый момент инерции механизма передвижения без груза:
Время пуска электродвигателя при незагруженной электротали:
Путь тележки без груза за время её разгона:
Среднее ускорение при пуске механизма передвижения с грузом и без груза:
Коэффициент запаса сцепления нагруженной электротали:
где: Сш =1835 кгс - суммарная сила давления двух приводных колёс на рельсы электротали с грузом φ = 0,20 - коэффициент сцепления колеса с рельсом механизмов, работающих в закрытых помещениях nk - общее число колёс nпр - число приводных колёс Список литературы 1. Курсовое проектирование грузоподъемных машин, под редакцией Казака С.А, 1989 2. Металлургические подъемно-транспортные машины: Методические указания к курсовому проектированию /Ю.В. Наварский. Екатеринбург: УГТУ, 2001. 84 с. 3. Подъемно-транспортные машины: Атлас конструкций: Учебное пособие для студентов втузов /В.П. Александров, Д.Н. Решетов, Б.А. Байков и др.; Под. ред. М.П. Александрова, Д.Н. Решетова.-2-е изд., перераб. и доп. – М: Машиностроение, 1987.-122 с., ил. 4. Справочник конструктора машиностроителя: В 3-х т.-5-е изд., перераб. и доп. – М: Машиностроение, 1987.-557 с., ил. |
|||||||||||||||||||||||||||||||||||||||||||||||||||||||||||||||||||||||||||

, (1.2)


, (2.2)
, (2.4)
,



, 
, (2.14)
, (2.17)
, (2.19)
, (2.22)








