| 1 Введение
В настоящее время довольно сложно представить современную строительную площадку без работающих на ней башенных кранов. Несмотря на то, что современные башенные краны появились сравнительно недавно, сегодня их помощь незаменима при выполнении сложнейших погрузочно-разгрузочных операций, а также во время транспортировки грузов. Цели и задачи, которые стоят перед башенными кранами, могут быть различны. Среди ассортимента башенных кранов есть: автокраны, краны с подъемной стрелой, краны без оголовка стрелы с изменяемой высотой башни, самомонтирующиеся мини-краны и традиционные краны с балочной стрелой.
В последнее время прослеживается тенденция ведения строительства на вторичных участках. Это привело к тому, что подрядчики, для того чтобы максимально сократить сроки строительства, все чаще прибегают к использованию в своей работе самомонтирующихся кранов небольших размеров.
Аренда башенного крана с каждым днем становится все более востребованной услугой, что в свою очередь привело к появлению достаточно большого числа компаний, ее оказывающих. Так достать башенный кран уже не является проблемой, и все большее число людей приходит к мысли, что, чем каждую неделю оставлять заявку на заказ самоходного крана, лучше арендовать кран, который окажется в нужном месте и в нужное время. К тому же это не только увеличивает скорость строительства, но и позволяет значительно сэкономить. Благодаря широкому распространению генераторов перед строителями не встает вопрос обеспечения башенных кранов электричеством.
На строительной площадке с небольшой площадью решение использовать компактные городские башенные краны будет самым верным.
Верхнеповоротные краны сегодня пользуются особой популярностью не только благодаря простоте монтажа и установки, осуществляемых при помощи самоходного крана грузоподъемностью 50-70 тонн. Все дело в уникальной конструкции, оснащенной дополнительной секцией, которая позволяет выполнить работу даже в том случае, если застройщик не принял во внимание высоту деревьев. Если самомонтирующийся кран не поможет в такой ситуации, то верхнеповоротный кран без проблем справится с задачей.
За счет простоты конструкции и несложной сборки в центре внимания строителей оказался еще один вид башенных кранов - гидравлические башенные краны с поднимаемой стрелой. В сложенном состоянии стрела даже не выступает за установленный размер, что служит еще одним плюсом башенных кранов.
2 Расчет механизма подъема груза
Механизм подъёма груза предназначен для перемещения груза в вертикальном направлении. Он выбирается в зависимости от грузоподъёмности.
Привод механизма подъёма и опускания груза включает в себя лебёдку механизма подъёма. Крутящий момент, создаваемый электродвигателем передаётся на редуктор через муфту. Редуктор предназначен для уменьшения числа оборотов и увеличения крутящего момента на барабане.
Барабан предназначен для преобразования вращательного движения привода в поступательное движение каната.
2.1 Исходные данные:
Масса грузозахватного устройства с грузом ;
Скорость подъема груза ;
Высота подъема ;
Режим работы весьма тяжелый: .

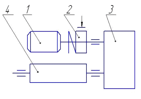
1- электродвигатель;
2- муфта с тормозным барабаном;
3- редуктор;
4- грузовой барабан.
Рисунок 1- Схема механизма подъема козлового крана
2.2 Выбор каната обводных блоков и барабана
2,2,1 Расчет усилия в канате при подъеме груза
Принимается механизм подъема со сдвоенным полиспастом:
, где
- масса грузозахватного устройства с грузом;
- кратность полиспаста;
- КПД полиспаста;
- количество полиспастов,

2.2.2 Расчет каната на прочность:
, где
- максимальное усилие в канате;
- коэффициент запаса прочности;

Выбран канат по ГОСТ 2688 – 80, двойной свивки типа ЛК – Р, конструкции , диаметром 15 (мм), с разрывным усилием , маркировочной группы 1764 МПа из проволоки с покрытием. Канат грузовой 1 – ой марки, прессовой свивки нераскручивающийся.
Канат: 15– Г – 1 – Н – 1764 ГОСТ 2688 – 80.
, где
- разрывное усилие каната;
- расчетное разрывное усилие в канате.
;
;
;
Коэффициент фактического нагружения больше допускаемого, следовательно, условие прочности не нарушается.
2.2.3 Требуемый диаметр барабана и блоков:
, где
d
–
диаметр каната;
e
–
коэффициент режима работы;
,
,
,
Выбран барабан БК 400, имеющий диаметр 
Выбрана подвеска для подсоединения грузового захвата грузоподъемностью 8т , диаметр блока D=400мм, расстояние между блоками В=266мм
2.2.4 Длина каната навиваемого на барабан с одного полиспаста:
, где
- кратность полиспаста;
- диаметр барабана;
- число не используемых витков;
- число витков находящихся под зажимом на барабане;
- высота подъема.

2.2.5 Рабочая длина барабана для навивки каната с одного полиспаста:
, где
- шаг витка нарезки на барабан (справочник по расчетам мех-ов ПТМ)
- количество слоев навивки;
- коэффициент плотности навивки для гладкого барабана;
- диаметр барабана;
- диаметр каната;
- длина каната.

2.2.6 Расчет полной длины барабана:
.
2.2.7 Расчет минимальной толщины стенки барабана (для литого чугунного барабана):
, где
- требуемый диаметр барабана по дну канавки;
;
Толщина стенки
.
Толщина барабана принимается 10 мм.
Расчет напряжения сжатия стенки барабана:
Материал СЧ 15

, где
- усилие в канате;
- шаг нарезки барабана;
- толщина стенки барабана.


- условие допускаемого напряжения соблюдается.
2.2.8 Расчет статической мощности и выбор электродвигателя:
, где
- масса груза и захвата;
- скорость поднимаемого груза;
- общий КПД привода,

Выбран двигатель MTF, с фазным ротором MTF 412-6:
Мощность на валу при 
- частота вращения электродвигателя;
- максимальный момент электродвигателя;
- момент инерции;
- масса электродвигателя.
2.2.9 Расчет частоты вращения барабана:
, где
- скорость поднимаемого груза;
- кратность полиспаста;
- диаметр барабана

2.2.10 Расчет передаточного числа привода:

2.2.12 Расчет мощности и выбор редуктора:
, где
- коэффициент учитывающий условия работы редуктора;
,
- мощность электродвигателя.
Выбран цилиндрический горизонтальный 2 – х ступенчатый редуктор:
Ц 2 – 400, который имеет:
- передаточное число;
при и весьма тяжелом режиме работы.
2.2.12 Расчет статического момента сопротивления на валу электродвигателя в момент пуска при подъеме груза:
, где
- число ветвей каната закрепленных на барабане;
- передаточное число привода;
- требуемый диаметр барабана по дну канавки;
- КПД барабана;
- КПД привода механизма подъема.
.
2.2.13 Номинальный крутящий момент на валу электродвигателя:
, где
- мощность электродвигателя;
- частота вращения вала электродвигателя.

2.2.14 Расчет крутящего момента и выбор соединительной муфты:
, где
- коэффициент, учитывающий степень ответственности механизма;
- коэффициент, учитывающий режим работы механизма.
,
Выбрана муфта упругая втулочно-пальцевая МУВП №1 с тормозным шкивом:
Наибольший передаваемый крутящий момент ;
- диаметр тормозного шкива;
- ширина тормозного шкива;
- масса;
- момент инерции муфты.
2.2.15 Расчет момента инерции вала электродвигателя и муфты:
, где
- момент инерции муфты;
- момент инерции вала электродвигателя.
.
2.2.16 Расчет средне-пускового момента электродвигателя:
, где
- максимальная кратность пускового момента электродвигателя;
- минимальная кратность пускового момента электродвигателя;
.
2.2.17 Время пуска электродвигателя при подъеме груза:
, где
- коэффициент, учитывающий влияние вращающихся масс привода (кроме массы вала электродвигателя);
- средне-пусковой момент электродвигателя;
- статический момент сопротивления на валу электродвигателя в период пуска при подъеме груза;
- момент инерции вала электродвигателя и муфты;
- частота вращения вала электродвигателя;
- КПД привода;
- скорость подъема груза.
.
2.2.18 Расчет фактической частоты вращения барабана:
, где
- частота вращения вала электродвигателя;
- передаточное число редуктора;
.
2.2.19 Расчет фактической скорости подъема груза:
, где
- фактическая частота вращения барабана;
- кратность полиспаста;
- рассчитанный диаметр барабана;
,
Фактическая скорость подъема должна отличатся от заданной не более чем на 10%:
,
,
Условие допускаемого отклонения скорости подъема груза соблюдается.
2.2.20 Расчет ускорения груза в процессе пуска при подъеме груза:
, где
- фактическая скорость подъема груза;
- время пуска электродвигателя,
,
,
- допускаемое ускорение при подъеме груза,
,
Условие допускаемого ускорения при подъеме груза выполняется.
2.2.21 Проверка электродвигателя на нагрев:
2.2.22(а) Расчет усилия в канате при опускании груза:
, где
- масса груза и грузозахватного устройства;
- число полиспастов в механизме;
- кратность полиспаста;
- КПД полиспастов и блоков;
.
2.2.22(б) Расчет статического момента на валу электродвигателя в период пуска при опускании груза:
, где
- усилие в канате;
- диаметр барабана;
- передаточное число редуктора;
- КПД барабана;
- КПД привода;
.
2.2.22(в) Время пуска электродвигателя при опускании груза:
, где
- коэффициент, учитывающий влияние вращающихся масс привода (кроме массы вала электродвигателя и муфты);
- средне-пусковой момент электродвигателя;
- статический момент сопротивления на валу электродвигателя в период пуска при опускании груза;
- момент инерции вала электродвигателя и муфты;
- частота вращения вала электродвигателя;
- КПД привода;
- скорость подъема груза.
.
2.2.22(г) Расчет усилия в канате при подъеме крюковой подвески без груза:
, где
- масса грузозахватного устройства;
- число полиспастов в механизме;
- кратность полиспаста;
- КПД полиспастов и блоков;
.
2.2.22(д) Расчет усилия в канате при опускании крюковой подвески без груза:
, где
- масса грузозахватного устройства;
- число полиспастов в механизме;
- кратность полиспаста;
- КПД полиспастов и блоков;

2.2.22(е) Расчет статического момента на валу электродвигателя при подъеме крюковой подвески без груза:
, где
- передаточное число привода;
- требуемый диаметр барабана по дну канавки;
- КПД барабана;
- КПД привода механизма подъема;
- усилие в канате при подъеме крюковой подвески без груза,
.
2.2.22(ж) Расчет статического момента на валу электродвигателя при опускании крюковой подвески без груза:
, где
- усилие в канате при опускании крюковой подвески без груза;
- диаметр барабана;
- передаточное число редуктора;
- КПД барабана;
- КПД привода;
.
2.2.22(з) Время пуска электродвигателя при подъеме одного автостропа:
, где
- масса грузозахватного устройства;
- коэффициент, учитывающий влияние вращающихся масс привода (кроме массы вала электродвигателя);
- средне-пусковой момент электродвигателя;
- статический момент сопротивления на валу электродвигателя в период пуска при подъеме крюковой подвески без груза;
- момент инерции вала электродвигателя и муфты;
- частота вращения вала электродвигателя;
- КПД привода;
- скорость подъема.
.
2.2.22(и) Время пуска электродвигателя при опускании крюковой подвески без груза:
, где
- коэффициент, учитывающий влияние вращающихся масс привода (кроме массы вала электродвигателя и муфты);
- средне-пусковой момент электродвигателя;
- статический момент сопротивления на валу электродвигателя в период пуска при опускании крюковой подвески без груза;
- момент инерции вала электродвигателя и муфты;
- частота вращения вала электродвигателя;
- КПД привода;
- скорость подъема груза.
.
2.2.22(к) Расчет времени установившегося движения:
, где
- средняя высота подъема груза;
- скорость подъема груза;
.
2.2.22(л) Расчет суммарного времени пуска при подъеме и опускании груза:
, где
- время пуска при подъеме груза и крюковой подвески;
- время пуска при опускании груза и крюковой подвески;
- время пуска при подъеме крюковой подвески;
- время пуска при опускании крюковой подвески;
.
2.2.22(м) Общее время включения электродвигателя за цикл:
, где
- число подъемов груза;
- число подъемов без груза;
- суммарное время пуска;
- время установившегося движения;
.
2.2.22(н) Среднеквадратичный момент преодолеваемый электродвигателем:
, где
- средне-пусковой момент преодолеваемый электродвигателем;
- суммарное время пуска;
сумма произведений квадрата момента сопротивлений на время цикла;
- общее время включения за цикл,
.
2.2.22(о) Среднеквадратичная мощность электродвигателя:
,
2.2.22(п) Сравнение средней мощности электродвигателя с его номинальной мощностью:
,
.
Условие проверки электродвигателя на нагрев соблюдено. Выбранный электродвигатель MTF 412-6 подходит.
Моменты развиваемые электродвигателем
и время его пуска.
Таблица 1
| Наименование показателя
|
Обозначение
|
Ед. измерения
|
Результаты расчетов
|
| 8000
|
400
|
| Натяжение каната при подъеме
|
|
|
19818
|
1321
|
| Момент при подъеме
|

|
|
574.9
|
19.2
|
| Время пуска при подъеме груза
|

|

|
0,95
|
0,4
|
| Натяжение каната при опускании
|

|

|
25898
|
1308
|
| Момент при опускании
|

|

|
268.8
|
13.6
|
| Время пуска при опускании
|

|

|
0,19
|
0,36
|
2.2.23 Расчет и выбор тормоза
2.2.23(а) Расчет статического момента сопротивления на валу электродвигателя в момент торможения:
;



;
;
;
.
2.2.23(б) Расчет необходимого тормозного момента и выбор тормоза:
,
- коэффициент запаса торможения;
,
.
Выбран электромагнитный тормоз ТКГ-300, который имеет:
- масса тормоза;
- диаметр тормозного шкива;
- наибольший тормозной момент.
Регулировкой получен требуемый тормозной момент .
2.2.23(в) Время торможения при опускании груза:
, где
- коэффициент, учитывающий влияние вращающихся масс привода (кроме массы вала электродвигателя и муфты);
- необходимый тормозной момент;
- статический момент сопротивления на валу электродвигателя при торможении;
- момент инерции вала электродвигателя и муфты;
- частота вращения вала электродвигателя;
- КПД привода;
- скорость подъема груза.
.
2.2.23(г) Расчет пути торможения:
, где
- скорость подъема груза;
- допустимый знаменатель (весьма тяжелый режим работы),
.
2.2.23(д) Расчет времени торможения, предполагая, что скорости подъема и опускания равны:
,
,
,
Условие допускаемого времени торможения выполняется.
2.2.23(е) Расчет величины замедления груза при торможении:
,
, где
- наибольшее допускаемое замедление механизмов подъема,
,
Условие допускаемого замедления груза выполняется.
3 Расчет механизма передвижения крана
Механизм передвижения крана служит для перемещения крана по рельсам.
3.1 Исходные данные

Рисунок 2 – Схема механизма передвижения башенного крана
Исходные данные:
Масса крана ;
Скорость передвижения крана ;
Масса груза и грузозахватного устройства ;
Режим работы средний: .
3.2Расчет сопротивления крана от статических нагрузок:
, где
- сопротивление движения крана от трения,
- сопротивление движения крана от уклона пути,
- сопротивление движения крана от ветровой нагрузки.
3.2.1(а) Расчет сопротивления движения от трения:
, где
- коэффициент трения реборд и ступиц колес,
- масса крана,
- коэффициент трения в подшипниках вала ходового колеса,
- диаметр ходового колеса,
- диаметр цапфы,
- коэффициент трения качения ходовых колес о рельсы,
.
3.2.2 Расчет сопротивления движения от уклона пути:
- т.к. уклон пути отсутствует.
3.2.3 Расчет сопротивления от ветровой нагрузки:
, где
- сопротивление движения крана от ветра,
- сопротивление движения груза от ветра,
- расчет сопротивления движения крана от ветра, где
- площадь проекции крана,
- распределенная ветровая нагрузка,
, где
- динамическое давление ветра,
- коэффициент учитывающий изменение динамического давления на высоте,
- коэффициент аэродинамической силы,
- коэффициент перегрузки.
,
.
- расчет сопротивления движения крана с грузом от ветра,
- площадь проекции груза,
- распределенная ветровая нагрузка,
, где
- динамическое давление ветра,
- коэффициент учитывающий изменение динамического давления на высоте,
- коэффициент аэродинамической силы,
- коэффициент перегрузки.
,
,
,
.
3.3 Выбор электродвигателя:
3.3.1 Расчет статической мощности электродвигателя:
, где
- сопротивление движения крана от статической нагрузки,
- скорость передвижения крана,
- общий КПД механизма передвижения,
,
Так как привод раздельный, то выбран электродвигатель серии MTKF с краткозамкнутым ротором MTKF 012-6 который имеет:
Мощность на валу: , при ,
Частота вращения вала: ,
Максимальный момент: ,
Пусковой момент: ,
Момент инерции ,
Масса: ,
3.3.2 Расчет номинального момента электродвигателя:
, где
- мощность на валу,
- частота вращения вала,
.
3.4 Выбор редуктора:
3.4.1 Расчет частоты вращения ходового колеса:
, где
- скорость передвижения крана,
- диаметр ходового колеса.
.
3.4.2 Расчет требуемого передаточного числа:
, где
- частота вращения вала электродвигателя,
- частота вращения ходового колеса,
.
3.4.3 Расчет требуемой мощности редуктора:
, где
- коэффициент учитывающий условия работы редуктора (весьма тяжелый режим работы)
- статическая мощность электродвигателя,
.
Выбран редуктор коническо-цилиндрический горизонтальный Ц2-300 второго исполнения (2шт.), который имеет:
- передаточное число редуктора,
, при (весьма тяжелый режим работы).
3.5 Выбор соединительной муфты.
3.5.1 Номинальный момент передаваемый муфтой:
, где
- сопротивление движения крана с грузом от статических нагрузок;
диаметр колеса;
- передаточное число редуктора;
- общий КПД механизма передвижения,
.
3.5.2 Расчетный момент для выбора соединительной муфты:
, где
- коэффициент, учитывающий степень ответственности механизма;
- коэффициент, учитывающий режим работы механизма;
.
Выбрана МУВП №2 с тормозным шкивом, которая имеет:
Наибольший передаваемый крутящий момент ;
- диаметр тормозного шкива;
- ширина тормозного шкива;
- масса;
- момент инерции муфты.
Муфта выбрана также с учетом момента инерции (для соблюдения условия максимального допускаемого ускорения по условию зацепления колес с рельсами).
3.6 Расчет фактической скорости передвижения крана:
, где
- скорость передвижения крана;
- рассчитанное необходимое передаточное число;
- фактическое передаточное число редуктора;
,
Фактическая скорость передвижения крана должна отличатся от заданной не более чем на 10%:
,
,
Условие допускаемого отклонения скорости передвижения крана соблюдается.
3.7 Проверка правильности выбора электродвигателя.
3.7.1 Максимально допустимое ускорение крана по условию сцепления:
, где
- число ходовых приводимых колес;
- число ходовых колес;
- коэффициент сцепления ходовых колес с рельсами;
- коэффициент запаса сцепления;
- коэффициент трения реборд и ступиц колес;
- коэффициент трения подшипников вала ходовых колес;
- диметр ходового колеса;
- диаметр цапфы;
- коэффициент трения ходовых колес по рельсам;
- сопротивление движения крана без груза от ветровой нагрузки;
- масса крана;

3.7.2 Расчет наименьшего допускаемого времени пуска по условию сцепления:
, где
- фактическая скорость передвижения крана;
- максимально допустимое ускорение крана по условию сцепления;
.
3.7.3 Средний пусковой момент электродвигателя:
, где
- максимальная кратность пускового момента электродвигателя;
- минимальная кратность пускового момента электродвигателя;
- номинальный момент на валу электродвигателя;
.
3.7.4 Расчет статического сопротивления при движении крана без груза:
,где
- сопротивление движения крана без груза от трения;
- сопротивление движения крана без груза от ветровой нагрузки;
, где
- коэффициент трения реборд и ступиц колес;
- масса крана;
,
,
.
3.7.5 Расчет момента статического сопротивления при движении крана без груза:
, где
-статическое сопротивление при движении крана без груза;
-диаметр колеса;
- передаточное число редуктора;
- общий КПД механизма передвижения;
.
3.7.6 Момент инерции ротора электродвигателя и муфты:
, где
- момент инерции ротора электродвигателя;
- момент инерции муфты;
.
3.7.7 Время пуска электродвигателя при движении крана без груза:
, где
- коэффициент, учитывающий влияние вращающихся масс привода (кроме массы вала электродвигателя и муфты);
- средне пусковой момент электродвигателя;
- момент статического сопротивления при движении крана без груза;
- момент инерции ротора электродвигателя и муфты;
- частота вращения вала электродвигателя;
- КПД привода;
-фактическая скорость передвижения крана;
.
3.7.8 Расчет фактического ускорения крана без груза:
, где
-фактическая скорость передвижения крана без груза;
- время пуска электродвигателя при движении крана без груза;
,
,
,
Требование допустимого ускорения по условию сил сцепления выполняется.
3.8 Проверка электродвигателя на нагрев.
3.8.1 Расчет времени пуска электродвигателя при трогании крана с грузом:
, где
- коэффициент, учитывающий влияние вращающихся масс привода (кроме массы вала электродвигателя и муфты);
- средне пусковой момент электродвигателя;
- момент статического сопротивления при движении крана с грузом;
- момент инерции ротора электродвигателя и муфты;
- частота вращения вала электродвигателя;
- КПД привода;
-фактическая скорость передвижения крана;
.
3.8.2 Фактическое ускорение крана с грузом:
, где
-фактическая скорость передвижения крана;
- время пуска электродвигателя при движении крана с грузом;
.
3.8.3 Расчет времени установившегося движения:
, где
- средний путь передвижения крана;
- скорость передвижения тележки;
.
3.8.4 Расчет суммарного времени пуска электродвигателя:
, где
- время пуска электродвигателя при движении крана без груза;
- время пуска электродвигателя при движении крана с грузом;
.
3.8.5 Общее время включения электродвигателя за цикл:
, где
- число передвижений крана без груза;
- число передвижений крана с грузом;
- время установившегося движения крана;
- суммарное время пуска;
.
3.8.6 Средний момент преодолеваемый электродвигателем:
, где
- средне-пусковой момент преодолеваемый электродвигателем;
- суммарное время пуска;
- сумма произведений квадрата момента сопротивлений на время цикла;
- общее время включения за цикл,
.
3.8.7 Среднеквадратичная мощность электродвигателя:
,
3.8.8 Сравнение среднеквадратичной мощности электродвигателя с его номинальной мощностью:
,
.
Условие проверки электродвигателя на нагрев соблюдено. Выбранный электродвигатель подходит.
3.9 Определение тормозных моментов.
3.9.1 Максимально допустимое замедление крана без груза:
, где
- число ходовых приводимых колес;
- число ходовых колес;
- коэффициент сцепления ходовых колес с рельсами;
- коэффициент запаса сцепления;
- коэффициент трения подшипников вала ходовых колес;
- диметр ходового колеса;
- диаметр цапфы;
- коэффициент трения качения ходовых колес по рельсам;
- сопротивление от ветровой нагрузки;
- масса крана;

3.9.2 Расчет наименьшего времени торможения по условию сцепления:
, где
- фактическая скорость передвижения крана;
- максимально допустимое замедление крана без груза;
.
3.9.3 Сопротивление трения ходовых колес крана без груза при торможении:
, где
- масса крана;
- коэффициент трения качения ходовых колес по рельсам;
.
3.9.4 Момент на тормозном валу при торможении крана без груза:
, где
- общий КПД привода;
.
3.9.5 Момент на тормозном валу от ветровой нагрузки:
,
, т.к. ветровая нагрузка отсутствует.
3.9.6 Момент статического сопротивления на тормозном валу:
,
,
3.9.7 Момент сил инерции на тормозном валу при торможении:
,
.
3.9.8 Расчетный тормозной момент:
,
.
Выбран тормоз колодочный электромагнитный типа ТКТ-200, который имеет:
- тормозной момент;
- диаметр тормозного шкива;
- масса тормоза.
Список используемой литературы
1. Справочник по расчетам механизмов подъемно-транспортных машин: / А.В. Кузьмин, Ф.Л. Марон. – Издание второе, переработанное и дополненное – Минск.: Издательство «Вышэйшая школа», 1983. – 349 с.
|