Реферат: Проектирование оснований и фундаментов гражданских зданий 2
|
Название: Проектирование оснований и фундаментов гражданских зданий 2 Раздел: Рефераты по строительству Тип: реферат | ||||||||||||||||||||||||||||||||||||||||||||||||||||||||||||||||||||||||||||||||||||||||||||||||||||||||||||||||||||||||||||||||||||||||||||||||||||||||||||||||||||||||||||||||||||||||||||||||||||||||||||||||||||||||||||||||||||||||||||||||||||||||||||||||||||||||||||||||||||||||||||||||||||||||||||||||||||||||||||||||||||||||||||||||||||||||||||||||||||||||||||||||||||||||||||||||||||||||||||||||||||||||||||||||||||||||||||||||||||||||||||||||||||||||||||||||||||||||||||||||||||||||||||||||||||||||||||||||||||||||||||||||||||||||||||||||||||||||||||||||||||||||||||||||||||||||||||||||||||||||||||||||||||||||||||||||||||||||||||||||||||||||||||||||||||||||||||||||||||||||||||||||||||||||||||||||||||||||||||||||||||||||||||||||||||||||||||||||||||||||||||||||||||||||||||||||||||||||
Федеральное агентство по образованию Государственное образовательное учреждение высшего профессионального образования «Нижегородский Государственный Архитектурно-Строительный Университет» Инженерно-Строительный Институт Кафедра оснований и фундаментов Курсовой проект по дисциплине «Основания и фундаменты» на тему «Проектирование оснований и фундаментов гражданских зданий» Выполнил студент ______________________ Красильников А. группа З/05-1 Проверила преподаватель _____________________ Жегалова К.П. Нижний Новгород 2010г. Содержание
Введение Целью данной работы является выбор, обоснование и расчет фундаментов жилого здания. Характеристики сооружения: Место строительства – город Смоленск. Учебный кирпичный корпус, состоящий из одной секции, длиной 39,0 м и шириной 15,42 м в осях. Этажность – 5. В здании имеется подвал с отметкой пола -2,30 м ниже уровня пола первого этажа, технический чердак отсутствует. Стены, несущие перекрытия (покрытие) по осям А, Б, В, Г, Д, несущие элементы лестниц – по осям 2, 3 и 4, 5. Стены наружные выполнены из глиняного кирпича, внутренние из глиняного кирпича. План секции жилого дома, разрез, ведомость конструктивных элементов, таблица проемов, прочие исходные данные и указания изложены в задании на проектирование. Инженерно-геологические условия площадки строительства оцениваются на основе характеристик грунта определенных непосредственным испытанием и приведенных в бланке задания. В ходе работы строится инженерно-геологический разрез, производится его анализ, оценка, в соответствии с чем и делается выбор возможных для заданных условий строительства вариантов фундаментов. Производится их технико-экономическое сравнение и для наиболее выгодного делается расчет для заданных сечений. 1. Обработка результатов исследования физико-механических свойств 1.1. Определение физических характеристик грунта. ИГЭ – 1. В дополнение к определенным в геотехнической лаборатории вычислим необходимые физические характеристики грунта: ρS =2,65т/м3 ; ρII = 1,70 т/м3 ; ω =10 %; φII =33Å. Грунт – песок. Гран. состав: масса частиц крупнее 0,25 мм 55,2% - песок средней крупности Коэффициент пористости:
Пористость:
Плотность грунта во взвешенном водяном состоянии:
Удельный вес грунта во взвешенном водой состоянии:
Плотность грунта в сухом состоянии:
Удельный вес грунта в сухом состоянии: Коэффициент водонасыщения
Результаты определений занесем в сводную таблицу 1. ИГЭ – 2: ρS =2,71т/м3 ; ρII =1,77т/м3 ; ω =15 %; ωp =17%; ωL =29%; φII =22Å; CII =30кПа. Название грунта определим по числу пластичности IP = ωL - ωp =29-17=12% - суглинок
Коэффициент пористости:
Пористость:
Плотность грунта во взвешенном водяном состоянии:
Удельный вес грунта во взвешенном водой состоянии:
Плотность грунта в сухом состоянии:
Удельный вес грунта в сухом состоянии: Расчетное сопротивление суглинка составит ИГЭ – 3: ρS =2,75т/м3 ; ρII =1,80 т/м3 ; ω =18%; ωp =17%; ωL =40%; φII =18Å; CII =50кПа. Название грунта определим по числу пластичности IP = ωL - ωp =40-17=23% - глина
Коэффициент пористости:
Пористость:
Плотность грунта во взвешенном водяном состоянии:
Удельный вес грунта во взвешенном водой состоянии:
Плотность грунта в сухом состоянии:
Удельный вес грунта в сухом состоянии: Расчетное сопротивление глины составит Таблица 1. Физико-механические свойства грунтов.
1.2. Обработка результатов испытаний грунта штампом ИГЭ – 1. Супесь пластичная Таблица 2. Испытания грунта ИГЭ - 1 штампом.
Рисунок 1. График испытания грунта штампом. В соответствии с ГОСТ 12374-77 «Грунты. Методы полевого испытания статистической нагрузки» модуль деформации грунта
где ω – безразмерный коэффициент равный 0,79; d – диаметр штампа, м; ∆P – приращение давления между двумя точками, взятыми на осредняющей прямой, кПа. За начальное значение принимается давление, равное вертикальному напряжению от собственного веса грунта на уровне заложения подошвы фундамента (в практических расчетах принимаем 50 кПа), за конечное давление, соответствующее конечной точке прямолинейного участка; ∆S – приращение осадки штампа в м между теми же точками, соответствующее ∆P. Для рассмотрения случая испытания глины стандартным штампом площадью А=5000 см2 , диаметр d=0,798 м, модуль деформации определится:
1.3. Обработка результатов компрессионных испытаний грунта ИГЭ – 2. Грунт – суглинок
Рисунок 2. График испытания грунта ИГЭ - 2 в компрессионном приборе. Используя нормативные рекомендации, определяем коэффициент сжимаемости в интервале давления 100-200 кПа.
Модуль деформации по компрессионным испытаниям определяем по формуле
где β – безразмерный коэффициент, принимаемый равным 0,62 – для суглинков. Модули деформации Ек
, полученные по результатам компрессионных испытаний, из-за несоответствия напряженно-деформированного состояния грунта в приборе и в основании фундамента, имеют заниженные значения. Поэтому для перехода к натурным значениям модуля деформации Е от компрессионных значений Ек
при испытании аллювиативных, делювиативных и озерно-аллювиальных глинистых грунтов при показателе текучести 0,5 <IL
≤ 1 вводится корректировочный коэффициент mk
, при Значение модуля деформации определяется по формуле
ИГЭ – 3. Грунт – глина
Рисунок 3. График испытания грунта ИГЭ - 3 в компрессионном приборе. Используя нормативные рекомендации, определяем коэффициент сжимаемости в интервале давления 100-200 кПа.
Модуль деформации по компрессионным испытаниям определяю по формуле
где β – безразмерный коэффициент, принимаемый равным 0,40 – для глин. Коэффициент mk принимается равным 5,75. Значение модуля деформации определяется по формуле
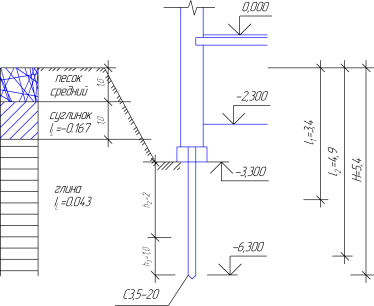
2. Оценка инженерно-геологических условий участка строительства. 2.1. Инженерно-геологический разрез.
Рисунок 4. Инженерно-геологический разрез по I-I с вертикальной привязкой фундаментов здания. 2. 2. Оценка инженерно-геологических условий участка строительства. Участок строительства расположен в городе Смоленск. Площадка характеризуется благоприятными условиями для строительства: имеет относительно ровный рельеф, отмечается горизонтальное простирание слоев грунта. Возможность оползневых смещений отсутствует на данном участке. В геологическом отношении площадка строительства представлена следующими инженерно-геологическими элементами: I– песок средней крупности рыхлый маловлажный. Толщина 1,0 м. Имеет следующие характеристики: γ II = 16,8 кН/м3 , е = 0,715, E =18254кПа, Sr ,=0,371. Данный слой не может быть использован в качестве естественного основания для фундаментов здания. II – суглинок твердый γ II = 17,5 кН/м3 , е = 0,761, IL = -0,167, E =20795кПа , толщина 1,0 м, который может быть использован в качестве естественного основания. III – глина полутвердая. γ II = 17,8 кН/м3 , е = 0,803, , E = 20355кПа, Ro = 300 кПа , который может быть использован в качестве естественного основания. 2.3. Выполнение вертикальной привязки фундаментов здания. Выделение рациональных вариантов фундаментов. I вариант – ленточный фундамент на естественном основании. Отметка пола технического подполья для данного здания – минус 2.300; заглубление подошвы фундамента ниже пола технического подполья – на 1,0 м. Таким образом, отметка заложения подошвы фундамента предварительно может быть принята – минус 3.600. II вариант – свайный фундамент. Проектированием свайного фундамента предусматривается передача нагрузки от сооружения на нижележащий более прочный грунт – глину полутвердую. Из условия погружения свай в глину на 1,5 метра (обычно 1-2 метра), определится отметка нижних концов свай – минус 6.000 и длина свай 3,0 м. 3. Определение глубины заложения фундамента Принимая во внимание наличие технического подполья под всем зданием, равномерное загружение всех фундаментальных нагрузок от здания, отсутствие прикрывающих зданий, спокойного характера напластований отдельных видов грунтов, отсутствие уровней грунтовых вод и верховодки, в данном случае при определении глубины заложения фундамента необходимо учесть особо важный фактор – глубины сезонного промерзания грунтов. Расчетная глубина сезонного промерзания грунта и фундаментов здания
где
где
Таким образом, расчетная глубина сезонного промерзания для рассматриваемого здания и указанных инженерно-геологических условий определяется:
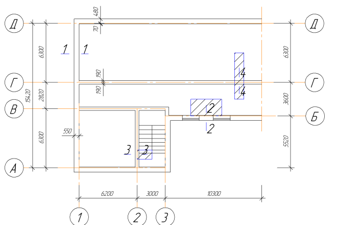
Анализ инженерно-геологических условий площадки строительства позволяет сделать вывод, что принятая глубина заложения фундаментов в данном примере достаточна. 4. Выделение расчетных сечений при проектировании фундаментов и определение соответствующих расчетных нагрузок. В соответствии с заданием на курсовой проект произведем расчет оснований и фундаментов 5-этажного кирпичного здания в г. Смоленск. В соответствии с заданием кафедры оснований и фундаментов на схематическом плане типового этажа этого дома отмечены 4 характерных сечения, в которых следует определить действующие в них расчетные усилия. Расчёт оснований производится по двум группам предельных состояний: по первой группе предельных состояний. Определяется несущая способность свайных фундаментов, а так же проверяется прочность конструкции фундамента. Расчёт производится по расчётным усилиям, определяемым с коэффициентом надёжности по нагрузке больше по второй группе предельных состояний. Расчёт производится по расчётным усилиям, определяемым с коэффициентом надёжности по нагрузке g f =1. 4.1. Выбор расчетных сечений и площадей. Расчёт фундамента производится четырех сечениях, для которых вычисляется расчётное усилие на фундамент. Сечение 1-1- внешняя самонесущая стена:
Сечение 2-2 – внешняя несущая стена по оси «Б»:
Сечение 3-3 – внутренняя самонесущая стена лестничной клетки:
Сечение 4-4 – внутренняя несущая стена по оси «Г»:
4.2. Расчётные нагрузки, действующие на 1 п. м грузовой площади. 4.2.1.Расчетные нагрузки от конструктивных элементов. Таблица 3. Расчет нагрузок от конструктивных элементов.
4.2.2. Расчётные нагрузки от собственного веса кирпичных стен Сечение 1 – 1: Нормативная нагрузка: Где
Расчетная нагрузка: а) для расчета оснований по первой группе предельных состояний
б) для расчета оснований по второй группе предельных состояний
Сечение 2 – 2: Кирпичная кладка Нормативная нагрузка: Где
Расчетная нагрузка: а) для расчета оснований по первой группе предельных состояний
б) для расчета оснований по второй группе предельных состояний
Оконные заполнения Нормативная нагрузка
0,7 – вес 1 м2 двойного остекления;
Расчетная нагрузка: а) для расчета оснований по первой группе предельных состояний
б) для расчета оснований по второй группе предельных состояний
Сечение 3 – 3: Нормативная нагрузка:
Расчетная нагрузка: а) для расчета оснований по первой группе предельных состояний
б) для расчета оснований по второй группе предельных состояний
Сечение 4 – 4: Нормативная нагрузка:
Расчетная нагрузка: а) для расчета оснований по первой группе предельных состояний
б) для расчета оснований по второй группе предельных состояний
4.2.3. Временная нагрузка 1. Снеговая нагрузка. Полное нормативное значение нагрузки
Пониженное значение нормативной нагрузки
Расчётное значение длительной снеговой нагрузки а) для расчёта оснований по второй группе предельных состояний
б) для расчёта фундаментов по первой группе предельных состояний
2.Временная нагрузка на 1 м2 пола. а) Временная расчетная нагрузка для расчета по первому предельному состоянию: нормативная полная кратковременная нагрузка: – аудитории – лестницы Коэффициент сочетания временных нагрузок по этажности:
Где
Коэффициент надежности по нагрузке: – квартиры – лестницы Коэффициент сочетания двух кратковременных нагрузок: Тогда временная расчетная нагрузка: – квартиры – лестницы б) Расчетная нагрузка для расчета оснований по деформациям (по второму предельному состоянию): нормативная длительная нагрузка (пониженное значение): – аудитории – лестницы коэффициент надежности по нагрузке: коэффициент сочетания двух временных длительных нагрузок Тогда расчетная нагрузка: – квартиры – лестницы 4.3. Нагрузки, действующие в расчетном сечении Таблица 4. Сбор нагрузок, действующих в расчетных сечениях.
Таблица 5. Расчетные усилия.
5. Определение размеров подошвы фундамента на естественном основании в наиболее нагруженном расчетном сечении Ширину подошвы ленточного фундамента определяем по формуле
а площадь подошвы столбчатого фундамента определяем по формуле
где R – расчетное сопротивление грунта основания; подставляется R 0 для предварительного определения размеров фундаментов, кПа; γ mg – средний удельный вес материала фундамента и грунта на его уступах, принимаемый равным 20 кН/м3 ; d – глубина заложения фундамента от уровня планировки, м. Требуется определить ширину подошвы фундамента наружной стены кирпичного дома. Характеристики грунтов и конструктивные особенности фундамента представлены на расчетной схеме (рис. 5). Ширину подошвы фундамента определяем методом последовательных приближений. 1) Предварительная ширина подошвы фундамента определится:
2) Однако, значение расчетного сопротивления грунта R 0 является условным, относится к фундаментам, имеющим ширину b = 1 м и глубину заложения в = 2 м и не учитывающим прочностные характеристики грунта. Поэтому производим уточнение значения R с учетом конструктивных особенностей фундамента по формуле:
где γс1
и γс2
– коэффициенты условий работы, принимаемые по указаниям (табл. п. 3,3[2])
К – коэффициент; принимаемый равным: К = 1 – если прочностные характеристики грунта (φ II и С II ) определены непосредственным испытанием и К = 1,1 – если они приняты по таблицам [3, приложение 1, табл.1,2,3];
Рисунок 5. Расчетная схема к определению ширины подошвы фундамента. Mγ
,
Mg
,
Mc
– коэффициенты принимаемы в зависимости от расчетного значения угла внутреннего трения [3, таб. 4] или табл. п. 3.2 [2] для γ
II
и γ
II
/
- осредненное расчетное значение удельного веса грунтов, залегающих соответственно ниже и выше подошвы фундамента (при наличии вод определяется с учетом взвешивающего действия воды) С II – расчетное значение удельного сцепления грунта, залегающего непосредственно под подошвой фундамента; dI – глубина заложения фундаментов бесподвальных сооружений или приведенная глубина заложения фундамента от пола подвала, определяемая по формуле:
где hs – толщина слоя грунта выше подошвы фундамента со стороны подвала – 1,22 м ; hcf – толщина конструкции пола – 0,08м ; γ cf – расчетное значение удельного веса конструкции пола – 22кН/м3 ; db – глубина подвала – расстояние от уровня планировки до пола – 1,40м . Расчетное сопротивление грунта при b =1,084м и d =2,70м определяется
Уточняем ширину подошвы фундамента:
Так как разность двух значений « b » превышает 10%
уточнение необходимо продолжить. Расчетное сопротивление грунта при b =0,700м и d =2,70м определяется
Уточняем ширину подошвы фундамента:
Так как разница последних двух значений «b» менее 10%, дальнейшее уточнение не делается. Принимаем стандартную ширину 800мм для уменьшения осадки основания. Подбор стеновых и фундаментных блоков по ГОСТ. Проверка давления на грунт под подошвой фундамента производится по формуле
где Р11 – давление под подошвой фундамента, кПа Gf 11 – собственный вес фундамента длиной 1 п.м. определяется как произведение удельного веса материала фундамента (железобетон – 24 кН/м3 ) и объема материала фундамента ( 1,44м3 ) – 24 х 1,44= 35,04 кН ; Gg11 – вес грунта на уступах фундамента, определяемый, как произведение удельного веса грунта (17,32кН/м3 ) и объема грунта; А – площадь 1 п.м. подошвы фундамента, принятых размеров.
тогда Следовательно, принятая ширина подошвы фундамента достаточна. 6. Конструирование поперечного сечения фундамента. Сборные фундаментные плиты: Определив размеры подошвы фундамента, по ГОСТ 13580 – 85 подбираем стандартные фундаментные плиты ближайшего большего размера. ФЛ 8.24 B = 800 мм; L = 2380 мм; H = 300 мм; m = 1,40 т Сборные фундаментные блоки: По ГОСТ 13579 – 79 подбираем фундаментные блоки: ФБС 24.4.6 – Т l = 2380 мм; b = 400 мм; h = 580 мм; m = 1,30 тс Предварительное конструирование фундамента: Расчетная схема представлена на рис. 7. 1. Определяем высоту стенки подвала: 3600 – 300 – 300 = 3000 мм 2. Определяем количество стеновых фундаментных блоков Принимаем 5 стандартных блоков ФБС 24.4.6 – Т.
Рисунок 6. Конструирование фундамента. 7. Расчет осадки основания Расчет оснований по деформации производится, исходя из условия S ≤ Su где S – величина совместной деформации основания и сооружения, определяется расчетом; Su – предельное значение совместной деформации основания и сооружения, устанавливаемое по [3,п.п.2.51-2.55 прилож. 4] или по табл. п.6 [2]. Выбор расчетной схемы производится согласно приложениям [3, пункт 2,40 и прилож. 2]. Совместная деформация основания и сооружения определяется расчетом по указаниям [3, прилож. 2]методом послойного суммирования осадков отдельных слоев в пределах сжимаемой толщи основания по формуле
где S – конечная осадка основания; n – число слоев, на которые разделена сжимаемая толщина основания; hi – толщина i–го слоя грунта; σ zp . i – среднее значение дополнительного вертикального нормального напряжения в i–ом слое грунта; β – безразмерный коэффициент, равный 0,8. Определение осадки: 1) Строим эпюру вертикальных напряжений от собственного веса грунта – эп. σ zg . На глубине Z от подошвы фундамента его величина определяется по формуле
На границах выделенных слоев грунта σ zg .1 = γ II . I hI = 16,8∙1,0=16,8кПа σ zg .2 = γ II . I hI + γ II .2 hII =16,8∙1,0+17,5∙1,0=34,30кПа σ zg .3 = γ II . I hI + γ II .2 hII + γ II .3 hIII =16,8∙1,0+17,5∙1,0+17,8∙1,0=52,10кПа В уровне подошвы фундамента σ zg .0 = 16,8∙1,0+17,5∙1,0+17,8∙0,7=46,76кПа 2) Определяем дополнительное давление (давление от сооружения) на уровне подошвы фундамента: σ z р g .0 = Р0 = Р II - σ zg .0 =301,71-46,76=254,95кПа где Р11 – среднее давление под подошвой фундамента. 3) Строим эпюра дополнительного вертикального напряжения от сооружения – эп. σz р ; при этом дополнительное вертикальное напряжение на глубине z от подошвы фундамента (по вертикали, проходящей через центр подошвы фундамента) определяется по формуле σ z р = α·Р0 где α – коэффициент, принимаемый по [3, таб. 1] или по табл. п. 5.1. [2] в зависимости от формы подошвы и относительной глубины z = 2 z / b . Для построения эпюры дополнительного давления толщина грунтов ниже подошвы фундамента разбивается на элементарные слои толщиной hi ≤ 0,4 b : hi =32см. z – глубина залегания подошвы каждого элементарного слоя грунта, ниже подошвы фундамента на расчетной схема проставляются соответствующие значения α и σ zg . 4) Строим эпюра 0,2 σ z р . 5) Определяем глубину сжимаемой толщи; нижняя ее граница принимается на глубине z = Hc , где выполняется условие σ z р = 0,2σ zg (точка пересечения эпюры σ z р и эпюры 0,2σ zg ) Вычисления сводим в таблицу 6. Таблица 6. Расчет осадки.
6) Определяем осадку основания, складывающуюся из осадок слоев грунта, входящих в сжимаемую толщину. Провидим полное их суммирование.
Вывод: осадка допустима.
Рисунок 7. Расчетная схема для определения осадки фундамента по методу послойного суммирования 8. Расчет и конструирование свайного фундамента 8.1. Определение расчетной нагрузки, допускаемой на сваю. Длина сваи подбирается из условия погружения нижнего конца сваи на 1-2 метра в ниже залегающий более прочный грунт (несущий слой). В соответствие с этим составляется расчетная схема к определению несущей способности сваи.
Рисунок 8. Расчетная схема к определению несущей способности свай. Несущая способность забивной висячей сваи Fd определяется как сумма сил расчетных сопротивлений грунтов основания под нижним концом сваи и на ее боковой поверхности по формуле
где γс – коэффициенты условий работы сваи в грунте, принимаемый γс = 1 [4]; R – расчетное сопротивление грунта под нижним концом сваи кПа , определяемое по СНиП [4. табл.1] или по табл. 8.1 [2]; А – площадь опирания на грунт сваи, м2 , принимаемая по площади поперечного сечения сваи брутто, или по площади поперечного сечения камуфлетного уширения по его наибольшему диаметру или по площади сваи – оболочки нетто; u – наружный периметр поперечного сечения сваи, м; fi – расчетное сопротивление i–го слоя грунта основания на боковой поверхности сваи, кПа, определяемое по СНиП [4, табл. 2] или по табл. п. 8.2. [2]; hi – толщина i –го слоя грунта, соприкасающегося с боковой поверхностью, м; γ cR , γcf – коэффициенты условия работы грунта соответственно под нижнем концом и на боковой поверхности сваи, учитывающие влияние способа погружения сваи на расчетные сопротивления грунта, определяемые по СНиП [4, табл. 3] или по табл. п.8.1. [2]; Значение R согласно СНиП [4] определяем по таблице для глубины Н . Величина fi определяется по таблице для глубин заложения середин слоев грунта, соприкасающихся с боковой поверхностью сваи – h 1 , h 2 , h 3 , h 4 ; пласты грунтов расчленяются на однородные слои толщиной не более 2 метров. В соответствии с расчетной схемой несущая способность сваи определяется
Значение расчетной нагрузки, допускаемой на сваю, определяется по формуле
где γk
– коэффициент надежности, принимаемый по СНиП [4, п.4.3]; при определении несущей способности сваи расчетом
8.2. Определение расстояния между сваями и выполнение плана расстановки свай. Расстояние между сваями под стены здания определяется по формуле
где N – расчетная нагрузка, допускаемая на сваю, кН; n 1 – расчетная нагрузка на 1 м фундамента (с учетом веса ростверка и грунта на его обрезах), кН. Значение расчетной нагрузки в наиболее нагруженном сечений n 1.4 =271,71кН , расстояния между сваями при однорядном расположении определяются: в сечение 4 – 4 Принимаем при расстановке до 1,200 м. 9. Технико-экономическое сравнение вариантов фундаментов 5-ти этажного кирпичного здания. Здание строится в городе Смоленск. С учетом инженерно-геологических условий площадки строительства и задания на проектирование при рассмотрении вариантов фундаментов выявлены следующие рациональные: 1 вариант – ленточный сборный фундамент; 2 вариант – свайный фундамент. Результаты расчета технико-экономических показателей для сравнения сведены в таблицу 8. Сметная стоимость строительно-монтажных работ определяется по формуле:
где Vi – объем i – ой работы по соответствующему варианту; С i – показатель единичной стоимости i – ой работы в ценах 1984 года, в рублях; Нр – коэффициент, учитывающий накладные расходы (Нр = 1,2 ); КП.Н – коэффициент, учитывающий плановые накопления (КП.Н = 1,08 ); КИ.И – коэффициент, учитывающий изменения цен по индексу 1984 года (в данной работе принят равным 11,75 )
Трудоемкость выполнения работ (таб. 7) включает дополнительные затраты труда на обслуживание строительного процесса (Ко = 1,25 ) и строительной площадки (Кп = 1,07 ).
где З i – затраты труда на единицу работ, чел/час. Ко, Кп – коэффициенты, учитывающие затраты труда на обслуживание строительного процесса и площадки. Продолжительность производственной работы определяется по формуле:
где Н – численность рабочих в день (в примере принято Н = 6 чел .) 230 – плановое число рабочих дней в году. Таблица 7. Прямые затраты по сравниваемым вариантам фундаментов 6-ти этажного кирпичного жилого дома (1 секция) в ценах 1984 г.
Наиболее экономичный вариант фундаментов определяется Э = (2869,56 –2863,78) + 0,15·2869,56 (0,00076 – 0,00073) = 576руб. Экономический эффект достигается от внедрения второго варианта фундаментов – сборного фундамента, который и принимается к разработке, проектированию и выполнению. Вывод: более экономным является сборный фундамент. 10. Расчет и конструирование ленточных фундаментов для остальных 3 – х расчетных сечений. 10.1. Определение ширины подошвы фундамента Сечение 1-1:
где
Расчетное сопротивление грунта при b =0,695м и d =2,7м определяется
Уточняем ширину подошвы фундамента:
Так как разность двух значений « b » превышает 10%
Уточнение необходимо продолжить. Расчетное сопротивление грунта при b =0,453м и d =2,7м определяется
Уточняем ширину подошвы фундамента:
Так как разница последних двух значений «b» менее 10%,дальнейшее уточнение не делается. Сечение 2-2:
где
Расчетное сопротивление грунта при b =0,767м и d =2,7м определяется
Уточняем ширину подошвы фундамента:
Так как разность двух значений « b » превышает 10%
Уточнение необходимо продолжить. Расчетное сопротивление грунта при b =0,499м и d =2,7м определяется
Уточняем ширину подошвы фундамента:
Так как разница последних двух значений « b » менее 10%, дальнейшее уточнение не делается. Сечение 3-3:
где
Расчетное сопротивление грунта при b =0,602м и d =2,7м определяется
Уточняем ширину подошвы фундамента:
Так как разность двух значений « b » превышает 10%
Уточнение необходимо продолжить. Расчетное сопротивление грунта при b =0,393м и d =2,7м определяется
Уточняем ширину подошвы фундамента:
Так как разница последних двух значений « b » менее 10%, дальнейшее уточнение не делается. 10.2. Конструирование ленточного фундамента из сборных железобетонных элементов. Сборные фундаментные плиты: Определив требуемые размеры подошвы фундаментов в сечении 1 – 1, 2 – 2, 3 – 3 по ГОСТ 13580 – 85 подбираем стандартные фундаментные плиты ближайшего большего размера. ФЛ 6.24 B = 600 мм m = 1,00 т L = 2380 мм H = 300 мм Сборные фундаментные блоки: По ГОСТ 13579 – 79 подбираем фундаментные блоки для сечения 1 – 1, 2 – 2 : ФБС 24.6.6 – Т l = 2380 мм h = 580 мм b = 600 мм m = 1,96 тс Определяем высоту стенки подвала 3600 – 300 – 300 = 3000 мм 3. Определяем количество стеновых фундаментных блоков: принимаем 5 стандартных блоков ФБС 24.6.6 – Т. По ГОСТ 13579 – 79 подбираем фундаментные блоки для сечения 3 – 3: ФБС 24.4.6 – Т l = 2380 мм h = 580 мм b = 400 мм m = 1,30 тс Определяем высоту стенки подвала 3600 – 300 – 300 = 3000 мм 4. Определяем количество стеновых фундаментных блоков: принимаем 5 стандартных блоков ФБС 24.4.6 – Т.
Рисунок 9. Конструирование фундамента в сечении 1 – 1, 2 – 2
Рисунок 10. Конструирование фундаментов в сечении 3 – 3 10.3. Проверка напряжений под подошвой фундамента Проверка давления на грунт под подошвой фундамента производится по формуле
где Р11 – давление под подошвой фундамента, кПа Gf 11 – собственный вес фундамента длиной 1 п.м. определяется как произведение удельного веса материала фундамента (железобетон – 24 кН/м3 ) и объема материала фундамента; Gg11 – вес грунта на уступах фундамента, определяемый, как произведение удельного веса грунта (17,23кН/м3 ) и объема грунта; А – площадь 1 п.м. подошвы фундамента, принятых размеров. Сечение 1 – 1:
тогда
Следовательно, принятая ширина подошвы фундамента достаточна. Сечение 2 – 2:
тогда
Следовательно, принятая ширина подошвы фундамента достаточна. Сечение 3 – 3:
тогда
Следовательно, принятая ширина подошвы фундамента достаточна. Список литературы 1. Далматов Б.И. Механика грунтов, основания и фундаменты. – Л.: Стройиздат, 1988. 2. Канаков Г.В., Прохоров В.Ю. Проектирование оснований и фундаментов гражданских зданий. Учебное пособие. Нижний Новгород, издание МИПК ННГАСУ, 1999 г. 3. СНиП 2.02.01 – 83 Основания зданий и сооружений. – М.: Стройиздат, 1984 4. СНиП 2.02.03 – 85 Свайные фундаменты. – М.: Стройиздат, 1985 5. ГОСТ 25100 – 95 Грунты. Классификация 6. СНиП 2.01.07 – 85* Нагрузки и воздействия 7. СНиП 2.01.01 – 82 Строительная климатология 8. СНиП 2.03.01 – 84 Бетонные и железобетонные конструкции |
||||||||||||||||||||||||||||||||||||||||||||||||||||||||||||||||||||||||||||||||||||||||||||||||||||||||||||||||||||||||||||||||||||||||||||||||||||||||||||||||||||||||||||||||||||||||||||||||||||||||||||||||||||||||||||||||||||||||||||||||||||||||||||||||||||||||||||||||||||||||||||||||||||||||||||||||||||||||||||||||||||||||||||||||||||||||||||||||||||||||||||||||||||||||||||||||||||||||||||||||||||||||||||||||||||||||||||||||||||||||||||||||||||||||||||||||||||||||||||||||||||||||||||||||||||||||||||||||||||||||||||||||||||||||||||||||||||||||||||||||||||||||||||||||||||||||||||||||||||||||||||||||||||||||||||||||||||||||||||||||||||||||||||||||||||||||||||||||||||||||||||||||||||||||||||||||||||||||||||||||||||||||||||||||||||||||||||||||||||||||||||||||||||||||||||||||||||||||




Схема для определения грузовых площадей.






