Контрольная работа: Разработка печатной платы
|
Название: Разработка печатной платы Раздел: Рефераты по коммуникации и связи Тип: контрольная работа | ||||||||||||||||||||||||||||||||||||||||||||||||||||||||||||||||||||||||||||||||||||||||||||||
ОГЛАВЛЕНИЕ1. ЗАДАНИЕ2. РАЗРАБОТКА ПЕЧАТНОЙ ПЛАТЫ ДЛЯ СХЕМЫ РЭА В ПРОГРАММЕ DIPTRACE3. РАСЧЕТ ОСНОВНЫХ ПОКАЗАТЕЛЕЙ НАДЕЖНОСТИ (БЕЗОТКАЗНОСТИ) СХЕМЫ: ИНТЕНСИВНОСТИ ОТКАЗОВ, НАРАБОТКИ НА ОТКАЗ И ВЕРОЯТНОСТИ БЕЗОТКАЗНОЙ РАБОТЫ РЭА ЗА 1000 ЧАСОВ4. ТЕОРЕТИЧЕСКИЙ ВОПРОСИСПОЛЬЗУЕМАЯ ЛИТЕРАТУРАПРИЛОЖЕНИЕ 1ПРИЛОЖЕНИЕ 2ПРИЛОЖЕНИЕ 31. Задание
|
||||||||||||||||||||||||||||||||||||||||||||||||||||||||||||||||||||||||||||||||||||||||||||||
Наименование элемента |
Обоз- начение на схеме |
Кол-во элементов Ni , шт. |
Интенсивность отказов, λ0i * 10-6 |
Поправоч-ный коэфф., ai |
Интенсивность отказов группы, Ni * λ0 i * ai |
| Аналоговая микросхема | DA | 1 | 0,3 | 1,7 | 0,51 |
| Транзистор биполярный | VT | 5 | 1,2 | 0,75 | 4,5 |
| Диод маломощный | VD | 3 | 0,8 | 1,5 | 3,6 |
| Резистор постоянный | R | 10 | 0,5 | 1,4 | 7,0 |
| Резистор переменный | R | 1 | 1,7 | 0,35 | 0,595 |
| Конденсатор неполярный | C | 4 | 1,4 | 0,8 | 4,48 |
| Конденсатор полярный | C | 4 | 2,4 | 6,7 | 64,32 |
| Разъем | X | 1 | 1,0 | 0,4 | 0,4 |
| Провод соединительный | — | 11 | 0,02 | 1,0 | 0,22 |
| Основа ПП (стеклотекстолит) | — | 1 | 0,01 | 1,0 | 0,01 |
| Пайка печатного монтажа | — | 70 | 0,01 | 1,0 | 0,7 |
| Пайка навесного монтажа | — | 11 | 0,03 | 1,0 | 0,33 |
| Печатные проводники ПП | — | 21 | 0,03 | 1,0 | 0,63 |
| λΣ = 87,295 * 10-6 (1/ч) | |||||
Наработка на отказ составит: То = 1/(87,295 * 10-6 ) = 11455,409 ≈ 11,5 тыс. часов. Вероятность безотказной работы за 1000 часов составит P изд = 0,92. теперь посчитаем эти параметры с учетом эксплуатации в заданных условиях. Интенсивность отказов λΣ ’ = λΣ * КΣ = 87,295 * 10-6 * 4,389 = 383,138 * 10-6 1/ч. Наработка на отказ То ’ = 2610,03 ≈ 2600 часов. Вероятность безотказной работы на 1000 часов работы Р’ изд = 0,68.
Для повышения надежности печатную плату с установленными радиоэлементами необходимо покрыть защитным лакокрасочным покрытием. Из таблицы расчета интенсивности отказов видно, что более всего в заданных условиях подвержены отказам полярные (электролитические) конденсаторы. Здесь можно рекомендовать замену алюминиевых «электролитов» на танталовые, обеспечить принудительное охлаждение (вентилятор), вывод «электролитов» навесным монтажом за пределы узла на печатной плате (это позволит в случае необходимости произвести замену конденсаторов без «ковыряния» печатной платы).
Основы построения САПР СВТ. Разновидности САПР, решаемые задачи, технические характеристики.
Ответ.
САПР — это комплекс средств автоматизации проектирования, взаимосвязанных с проектными организациями (пользователями системы). САПР включает технические средства, математическое и программное обеспечение, информационное обеспечение, лингвистическое обеспечение (спец. языки, проблемно-ориентированные).
Цель САПР — повышение качества проектов, снижение материальных затрат, сокращение сроков проектирования и ликвидация тенденции к росту числа проектировщиков, а также повышение производительности их труда.
Для САПР характерно системное использование ЭВМ при рациональном распределении функций между человеком и ЭВМ. С помощью ЭВМ решаются задачи, поддающиеся формализации.
Предметом САПР являются формализация проектных процедур, структурирование и типизация процессов проектирования, постановка, модели, методы и алгоритмы решения проектных задач, способы построения технических средств, создания языков, описания программ, банков данных, а также вопросы их объединения в единую проектирующую систему.
При создании САПР учитываются принципы:
· системного единства , т.е. целостность системы, взаимосвязь между подсистемами и ее элементами;
· совместимости , т.е. обеспечиваются совместное функционирование составных частей САПР и сохранность открытости системы в целом;
· типизации (ориентирует на преимущественное создание и использование типовых и унифицированных элементов САПР с последующей их модернизацией);
· развития (способствует совершенствованию и обновлению составных частей САПР, а также взаимодействие и расширение взаимосвязи с автоматизированными системами различного уровня и функционального назначения);
· иерархичности (проектирование по уровням структуры САПР).
Обеспечение САПР имеет несколько видов:
1. Математическое обеспечение включает в себя алгоритмы, по которым разрабатывается программное обеспечение; функциональные модели проектируемых объектов; методы численного решения задач; методы поиска экстремума.
2. Программное обеспечение — это совокупность всех программ и эксплутационной документации к ним, необходимых для выполнения автоматизированного проектирования. ПО делится на общесистемное и специальное (прикладное).
3. Информационное обеспечение — это такие данные, которыми пользуется проектировщик в процессе проектирования для выработки проектного решения. Это справочные данные о комплектующих изделиях, типовых проектных решениях, параметрах элементов, сведения о состоянии текущих разработок в виде промежуточных и окончательных проектных решений, структур параметров проектируемых объектов. Совокупность данных, используемых в САПР, составляет информационный фонд. Основная функция ИО — это ведение фонда, обновление, создание и организация доступа к данным.
4. Техническое обеспечение САПР . Для САПР необходимы специализированные средства, в основном это автоматизированное рабочее место (АРМ). АРМ — для решения сложных проектных задач в автономном режиме, инвариантные к различным видам объектов проектирования и для решения типовых инженерных, конструкторских и технологических задач.
5. Лингвистическое обеспечение САПР , основу которого составляют языки проектирования, предназначенные для описания процедур автоматизированного проектирования и проектных решений. Развитие гибких производственных систем требует тщательного решения вопросов по составу лингвистического обеспечения.
6. Методическое обеспечение САПР — это входящие в ее состав документы, регламентирующие порядок эксплуатации системы, носят характер инструкций.
7. Организационное обеспечение САПР — положения, приказы, штатное расписание, квалификационные требования, регламентирующие организационную структуру подразделений с комплексом средств автоматизированного проектирования.
Любая система проектирования печатных плат представляет собой сложный комплекс программ, обеспечивающий сквозной цикл, начиная с прорисовки принципиальной схемы и заканчивая генерацией управляющих файлов для оборудования изготовления фотошаблонов, сверления отверстий, сборки и электроконтроля. Однако условия современного рынка накладывают дополнительные требования на эти системы.
Наилучших результатов добилась компания Mentor Graphics (www . mentor . com ). Ключом к успеху компании явилась ориентация на современные интегрированные среды проектирования для Windows .
Пакет Expedition PCB представляет сейчас наиболее мощное решение в области проектирования плат. Основу системы составляет среда Auto Active , позволяющая реализовать такие функции, как предтопологический анализ целостности сигналов, интерактивная и автоматическая трассировка с учётом требований высокочастотных плат и специальных технологических ограничений, накладываемых использованием современной элементной базы (BGA). Единая среда позволяет с помощью модуля ICX моделировать наводки в проводниках непосредственно при прокладке трассы или шины и контролировать превышение ими заданного уровня. У данного продукта можно отметить только один недостаток - его высокую стоимость, что является немаловажным препятствием для проникновения на российский рынок.
Другой продукт компании Mentor , система PADS PowerPCB (www . pads . com ) предлагает более дешёвое решение. Эта система может похвастаться лучшим автотрассировщиком BlaseRouter , поддерживающим все необходимые при трассировке высокочастотных плат функции. Пакет имеет модули предтопологичекого (HyperLinksLineSim) и посттопологического (HyperLinksBoardSim) анализа, тесно взаимодействующих с системой контроля ограничений. Сейчас эти модули значительно улучшены за счёт внедрения в них оригинальных алгоритмов моделирования, ранее применявшихся в продукте XTK компании Innoveda .
Далее по мощности предлагаемых решений идёт компания Cadence . Для верхнего уровня проектирования предлагается пакет PCB Design Studio (www . pcb . cadence . com ). В качестве редактора печатных плат здесь используется программа Allegro , позволяющая разрабатывать многослойные и высокоскоростные платы с высокой плотностью размещения компонентов. В качестве штатного модуля авторазмещения и автотрассировки здесь используется программа SPECCTRA (www . spectra . com ), управляемая обширным набором правил проектирования и технологических ограничений. Анализ электромагнитной совместимости топологии платы выполняется с помощью специального модуля SPECCTRAQuest SI Expert , для предварительного анализа проекта и подготовки наборов правил проектирования используется модуль SigXplorer .
Другой продукт компании Cadence , пакет OrCAD (www . orcad . com ) рекомендуется как более лёгкое и дешёвое решение для проектирования печатных плат. В последнее время продукт почти не развивается. Данный пакет рассматривается фирмой Cadence как приоритетная система ввода проектов и моделирования: модули Capture C IS и PSpice сейчас поставляются в составе пакета PCB Design Studio . В самую последнюю версию системы OrCAD вошли новые возможности синтеза и моделирования цифровых логических схем NC Sim . Редактор печатных плат OrCAD Layout имеет три различные конфигурации с разными функциональными возможностями. В проекте платы здесь может присутствовать до 30 слоёв, 16 из которых могут быть сигнальными. Имеются встроенные средства авторазмещения и автотрассировки, а также интерфейс с программой SPECCTRA .
Третьим производителем САПР печатных плат можно назвать австралийскую компанию Altium (www.altium.com ). В августе 2002 года компания выпустила в свет пакет Protel DXP (www . protel . com ), представляющий собой продолжение собственной оригинальной линий продуктов Protel . Этот пакет обеспечивает сквозной цикл проектирования смешанных аналого-цифровых печатных плат с использованием программируемой логики фирм Xilinx и Altera . Весь инструментарий реализован на базе интегрированной среды проектирования Design Explorer , работающей под управлением операционной системы Windows X P . К имевшимся ранее средствам посттопологического анализа целостности сигналов (SignalIntegrity) добавилась возможность выполнять предтопологический анализ. Но главным новшеством системы Protel DXP должен был стать топологический автотрассировщик Situs , призванный реализовать новый подход к автоматической разводке плат.
На фоне полной мобилизации усилий на разработку пакета Protel DXP компания Altium продолжает развивать свой второй пакет проектирования печатных плат P-CAD 2002 (www . pcad . com http://www.pcad.com/). Эта система остаётся достаточно популярной в России, что скорее определяется привязанностью наших разработчиков к названию P-CAD (в своё время фирма Altium сделала умелый маркетинговый ход, переименовав пакет ACCEL EDA в P-CAD ). Самая последняя версия P-CAD 2002 вышла в декабре 2002 года. Основные изменения затронули пользовательский интерфейс, который стал больше походить на Protel . Единственное, чем может похвастаться система P-CAD 2002 - это качественная поддержка выходного формата данных ODB++ .
Нельзя не упомянуть ещё один почти неизвестный в России, но достаточно мощный и популярный в мире продукт - Visula компании Zuken (www . zuken . com ). Продукты этой компании обеспечивают сквозной цикл проектирования и предлагают мощные средства моделирования и синтеза программируемой логики с последующей разработкой печатной платы. Здесь имеется стандартный набор инструментария, а также собственные средства авторазмещения и автотрассировки. Следует отметить, что компания Zuken также предлагает пользователям интегрированные средства трёхмерного твердотельного моделирования разрабатываемых устройств. [3]
1. Савельев М. В. Конструкторско-технологическое обеспечение производства ЭВМ: Учеб. пособие для вузов. — М.: Высшая школа, 2001. — 319 с.: ил.
2. Справочник по зарубежным транзисторам. Серия «Ремонт», выпуск 21. — М.: Солон, 1998. — 656 с.: ил.
3. Обзор САПР печатных плат. — Документ Word. — Лекционные материалы по дисциплине «КТО производства ЭВМ», — Тетенькин Ю. Г.
Приложение 1
Схема электрическая принципиальная (нарисована в DipTrace)

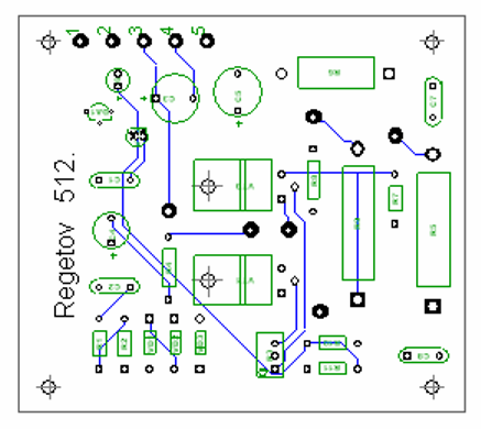
Приложение 2
Печатная плата однослойная

Сторона печатных проводников (нижний слой)

Сторона установки элементов (верхний слой)
Печатная плата двухсторонняя

Сторона установки элементов (верхний слой)

Нижний слой

