Реферат: Трехфазные цепи
|
Название: Трехфазные цепи Раздел: Рефераты по безопасности жизнедеятельности Тип: реферат | ||||||||||||||||||||||||||||||||||||||||||||||||||||||||||||||||||||||||||||||||||||||||||||||||||||||||||||||||||||||||||||||||||||||||||||||||||||||||||||||||||||||||||||||||||||||||||||||||||||||||||||||||||||||||||||||||||||||||||||||||||||||||||||||||||||||||||||||||||||||||||||||||||||||||||||||||||||||||||||||||||||||||||||||||||||||||||||||||||||||||||||||||
ИССЛЕДОВАНИЕ ЭЛЕКТРООПАСНОСТИ ТРЕХФАЗНЫХ СЕТЕЙ 1. Цель работы Изучить используемые в промышленности трехфазные схемы питания потребителей. Ознакомиться с возможными вариантами однофазных включении человека в электрическую сеть и методикой оценки опасности таких включений. Изучить критерии электробезопасности. Расчетные выражения: 1.В сети с изолированной нейтралью в симметричном режиме, когда сопротивление изоляции и емкости всех трех фаз относительно земли одинаковы.
а) Емкости проводов незначительны (Сф<>0 при малой длине проводов).
б) Сопротивление изоляции очень высокое
2. В сети с изолированной нейтралью в несимметричном режиме при прикосновении к фазе.
3. В сети с заземленной нейтралью
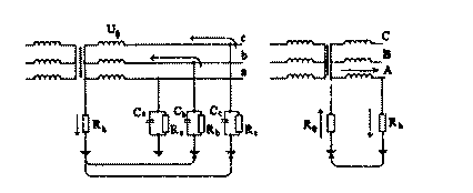
Схемы прохождения токов однофазного прикосновения в трехфазных сетях с изолированной (а) и заземленной (б) нейтралью источника питания. В сети с заземленной нейтралью ток через человека протекает по цепи, создаваемой в основном сопротивлением рабочего заземлителя R0 рис б) Rh=1kОм, Uф=200В, w=314,16с-1
ИССЛЕДОВАНИЕ ЭФФЕКТИВНОСТИ ЗАЩИТНОГО ЗАЗЕМЛЕНИЯ 1. Цель работы 1.1. Исследовать напряжения прикосновения и токи, проходящие через тело человека, прикоснувшегося к заземленным нетоковедущим металлическим частям электроустановки, оказавшимся под напряжением в зависимости от: а) сопротивления изоляции Re; б) емкости фазных проводов Сф относительно земли; г) сопротивления тела человека Rh. 1.2. Ознакомиться с методикой расчета защитного заземления, исполнением, нормативными материалами. 1.3. Оценить эффективность защитного заземления сравнением токов и напряжений прикосновения при наличии и отсутствии заземлителя. Расчетные выражения: 1.
2.
3.
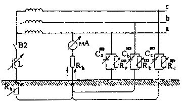
Схема прохождения токов однофазного замыкания на корпус Iз и однофазного прикосновения Ih в сети с изолированно нейтралью: а) принципиальная; б) схема замещения. Rз=10Ом, Uф=220B
ИССЛЕДОВАНИЕ ЭФФЕКТИВНОСТИ КОМПЕНСАЦИИ ЕМКОСТНЫХ ТОКОВ 1. Цель работы 1.1. Исследовать трехфазные сети с изолированной нейтралью с преобладающей долей емкостной составляющей проводимости изоляции. 1.2. Оценить степень снижения тока через тело человека при использовании в таких сетях компенсирующих устройств. 1.3. Определить влияние параметров электрической сети на эффективность компенсации. Расчетные выражения: 1.
2. Значение остаточного тока определяется выражением
3. Эффективность компенсации оценивается коэффициентом Кэ
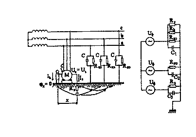
Принципиальная схема стенда лабораторной работы на лицевой панели которого изображена принципиальная схема и выведены органы управления. Стенд моделирует трехфазную электрическую сеть с Uф=220В в двух режимах: а) изолированной нейтрали б) заземление нейтрали через компенсирующее устройство. Rчел=1кОм, RL =15Oм, Uф=220B, R=50кОм, R0=4Ом
C=0,75мкФ
Са=1мкФ, Сb=0,75мкФ, Сс=0,5мкФ, Rиз=100кОм
|
||||||||||||||||||||||||||||||||||||||||||||||||||||||||||||||||||||||||||||||||||||||||||||||||||||||||||||||||||||||||||||||||||||||||||||||||||||||||||||||||||||||||||||||||||||||||||||||||||||||||||||||||||||||||||||||||||||||||||||||||||||||||||||||||||||||||||||||||||||||||||||||||||||||||||||||||||||||||||||||||||||||||||||||||||||||||||||||||||||||||||||||||
































