Реферат: Автомобили малого класса местного сообщения с разработкой сцепления
|
Название: Автомобили малого класса местного сообщения с разработкой сцепления Раздел: Промышленность, производство Тип: реферат | |||||||||||||||||||||||||||||||||||||||||||||||||||||||||||||||||||||||||||||||||||||||||||||||||||||||||||||||||||||||||||||||||||||||||||||||||||||||||||||||||||||||||||||||||||||||||||||||||||||||||||||||||||||||||||||||||||||||||||||||||||||||||||||||||||||||||||||||||||||||||||||||||||||||||||||||||||||||||||||||||||||||||||||||||||||||||||||||||||||||||||||||||||||||||||||||||||||||||||||||||||||||||||||||||||||||||||||||||||||||||||||||||||||||||||||||||||||||||||||||||||||||||||||||||||||||||||||||||||||||||||||||||||||||||||||||||||||||||||||||||||||||||||||||||||||||||||||||||||||||||||||||||||||||||||||||||||||||||||||||||||||||||||||||||||||||||||||||||||||||||||||||||||||||||||||||||||||||||||||||||||||||||||||||||||||||||||||||||||||||||||||||||||||||||||||||||||||||||||||||||||||||||||||||||||||||||||||||||||||||||||||||||||||||||||||||||||||||||||||||||||||||||||||||||||||||||||||||||||||||||||||||||||||||||||||||||||||||||||||||||||||||||||||||||||||||||||||||||||||||
Федеральное агентство по образованию Российской Федерации ГОУ ВПО «Псковский государственный политехнический институт» Кафедра «Автомобили и автомобильное хозяйство» Курсовой проект Автомобили АВТОБУС МАЛОГО КЛАССА МЕСТНОГО СООБЩЕНИЯ (4 × 2) С РАЗРАБОТКОЙ СЦЕПЛЕНИЯ Пояснительная записка АиАХ. КП54АВ.00000ПЗ Выполнил: студент группы 034-021 Д. С. Ермаков Руководитель: профессор, А. А. Енаев доктор технических наук Псков 2010 ВВЕДЕНИЕ Автомобильная промышленность была, остается и будет в дальнейшем одной из ведущих отраслей промышленности в России. Доля работающих в автомобильной промышленности составляет около 4% процентов от всей промышленности и около 15% для машиностроения. Кстати эти показатели во многом сходны с показателями промышленно развитых стран Евросоюза. Автомобильная промышленность остается одной из немногих отраслей промышленности привлекательной для иностранных и отечественных инвестиций. Объем инвестиций в основной фонд автомобильных компаний непрерывно растет. С 1998 по 2009 год также росло и количество продукции выпускаемой отечественными автопроизводителями: легковые автомобили - с 838,8 тысяч до 1 млн. 150 тысяч, грузовые автомобили - с 145,8 тысяч до 210 тысяч, автобусы — с 45,7 тысяч до 82 тысяч единиц в год. Рост производства стал также возможен благодаря совместным действиям правительства и лидеров автомобильного бизнеса, направленных на привлечение инвестиций и модернизации производственной базы. Кто не знает значения слова «автобус»? Наверняка этот пассажирский транспорт известен каждому человеку, проживающему в цивилизованной стране. Автобус – неотъемлемый элемент, пожалуй, каждого города мира, будь это провинция или мегаполис. Сегодня этот транспорт широко распространен и востребован повсеместно: нужно в школу – на автобусе, на работу – тоже, на отдых – опять автобус... Сегодня существует огромное количество видов и типов автобусов различного назначения. Автобусы покупают спортивные команды, СМИ, Вооруженные Силы, звезды шоу-бизнеса и многие другие. Все чаще на улице города можно встретить новые автобусы – совершенные машины, как с дизайнерской, так и с технической точки зрения. Еще можно вспомнить, что раньше единственную дверь для входа/выхода пассажиров водитель открывал сам, пользуясь системой рычагов. Сегодня все это неминуемо кануло в прошлое – нынешние автобусы оборудованы несколькими дверями, которые открываются и закрываются нажатием кнопки. Многочисленные системы безопасности, контроля движения и прочего бережно хранят пассажиров от возможных травм в результате тех или иных действий. Например, есть автобусы, двери которых не открываются, если машина еще движется, не закрываются до конца, встречая препятствие на своем пути, системы не дают машине стартовать при открытых дверях... Это позволяет пассажирам чувствовать себя в безопасности в салоне современных автобусов. Но и водитель не обделен. Его рабочее место стало более эргономично – оснащено лишь теми органами управления, которые действительно необходимы. Комфортабельное кресло способствует меньшей усталости при долговременных поездках. Электроусилители и гидроусилители руля обеспечивают легкость и простоту управления (раньше управление этим транспортом давалось не так легко). Что и говорить, при производстве автобусов конструкторы и инженеры все большее внимание уделяют увеличению вместимости и улучшению комфортабельности салонов своих выпускников. В производство автобусов постоянно внедряются инновационные конструкторские решения. Это делает современные автобусы высокотехнологичными и неприхотливыми, они не доставляют проблем собственникам при эксплуатации. Курсовой проект является заключительным этапом изучения дисциплины «Автомобили» и выполняется согласно учебному плану специальности «Автомобили и автомобильное хозяйство» после освоения общенаучных и инженерных дисциплин, а также курсов «Основы конструкции автомобиля», «Теория эксплуатационных свойств автомобиля», «Рабочие процессы и основы расчета автомобиля». Такая последовательность прохождения дисциплин и накопленный багаж знаний позволяют в ходе работы над проектом критически оценивать конструкции прототипов, из узлов, агрегатов и систем, применять современные методы расчетов на прочность и долговечность, творчески подходить к обоснованию технических решений, умело использовать вычислительную технику. Задачами данного курсового проекта является анализ компоновочных схем автобуса, тяговый расчет, определение оценочных параметров тягово-скоростных свойств, определение оценочных параметров топливной экономичности, а также расчет и проектирование сцепления автобуса малого класса. Главной задачей данного курсового проекта является проектирование автобуса малого класса местного сообщения с колёсной формулой 4×2. 1. АНАЛИЗ КОМПОНОВОЧНЫХ СХЕМ И ВЫБОР ПРОТОТИПА Для автобусов в настоящее время принято анализировать более двадцати компоновочных схем. Наиболее важным показателем компоновки автобуса является расположение двигателя. Различают 3 вида: а) С передним расположением двигателя:
Рисунок 1.1. Компоновочная схема автобуса с передним расположением двигателя Преимущества: - простота управления двигателем и коробкой передач; - удобство установки и снятия двигателя; - обеспечение эффективного охлаждения двигателя; - возможность размещения багажника сзади и с боков. Недостатки: - сложно выполнить пол на низком уровне; - сложный доступ к двигателю. б) С расположением двигателя в пределах базы:
Рисунок 1.2. Компоновочная схема автобуса с расположением двигателя в пределах базы Преимущества: - хорошее распределение по осям; - возможность использования стандартного заднего моста. Недостатки: - сложность обслуживания двигателя; - сложность управления двигателем, сцеплением и коробкой передач; - необходимость применения двигателей с горизонтальным расположением цилиндров. в) С расположением двигателя в задней части автобуса:
Рисунок 1.3. Компоновочная схема автобуса с расположением двигателя в задней части автобуса Преимущества: - низкий шум двигателя; - обеспечение минимальной вибрации; - обеспечение (возможность) выполнения низкого пола в салоне автобуса; - сравнительно хорошая доступность к двигателю. Недостатки: - трудность управления двигателем, сцеплением и коробкой передач; - недостаточное обеспечение охлаждения двигателя; - необходимость подъема пола над двигателем. Компоновка автобусов определяется их назначением и габаритной длиной (малый класс 6,0…7,5 м). Компоновочная схема с расположением двигателя в базе требует специального шасси с увеличенной базой (минимум длины базы составляет 4 м), что в конечном итоге предопределяет минимальную длину автобуса в 8,0…8,5 м. Заднемоторная компоновочная схема применяется среди средних и больших автобусов длиной более 8,5…9,0 м. Серьезной компоновочной проблемой является то, что для размещения силового агрегата и узлов трансмиссии требуется задней сиге кузова автобуса порядка 3 м, так как при меньшем заднем свесе может получиться слишком короткий вал у карданной передачи, что нежелательно (карданный вал к ведущему мосту обычно не делают короче 600…700 мм, чтобы максимальный угол в карданном шарнире не превосходил 8…9 градусов и изменение длины вала было в пределах 10…40 мм). В свою очередь, задний свес величиной 3 м требует выбора колесной базы автобуса не менее 4,0…4,5 м, т.е. получается, что полная длина автобуса не может быть менее 8,5 м. Если сделать базу короче, то композиция получается непропорциональной, зрительно неустойчивой, с явно перегруженным задом. Автобусы длиной до 9 м (малый и средний класс) проектируются, как правило, на базе шасси грузовых или легковых автомобилей, или с использованием их агрегатов, что практически обусловливает компоновку таких автобусов (с передним расположением двигателя). Т.е. при создании таких автобусов не требуется серьезного вмешательства в базовые узлы грузовика или легкового автомобиля, используемые в конструкции автобуса, что упрощает процесс создания этой конструкции. После анализа компоновочных схем автобусов для прототипа я выбираю компоновочную схему с передним расположением двигателя. Из всех представленных однотипных моделей автобусов малого класса (таблица 1.1) в качестве прототипа я выбираю Hyundai County LWB(класс II). Таблица 1.1 Параметры технических характеристик сравниваемых автомобилей
Примечания: 1. Автомобиль в целом: ДСП – двигатель спереди (над передней осью), 2. Двигатель: ДТР4В – дизельный с турбонаддувом, рядный, 4-х цилиндровый, расположен вдоль; ДТР6В – дизельный с турбонаддувом, рядный, 6-и цилиндровый, расположен вдоль. 3. Ходовая часть: Зав/Рес – зависимая подвеска, упругий элемент – рессора. 5. Системы управления: В+ШГ – винт и шариковая гайка; Р+Ш – рейка и шестерня; Б/Б – барабанный тормозной механизм на всех колесах; Д/Б – дисковый и барабанный тормозные механизмы; Д/Д – дисковый тормозной механизм на всех колесах; ГУ – гидроусилитель; ВУ – вакуумный усилитель.
2. ТЯГОВЫЙ РАСЧЕТ 2.1. Выбор и оценка параметров тягового расчета 2.1.1. Полная масса автомобиля и распределение ее по осям Полную массу одиночного автобуса местного сообщения можно оценить по формуле:
где mа – полная масса автомобиля, кг; mo – снаряженная масса автомобиля, кг; mч – масса водителя или пассажира (принимается равной mч =75), кг; mб – масса багажа водителя или пассажира (для городских автобусов принимается mб =10), кг; n– число мест для сидения пассажиров, чел.; k– число мест для проезда стоя (для автобуса местного сообщения k=0). Распределение полной массы по осям автомобиля определяется целесообразностью полного использования грузоподъемности шин, а также необходимостью соблюдения норм, ограничивающих максимально допустимую нагрузку на дорогу. Согласно ГОСТ 9314-59 « Автомобили и автопоезда. Весовые параметры и габариты», масса, приходящаяся на наиболее нагруженную ось двухосных автомобилей группы А, не должна превышать 10 тонн; на тележку трехосных автомобилей группы А – 18 тонн; на наиболее нагруженную ось двухосных автомобилей группы Б – 6 тонн; на тележку трехосных автомобилей группы Б – 11 тонн. Распределение полной массы по осям автобусов местного сообщения принимается как у автомобилей группы Б. После подстановки числовых значений параметров в зависимость (2.1) получаем:
m 1 =3220кг;m 2 =3675кг. 2.1.2. Выбор шин и определение радиуса колеса Выбор пневматических шин производится по наиболее нагруженным колесам автомобиля с учетом номенклатуры шин, выпускаемых отечественной и зарубежной промышленностью. Характеристики шин зарубежного производства приводятся в информационных изданиях ЦНИИТЭИАвтопрома и различных справочных изданиях. Динамический радиус rд колес автомобиля-прототипа в первом приближении принимается равным статистическому радиусу rст и определяется по формуле:
где rд – динамический радиус колеса, м; d – диаметр обода колеса (определяется из обозначения шины), м; B – ширина профиля шины (определяется из обозначения шины), м; λш – относительная радиальная деформация профиля (принимается λш =0,89…0,9). Размер шин 205/75 R17,5. Радиус качения определяется экспериментально. При отсутствии экспериментальных данных в соответствии с ГОСТ 17393-82 «Шины пневматические среднегабаритные. Основные параметры и размеры» радиус качения среднегабаритных тороидных шин при скорости движения автомобилей Va =60 км/ч принимается равным:
Нагрузка на одно колесо определяется по формуле:
где М – максимальная нагрузка на ось автомобиля. После подстановки числовых значений параметров в зависимость (2.5) получаем:
Исходя из максимальной нагрузки на колесо, выбираем шины размером 260-508Р и диски радиусом 20 дюймов. Динамический радиус колеса равен: rд = 0,485м. 2.1.3. Коэффициент полезного действия трансмиссии Коэффициент полезного действия трансмиссии (КПД) характеризует потери мощности при ее передачи механизмами трансмиссии от первичного вала коробки передач ведущих колес. КПД механической трансмиссии равен произведению коэффициентов полезного действия входящих в трансмиссию механизмов, т.е.
где ηтр – КПД трансмиссии; ηкп – КПД коробки передач (принимается ηкп =0,96…0,98); ηкр – КПД колесного редуктора (принимается ηкр =0,96…0,98); ηкар – КПД карданной передачи (для одного карданного шарнира принимается ηкар =0,995; ν – число карданных шарниров); ηо – КПД главной передачи (принимается ηо =0,93…0,97). После подстановки числовых значений параметров в зависимость (2.6) получаем:
2.1.4. Коэффициент обтекаемости и площадь лобового сопротивления Коэффициент обтекаемости kв равен силе сопротивления воздуха, действующей на 1м2 лобовой площади автомобиля при скорости движения 1 м/с. Коэффициент обтекаемости зависит от формы кузова и угла натекания потока воздуха; определяется продувкой натурных образцов или моделей автомобилей в аэродинамических трубах. В проектных расчетах при отсутствии экспериментальных данных значения коэффициента обтекаемости выбирают из диапазонов характерных для современных автомобилей определенного типа и назначения (автобусы с вагонной компоновкой kв =0,35…0,40 Н∙с2 /м4 ). Площадь лобового сопротивления Fв равна площади проекции автомобиля на плоскость, перпендикулярную его продольной оси. В проектных расчетах площадь лобового сопротивления определяют приближенно по выражению:
где Fв – площадь лобового сопротивления, м2 ; Вг – наибольшая ширина автомобиля (определяется по компоновочной схеме автомобиля-прототипа), м; Hг – наибольшая высота автомобиля (определяется по компоновочной схеме автомобиля-прототипа), м; α – коэффициент заполнения площади (для легковых автомобилей принимается α=0,78…0,80, для грузовых автомобилей и автопоездов α=0,75…0,90). После подстановки числовых значений параметров в зависимость (2.7) получаем:
kв =0,35 Н∙с2 /м4 . 2.2. Расчет параметров двигателя Расчет параметров двигателя является одним из наиболее ответственных этапов тягового расчета, т.к. установка двигателя с избыточной или недостаточной мощностью приводит к снижению эффективности автомобильных перевозок. Параметры двигателя определяют из условия обеспечения движения автомобиля с заданной максимальной скоростью по дороге с заданным коэффициентом суммарного сопротивления. 2.2.1. Параметры, выбираемые в ходе расчета двигателя При расчете параметров двигателя необходимо выбрать и оценить: 1) частоту вращения коленчатого вала двигателя при максимальной мощности nN ; 2) коэффициенты приспособляемости по моменту (kм =Mкмах / Mк N ) и по частоте вращения (kω =nN /nM , где Mкмах , nM – максимальный крутящий момент и соответствующая и соответствующая частота вращения, Mк N , nN – крутящий момент при максимальной мощности и соответствующая частота вращения); 3) коэффициент λ – отношение частоты вращения коленчатого вала двигателя при движении автомобиля с максимальной скоростью nv к частоте вращения при максимальной мощности nN ; 4) коэффициент учета потерь мощности двигателя kN . Значения частоты вращения nN коэффициентов приспособляемости kм и kω выбирают из конструктивных соображений с учетом статистических данных по выпускаемым в нашей стране и за рубежом двигателям, близким по классу к двигателю автомобиля-прототипа. Основным критерием правильности выбора частоты вращения проектируемого двигателя является соответствующая этой частоте средняя скорость поршня Vп , которую подсчитывают по формуле:
где VП – средняя скорость поршня, м/с; SП – ход поршня (принимают равным или близким к ходу поршня двигателя автомобиля-прототипа), м; nN – частота вращения двигателя при максимальной мощности, мин-1 . Подсчитанное значение средней скорости поршня должно находится в пределах 10…15 м/с для бензиновых двигателей или 9…11 м/с для дизельных двигателей. Если значение VП выходит из указанных пределов, необходимо скорректировать значение частоты nN . Диапазоны изменения коэффициентов приспособляемости kм и kω для дизельных двигателей составляют:
Отношение частот вращения двигателя при максимальной скорости и максимальной мощности (коэффициент λ) для дизельных двигателей изменяется в следующих пределах:
Коэффициент учета потерь мощности kN отражает потери мощности на привод вспомогательного оборудования и потери, связанные с отличием условий работы двигателя на автомобиле от стендовых. Коэффициент изменяется в зависимости от условий эксплуатации и режима работы двигателя. В проектных расчетах можно принимать:
После подстановки числовых значений параметров в зависимость (2.8) получаем:
2.2.2. Мощность двигателя при максимальной скорости движения автомобиля Мощность двигателя при максимальной скорости движения автомобиля определяется исходя из уравнения мощностного баланса по выражению:
где NeV – мощность двигателя при максимальной скорости движения автомобиля, кВт; Vamax – максимальная скорость движения автомобиля, км/ч; ηтр – КПД трансмиссии; ma – полная масса автомобиля, кг; g – ускорение свободного падения (g = 9,81), м/с2 ; ψv – коэффициент суммарного сопротивления дороги при движении автомобиля с максимальной скоростью; kB – коэффициент обтекаемости; FB – площадь лобового сопротивления, м2 . После подстановки числовых значений параметров в зависимость (2.8) получаем:
2.2.3. Максимальная мощность двигателя Максимальная мощность двигателя определяется по формуле С.Р. Лейдермана:
где Nemax – максимальная мощность двигателя, кВт; NeV – мощность двигателя при максимальной скорости движения автомобиля, кВт; λ – отношение частоты вращения двигателя при максимальной скорости к частоте при максимальной мощности; a, b, c – коэффициенты, значения которых зависят от типа и конструкции двигателя. Коэффициенты a, b, cдля дизельных двигателей подсчитываются по формулам А.С. Литвинова:
Для расчетов дизельных двигателей принимают: a=0,53, b=1,56, c=1,09. После подстановки числовых значений параметров в зависимость (2.11), (2.10) получаем:
2.2.4. Внешняя скоростная характеристика двигателя Внешняя скоростная характеристика является основой технического задания на проектирование нового двигателя. Расчет ее ведется по уравнениям вида:
где Ne – текущее значение эффективной мощности двигателя, кВт; Mk – текущее значение крутящего момента двигателя, Н∙м; ne – текущее значение частоты вращения коленчатого вала двигателя, мин-1 ; Nemax – максимальная эффективная мощность двигателя, кВт; nN – частота вращения коленчатого вала двигателя при максимальной мощности, мин-1 ; a, b, c– постоянные коэффициенты (определяем по формуле (2.11)). Задаваясь последовательно значениями частоты вращения ne от минимальной (nmin = 600…800 мин-1 ) до максимальной (nmax = nN или nv ) частоты с шагом ne = (nmax - nmin )/10, рассчитываем значения эффективной мощности Ne и крутящего момента Mk . Результаты вычислений заносим в таблицу 2.1. Таблица 2.1 Параметры внешней скоростной характеристики расчетного двигателя
Исходя из значения максимальной мощности расчетного двигателя, а также требований к рабочему объему, числу и расположению цилиндров, применяемому топливу, габаритным размерам и расположению в подкапотном пространстве, выбираем двигатель из числа выпускаемых или перспективных моделей. При этом необходимо учитывать, что максимальная мощность и внешняя скоростная характеристика расчетного двигателя – это параметры двигателя, установленного на автомобиле, а аналогичные параметры типовых двигателей, приводимые в справочниках, – это параметры, полученные в результате стендовых испытаний двигателей (паспортные данные). Поскольку расчетные параметры не соответствуют паспортным, то при выборе двигателя их корректируют по выражению:
где Ncmax – максимальная стендовая мощность (паспортная) двигателя, кВт; Nemax – максимальная расчетная (эксплуатационная) мощность двигателя, кВт; kN – коэффициент учета потерь мощности двигателя (kN = 0,94). Кроме того, при выборе двигателя зарубежного производства необходимо взаимно корректировать параметры, полученные при стендовых испытаниях двигателей по стандартам различных стран, т.к. требования этих стандартов различны. Уравнение коррекции имеет вид: N(ГОСТ, РОССИЯ) = N (SAE, США) = 1,03N (JIS, ЯПОНИЯ) = 1,06N (BS, АНГЛИЯ) = 1,08N (DIN, Германия). (2.15) После подстановки числовых значений параметров в зависимость (2.14), (2.15), получаем:
Nemax (ГОСТ, РОССИЯ) = 94/1,08 = 87кВт. Результаты вычислений параметров внешней скоростной характеристики выбранного двигателя заносим в таблицу 2.2. Таблица 2.2 Параметры внешней скоростной характеристики выбранного двигателя Mercedes-Benz OM904 LA (Германия)
По данным таблицы 2.1 и 2.2 строим диаграмму внешней скоростной характеристики расчетного и выбранного двигателя (Рис. 2.1.).
Ne ` (ne ), Mk ` (ne ) – расчетный двигатель; Ne (ne ), Mk (ne ) – двигательMercedes-Benz OM904 LA Рис. 2.1. Внешняя скоростная характеристика расчетного двигателя и двигателя Mercedes-BenzOM904 LA Параметры технических характеристик расчетного и выбранного типового двигателей сводим в таблицу 2.3. Таблица 2.3 Параметры технических характеристик расчетного и выбранного двигателей
Примечание. Условные обозначения и сокращения: Д – дизельный; Т – с турбонаддувом; Р4 – рядный, четырехцилиндровый; В – расположен вдоль оси автомобиля. В дальнейших расчетах эксплуатационных свойств автомобиля и его агрегатов будем использовать параметры выбранного двигателя Mercedes-BenzOM904 LA. 2.3. Расчет параметров трансмиссии Правильный расчет параметров трансмиссии автомобиля является необходимой предпосылкой получения высоких средних скоростей движения и хорошей топливной экономичности, обеспечивающих минимальные затраты на осуществление заданного объема автомобильных перевозок. 2.3.1. Параметры, выбираемые в ходе расчета трансмиссии При расчете трансмиссии необходимо выбрать и оценить: 1) диапазон передаточных чисел коробки передач (КП) Дк ; 2) количество ступеней в коробке передач m; 3) передаточные числа высшей ступени в основной коробке передач uкв . Диапазон передаточных чисел (отношение передаточного числа низшей ступени в КП к передаточному числу высшей ступени) и количество ступеней являются основными характеристиками механических коробок передач. Эти параметры определяются типом, назначением, условиями эксплуатации и полной массой автомобилей, а также удельной мощностью устанавливаемых двигателей. Для современных автомобилей диапазон передаточных чисел и количество ступеней в КП отличаются большим разнообразием. Однако данные статической обработки новых моделей отечественных и зарубежных автомобилей показывают, что количество ступеней находится в прямой зависимости от диапазона передаточных чисел коробок передач. Эти данные выражает таблица 2.4. Таблица 2.4 Количество ступеней и диапазоны передаточных чисел коробок передач
В большинстве случаев высшей ступенью в основной коробке передач является прямая передача. В этом случае uкв = 1. У коробок передач грузовых автомобилей и автопоездов часто высшая ступень имеет передаточное число меньшее 1 (ускоряющая передача), которое выбирается в пределах uкв = 0,65…0,85. 2.3.2. Передаточное число главной передачи Передаточное число главной передачи определяется из условия обеспечения заданной максимальной скорости движения автомобиля на высшей ступени в коробке передач по формуле:
где u0 – передаточное число главной передачи; rд – динамический радиус колеса, м; nmax – максимальное значение частоты вращения коленчатого вала двигателя (nmax = nν или nmax = nN ), мин-1 ; uкв , uдв – передаточные числа высшей передачи в основной коробке передач и дополнительной коробке передач; Vamax – максимальная скорость движения автомобиля на прямой передаче, км/ч. После подстановки числовых значений параметров в зависимость (2.16), получаем:
2.3.3. Передаточное число низшей ступени в коробке передач Передаточное число низшей ступени в коробке передач определяется из условия обеспечения возможности движения автомобиля по дороге с заданным суммарным коэффициентом сопротивлением. Формула для расчета передаточного числа выводится из уравнения силового баланса при установившемся движении и имеет вид:
где uk 1 – передаточное число низшей ступени в коробке передач; ψmax – максимальное значение суммарного коэффициента сопротивления дороги (указан в задании на курсовой проект); ma – полная масса автомобиля, кг; g – ускорение свободного падения (g= 9,81), м/с2 ; rд – динамический радиус колеса, м; Mkmax – максимальный крутящий момент двигателя, Н∙м; u0 – передаточное число главной передачи; uдв – передаточное число высшей ступени в дополнительной коробке передач; nтр – КПД трансмиссии. Полученное значение передаточного числа низшей ступени в коробке передач проверяется по условиям сцепления ведущих колес с дорогой по формуле:
где uk 1 φ – передаточное число низшей ступени в коробке передач по условиям сцепления ведущих колес с дорогой; φх – коэффициент сцепления пневматических шин с дорогой (расчеты проводятся для условий движения по хорошему сухому шоссе при φх = 0,7…0,8); mφ – сцепная масса автомобиля, кг. Сцепная масса определяется как масса, приходящаяся на колеса ведущих мостов автомобиля с учетом динамического перераспределения нагрузки: для автомобилей с задним расположением ведущих мостов mφ = kR 2 ∙m2 ; kR 2 = 1,1…1,3, (2.19) где m1 , m2 – массы автомобиля, приходящаяся соответственно на передний и задний мосты, кг; kR 2 , kR 1 – коэффициенты динамического перераспределения нагрузки. Кроме того, для грузовых автомобилей и автопоездов передаточное число ступени в коробке передач должно удовлетворять условию обеспечения минимально устойчивой скорости движения. Для автомобилей без дополнительной коробки передач:
где uk 1 v – передаточное число низшей ступени в КП по условию обеспечения минимально устойчивой скорости движения автомобиля; nmin – минимальная устойчивая частота вращения коленчатого вала двигателя, мин-1 ; Vamin – минимальная устойчивая скорость движения автомобиля (принимается Vamin = 4…5), км/ч. После подстановки числовых значений параметров в зависимость (2.17), (2.18), (2.19), (2.20) получаем:
mφ = 1,2∙3675=4410кг ;
Принимаем uk 1 = 6,456. 2.3.4. Передаточные числа промежуточных ступеней в коробке передач Передаточные числа промежуточных ступеней в коробке передач выбирают из условия обеспечения максимальной интенсивности разгона автомобиля, а также возможности длительного движения при повышенном сопротивлении дороги. Для того чтобы в процессе разгона автомобиля двигатель работал с наибольшей средней мощностью, его частота вращения должна находится в диапазоне частот, близком к частоте максимальной мощности. Тогда передаточное число каждой последующей ступени получается из предыдущего умножением на постоянный множитель ряда геометрической прогрессии. Для i-й ступени в коробке передач имеем:
где uki – передаточное число i-й ступени в коробке передач; uk 1 – передаточное число низшей ступени в коробке передач; uкв – передаточное число высшей ступени в коробке передач; m – количество ступеней в коробке передач. После подстановки числовых значений параметров в зависимость (2.21), получаем:
Значения передаточных чисел агрегатов трансмиссии сводим в таблицу 2.5. Таблица 2.5 Параметры трансмиссии
3. ОПРЕДЕЛЕНИЕ ОЦЕНОЧНЫХ ПАРАМЕТРОВ ТЯГОВО-СКОРОСТНЫХ СВОЙСТВ 3.1. Оценочные параметры тягово-скоростных свойств 1. PTmax – максимальная тяговая сила на передачах; 2. PT = f(Va ) – тягово-скоростная характеристика; 3. Vamax – максимальная скорость движения; 4.Dmax – максимальный динамический фактор; 5. в = f(Va ) – динамическая характеристика; 6. jamax – максимальное ускорение на передачах; 7. ja = f(Va ) – диаграмма ускорений; 8. tp , Sp – время и путь разгона до максимальной скорости; 9. tp , Sp = f(Va ) – скоростная характеристика «разгон-выбег» 3.2. Алгоритм определения оценочных параметров 3.2.1. Определение тягово-скоростной характеристики ТСХ – это зависимость тяговой силы от скорости движения автомобиля
Рис. 3.1. Пример тягово-скоростной характеристики Для определения тягово-скоростной характеристики будем использовать внешнюю скоростную характеристику. ТСХ рассчитывается по следующим формулам: 1. Сила тяги
где PT – тяговая сила, Н; Me – крутящий момент, Н∙м; Uтр – передаточное число трансмиссии; ηтр – КПД трансмиссии; rд – динамический радиус, м. 2. Скорость движения
где Vamax – максимальная скорость движения, км/ч; ne – частота вращения коленчатого вала двигателя, об/мин; Uтр – передаточное число трансмиссии.
Рис. 3.2. Тягово-скоростная характеристика 1. Расчет тяговой силы на Iпередаче при Me = 330,2 Н∙м:
2. Расчет скорости движения автомобиля на Iпередаче при ne = 600 об/мин:
Значения тяговой силы и скорости движения для остальных точек расчета приведены в таблице 3.1. 3.2.2. Определение максимальной скорости движения Максимальная скорость автомобиля определяется по диаграмме силового баланса (пересечение кривой VIи Pк +Pп +Pв ).
Рис. 3.3. Пример диаграммы силового баланса Максимальная скорость движения определяется по формуле:
где Vamax – максимальная скорость движения, км/ч; ne – частота вращения коленчатого вала двигателя, об/мин.
Рис. 3.4. Диаграмма силового баланса Расчет максимальной скорости движения автомобиля:
Значения скорости движения автомобиля для остальных точек расчета приведены в таблице 3.1. 3.2.3. Определение динамичной характеристики Зависимость динамического фактора от скорости представляет собой динамическую характеристику в = f(Va ). Динамический фактор есть удельная величина, показывающая сколько свободной тяговой силы приходится на единицу силы тяжести.
Рис. 3.5. Пример динамической характеристики Динамическая характеристика рассчитывается по следующим формулам: 1. Динамический фактор:
где в – динамический фактор; Pa – свободная тяговая сила, Н; ma – полная масса автомобиля, кг; g – ускорение свободного падения, м/с2 . 2. Свободная тяговая сила:
где Pт – тяговая сила, Н; Pв – сила сопротивления воздуха, Н; 3. Тяговая сила:
4. Скорость:
5. Сила сопротивления качению:
f к = f ° , при Va ≤ 50 км/ч 6. Сила сопротивления подъему:
7. Сила сопротивления воздуха:
8. Сила инерции:
где δвр – коэффициент учета вращающихся масс. 9. После подстановки формул (3.7), (3.9), (3.10), (3.12) в формулу (3.6) получаем:
где jа – ускорение автомобиля, м/с2 . 10. При α = 0:
Условием движения автомобиля по динамическому фактору является:
Условием движения без буксования по динамическому фактору является:
Если на динамической характеристике указать значение φ (коэффициент сцепления с дорогой), то можно определить на каких передачах и с какой скоростью автомобиль может двигаться без буксования.
Рис. 3.6. Динамическая характеристика 1. Расчет значения динамического фактора на Iпередаче при Pт = 26074,3Н:
2. Расчет скорости движения автомобиля на Iпередаче при ne = 600 об/мин:
Значения динамического фактора автомобиля для остальных точек расчета приведены в таблице 3.1. 3.2.4. Определение диаграммы ускорений Диаграмма ускорений – это зависимость ускорения автомобиля от скорости
Рис. 3.7. Пример диаграммы ускорения Диаграмма ускорений рассчитывается по следующим формулам: 1. Ускорение:
2. Динамический фактор:
3. Коэффициент учета вращающихся масс:
4. Скорость:
Рис. 3.8. Диаграмма ускорения 1. Расчет ускорения автомобиля на Iпередаче при D= 0,385:
2. Расчет скорости движения автомобиля на Iпередаче при ne = 600 об/мин:
Значения ускорения автомобиля для остальных точек расчета приведены в таблице 3.1. 3.2.5. Определение пути и времени разгона Для определения пути и времени разгона автомобиля до заданной скорости используют графоаналитический метод. Для этого диаграмму ускорений разбивают (каждую кривую) на 5 – 10 равных интервалов. При определении пути и времени разгона до заданной скорости применяется ряд допущений: 1. В каждом интервале автомобиль движется с постоянным средним ускорением, jср . 2. В каждом интервале автомобиль движется с постоянной средней скоростью, Vср .
Рис. 3.9. Пример скоростной характеристики «разгон-выбег» Скоростная характеристика «разгон-выбег» рассчитывается по следующим формулам: 1. Среднее ускорение дляпервого:
2. Средняя скорость:
3. Время разгона для интервала:
4. Время разгона автомобиля до максимальной скорости:
5. Путь, проходимый автомобилем для интервала:
6. Расстояние, проходимое автомобилем:
7. Время переключения передач: Для дизельных двигателей tп = 1…4 с 8. Падение скорости за время переключения передач:
9. Путь, проходимый автомобилем за время переключения передач:
Рис. 3.9. Скоростная характеристика «разгон-выбег» Расчет скоростной характеристики «разгон-выбег» на Iпередаче для Iинтервала:
Значения для определения пути и времени разгона автомобиля до заданной скорости для остальных точек расчета приведены в таблице 3.2. 3.3. Расчет оценочных параметров тягово-скоростных свойств Таблица 3.1
Таблица 3.2
3.4. Анализ результатов расчета оценочных параметров тягово-скоростных свойств В результате расчётов оценочных параметров тягово-скоростных свойств автомобиля прототипа были определены: максимальная скорость на каждой передаче, максимальная тяговая сила, максимальное ускорение на каждой передаче, максимальный динамический фактор на каждой передаче, а также путь и время разгона до максимальной скорости движения. Максимальная скорость на первой передаче составила 9,8 км/ч, на второй – 14,9 км/ч, на третьей – 22,7 км/ч, на четвёртой – 34,5 км/ч, на пятой – 52,5 км/ч, на шестой – 80 км/ч. Максимальная тяговая сила на первой передаче равна 32446,8 Н∙м, на второй – 21314,6 Н∙м, на третьей – 14002 Н∙м, на четвёртой – 9197,3 Н∙м, на пятой – 6046,1 Н∙м, на шестой – 3970,4 Н∙м. Максимальный динамический фактор на первой передаче составляет – 0,48, на второй – 0,315, на третьей – 0,207, на четвёртой – 0,135, на пятой – 0,087, на шестой – 0,054. Максимальное ускорение на первой передаче составляет – 3,278 м/с2 , на второй передаче – 2,294 м/с2 , на третьей передаче – 1,539 м/с2 , на четвёртой передаче – 0,986 м/с2 , на пятой передаче – 0,585 м/с2 , на шестой передаче – 0,290 м/с2 . Время разгона до максимальной скорости занимает 350 секунд, путь, проходимый автомобилем до достижения максимальной скорости составляет 25000 метров. |
|||||||||||||||||||||||||||||||||||||||||||||||||||||||||||||||||||||||||||||||||||||||||||||||||||||||||||||||||||||||||||||||||||||||||||||||||||||||||||||||||||||||||||||||||||||||||||||||||||||||||||||||||||||||||||||||||||||||||||||||||||||||||||||||||||||||||||||||||||||||||||||||||||||||||||||||||||||||||||||||||||||||||||||||||||||||||||||||||||||||||||||||||||||||||||||||||||||||||||||||||||||||||||||||||||||||||||||||||||||||||||||||||||||||||||||||||||||||||||||||||||||||||||||||||||||||||||||||||||||||||||||||||||||||||||||||||||||||||||||||||||||||||||||||||||||||||||||||||||||||||||||||||||||||||||||||||||||||||||||||||||||||||||||||||||||||||||||||||||||||||||||||||||||||||||||||||||||||||||||||||||||||||||||||||||||||||||||||||||||||||||||||||||||||||||||||||||||||||||||||||||||||||||||||||||||||||||||||||||||||||||||||||||||||||||||||||||||||||||||||||||||||||||||||||||||||||||||||||||||||||||||||||||||||||||||||||||||||||||||||||||||||||||||||||||||||||||||||||||||||



Рис. 1.4. Компоновочная схема автобуса малого класса местного сообщения с колёсной формулой 4×2
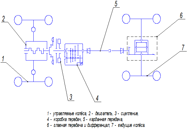
Рис. 1.5. Кинематическая схема трансмиссии автобуса
, (2.8)
.
, (2.9)
.
, (2.10)
(2.11)
;
.
, (2.12)
, (2.13)
, (2.16)
.
, (2.17)
, (2.18)
, (2.20)
;
;
.
, (3.1)
, (3.2)



, (3.3)


, (3.4)
, (3.6)
(3.8)
(3.11)
; (3.13)
(3.14)
;(3.15)



(3.18)
(3.19)



;(3.23)
;(3.25)
(3.26)
(3.27)
(3.29)
(3.32)
;
;
;
;