Реферат: Индикатор уровня заряда батареи
|
Название: Индикатор уровня заряда батареи Раздел: Рефераты по коммуникации и связи Тип: реферат | ||||||||||||||||||||||||||||||||||||||||||||||||||||||||||||||||||||||||||||||||||||||||||||||
МОСКОВСКИЙ ГОСУДАРТСТВЕННЫЙ ИНСТИТУТ электроники и математики Кафедра "Радиоэлектронные и телекоммуникационные устройства и системы" Индикатор уровня заряда батареи ПОЯСНИТЕЛЬНАЯ ЗАПИСКА МИЭМ 7.102.004 Студент гр. РС-62 Белик Г. А. Консультант Кечиев Л.Н. _________________(подпись) _____________(дата) 2007г. Оглавление 1.Введение.............................................................................................................................................................................................. 2 2. Задание на проект............................................................................................................................................................................ 2 2.1. Схема принципиальная электрическая............................................................................................................................. 2 2.2. Конструкторско-технологические требования............................................................................................................... 3 3. Обоснование конструкции устройства....................................................................................................................................... 3 3.1. Описание и анализ принципиальной электрической схемы........................................................................................ 4 3.2. Способ компоновки................................................................................................................................................................. 4 3.3. Характеристика элементной базы...................................................................................................................................... 5 3.4. Выбор материалов для изготовления печатного узла.................................................................................................. 6 3.5. Межсоединения........................................................................................................................................................................ 7 3.6. Установка радиоэлементов на плате................................................................................................................................. 7 3.7. Расчет компоновочных параметров печатного узла..................................................................................................... 8 4. Расчет параметров печатных проводников.............................................................................................................................. 9 4.1. Исходные данные..................................................................................................................................................................... 9 4.2. Расчет основных конструкторских параметров печатной платы............................................................................. 9 4.3. Расчет электрических параметров печатной платы................................................................................................... 11 4.4. Расчет компоновочных параметров печатной платы................................................................................................. 12 Целью выполнения настоящего проекта является изучение методов практического конструирования функциональных узлов (ФУ) микроэлектронной аппаратуры на печатных платах. Особое внимание уделяется ознакомлению с нормативной конструкторской документацией и приобретению навыков ее применения. 2. Задание на проект 2.1. Схема принципиальная электрическая Технические характеристики: Рабочий диапазон: 2,5…18 В. Максимальный потребляемый ток, не более: 20 мА. Ориентировочный размер печатной платы: 40х20 мм. Краткое описание: Индикатор состоит из трех простейших пороговых элементов: - VD1, VD2; - VD3, VT1; - VD5, VD6, VT2. Светодиоды VD1, VD4, VD7, являются индикаторами и показывают уровень напряжения бортовой сети автомобиля. Резисторы R1, R2, R4 ограничивают ток через диоды, а R3, R5 обеспечивают необходимое напряжение смещения на базах транзисторов VТ1 и VТ2. Элементная база:
Принципиальная схема:
2.2. Конструкторско-технологические требования Тип производства – массовое. Климатические факторы внешней среды – индикатор предназначена для работы при температуре внешней среды от +5 до +30°С и относительной влажности воздуха до 80% при температуре +25°С. При хранении воздействует среда от -5°С до +50°С и влажность до 80%. Для обеспечения массового производства с наименьшими производственными затратами индикатор должен быть реализован на печатной плате. Печатная плата должна соответствовать: 1) ГОСТ Р 50621-93 (МЭК 326-4-80). Платы печатные одно- и двусторонние с неметаллизированными отверстиями. Общие технические требования. 2) ГОСТ 23751-86. Платы печатные. Параметры конструкции. 3) ГОСТ 10317-79. Платы печатные. Основные размеры. 3. Обоснование конструкции устройства 3.1 Описание и анализ принципиальной электрической схемы Светодиоды VD1, VD4, VD7 являются индикаторами и показывают уровень напряжения бортовой сети автомобиля. Резисторы R1, R2, R4 служат для ограничения тока через диоды, a R3 и R5 обеспечивают необходимое напряжение смещения на базах транзисторов VT1 и VT2. При подаче на индикатор напряжения бортовой сети автомобиля загорается светодиод VD1, что говорит о наличии минимального напряжения. При работающем двигателе и исправно функционирующем реле-регуляторе на базу транзистора VT1 приходит напряжение, достаточное для его открывания и зажигания светодиода VD4, индицирующего нормальное напряжение в сети и оптимальный ток заряда аккумулятора. При выходе из строя реле-регулятора или иной поломке на базу транзистора VT2 поступает повышенное напряжение, достаточное для его открывания и зажигания светодиода VD7, индицирующего превышение допустимого напряжения и тока заряда. При этом светится и светодиод VD4. Работа с индикатором очень проста. Отрицательный вывод тестера необходимо соединить с корпусом автомобиля. Включение одного из светодиодов при касании щупом соответствует наличию положительного напряжения в проверяемой электрической цепи, в противном случае, на проверяемую цепь не поступает положительное напряжение или произошло короткое замыкание на корпус. Следует иметь в виду, что проверяемые цепи могут иметь внутреннее сопротивление (обмотки реле, лампы, переходные сопротивления в соединениях). В этом случае по яркости свечения светодиодов можно судить как о величине этого сопротивления, так и об исправности элементов оборудования. 3.2 Способ компоновки Разработка конструкции индикатора производится на основании требований технического задания и проведенного анализа схемы электрической принципиальной. При разработке конструкции устройства выбирается и обосновывается способ компоновки, вид монтажа, способ защиты от воздействия климатических факторов, выбор унифицированных и стандартизированных узлов и деталей, выбор флюсов и припоев для монтажа. В основу выбора способов компоновки положены требования ТЗ о массовом типе производства, следовательно, прибор должен быть рассчитан на производство в большом количестве в условиях оснащенного производства с применением современного оборудования и высокой технологии. Современные предприятия массового производства РЭА, как правило, имеют технологические линии для производства печатного монтажа, а также оборудование и технологию нанесения защитных покрытий, контроля качества, тренировки и испытания РЭА и изделия в целом. На основании изложенного при конструировании мы выбираем способ компоновки с применением печатной платы и печатного монтажа. Печатная плата, служащая основой для установки на ней радиоэлементов, представляет собой электроизоляционную плату с отверстиями для установки в них выводов радиоэлементов и систему проводников между ними, соответствующую схеме электрической принципиальной. С целью оптимизации и минимизации индикатора принята односторонняя печатная плата (ОПП). С одной стороны устанавливаются радиоэлементы, а с другой стороны расположены только проводники. 3.3. Характеристика элементной базы Для разработки конструкции устройства необходимы конструктивные параметры элементов, требования к их монтажу, предмонтажной подготовке и т.п. Все эти сведения приведены в ТУ на элементы. Производим выбор конструктивных параметров и сводим их в таблицу.
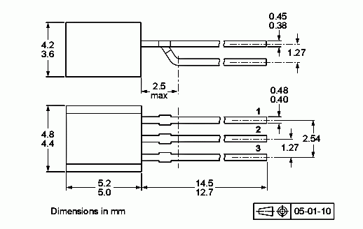
Рисунок 1. Параметры светодиодов.
Рисунок 2. Параметры диода КД522Б
Рисунок 3. Параметры стабилитронов 1N4736 и 1N4742A
Рисунок 4. Параметры транзистораBC547
3.4 Выбор материалов для изготовления печатного узла и способ изготовления платы Для конструирования индикатора принята ОПП с неметаллизированными отверстиями. Для ОПП такого типа в массовом производстве наиболее технологичным является сеткографический метод (трафаретная печать) – печатание кислотостойкой краской позитивного изображения печатного монтажа через сетчатый трафарет на фольгированный диэлектрик. Метод обладает максимальной производительностью по сравнению с другими методами (офсетная печать, фотопечать), применяется в крупносерийном и массовом производстве при малой номенклатуре несложных печатных плат. Из наиболее дешевых материалов для изготовления печатных плат необходим тот, который сможет выдержать климатические и механические воздействия, определенные в ТЗ. Гетинакс фольгированный марок ГФ-1 и ГФ-2 ( ГОСТ 10316-78) - слоистый прессованный материал, изготовленный из бумаги, пропитанной термореактивным связующим на основе фенолформадегидных или эпоксидных смол и облицованный с одной (ГФ-1) или с двух (ГФ-2) сторон медной электролитической фольгой. [3, с.160] Гетинакс нестабилен и обладает высоким влагопоглощением, в связи с чем может произойти короткое замыкание схемы. Стеклотекстолит более предпочтителен с точки зрения стойкости к климатическим и механическим воздействиям. Другие виды фольгированных диэлектриков, такие как, лавсан фольгированный рулонный нам не подойдут из-за цены и малой распространенности. В качестве материала печатной платы выбираем стеклотекстолит фольгированный. Стеклотекстолит фольгированный марки СФ (ГОСТ 10316-78) - листы, изготовленные на основе стеклотканей, пропитанных связующим на основе эпоксидных смол и облицованные с одной или двух сторон медной электролитической гальваностойкой фольгой толщиной 35 мкм. [1, с.43, таб. 2.1] Толщина 1,5 мм с основным размером листов 1010x890 (ТУ 16.503.271-86), имеет высокие механические и электроизоляционные свойства, хорошо поддается механической обработке резкой, сверлением, штамповкой. [7] Применяется для изготовления печатных схем, плат и других изделий для работы в условиях нормальной и повышенной относительной влажности окружающей среды при температуре от -60°С до +85°С. Исходя из требований ТЗ и в соответствии с ГОСТ Р50621-93, ГОСТ 23751-86 и ГОСТ 10317-79, ОСТ 4.010.022-85 принимаем следующие требования к плате: класс точности платы – 3; группа жесткости – 3; шаг координатной сетки – 2,5 мм; форма платы – прямоугольная пластина с габаритами 40h12x20h12. Согласно требованию ТЗ печатная плата после монтажа радиоэлементов требует нанесения защитного покрытия от воздействия климатических факторов. Выбираем лак УР-231 светло-коричневый (УР-231 ВТУ ГИПИ-4 №366-62). Хотя, возможно лак ЦАПОН более подходит для покрытия радиоэлектронных изделий, однако достаточно сложно найти емкости более 30 мл, тогда как лак УР-231 является материалом более широкого спектра применения и выпускается в больших емкостях (до 3 л), несколькими производителями [6]. Покрытие данным лаком обладает хорошими электроизоляционными и механическими свойствами, выдерживает интервал температур от -60°С до +120°С в условиях умеренного и холодного климата, что полностью удовлетворяет требованиям к источнику питания в части эксплуатации, транспортирования и хранения. 3.5 Межсоединения. Как указано выше, все соединения на плате производим печатным проводником. Тип платы – ОПП. Способ получения электрических соединений между радиоэлементами и печатными проводниками обеспечивается пайкой. Выбор материалов основан на источниках [4] – цена, комплектация, широта распространения и [5] – описание, общие сведения. Флюс. Флюс выбираем в зависимости от вышеизложенных требований, припоя, срока службы изделия, технологического оборудования на предприятии изготовителя. Флюс прекрасно очищает и подготавливает поверхность под пайку. Повышает смачиваемость, растекаемость и заполнение зазора припоем. Механизм действия флюса заключается в том, что окисные пленки металла и припоя растворяются или разрыхляются и всплывают на поверхность флюса. Вокруг очищенного металла образуется защитный слой флюса, препятствующий возникновению окисных пленок. Жидкий припой замещает флюс и взаимодействует с основным металлом. Слой припоя постепенно увеличивается и при прекращении нагрева затвердевает. Флюсы делятся на два вида: неактивные (безкислотные) и активные (кислотные) [4] Они не отличаются по цене за объем [4], однако кислотный флюс более сложно удалить с поверхности платы, поэтому лучше взять неактивный (бескислотный) Выберем [4] Флюс ФТС (водосмываемый) 30мл – предназначен для пайки деталей радиоэлектронной аппаратуры. Нейтрален, не содержит канифоли, термостоек, не дымит имеет слабую коррозийную активность. Легко смывается водой – что выгодно отличает его от радиомонтажных флюсов «ТАГС», ЛТИ-120, Паяльная паста – все они могут иметь остаточное сопротивление и требуют обязательной промывки водой, ацетоном или бензином. Также есть возможность применить флюс-гель ТТ (со встроенным индикатором активности, в связи с чем отпадает необходимость в промывке), однако он дороже флюса ФТС примерно в семь-восемь раз. Припой. Припой - это сплав металлов, предназначенный для соединения деталей и узлов методом пайки. Припой должен обладать хорошей текучестью в расплавленном состоянии, хорошо смачивать поверхности соединяемых материалов и иметь требуемые характеристики в твердом состоянии (механическая прочность, стойкость к воздействию внешней среды, усадочные напряжения, коэффициент теплового расширения и т.п.). ПОС 61 (температура плавления 190 ºC) – применяют тогда, когда при паянии нельзя перегревать детали, например при соединении очень тонких проводов, так как в этом припое очень высокое содержание олова, что снижает его температуру плавления.5] Выберем припой ПОС-61 – в первую очередь из-за распространенности, большего числа форм и диаметров выпуска (катушки, бухты, трубки, прутки, спирали [4]), а также широкого спектра производителей и, соответственно цен. Также возможно использование припоя ПОСК 50-18 (состав,%: Sn 49-51;Pb 29,8-33,8; Sb 0,2; Cd 17 – 19: температура плавления - 220 ºC), однако он крайне мало распространен по сравнению с припоем ПОС-61. Также существуют бессвинцовый припой "ХАРРИС-2"медно-фосфорный, предназначен в основном для пайки стали или серебра (достаточно редок), а также оловянно-серебряные припои Sn96.5/ Ag3.5, не подходящие по ценовым характеристикам. 3.6. Установка радиоэлементов на плате. Радиоэлементы устанавливаются на печатной плате согласно сборочному чертежу. Перед установкой радиоэлементы проходят операцию формовки, заключающуюся в том, что выводы загибаются по размерам, соответствующим вариантам установки элементов в соответствии ОСТ 45.010.030-92 «Установка навесных элементов на печатной плате». Варианты установки определены с учетом того, что механические воздействия на индикатор в процессе эксплуатации незначительны, масса радиоэлементов мала, габаритные размеры также не велики. Для обеспечения конвекции теплового потока от нагревающихся элементов (резисторов, транзисторов), при их установке в монтажные отверстия необходим зазор между ними и платой 1+0,5 мм. Резисторы. ( R 1- R 5), стабилитроны VD 3, VD 5, VD 6 и диод VD 2 КД522Б Вариант установки 140 по ОСТ45.010.030-92
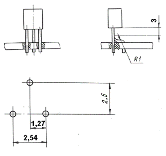
Транзистор VT 1, VT 2 Вариант установки 180 (вариант разметки 3) по ОСТ 45.010.030-92 Транзистор импортный, размеры его рассчитаны под дюймовый шаг координатной сетки, единственным вариантом установки является смещение узлов сетки.
4. Расчет параметров печатных проводников 4.1 Исходные данные Проведем расчет параметров печатного монтажа плат при следующих условиях: Максимальный ток через проводник Iмах =1А Максимальная длина проводника lмах =0,008 м Размер платы 40х20 Класс точности – 3 Вид платы – односторонняя Метод изготовления – сеткография Норма изготовления – класс Б 4.2. Расчет основных конструкторских параметров печатной платы В основном использовались Методические указания к курсовому проектированию [8] 1. Номинальный диаметр неметаллизированного отверстия, мм: d = dB + (0,2…0,3) где dB – диаметр вывода элемента, d1 = 0,9 мм (резисторы, стабилитроны, диоды) d2 = 0,7 мм (транзисторы) Для установки заклепок, диаметр отверстия, мм: d = dзакл + 0,1= 2,1 2. Номинальный диаметр контактной площадки (по нормам класса Б), мм dк = в + 0,7 d1 = 0,9 мм ; dк1 = 1,6 мм d2 = 0,7 мм ; dк1 = 1,4 мм dш = 2,1 мм ; dш1 = 2,8 мм 3. Расстояние, необходимое для прокладки в узком месте между двумя отверстиями n проводников минимальной ширины при минимальных зазорах (отверстия не зенкованые),мм Для отверсий d1 =d2 =1мм l
Б
= l
Б
= 4. Минимальное расстояние между проводником и контактной площадкой :
L0 – расстояние между центрами рассматриваемых элементов. L0 = 2,5 мм; δ1 – допуск на положение элементов. δ1 =0,1 мм; δкп – смещение центра контактной площадки относительно узла координатной сетки δкп =0,1 мм; tmin - минимальная ширина проводника
Минимальное расстояние между контактными площадками:
5. Ширина проводников, определяемая допустимой плотностью тока, γ, допустимым падением напряжения Δ U мм. Ширину проводника t рассчитывают и выбирают в зависимости от допустимой токовой нагрузки, свойств токопроводящего материала, температуры окружающей среды при эксплуатации и пр. [1, с. 25]
t1 min – минимальная допустимая ширина проводника g - максимальная плотность тока для печатных проводников. Принимаем g= 20 А/мм2 . а – толщина фольги. Для выбранного материала платы СФ-1-35-1,50 а = 0,035 мм.
Определяем минимальную ширину печатного проводника из допустимого падения напряжения:
r - удельное объемное сопротивление проводника r= 0,0175 * 10-3 Ом*мм DU – допустимое падение напряжения. Принимаем DU= 0,05 * Uвх = 0,05*15 = 0,75 В
Определяем ширину проводников: tmin =tmin 1 +1,5hф , где tmin 1 = 0,149 мм – минимальная эффективная ширина проводника для плат 3-го класса точности. hф – толщина фольги hф = 35 мкм tmin =0,149+1,5*0,035= 0,201 мм По результатам произведенных расчетов принимаем tmin =1,5 мм 4.3. Расчет электрических параметров печатной платы 1. Емкость в печатном монтаже С= 8,85 eэф Сг l [C] = пф l = 8мм
Следовательно, отношение K` и K можно считать по формуле
2. Индуктивность печатных проводников.
3. Взаимная индуктивность печатных проводников.
S= 5 мм; l=8 мм
Индуктивности и емкости печатной платы настолько малы, что при заданных режимах работы они не будут оказывать влияния на работу устройства, ими можно пренебречь. 4.4. Расчет компоновочных параметров печатного узла Оценим максимальный объем и массу проектируемого узла. Объем будет складываться из объема платы плюс учет высоты самого высокого элемента (светодиоды). Масса – сумма масс всех элементов, в том числе печатной платы с учетом массы припоя.
Список использованных источников 1. Пирогова Е.В. Проектирование и технология печатных плат: Учебник. - М.: ФОРУМ: ИНФРА-М, 2005. - 560 с. 2. Уилльямс Т. ЭМС для разработчиков продукции/Пер. с англ. под ред. Л.Н. Кечиева. - Издательский Дом "Технологии", 2003. - 540 с. 3. Медведев А.М. Печатные платы. Конструкции и материалы. - М.: Техносфера, 2005.-304 с 4. Интернет-магазин электронных компонентов и приборов // http://www.chip-dip.ru/ 5. ЗАО КОМПАНИЯ ЭМПЛ ПРО /Припои, Флюсы, канифоль для паяльных работ //http://www.amplepro.ru 6. ООО Ярославская химическая компания / Лакокрасочные материалы-Лаки //www.yhk.ru 7. ООО "ПО Родонит" / Фольгированные диэлектрики // http://rodonit.chepetsk.ru 8. Методические указания к выполнению курсового проекта. 9. Платы печатные одно- и двусторонние с неметаллизированными отверстиями. Общие технические требования. - ГОСТ Р 50621-93.(МЭК 326-4-80). 10. Спецификация - ГОСТ 2.108. 11. Нанесение размеров и предельных отклонений - ГОСТ 2.307. 12. Обозначение шероховатости поверхностей - ГОСТ 2.309. 13. Правила выполнения чертежей печатных плат - ГОСТ 2.417. 14. Гетинакс и стеклотекстолит фольгированные - ГОСТ 10316. 15. Платы печатные. Основные размеры - ГОСТ 10317. 16. Платы печатные. Термины и определения - ГОСТ 20406. 17. Платы печатные. Конструирование - ОСТ4 ГО.010.011. 18. Допуски и посадки размеров от 0,1 до 5000 мм - ОСТ4 ГО.010.014. 19. Установка навесных элементов на печатной плате - ОСТ4 ГО.010.030. 20. Детали крепления радиоэлементов на печатных платах - ОСТ4 ГО.812.000. |











