Курсовая работа: Определение поверхности теплообмена
|
Название: Определение поверхности теплообмена Раздел: Промышленность, производство Тип: курсовая работа | ||||||||||||||||||||||||||||||||||||||||||||||||||||||||||||||||||||||||||||||||||||||||||||||||||||||||||||||||||||||||||||||||||||||||||||||||||||||||||||||||||||||||||||||||||||||||||||||||||||||||||||||||||||||||||||||||||||||||||||||||||||||||||||||||||||
Министерство образования и науки Украины Сумский государственный университет Кафедра технической теплофизики Курсовая работапо дисциплине “Тепломассообмен” Сумы 2009 Содержание 1. Термодинамический расчет 2. Определение теплофизических свойств теплоносителей 3. Предварительная компоновка теплообменной системы 4. Гидродинамический расчёт 5. Расчёт теплопередачи после оребрения Список литературы 1. Термодинамический расчет Постановка задачи: При проектировании теплообменного аппарата, целью расчёта которого является определение поверхности теплообмена, должны быть известны расход горячего и холодного теплоносителей, их температуры на входе и на выходе и теплоёмкости. Принято обозначать параметры горячего теплоносителя индексом-1 и холодного теплоносителя индексом-2. Исходные данные: 1. Температура выхлопных газов tг =440°C. 2. Расход выхлопных газов m1 =90кг/с. 3. Параметры воды на входе в экономайзер: -температура воды на входе в экономайзер t2 '=105°C; -давление воды на входе в экономайзер p1 =2 бар. 4. Параметры выхлопных газов после пароперегревателя: -температура выхлопных газов после пароперегревателя tп = tг -50°C 5. Температура выхлопных газов на входе в экономайзер t1 '= t2 ''+∆ tг , где ∆ tг =15…20°C. Требования по сопротивлению: Газодинамическое сопротивление не должно превышать ∆ p1 ≤2кПа (2% от номинала). Гидродинамические показатели не ограничены, но скорость воды в трубах не должна превышать 2-3 м/с. Выхлопные газы газотурбинной установки содержат 75 % воздуха, поэтому их свойства можно считать по свойствам воздуха. Газовая постоянная R=292 t2 ''=208°C при p2 =18 бар (из таблицы для воды и сухого насыщенного пара). t1 '= t2 ''+ (15…20°C) =208+20=228°C tп = tг -50°C=500-50=450°C
Рисунок 1- Принципиальная схема ПТУ
Рисунок 2- Схема процесса в T,s-координатах Термодинамическая модель Если теплота горячего теплоносителя полностью воспринимается холодным теплоносителем, то уравнение теплового баланса
где Средняя теплоёмкость в интервале температур от 0 до t определяется следующим эмпирическим уравнением: Cpm Уравнение теплопередачи:
где
Средний температурный напор:
где Тепловой поток от выхлопных газов:
где hГ – энтальпия выхлопных газов. Расчетная часть Определяем тепловой поток:
Найдем расход воды с энергобаланса:
где энтальпия hп
=3360
Тепловой поток в экономайзере:
Определяем температуру выхлопных газов на выходе из экономайзера:
Средний температурный напор
Таблица 1.1. Результаты расчета.
2 Определение теплофизических свойств теплоносителейПлотность выхлопных газов на входе определяем из уравнения состояния газа
где R=292
Плотность выхлопных газов на выходе определяем из уравнения состояния газа
где R=292
Средняя плотность выхлопных газов
Средняя температура выхлопных газов
Теплофизические свойства воздуха определяем по табличным данным из табл. 2, с. 284 [2] по Таблица 2.1. Теплофизические свойства воздуха.
Теплофизические свойства воды определяем по табличным данным из табл. 3, с. 286 [2]: при при Средняя плотность воды
Средняя температура воды
Теплофизические свойства воды определяем по табличным данным из табл. 3, с. 284 [2] по Таблица 2.2. Теплофизические свойства воды.
Таблица 2.3. Результаты расчета.
3 Предварительная компоновка теплообменной системыАлгоритм расчёта Целью эскизной компоновки теплообменника является определение предварительных размеров теплообменных аппаратов. Принимаем перекрестно-противоточную схему. Она предполагает следующее распределение температуры по площади теплообменника:
Рисунок 3.1Распределение температуры по площади теплообменника Изменение средней температуры вычисляется по формуле
где Основное уравнение теплопередачи
где
Отсюда можем определить площадь теплообмена:
Коэффициент теплопередачи
Из таблицы 3.4 стр.6 [1] принимаем коэффициент теплоотдачи от воздуха к стенке Диаметры труб выбираем из стандартного ряда, приведенного ниже: 24 Наиболее выгодно применять трубы с диаметрами 32 Для Ст20 коэффициент теплопроводности В первом приближении принимаем шахматное расположение пучков труб:
Рисунок 3.2 Шахматное расположение пучка труб Отношение продольного шага к наружному диаметру обозначим через а , а отношение поперечного шага к наружному диаметру обозначим через в . Таким образом
При этом а
находится в интервале 1,5…2,5.
Рисунок 3.3 Эскизная компоновка экономайзера Уравнение баланса
где
Рекомендуется брать Отсюда Среднерасходная скорость воды на выходе
Общая площадь газопровода
где L- длина, которая задаётся из интервала 4…6 м; B-ширина, равная 1,5…4 м. Скорость газа в межтрубном пространстве
Площадь теплообмена
где
Высота теплообменника
Расчётная часть Изменение средней температуры
принимаем Тепловой поток Коэффициент теплопередачи
Из таблицы 3.4 стр.6 [1] принимаем коэффициент теплоотдачи от воздуха к стенке Диаметры труб выбираем 38 Для Ст20 коэффициент теплопроводности
4.3.
Число труб в одном ряде
Число труб в двух рядах Среднерасходная скорость воды на выходе
Задаёмся длиной и шириной L =6м; B=4м. Общая площадь газопровода
Скорость газа в межтрубном пространстве
Число рядов труб
Высота теплообменника Таблица 3.1. Результаты расчётов.
4. Гидродинамический расчёт Алгоритм расчёта Целью гидродинамического расчёта является определение потери давления горячего и холодного теплоносителя при прохождении через аппарат. Гидродинамическое сопротивление элементов теплообменного аппарата определяется условиями движения теплоносителей и особенностями конструкции аппарата. Определим сопротивление по потоку выхлопного газа:
где поперечные потери давления местные потери давления
средняя скорость выхлопных газов
согласно таблице П.1.6 стр.17 [1] значения коэффициентов:
Необходимо определить число Рейнольдса:
Эквивалентный диаметр межтрубного пространства:
где Гидродинамическое сопротивление по холодному теплоносителю (по воде):
По числу Рейнольдса определяем режим течения. Определяем сопротивление по потоку воды:
Где
Расчётная часть Средняя скорость выхлопных газов
Определим сопротивление по потоку выхлопного газа:
где поперечные потери давления
местные потери давления
Эквивалентный диаметр межтрубного пространства:
где Число Рейнольдса:
Число Рейнольдса для воды
Вывод: режим течения турбулентный. Потери в трубах
где
Потери местного сопротивления
Определяем сопротивление по потоку воды
Таблица 4.1 Результаты расчётов.
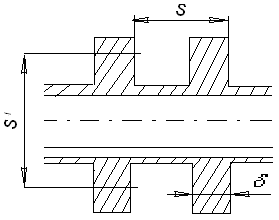
5 Расчёт теплопередачи после оребрения Алгоритм расчёта Целью расчёта является завершение компоновки теплообменника, уточнение расчётов теплопередачи и гидродинамического сопротивления. Коэффициент теплоотдачи по воздуху незначителен, поэтому необходимо делать оребрение для увеличения этого коэффициента.
Рис 5.1 Схема оребрения Выбираем параметры ребра из заданных пределов:
Коэффициент теплоотдачи будет равен
Где
ε - степень оребрения
Е-степень эффективности рёбер, принимается равной 0,8, Ψ-поправка на обтекание рёбер, примерно равна 1, χ-коэффициент межтрубного пространства:
α1 -коэффициент теплоотдачи от воздуха, определяется из критериального уравнения:
α2 - коэффициент теплоотдачи от воды, определяется из критериального уравнения:
Число Нуссельта при турбулентном режиме течения в канале(стр.14 [1]):
Рис. 5.2 Схема оребрения Находим свободную площадь газохода с учётом оребрения:
Уточняем значение скорости выхлопных газов после установки рёбер:
Число Рейнольдса для выхлопных газов с учётом оребрения:
Число Нуссельта после оребрения:
Значения Уточняем значение степени эффективности рёбер:
Где Уточняем площадь теплообмена, число рядов труб и высоту теплообменника:
Необходимо учитывать эксплуатационное загрязнение теплообменного аппарата и делать запас по площади.
Затем пересчитываем число рядов труб и уточняем высоту теплообменника. После установки рёбер изменится гидравлическое сопротивление по воздуху
Расчётная часть Выбираем параметры ребра из заданных пределов:
Число Нуссельта при турбулентном режиме течения в канале(стр.14 [1]):
Определяем коэффициент теплоотдачи от воды из критериального уравнения:
Степень оребрения
Коэффициент межтрубного пространства:
Находим свободную площадь газохода с учётом оребрения:
Уточняем значение скорости выхлопных газов после установки рёбер:
Число Рейнольдса для выхлопных газов с учётом оребрения:
Число Нуссельта после оребрения:
Коэффициент теплоотдачи от воздуха, определяется из критериального уравнения:
Приведенный коэффициент теплоотдачи для воздуха
Коэффициент теплоотдачи будет равен
Эквивалентная высота для прямоугольных рёбер
коэффициент
Уточняем значение степени эффективности рёбер:
Ψ=1-0,058( Уточняем площадь теплообмена, число рядов труб и высоту теплообменника:
Необходимо учитывать эксплуатационное загрязнение теплообменного аппарата и делать запас по площади.
Затем пересчитываем число рядов труб и уточняем высоту теплообменника.
После установки рёбер изменится гидравлическое сопротивление по воздуху
Таблица 5.1 Результаты расчётов
Список литературы 1. Методические указания к курсовой работе по дисциплине «Тепломассообмен» для студентов энергетических специальностей, СумГУ, 2006. 2. Михеев М.А., Основы теплопередачи, Госэнергоиздат,1956. 3. Новиков И.И. и Воскресенский К.Д., Прикладная термодинамика, Госэнергоиздат, 1961. 4. Швец Т., Общая теплотехника, Издательство Киевского Университета, 1963. 5. Константінов С.М. Теплообмін: Підручник. – К.: ВПІ ВПК «Політехніка»: Інрес, 2005. – 304с. |


, (2.5)
,
,
44,63˚С
,
,
, (3.3)
(3.4)
,
. (3.5)
. (3.7)
. (3.8)
- на входе (3.10)
- на выходе (3.11)
(3.13)





,


, (5.1)

(5.7)
, (5.10)
-эквивалентная высота для прямоугольных рёбер, коэффициент 


.
,
,
