Учебное пособие: Электричество и магнетизм изучение свойств ферромагнетиков
|
Название: Электричество и магнетизм изучение свойств ферромагнетиков Раздел: Рефераты по физике Тип: учебное пособие | ||||||||||||||||||
Министерство общего и профессионального образования Российской Федерации Саратовский государственный технический университет Одобрено редакционно-издательским советом СГТУ ЭЛЕКТРИЧЕСТВО И МАГНЕТИЗМ ИЗУЧЕНИЕ СВОЙСТВ ФЕРРОМАГНЕТИКОВ Методические указания к лабораторным работам по физике для студентов всех специальностей. Саратов 2008 ВведениеНастоящие методические указания состоят из описания шести лабораторных работ по курсу электричества и магнетизма: 1. Моделирование электростатического поля. 2. RLC - контур. 3. Индуктивность. 4. Термоэлектродвижущая сила. 5. Изучение свойств ферромагнетиков. 6. Эффект Холла. В методических указаниях принята традиционная компоновка подобных описаний, состоящая из разделов: основные понятия, методика эксперимента, порядок выполнения работы, обработка результатов эксперимента. Для подготовки к лабораторным работам необходимо использовать лекционный и учебный материал. Большое внимание уделяется обработке результатов экспериментов. Методические указания составлены таким образом, что преподаватели и студенты имеют возможности вносить в каждую работу модификации заданий и их интерпретации к семинарским и лекционным курсам. Лабораторная работа 1Термоэлектродвижущая силаЦель работы: Изучение контактных явлений в металлах и термоэлектрических методов измерения температуры, снятие зависимости термоэлектродвижущей силы от разности температур холодного и горячего спаев, градуировка термопары, определение постоянной термопары и концентрации электронов. ОСНОВНЫЕ ПОНЯТИЯ. Экспериментально доказано, что в металлах, имеются свободные электроны, способные перемещаться по металлу Такая система свободных электронов в кристаллической решетке называется электронным газом. Свободными электроны в металле можно считать лишь относительно. Вблизи границы металла на электроны действует электрическая сила, удерживающая их внутри металла. Чтобы преодолеть эту силу, электрон должен совершить определенную работу. Для удобства количественного описания процесса удобно ввести понятие "потенциальный ящик". Можно полагать, что электроны внутри металла имеют определенную отрицательную энергию, которая резко возрастает и обращается в нуль на границе металла Электрон в металле имеет, таким образом, кинетическую отрицательна. Глубина "потенциального ящика" (т.е. величина Для того, чтобы вырвать электрон из металла, ему необходимо сообщить энергию С увеличением температуры энергия электронов повышается. Однако даже при температурах, близких к температуре плавления, глубина потенциального ящика остается практически неизменной, так что энергию, которую нужно сообщить электрону для вырывания его из металла, можно определить по той же формуле, что и при Т=0.
Рис.2.1"Потенциальный ящик" электронов внутри металла. Кинетическая энергия электронов отсчитывается от "дна" потенциального ящика. Вследствие теплового движения электроны проводимости могут выходить из металла в окружающее пространство. В результате вылета электронов из металла вблизи поверхности проводника образуется двойной электрический слой толщиной в несколько межатомных расстояний. Металл оказывается заряженным положительно, а вылетающие электроны образуют отрицательно заряженное "облако". Между металлом и электронным облаком возникает разность потенциалов Электрон, выходя из металла, совершает работу против сил притяжения со стороны положительно заряженного проводника и против сил отталкивания со стороны ранее вылетевших электронов. Эта работа совершается за счет уменьшения кинетической энергии электронов и называется работой выхода электрона из данного металла. Работа выхода
где При соприкосновении двух проводников электроны вследствие теплового движения переходят из одного проводника в другой. Если соприкасающиеся проводники различны или если их температуры в разных точках неодинаковы, то оба потока диффузии электронов неодинаковы и один из проводников заряжается положительно, а другой отрицательно. Поэтому в пограничном слое между проводниками появляется электрическое поле, уравновешивающее разность диффузных потоков. Опыт показывает, что в контакте двух различных проводников наблюдаются тепловые явления при протекании электрического тока (в зависимости от направления тока происходит либо нагревание, либо охлаждение контакта) Это явление получило название явления Пельтье. Наличие тепла Пельтье означает, что кинетическая энергия электронов при переходе из одного проводника в другой изменяется. Если она увеличивается, то спай нагревается, если же она уменьшается, то спай охлаждается. Это значит, что между обоими проводниками имеется некоторая разность потенциалов, которая не зависит от тока и существует даже в его отсутствии. Она получила название внутренней контактной разности потенциалов. Возникновение внутренней контактной разности объясняется следующим образом. Рассмотрим два различных металла 1 и 2 (рис.2.2), находящихся при одной и той же температуре, и предположим, что мы привели их в соприкосновение. Электроны проводимости вследствие теплового движения будут переходить из проводника 1 в проводник 2 и обратно. Так как концентрация электронов в обоих металлах различна, то и диффузионные потоки электронов будут неодинаковыми. Положим, что концентрация электронов в металле 1 больше концентрации в металле 2.
W 1 2
X Рис.2.2 Контакт двух различных проводников и распределение потенциальной энергии электронов. Положим, что концентрация электронов в металле 1
больше концентрации в металле 2.
Тогда поток диффузии электронов из металла 1 будет больше потока диффузии в обратном направлении и металл 1 будет заряжаться положительно, а металл 2 - отрицательно. В результате этого между металлами возникнет разность потенциалов и появится электрическое поле, которое вызовет дополнительное движение электронов (переносное, или дрейфовое,
движение) в обратном направлении - от металла 2 к металлу 1,
поэтому общее количество электронов, переходящих от 1
к 2, будет уменьшаться, а идущих в противоположном направлении - увеличиваться. При некоторой внутренней контактной разности потенциалов Отметим, что вследствие большой тепловой скорости электронов обмен электронами происходит весьма быстро и равновесие устанавливается уже в ничтожные доли секунды. Согласно закону Ома плотность тока внутри металла равна Полученные результаты можно наглядно представить с помощью энергетической диаграммы. Будем откладывать по вертикальной оси потенциальную энергию электрона внутри металла, равную Так как в отсутствии тока потенциал внутри металла одинаков, то и энергия Вычислим теперь величину внутренней контактной разности потенциалов. В классической электронной теории задача о равновесии электронов в двух соприкасающихся проводниках не отличается от задачи о равновесии атомарного газа, находящегося в поле тяжести. Из молекулярной физики известно, что концентрация атомов газа где
Полученная формула показывает, что чем больше различие в концентрациях электронов и, тем больше и внутренняя контактная разность. Возникновение внешняя контактной разности потенциалов объясняется следующим образом. Рассмотрим, какое электрическое состояние установится у свободных концов дух соприкасающихся металлов. Пусть, сначала два различных металла 1 и 2 разобщены друг с другом. В этом случае потенциальная энергия электрона в различных точках пространства изображается кривыми рис.2.3а. При построении этого графика энергия покоящегося электрона в вакууме (вне металла) принята равной нулю. Так как оба металла не заряжены, то электрического поля между ними нет и энергия электрона в пространстве между металлами остается постоянной. Она постоянна и внутри металлов (точнее, постоянно ее среднее значение), но имеет другую, меньшую величину. Каждый кусок металла на этом графике характеризуется потенциальным ящиком. В классической теории глубина потенциальной ямы равна термоэлектронной работе выхода электрона из металла А. Приведем теперь в соприкосновение оба куска металла. Тогда в контактном слое вследствие диффузии электронов установится скачок потенциала Uвнутренний, равный внутренней контактной разности потенциалов. и между днищами обеих потенциальных ящиков будет малое энергетическое расстояние eU ( рис.2.3). Но так как глубины потенциальных ящиков различны. то их внешние края окажутся на разных высотах. Это значит, что между двумя любыми точками А и Б, находящимися вне металлов, но расположенными в непосредственной близости от их поверхностей, возникает разность потенциалов. 1 2 1 2
A Б
Рис.2.3 Возникновение внешней контактной разности потенциалов. Она получила название внешней контактной разности. потенциалов обоих металлов. Между обоими соприкасающимися металлами во внешнем пространстве появится электрическое поле, а на поверхности металлов возникнут электрические заряды (рис.2.3). Из рис.2.3 видно, что контактная разность потенциалов равна
где знак + или - следует выбирать в зависимости от знака внутренней контактной разности. Оценка показывает, что
т.е. контактная разность потенциалов двух металлов равна разности их работ выхода. Квантовая теория металлов показывает. что формула (2.4) верна совершенно точно. Рассмотрим теперь цепь, состоящую не из двух, а из нескольких металлов 1, 2, 3, 4 ( рис.2.5). Если бы мы ее разрезали по aa, то между свободными концами металлов 1 и 2 была бы контактная разность
Аналогично между разрезами аа и 66 была бы разность потенциалов
а у последней пары металлов
++
2
Рис.2.4 При соприкосновении двух различных металлов во вешнем пространстве появляется электрическое поле, а на поверхности металлов возникают заряды
а 2 1 3 4 в Рис.2.5 При соединении нескольких проводников 1,2,3,4 электрическое поле определяется только крайними проводниками1 и 4. Так как в плоскостях аа. бб и т.д. соприкасаются одинаковые металлы, то дополнительные разности потенциалов здесь не возникают; поэтому контактная разность всей цепи равна
т.е. такая же, как в отсутствии промежуточных металлов 2 и 3. Контактная разность определяется только крайними металлами цепи. Если имеется замкнутая цепь, составленная из разных металлов или вообще из электронных проводников (проводников первого класса), то внешняя контактная разность вообще не возникает и остаются только внутренние контактные разности и т.д. Сумма этих скачков потенциала равна
Следовательно, и электродвижущая сила цепи, составленной из каких угодно проводников первого класса, но заходящихся при одинаковой температуре, равна нулю. Такой же результат получается и в квантовой теории металлов. Составим замкнутую цепь из двух разнородных металлов и будем поддерживать температуры контактов Контактные разности потенциалов в спаях
Постоянная для двух данных металлов величина
называется постоянной термопары или удельной термо-э. д. с. Удельная термо-э. д. с. равна термоэлектродвижущей силе, возникающей в цепи при разности температур спаев в один кельвин. Формулу (2.7) можно записать в виде:
откуда видно, что термо-э. д. с., пропорциональна разности температур спаев. Удельная термо-э. д. с. - не строго постоянная величина и несколько зависит от температуры. Благодаря возникающей термо-э. д. с., в термопаре возникает ток. Для его поддержания необходимо обеспечить разность температур спаев, то есть к горячему спаю подводить тепло, а холодный спай поддерживать при одной и той же температуре. В этом случае происходит преобразование тепловой энергии в электрическую. Методика эксперимента
П. нагрев. - охлаждение 1 2 3 Горячие спаи Рис.2.6 В установке используют термопарный термометр, состоящий из батареи М последовательно соединенных холодных и горячих спаев двух разнородных металлов (рис.2.6). Горячие 1 спаи помещены в сосуд с водой 3, нагреваемый элементом 4. Температура воды регистрируется термометром 5. Холодные спаи 2 помещены в сосуд с водой 6 при комнатной температуре, регистрируемой термометром 7. Так как горячие и холодные спаи одинаковы то по формуле (2.7) для последовательного соединения
где При включении нагревателя температура горячих спаев увеличивается и по цепи с милливольтметром потечет ток. В процессе измерения регистрируется линейная зависимость () термоэлектродвижущей силы от разности температур горячего и холодного спаев. Как следует из (2.9) тангенс угла наклона
Обработка результатов эксперимента1. Построить зависимость термоэлектродвижущей силы от разности температур горячего и холодного спаев, провести через точки прямую 2. По формуле () найти отношение концентрации электронов в металлах спая термопары. РАСЧЕТ ПОГРЕШНОСТЕЙ. 1. Вычисление постоянной термопары где
Погрешность определения углового коэффициента
Приборная погрешность определения
где Суммирование систематической и случайной погрешностей осуществляется по формуле () и дает:
Рабочая формула для расчета отношения концентрации носителей:
Расчет погрешности
Вопросы для самопроверкиЧто такое работа выхода электронов из металла? Что такое внутренняя и внешняя контактные разности потенциалов? В каком случае возникает термо-э. д. с. и отчего она зависит? Что такое удельная термоэ. д. с.? Выведите формулу для определения удельной термоэ. д. с. В чем заключается градуировка термопары? Выведите формулу для определения погрешности в измерении? Лабораторная работа 2ИндуктивностьЦель работы: изучение закона электромагнитной индукции, расчет индуктивности короткого соленоида; проверка закона Ома для цепи постоянного и переменного тока с индуктивностью и активным сопротивлением; экспериментальное определение индуктивности короткого соленоида и магнитной проницаемости сердечника. ОСНОВНЫЕ ПОНЯТИЯ. 1. При любом изменении магнитного потока
Рис.3.1 Из уравнения (3.1) следует, что поток магнитной индукции может изменяться как при движении контура в стационарном магнитном поле, так и за счет изменения индукции магнитного поля во времени. Знак минус выражает правило Ленца: ток в контуре имеет всегда такое направление, что создаваемое им магнитное поле препятствует изменению магнитного потока, вызвавшего этот ток. В отсутствии внешнего магнитного поля электрический ток: текущий в контуре: создает вокруг себя магнитное поле: индукция которого по закону Био-Савара-Лапласа пропорциональна току в контуре. Если в контуре протекает переменный ток, то сцепленный с ним магнитный поток будет изменяться во времени и между точками 1 и 2 возникает э. д. с. индукции. Данное явление называется самоиндукцией. Магнитный поток при самоиндукции пропорционален току в контуре
так что закон Фарадея можно записать в следующей форме:
Коэффициент пропорциональности L называется индуктивностью контура и зависит только от его геометрических размеров. Индуктивность определяется из закона Био-Савара-Лапласа в результате интегрирования по длине проводящего контура l с учетом выражения (3.2) для потока магнитной индукции:
где 2. Получим формулу для расчета индуктивности короткого соленоида, длина которого l
соизмерима с его радиусом
Рис.3.2 Индукция магнитного поля в точке 0 на оси соленоида, создаваемая участком намотки
где
Интегрируя уравнение (3.6) по длине витка, получаем выражение для индукции магнитного поля, создаваемую одним витком:
В результате интегрирования уравнения (3.5) по всем значениям
При вычислении индукции магнитного поля реального соленоида необходимо учитывать не только зависимость
Для длинного соленоида (
Индуктивность катушки, заполненной магнетиком с магнитной проницаемостью, рассчитывается по формулам:
3. Определим величину переменного тока в цепи, состоящей из катушки индуктивности с активным сопротивлением
Рис.3.3 В соответствии с формулами (4.11) и (4.12) этот ток изменяется по закону
Амплитуда тока
Из (3.14) следует, что ток в цепи отстает по фазе от приложенного напряжения на угол
Зависимость амплитуды тока от
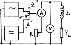
Методика экспериментаЭкспериментальная установка состоит из двух источников постоянного и переменного токов: регулировка которых осуществляется потенциометром
Рис.3.4 Вольтметр В установке предусмотрены элементы, позволяющие измерять одним и тем же прибором характеристики переменного и постоянного тока. Порядок выполнения работы1. В положении переключателя " 2. Снять зависимость тока в цепи переменного тока от напряжения на катушке 3. Аналогичные измерения в п.2 провести для катушки со стальным сердечником, который ввинчивается в катушку индуктивности на правой панели прибора. Обработка результатов эксперимента1. На основании результатов измерений определить величину активного сопротивления
где N
- число измерений 2. Используя метод наименьших квадратов, аналогичным образом определить
3. Вычислить индуктивность катушки без сердечника:
4. Вычисления п. п.1-3 повторить для катушки с сердечником и найти 5. Определить магнитную проницаемость сердечника, используя формулу:
6. Рассчитать индуктивность катушки по формуле (3.11), используя известные геометрические размеры соленоида. Сравнить теоретические и экспериментальные результаты. Расчет погрешностей1. Расчет погрешности определения активного сопротивления катушки. Вычисление активного сопротивления катушки rL
и случайной составляющей Погрешность определения углового коэффициента D A находится из соотношения (II.9). Здесь необходимо также учесть приборные погрешности определения активного сопротивления по формуле:
где Суммирование случайной и систематической погрешности осуществляется по формуле (II.10):
2. Расчет погрешности определения полного сопротивления катушки. Вычисление z
и
позволяет определить полную погрешность, что дает:
3. Определение индуктивности и погрешности индуктивности катушки. Формула для определения индуктивности:
Абсолютная погрешность
Вопросы для самопроверкиОпределите зависимость индукции магнитного поля в произвольной точке пространства от тока, протекающего по проводнику. В чем заключаются отличия э. д. с. индукции от э. д. с. самоиндукции? Как зависит э. д. с. самоиндукции от геометрических размеров контура с током? Вычислите индуктивность бесконечного соленоида. Как определяется полное сопротивление индуктивности при переменном токе? Получите формулу для определения индукции магнитного поля в коротком соленоиде. В каком порядке производятся теоретические и экспериментальные исследования? Лабораторная работа 3.RLC - КОНТУР Цель работы: изучение электромагнитных колебаний в последовательном RLC - контуре; исследование затухающих колебаний; снятие резонансных кривых; определение добротности полосы пропускания, резонансной частоты и декремента затухания; сравнение теоретических и экспериментальных кривых. ОСНОВНЫЕ ПОНЯТИЯ
Рис.4.1 Конденсатор C
, катушка индуктивности L
и активное сопротивление R
, соединенные последовательно, образуют колебательный RLC
- контур. Электрические колебания в контуре возбуждаются в результате периодического обмена между энергией электрического поля конденсатора
Сила тока равна скорости изменения заряда, так что (4.1) эквивалентно дифференциальному уравнению второго порядка
где введены обозначения: Решение уравнения (4.2) представим в виде линейной комбинации
l1
, l2
- корни характеристического уравнения Из приведенной зависимости следует, что при выполнении неравенства
где
где q0 и j - произвольные постоянные, имеющие смысл амплитуды колебаний в момент времени t=0 , j - начальная фаза. Отношение
а)
Рис.4.2 В соответствии с видом функции (4.5), изменение заряда во времени можно рассматривать как гармоническое колебание частоты w1
с амплитудой, изменяющейся по закону
Логарифмический декремент затухания характеризует колебательную систему и имеет определенный физический смысл. За время t
, в течение которого амплитуды a (
t)
уменьшается в e
раз, система совершает Для характеристики колебательной системы часто используют величину
которую называют добротностью колебательной системы. Периодическая во времени внешняя э. д. с., включенная в последовательный контур, создает в нем вынужденные колебания. Суммируя напряжение с э.д.с. самоиндукции, получаем из (4.1) уравнение для определения заряда:
Общее решение уравнения (4.8) равно сумме общего решения однородного уравнения при e0 =0 и частного решения неоднородного уравнения. Общее решение однородного уравнения определяется формулой (4.5) и затухает с ростом времени. Частное решение уравнения (4.8) найдем методом комплексных амплитуд. В соответствии с данным методом, представим уравнение в виде реальной части комплексного уравнения
решение которого имеет вид:
где Производная по времени от реальной части Y позволяет получить гармоническую зависимость тока в цепи от времени t :
где Из последних уравнений следует, что ток отстает по фазе от приложенной внешней э. д. с. на угол j
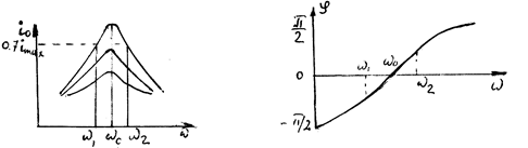
, причем амплитуда тока достигает максимального значения
Из уравнения (4.13) и графиков зависимости амплитуды тока от частоты следует, что с ростом сопротивления контура (активного R ) добротность колебательной системы уменьшается. Рис.4.3б иллюстрирует зависимость тангенса угла j от частоты.
а) б) Рис.4.3 Методика эксперимента
Рис.4.4 Экспериментальная установка содержит последовательный RLC - контур, изменение элементов которого осуществляется переключателями П1 и П2. Режим работы задается переключателем П3: в положении "ПЕР" - исследуются периодические затухающие и незатухающие колебания; в положении "АПЕР" - апериодический процесс. Подключение внешних источников э. д. с. - генератора синусоидальных колебаний Г1 и генератора импульсов Г2 осуществляется кабелями через разъемы, расположенные на передней панели блока. Возможно использование одного генератора с двумя каналами выхода синусоидальных и импульсных колебаний. В качестве регистрирующего прибора используется осциллограф, подключенный кабелем к разъему "ОСЦ" на передней панели блока. Градуировка вертикальной развертки осциллографа осуществляется с учетом активного сопротивления нагрузки на его входе
Калибровка горизонтальной оси времени осуществляется аналогичным образом: импульс определенной длительности t с выхода генератора Г2 подается на вход осциллографа, регулировкой длительности развертки находится стабильная картина, определяется длительность импульса в делениях масштабной сетки xk и по ней определяется масштаб горизонтальной развертки:
В отдельных моделях осциллографов соответствующие масштабы указаны на делителях вертикального и горизонтального отклонения, так что операции калибровки осей не производятся. Суммарное активное сопротивление контура зависит от положения переключателя П2:
Из формулы (4.12) следует, что при резонансе для двух значений активных сопротивлений контура выполняется закон Ома:
из которого получает формулу для расчета активного сопротивления индуктивности:
Порядок выполнения работыI. Экспериментальное исследование вынужденных колебаний. Включить все электронные блоки установки, откалибровать вертикальную и горизонтальную развертки осциллографа или выбрать соответствующий масштаб с помощью делителей. Подключить кабелем к установке генератор синусоидальных колебаний Г1, задать напряжение на его входе и при дальнейших измерениях его не менять. Переключатель П3 поставить в положение "ПЕР", задать переключателем П1 величину C1 , а переключателем П2 - значение сопротивления нагрузки R1 . Изменяя частоту колебаний верньером генератора, снять зависимость U на входе осциллографа в делениях масштабной сетки от частоты n . Изменить переключателем П2 сопротивление R1 на R1 + R2 и проделать измерение п.3. Изменить переключателем П2 сопротивление на R1 + R2 + R3 и проделать измерение п.3. Аналогичные измерения п.3, 4, 5 можно проделать в положении переключателя П1 - "C2 ". II. Исследование затухающих колебаний. Подключить генератор импульсных колебаний Г2 и задать длительность, амплитуду и период повторения импульсов, переключателем на панели генератора. Делителем горизонтальной развертки добиться устойчивой картины затухающих колебаний. В положении переключателей П3 "ПЕР", П1 - "C1 ", для значения активного сопротивления, устанавливаемого переключателем П2, измерить амплитуду затухающих колебаний в делениях вертикальной масштабной сетки через период для 10 периодов и длительность одного периода в делениях горизонтальной масштабной сетки. Изменить переключателем П2 сопротивление R1 на R1 + R2 и проделать измерение п.3. Изменить переключателем П2 сопротивление на R1 + R2 + R3 и проделать измерение п.3. Аналогичные измерения п.3, 4, 5 можно проделать в положении переключателя П1 - "C2 ". III. Апериодический процесс. Для наблюдения апериодического процесса переключатель П1 установить в среднее положение "0", а переключатель П3 - в положение "АПЕР". Переключателем П2 задать значение сопротивления нагрузки R1 и скопировать на кальку кривую с экрана осциллографа. Переключателем П2 изменить сопротивление на R1 + R2 и проделать те же измерения, что и в п.1. Переключателем П2 изменить сопротивление на R1 + R2 + R3 и выполнить задание п.1. Обработка результатов эксперимента1. По формуле (4.14) определить масштабы вертикальной сетки осциллографа для различных сопротивлений нагрузки, пересчитать зависимости, полученные в п.3,4,5 с учетом этого масштаба и построить резонансные кривые контура. 2. По резонансным кривым определить: а) резонансную частоту nрез ; б) полосу пропускания Dn
на высоте в) для различных сопротивлений нагрузки определить добротность контура по формуле:
г) по формуле (4.17) вычислить величину активного сопротивления индуктивности; д) по формуле (4.16) вычислить полное активное сопротивление контура; е) построить зависимость добротности контура от величины ее обратного активного сопротивления ж) по формуле з) проверить закон Ома при резонансе, для чего по резонансным кривым построить зависимость и) провести через полученные точки прямую, параллельную оси абсцисс, и найти амплитудное значение внешней э. д. с. 3. Используя полученные данные по формуле (4.12), рассчитать теоретические резонансные кривые и сравнить с полученными экспериментальными данными (п.1 раздел "обработка результатов"). 4. По формулам (4.14) и (4.15) определить масштабы вертикальной и горизонтальной сеток осциллографа для различных сопротивлений нагрузки и построить кривые затухания по результатам раздела II п.3,4,5. 5. По кривым затухания определить: а) период и частоту затухающих колебаний для различных сопротивлений нагрузки; б) по формуле
по известным значениям параметров контура рассчитать период затухающих колебаний и сравнить с экспериментальными значениями; в) по формуле
рассчитать несколько значений логарифмического декремента затухания для различных сопротивлений контура и найти среднее значение для каждого значения R ; г) по формуле
рассчитать зависимость постоянной затухания от сопротивления контура и построить эту зависимость; через точки провести прямую и найти тангенс угла ее наклона к оси R ; д) по формуле 6. Для каждой кривой затухания, полученной в разделе III по формулам
рассчитать значения Расчет погрешностей1. Рабочая формула для расчета добротности RLC -контура:
Здесь при расчетах следует учесть, что погрешность определения резонансной частоты Dnрез и полосы пропускания в (Dn ) следует считать равной суммарной приборной погрешности установки частоты генератора и погрешности определения амплитуды осциллографом, равной в нормальных условиях эксплуатации Dnосц = ±5%, так что
где
Расчет Q и DQ проводится для каждого значения сопротивления нагрузки. 2. Рабочие формулы для расчета активного активного сопротивления катушки индуктивности:
Расчет погрешности осуществляется на основании формулы (4.17) и методики расчета погрешности косвенного измерения, в результате чего получаем:
где Зависимость (4.24) получена при условии, что номиналы сопротивлений R1
и R2
заданы точно. Поэтому погрешность определения суммарного сопротивления контура, вычисляемого по формуле:
3. Вычисление постоянной A
в зависимости добротности контура от величины обратного сопротивления контура осуществляется методом наименьших квадратов для случая, когда прямая проходит через начало координат, используя формулу (II.8), где Рабочая формула:
Погрешность определения углового коэффициента DA находится из соотношения (II.9). 4. Рабочая формула для проверки закона Ома при резонансе:
Вычисление погрешности определения среднего значения э. д. с. De
осуществляется по методике расчета случайной погрешности, используя формулы (II.1) - (II.3), где 5. Погрешность определения периода затухающих колебаний складывается из случайной погрешности DT
сл
многократного измерения по кривым затухания и систематической погрешности определения времени по осциллографу, равной в нормальных условиях работы
Величина DT
сл
рассчитывается по методике определения случайной погрешности прямых многократных измерений с использованием формул (II.1) - (II.3), где 6. Вычисление среднего значения логарифмического декремента затухания Q и погрешности его определения DQ осуществляется по методике определения случайной погрешности, используя формулы (II.1) - (II.3), где
7. Рабочая формула для определения постоянной затухания
На основании (4.29) по методике определения погрешности косвенного измерения получим:
Расчет погрешности 8. Рабочие формулы для расчета углового коэффициента А в зависимости коэффициента затухания от величины сопротивления контура R :
Вычисление А
и DА
осуществляется методом наименьших квадратов по формулам (II.4) - (II.7), где Вопросы для самопроверкиКакими физическими процессами можно описать электрические колебания, возникающие в контуре? Сформулируйте уравнения затухающих и вынужденных колебаний в контуре. Как определить разность фаз между током в контуре и внешней э. д. с.? Что такое векторная диаграмма напряжений и токов? Какой вид она имеет при вынужденных колебаниях в RLC - контуре? Определите резонансные частоты тока и напряжения на емкости при резонансе. Сформулируйте понятия логарифмического декремента затухания и добротности контура. Как связаны данные величины между собой? Перечислите последовательность обработки результатов эксперимента и порядок выполнения работы. Лабораторная работа 4Эффект ХоллаЦель работы: изучение эффекта Холла в полупроводнике; исследование зависимости э. д. с. Холла от напряженности внешнего магнитного поля (градуировка датчика Холла); определение постоянной Холла, концентрации и подвижности носителей заряда в полупроводнике; исследование распределения магнитного поля по оси короткого соленоида; сравнение с теоретической зависимостью. ОСНОВНЫЕ ПОНЯТИЯ. Эффектом Холла называется явление возникновения поперечной разности потенциалов в металле или полупроводнике между точками на прямой, перпендикулярной вектору индукции магнитного поля
Рассмотрим действие магнитного поля на полупроводник по которому течет ток. Пусть полупроводник имеет форму параллелепипеда сечением
а) б) Рис 6.1 При включении электрического поля в полупроводнике протекает ток с плотностью
где s - коэффициент электропроводности. Под действием электрического поля носители заряда получают скорость направленного движения
С учетом (6.3), получаем для силы F выражение
из которого следует, что сила Лоренца не зависит от знака носителей заряда и действует в направлении перпендикулярном В результате действия силы отрицательные заряды отклоняются к верхней грани, а на нижней появляется их недостаток - положительный заряд (Рис.6.1 а). Аналогично осуществляется перераспределение положительных зарядов (Рис.6.1 б). Противоположные грани образца заряжаются и возникает электрическое поле. Это поле носит название поля Холла. Направление поля Холла Таким образом в ограниченном полупроводнике или металле поворачивается вектор электрического поля и между Холл экспериментально определил, что
Коэффициент Холла или постоянная Холла определяется из условия равенства сил:
Из (6.6) следует, что
где В соответствии с (6.5), напряженность поля Холла
Сопоставляя (6.7) и (6.8) видим, что
где n - концентрация носителей заряда в единице объема. Из (6.9) следует, что постоянная Холла обратно пропорциональна концентрации носителей заряда и ее знак совпадает со знаком носителей заряда. Поле Холла (6.8) приводит к появлению э. д. с. Холла Vx , которая с учетом выражения (6.9) и геометрических размеров имеет вид:
где В реальном кристалле полупроводника носители рассеиваются на примесях и колебаниях решетки. Учет данных процессов для полупроводников с собственной а) и примесной б) проводимостью приводит к следующему выражению для R : а) где e
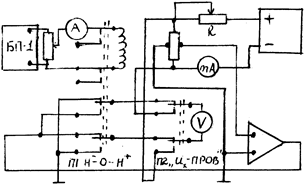
- заряд электрона, Методика экспериментаУстановка содержит механическую систему перемещения датчика Холла вдоль оси соленоида с фиксацией его положения, блок питания БП-1 соленоида, стрелочный прибор для регистрации тока соленоида и электронную схему измерения тока датчика Холла и холловскую э. д. с. (Рис.6.2). При определении э. д. с. Холла следует учесть сопутствующие эффекту Холла гальваномагнитные, термомагнитный и другие эффекты, которые являются четными по полю, то есть не зависят от направления вектора индукции B . Данное обстоятельство используется для их исключения - холловскую э. д. с. измеряют при двух направлениях магнитного поля, изменяя его направление переключателем П1.
Рис.6.2 При прямом направлении поля B+
напряжение между холловскими контактами
то есть Vдоб , обусловленное четными эффектами исключено. Из формулы (6.10) следует, что зависимость э. д. с. Холла от индукции магнитного поля Vx ( B) имеет линейный характер. Поэтому тангенс угла наклона прямой к оси абсцисс, вдоль которой ориентирована индукция поля, определим в следующем виде:
Равенство (6.13) позволяет вычислить постоянную Холла:
В реальных кристаллах постоянная Холла зависит от концентрации по закону, определяемому соотношением (6.11а), из которого можно определить с учетом (6.14) концентрацию носителей заряда в единице объема:
В положении переключателя "ПРОВ" определяется удельное электрическое сопротивление кристалла датчика r по измеренному падению напряжения V к величине тока i :
Так как плотность тока
Порядок выполнения работыЭксперимент осуществляется в следующей последовательности. В положении переключателя П1 - "0" и П2 - "ПРОВОД" снять зависимость тока через датчик Холла от разности потенциалов. Изменение напряжения осуществляется потенциометром R. Переключатель "П2" перевести в положение "Vx ". Потенциометром R задать ток через датчик и измерить э. д. с. Холла при изменении магнитного поля соленоида в прямом и обратном направлении. Изменение знака поля осуществляется переключателем "Н - 0-Н+ ". Для этого датчик поместить в любую точку на оси соленоида (обычно в центре), для которой известна зависимость индукции поля от тока через соленоид, регулируемого потенциометром Rc .Э. д. с. Холла найти в результате двух измерений по формуле (6.12). Измерения повторяются несколько раз при других значениях тока через датчик Холла. Далее снять распределение поля по оси соленоида в положении переключателя П2 - "Vx ". Обработка результатов эксперимента1. Определение удельного сопротивления датчика. Построить зависимость разности потенциалов V от тока i через датчик Холла по экспериментальным точкам по методу наименьших квадратов:
in и Vn - измеренные значения тока и разности потенциалов в положении переключателя П1 - "0", N - число измерений. Удельное сопротивление датчика r определяется по формуле:
2. Расчеты постоянной Холла R , концентрации n и подвижности m . Построить линейную зависимость
где A и С определяются по формулам
Постоянную Холла R , концентрацию n и подвижность m определяем из выражений (6.14), (6.15) и (6.17):
При расчетах использовать заданную градуировочную кривую индукции поля соленоида от тока через него. 3. Определить значения э. д. с. Холла Vx
,
соответствующие различным координатам датчика x
при его перемещении вдоль оси соленоида. Используя градуировочную прямую
5. Теоретически рассчитать распределение поля по оси соленоида по формуле (3.8) лабораторной работы № 2. Расчет погрешностей1. Расчет сопротивления датчика Холла и погрешности его определения. Сопротивление датчика Холла определяется методом наименьших квадратов как угловой коэффициент в зависимости Удельного сопротивления датчика r находится по формуле:
Погрешность определения удельного сопротивления датчика Холла находится по формуле:
2. Расчет постоянных A
и C
и их погрешностей DA
и DC
в градуировочной прямой 3. Рабочая формула для расчета постоянной Холла:
тогда случайная погрешность
Систематическая составляющая погрешности
Суммирование случайной и систематической погрешностей даст полную погрешность определения постоянной Холла:
4. Расчет концентрации носителей и ее погрешности. Рабочая формула для расчета концентрации носителей:
Случайная составляющая
Суммарная ошибка с учетом приборной погрешности определения тока:
где 5. Расчет подвижности m носителей тока и ее погрешности. Рабочая формула для определения m :
Погрешность косвенных измерений Dm подвижности носителей:
6. Расчет распределения магнитной индукции вдоль оси соленоида. Рабочая формула для расчета распределения магнитной индукции вдоль оси соленоида Bx :
Погрешность измерения DBx определяется как погрешность косвенных измерений:
где Вопросы для самопроверкиКакая сила действует на заряд, движущийся в электрическом и магнитном полях? Определите направление действия силы. Опишите физические процессы в металле и полупроводниках, приводящие к возникновению поперечной разности потенциалов относительно направлений векторов плотности тока Дайте определение подвижности носителей заряда в магнитном поле. Как определить индукцию магнитного поля бесконечного и короткого соленоида? Получите зависимость э. д. с. Холла от индукции магнитного поля, тока, протекающего через датчик и геометрических размеров образца. Как определить концентрацию и подвижность носителей заряда, используя эффект Холла? Лабораторная работа 4.Изучение свойств феромагнетиковЦель работы: изучение свойств ферромагнетиков; исследование динамической петли гистерезиса и кривой намагничения; определение характеристик ферромагнетика - остаточной индукции, коэрцитивной силы, магнитной проницаемости и потерь энергии на перемагничивание. ОСНОВНЫЕ ПОНЯТИЯ. Если в магнитное поле, образованное токами в проводах, ввести то или иное вещество, поле изменится. Это объясняется тем, что всякое вещество является магнетиком, т.е. способно под действием магнитного поля намагничиваться - приобретать магнитный момент. Намагниченное вещество создает свое магнитное поле В, которое вместе с первичным полем В, обусловленным токами проводимости, образует результирующее поле
Oпыты показывают, что магнетики могут как усиливать, так и ослаблять внешнее поле. Все магнетики делятся по своим магнитным свойствам на три класса: диамагнетики, парамагнетики и ферромагнетики. Намагничивание пара - и диамагнетиков происходит следующим образом. В настоящее время установлено, что молекулы многих веществ обладают собственным магнитным моментом, обусловленным внутренним движением зарядов. Каждому магнитному моменту соответствует элементарный круговой ток, создающий в окружающем пространстве магнитное поле. Магнитный момент молекулы представляет собой векторную сумму магнитных моментов электронов и ядер. Магнитный момент электрона, вызванный его движением по орбите вокруг ядра, называется орбитальным магнитным моментом. Кроме того, электрон обладает собственном магнитным моментом. Вещества, у которых магнитный момент атомов или молекул не равен нулю в отсутствие внешнего поля, называются парамагнетиками. Если внешнее магнитное поле отсутствует, то магнитные моменты молекул парамагнетика ориентированы беспорядочно, поэтому обусловленное ими результирующее магнитное поле равно нулю. Равен нулю и суммарный магнитный момент вещества, Если же парамагнитное вещество поместить во внешнее магнитное поле, то под действием этого поля магнитные моменты молекул приобретают преимущественную ориентацию в одном направлении и вещество намагничивается - его суммарный магнитный момент становится отличным от нуля. При этом магнитные поля отдельных молекул не компенсируют друг друга, и в результате возникает поле Иначе происходит намагничивание веществ, молекулы которых при отсутствия. внешнего поля не имеют магнитного момента. Если полный магнитный момент каждой молекулы в отсутствие поля равен нулю, то вещество, состоящее из таких молекул, называется диамагнитным. Внесение таких веществ во внешнее поле индуцирует элементарные круговые токи в молекулах, которые, молекулы, а вместе с ними и все вещество, приобретают магнитный момент, направленный в сторону, противоположную внешнему магнитному полю. То есть, возникающее внутреннее поле Степень намагничивания магнетика характеризуется магнитным моментом единицы объема. Эту величину называют намагниченностью и обозначают По определению
где
Суммирование проводится по всем молекулам в объеме Внешнее магнитное поле можно характеризовать не только вектором индукции Вектор индукции намагничивающего поля связан с вектором напряженности соотношением:
где
Векторы
где Магнетики, подчиняющиеся зависимости (5.4), подразделяют на парамагнетики По определению векторы
где Подставляя (5.4) в (5.5), получим
У парамагнетиков Ферромагнетики. Ферромагнетными называют вещества, которые могут обладать спонтанной намагниченностью, т.е. намагничены уже при отсутствии внешнего магнитного поля. Характерной особенностью ферромагнетиков является нелинейная зависимость На рис.5.1 приведена кривая намагничения ферромагнетика, намагниченность которого при Рис.5.1 Рис.5.2 приведена основная кривая намагничения на диаграмме
Рис.5.3 Из рис.5.3 видно, что при Значения для разных ферромагнетиков меняются в широких пределах. При повышении температуры способность ферромагнетиков намагничиваться уменьшается, в частности, уменьшается намагниченность насыщения. При некоторой температуре, называемой температурой или точкой Кюри ферромагнитные свойства исчезают. При температурах, более высоких, чем температура Кюри, ферромагнетик превращается в парамагнетик. Физическую природу ферромагнетизма удалось понять только с помощью квантовой механики. При определенных условиях в кристаллах могут возникать так называемые обменные силы, которые заставляют магнитные моменты электронов устанавливаться параллельно друг другу. В результате возникают области размером (1 - 10) мкм спонтанного, т.е. самопроизвольного намагничивания. Эти области называются доменами.3 пределах каждого домена ферромагнетик намагничен до насыщения и имеет определенный магнитный момент. Направления этих моментов для различных доменов различны, поэтому при отсутствии внешнего поля суммарный момент образца равен нулю и образец в целом представляется макроскопически не намагниченным. При включении внешнего магнитного поля домены, ориентированные по полю, растут за счет доменов, ориентированных против поля. Такой рост в слабых полях имеет обратимый характер. В более сильных полях происходит одновременная переориентация магнитных доменов в пределах всего объема вещества. Этот процесс является необратимым, что служит причиной гистерезиса и остаточного намагничивания. Сказанное выше может быть пояснено с помощью следующей схемы:
а) б) в) г) Рис.5.4 Железный кубик помещен в магнитное поле индукции Методика экспериментаСхема установки изображена на рис.5.5:
"ЛАТР" Рис.5.5 Исследуемый образец ферромагнетика представляет сердечник тороидальной катушки с площадью поперечного сечения
Напряжение
пропорционально напряженности поля Электродвижущая сила, наведенная во вторичной обмотке, определяется по закону Фарадея
т.к Для цепи, содержащей обмотку 2, по закону Ома имеем:
Если подбором элементов цепи выполнить условия
откуда напряжение
пропорционально индукции поля и подается на вертикально отклоняющие пластины осциллографа. Таким образом, зависимость Для определения масштабных коэффициентов осуществляется градуировка осей Пересчет масштаба
После этого напряжение подается на вход
где Порядок выполнения работыВключить установку и осциллограф. С помощью ручек ЛАТРа на панели блока и " УСИЛЕНИЕ" на панели осциллографа добиться, чтобы петля гистерезиса занимала значительную часть экрана, имела участок насыщения и была симметричной относительно начала координат. Измерить в делениях масштабной сетки координаты вершины петли и координаты точек пересечения петли с осями Уменьшая ручкой ЛАТРа ток через катушку, зарегистрировать координаты вершин 5.6 петель, каждый раз обращая внимание на их симметричное расположение относительно начала координат. Все наблюдаемые в п.2 и 3 петли перенести на кальку, обозначая оси координат. Произвести калибровку осей Ось Калибровка оси Обработка результатов эксперимента1. В координатах По максимальной петле гистерезиса определить остаточную индукцию
Измерить площадь предельной петли гистерезиса
где Расчёт погрешностейРасчет погрешности определения величин остаточной индукции и коэрцитивной силы находятся как приборные погрешности косвенных изменений с учетом рабочих формул:
где Так как
где Аналогично на основании () получим:
Вопросы для самопроверкиЧто такое магнитный момент атома? Объясните намагничивание диамагнетиков. Объясните намагничивание парамагнетиков. Что называется напряженностью магнитного поля? Что такое магнитная восприимчивость и проницаемость магнетика и как магнетики классифицируются В чем состоит явление магнитного гистерезиса у ферромагнетиков по величине магнитной проницаемости и восприимчивости? и как оно объясняется с помощью теории доменов? Опишите методику эксперимента. Как по построенному чертежу петли гистерезиса определить остаточную индукцию, коэрцитивную силу и потери на перемагничивание? Как рассчитываются погрешности эксперимента? Лабораторная работа 5.Электростатическое полеЦель работы: изучение основных свойств и характеристик электростатического поля и метода его моделирования; построение силовых линий и эквипотенциалей плоского поля в заданной системе электродов; изучение взаимосвязи между потенциалом и напряженностью; экспериментальное определение ёмкости системы электродов и распределения поля между ними. ОСНОВНЫЕ ПОНЯТИЯ. Электрический заряд создает вокруг себя электрическое поле и через поле осуществляет взаимодействие с другими зарядами. Между зарядами действуют кулоновские силы величина и направление которых зависит от формы и размеров наэлектризованных тел и характера распределения зарядов на них. Для точечных электрических зарядов кулоновская сила взаимодействия имеет вид:
Напряженностью электростатического поля в данной точке называется векторная величина, численно равная отношению силы, действующей в данной точке на пробный заряд (т.е. точечный заряд достаточно малый, чтобы не искажать исследуемое поле) к величине этого заряда;
Направление вектора напряженности совпадает с направлением силы, действующей на положительный пробный заряд Напряженность поля является силовой характеристикой электростатического поля. Единица измерения напряженности вольт на метр (В/м) Линией напряженности (силовой линией) является кривая, касательная к которой в каждой точке совпадает с вектором Е. Силовые линии электростатического поля начинаются и заканчиваются на зарядах или на бесконечности. С помощью линий напряженности удобно изображать поле графически. В расположении и форме этих линий сказывается все особенности данного поля. Потенциалом поля в данной точке называется скалярная величина, численно равная отношению потенциальной энергии пробного заряда в указанной точке к величине этого заряда
За единицу потенциала принят один вольт (В=1Дж/Кл) Точки постоянного потенциала образуют в пространстве эквипотенциальные поверхности. Эквипотенциальные поверхности в однородной среде всегда перпендикулярны силовым линиям. Связь между потенциалом и напряженностью задается в виде:
где
т.е. каждая декартовая составляющая вектора Е численно равна изменению потенциала на единицу длины, отсчитанному в направлении, перпендикулярном эквипотенциальной поверхности, и направлена в сторону убывания потенциала. Выражение (1.4) называется градиентом потенциала и обозначается кратко В силу потенциальности электростатического поля работа по перемещению заряда не зависит от формы пути, а определяется только положением начальной и конечной точки траектории. В электростатическом поле выполняется принцип суперпозиции полей Пример: точечный заряд
Рис.1.1
Сообщенный проводнику заряд
Величина Величина емкости конденсатора зависит от разности потенциалов между обкладками:
и определяется формой, размером обкладок и расстоянием между ними. Примеры а) Плоский конденсатор. Поле однородно без учета краевых эффектов при d<<a,h
в) Распределение поля вдоль оси ОХ
Электростатическое поле в диэлектрике подобно полю постоянного тока в проводящей среде при одинаковой конфигурации электродов. Если потенциалы электродов в обоих случаях одни и те же, распределение потенциала в диэлектрике такое же, как и в проводящей среде с током. Подобие полей видно из следующего сопоставления теорем Гаусса и для электростатического поля и уравнения непрерывности для квазистационарного тока
В которых Если
Имеется подобие и между граничными условиями. На границе раздела диэлектриков тангенциальная и нормальная составляющие вектора напряженности электрического поля подчиняются условиям
В проводящей среде непрерывность тангенциальных составляющих следует из потенциальности поля тока. Граничные условия для нормальных составляющих вектора плотности тока
следуют из уравнения непрерывности Из подобия граничных условий следует, что проводящая среда с током может служить моделью для исследования электростатического поля, если проводимость
Тогда емкость
Поток вычисляют по замкнутой эквипотенциальной поверхности, охватывающей электрод моделируемой системы, с использованием найденных на проводящей модели значений нормальной компоненты вектора напряженности Методика экспериментаОписанная идея моделирования сравнительно легко реализуется для плоских полей (рис.1.3) методом электролитической ванны. Неглубокая ванна из изоляционного материала заполнена электролитом - слабым раствором соли в воде.
В ванну помещают электроды 1 и 2, конфигурация которых соответствует конфигурации обкладок конденсатора, а размеры пропорциональны размерам обкладок, чем обеспечивается геометрическое подобие. В электролите есть свободные заряды. Под действием поля электродов они могут и создавать свое поле, в результате чего устанавливается в электролите поле, равное сумме поля электродов и свободных зарядов, которое моделирует поле реальной системы Моделируют плоские поля, такие, потенциал и напряженность которых зависят лишь от двух координат. Плоским является поле в коаксиальном конденсаторе вдали от его концов, в двухпроводной длинной линии, между одиночным проводом и проводящей поверхностью и т.п. Для измерения потенциала в модели используют зонд (небольшой электрод в виде металлического стержня, соединенного через микроамперметр с подвижным контактом потенциометра Д. Четыре участка цепи - два между движком потенциометра и его концевыми контактами и два между зондом и электродами образуют мост постоянного тока. Ток в диагонали моста равен нулю, когда зонд установлен в точку, потенциал которой совпадает с потенциалом движка потенциометра. Разность потенциалов между нижним контактом потенциометра и его движком измеряют вольтметром. В результате измерения получают систему эквипотенциалей с заданным шагом (рис.1.4 штриховые линии). „Для построения линий напряженности (
силовых линий) используют следующий прием (рис.1.4). Проводят линию, соединяющую электроды, так, чтобы она совпала с осью симметрии поля. Из точки О
на поверхности электрода измеряют расстояние 01
до ближайшей эквипотенциали. Это расстояние откладывают вдоль поверхности электрода, получая таким образом точку 1'
на электроде. Через точку проводят отрезокперпендикулярно поверхности электрода. Откладывают расстояние 1'2'
вдоль поверхности электрода и т.д. Построение закапчивают, дойдя до оси симметрии. Аналогичное построение производят от точки О
в другую сторону (каждое построение следует заканчивать таким образом, чтобы длина последнего до оси симметрии отрезка на поверхности электрода была больше длины предпоследнего). Разделив таким образом ближайшую к электроду эквипотенциаль, через полученные точки (1; 2; 3;...;
где Полагая напряженность поля
Тогда полный поток вектора напряженности равен:
где
здесь
Из последней формулы легко вычислить емкость единичной длины (погонная емкость) моделируемой системы:
Рис.1.3 Порядок выполнения работы1. Установить электроды выбранной формы в ванну с электролитом. 2. На листе бумаги в масштабе 1 к 1 изобразить контуры ванны, электроды и нанести для удобства дальнейших наблюдений координатную сетку в произвольном масштабе. Удобно использовать миллиметровую бумагу. Собрать и включить измерительную схему. Сместить зонд на небольшое (5-7 мм) расстояние от электрода в направлении к противолежащему электроду. Потенциометром установить нуль микроамперметра. Перемещать зонд вокруг электрода таким образом, чтобы показания микроамперметра не менялись и зафиксировать 10 - 15 точек на первой эквипотенциали. которая должна быть замкнутой. Построить эквипотенциаль на приготовленном в первом пункте листе бумаги. Соединить полученные точки плавной кривой. Записать рядом с ней значение потенциала. Чтобы быстро и успешно находить точки с одинаковым потенциалом, следует руководствоваться соображениями о конфигурации исследуемого поля. Меняя показания вольтметра каждый раз на 0,5В, построить следующие эквипотенциальные линии. Построить 5 - 6 эквипотенциалей. На каждой эквипотенциале зарегестрировать 10 - 15 точек. Обработка результатов экспериментаПо картине эквипотенциалей построить силовые линии. По формуле (1.20) рассчитать и построить распределение напряженности Е на каждом из отрезков первой эквипотенциали, построить векторы и указать их длину. Использую формулу (1.18) рассчитать распределение напряженности поля вдоль оси симметрии электродов. По формуле (1.20) рассчитать распределение напряженности вдоль оси симметрии и сравнить с экспериментальными данными. По формуле (1.21) вычислить емкость системы электродов. По формуле (1.11) рассчитать теоретически ту же емкость и сравнить с экспериментальными значениями. Расчет погрешностей1. Расчет погрешностей определения напряженности поля осуществляется по методике определения погрешностей косвенных измерений с приборными систематическими погрешностями Рабочая формула:
В результате получаем:
где
где Рабочая формула для расчета погонной емкости:
Функция () от 2 (k+1) независимо определяемых величин:
и
Используя формулу (1.23) после некоторых преобразований получим
где
Вопросы для самопроверкиЧто называется напряженностью электростатического поля в данной точке? Какова ее единица. Выведите формулу напряженности поля, созданного точечным зарядом? Что такое линии напряженности? Как определить их направление? Могут ли эти линии пересекаться? Почему? Что называется потенциалом в данной точке? Можно ли создать поле, во всех точках которого потенциал положителен? Как подсчитать работу поля по перемещению заряда? От чего зависит эта работа? В каком направлении перемещается положительный и отрицательный заряд под действием сил поля? Что такое эквипотенциальные поверхности и каковы их свойства? Как связаны напряженность и потенциал? В каком направлении потенциал изменяется быстрее всего? Что называется электроемкостью проводника? Электроемкостью конденсатора? Погонной электроемкостью. Единица измерения электроемкости? Получите формулу для электроемкости проводников различной конфигурации? Опишите принцип действия установки. Как провести линии напряженности на построенной картине распределения эквипотенциальных поверхностей? Как с помощью теоремы Гаусса находится заряд проводника в этой работе? Объясните, как в работе определяется погонная электрическая емкость проводников заданной конфигурации. |

(2.1)
(2.2)

1 
(2.6)
(2.7)
(2.8)




(2.10), откуда
(2.11)
, здесь 


(3.1)
, (3.4)
(3.6)
(3.7)
(3.8)
(3.9)
(3.11)
(3.14)
(3.16)
(3.18)
(3.19)
(3.20)
(3.21)




и энергией магнитного поля катушки индуктивности
- ток в контуре, L
- индуктивность катушки. В результате протекания тока в контуре на активном сопротивлении R
выделяется тепловая энергия, приводящая к потере энергии электрических колебаний. Заряд, сосредоточенный на обкладках конденсатора в начальный момент времени t0
=0, уменьшается с течением времени и создает ток в контуре, изменяющийся во времени. Величину тока, протекающего в цепи при разряде, можно определить из закона Ома для неоднородного участка контура:
(4.1)
, (4.2)
характеризует быстроту уменьшения амплитуды колебаний и называется коэффициентом затухания. При b=0
уравнение (4.2) описывает незатухающие колебания в контуре, причем 
, в) 
(4.6)
(4.8)
, (4.9)
, (4.10)
(4.13)

, i=1,2,3
. Калибровочное напряжение с соответствующего выхода осциллографа Uk
или от внешнего генератора Г1 подается на вход и определяется масштаб вертикальной оси, равной отношению амплитуды сигнала к числу делений Uk
/
Yk
(В/дел). Пересчет этого масштаба в величину отношения тока i0
в цепи к числу делений y
сигнала (А/дел) осуществляется по формуле:
(4.14)
(4.15)
(4.17)
, рассчитать значение
(4.19)
(4.20)
,
(4.22)
, равна погрешности
(4.25)
(6.1)
(6.5)
, (6.7)
. (6.8)
, (6.9)
, б)
, (6.11)
. (6.15)
(6.17)
, (6.19)
, (6.22)
;
(6.23)
,
(6.25)


, (6.32)
.
,
,
, (5.2)
, (5.7)
, (5.8)
, (5.9)
, (5.11)
, то
, (5.12)
, (5.13)
, (5.14)
, (5.15)
и
,
, 
, 
, (1.1)
, (1.2)
, (1.3)
, (1.4)
,
, 

(1.5),
(1.6)
,
, (1.9) 

, (1.10)
, (1.11)
,
, (1.11)
(медленно меняющийся ток),
, (1.17)
Рис 1.3
, (1.18)
, (1.22)


(1.23)
,