Реферат: Автоматические коробки передач легковых автомобилей
|
Название: Автоматические коробки передач легковых автомобилей Раздел: Рефераты по транспорту Тип: реферат |
Автоматические коробки передач легковых автомобилей
Автоматическая коробка передач. Улучшение эксплуатационных качеств современного автомобиля привело к значительному усложнению его конструкции. А оснащение автомобилей автоматической трансмиссией позволило резко снизить объем нагрузки, возлагаемой на водителя во время движения, что также благоприятно отразилось на ходовой части, двигателе и скоростных качествах автомобиля. Надежность и простота эксплуатации определили дальнейшее широкое использование этого изобретения. В настоящее время автоматические трансмиссии применяются и на легковых, и на полноприводных автомобилях, и даже на грузовом транспорте. При использовании транспортного средства с ручным управлением, для поддержания необходимой скорости, водителю необходимо часто пользоваться рычагом переключения передач. По этой причине он обязан постоянно следить за нагрузкой двигателя и скоростью автомобиля. Применение автоматической трансмиссии исключает необходимость постоянного пользования переключающим рычагом. Изменение скорости выполняется автоматически, в зависимости от нагрузки двигателя, скорости перемещения транспортного средства и желаний водителя. Поэтому, по сравнению с ручной коробкой передач, автоматическая трансмиссия имеет следующие неоспоримые преимущества:
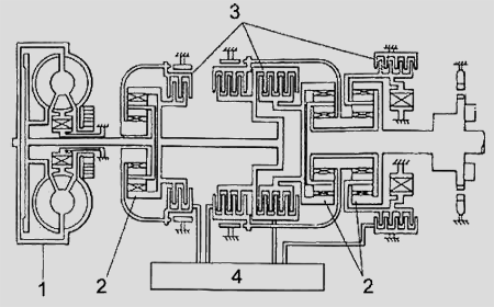
Все разнообразие автоматических трансмиссий, применяемых сегодня, условно можно разделить на два типа. Основное различие этих типов заключается в системах управления и контроля за использованием трансмиссии. Для первого типа характерно то, что функции управления и контроля выполняются специальным гидравлическим устройством. А во втором типе функции управления и контроля выполняет электронное устройство. Составные части же и узлы автоматических трансмиссий обоих типов практически одинаковы. Существуют некоторые различия в компоновке и устройстве автоматической трансмиссии переднеприводного и заднеприводного автомобиля. Автоматическая трансмиссия для переднеприводных автомобилей более компактна и имеет внутри своего корпуса отделение главной передачи - дифференциал. Несмотря на эти отличия, основные функции и принцип действия всех автоматов одинаковы. Для того чтобы обеспечить движение, а также для выполнения других своих функций, автоматическая трансмиссия должна быть оснащена следующими узлами: механизмом выбора режима движения, гидротрансформатором, коробкой передач, узлом управления и контроля. Упрощённая кинематическая схема АКПП
Упрощённая кинематическая схема АКПП АКПП состоит из:
Гидротрансформатор (или torque converter в зарубежных источниках) служит для передачи крутящего момента непосредственно от двигателя к элементам автоматической коробки передач. Он установлен в промежуточном кожухе, между двигателем и коробкой передач и выполняет функции обычного сцепления. В процессе работы этот узел, наполненный трансмиссионной жидкостью, несет довольно высокие нагрузки и вращается с достаточно большой скоростью. Он не только передает крутящий момент, поглощает и сглаживает вибрации двигателя, но и приводит в действие масляный насос, находящийся в корпусе коробки передач. Масляный насос наполняет трансмиссионной жидкостью гидротрансформатор и создает рабочее давление в системе управления и контроля. Поэтому является неверным мнение о том, что автомобиль, оснащенный автоматической трансмиссией, можно завести принудительно, не используя стартер, а разогнав его до высокой скорости. Шестеренчатый насос получает энергию только от двигателя, и если двигатель не работает, то давление в системе управления и контроля не создается, в каком бы положении не находился рычаг выбора режима движения. Следовательно, принудительное вращение карданного вала не обязывает коробку передач работать, а двигатель - вращаться.
Гидротрансформатор. Планетарный ряд . В отличие от простой механической трансмиссии, в которой используются параллельные валы и сцепляющиеся между собой шестерни, в автоматических трансмиссиях в подавляющем большинстве используются планетарные передачи.
Планетарный ряд. Составные части фрикциона . Поршень (piston) приводится в действие давлением масла. Двигаясь под давлением масла вправо (по рисунку), поршень посредством конического диска (dished plate) плотно прижимает ведущие диски пакета к ведомым, заставляя их вращаться как единое целое и осуществляя передачу крутящего момента от барабана к втулке. В корпусе самой коробки передач расположены несколько планетарных механизмов, они и обеспечивают необходимые передаточные отношения. А передача крутящего момента от двигателя через планетарные механизмы к колесам происходит с помощью фрикционных дисков, дифференциала и других сервисных устройств. Управление всеми этими устройствами осуществляется благодаря трансмиссионной жидкости через систему управления и контроля.
Составные части фрикциона. Тормозная лента . Устройство, используемое для блокировки элементов планетарного ряда.
Тормозная лента. Работа трансмиссии. Режимы pаботы. Р - парковка. В этом положении включен трансмиссионный тормоз, удерживающий машину во время стоянки. Двигатель работает на холостом ходу. Этого тормоза достаточно на ровном месте. В ином случае сначала затяните ручной тормоз и затем включите трансмиссионнный - Р. В этом положении рычага можно запускать двигатель. R - задний ход. Это положение следующее по ходу рычага. Его можно включать только при полной остановке автомобиля, иначе поломки не избежать. N - нейтраль. Здесь все понятно: вращение от двигателя не передается к ведущим колесам и незаторможенная машина может свободно катиться. В данном положении, как и положении Р, возможен пуск двигателя. Во время движения автомобиля включать нейтраль не рекомендуется. Но если это все же произошло, необходимо сбросить газ и только после того, как упадут обороты, включите нужную передачу. D - движение. Положение для езды. В этом случае обеспечивается оптимальный режим работы двигателя и движения автомобиля в нормальных условиях. В автоматическом режиме последовательно включаются все передачи (обычно их четыре). Автомобиль начинает движение со второй передачи- это обусловлено работой гидротрансформатора. Первую передачу при необходимости включает только "кик-даун". Торможение двигателем в данном положении рычага достаточно эффективно. S (либо цифра 3) - диапазон пониженных передач. В это положение рекомендуется переводить рычаг на дороге с небольшими подъемами и спусками. Высшая передача в данном случае - третья. Первую передачу можно включить с помощью "кик-даун". В положении S торможение двигателем еще более эффективно, чем в положении D. L (либо цифра 2) - второй диапазон пониженных передач. Используется для езды в тяжелых условиях, например, в горах. В этом положении включается только первая (для трогания с места) и вторая передачи. Торможение двигателем еще эффективнее, чем в положении S. Если при наборе скорости передвинуть рычаг в положение S, а затем обратно в L, то вторая передача включается раньше. Следует отметить, что рычаг селектора автоматической коробки передач можно переводить из положения в в S и даже в L (соответственно 3 или 2) во время движения, например, при обгоне. Но так как в этот момент включится понижающая передача, есть опасность "перекрутить" двигатель. Чтобы этого не произошло, по меткам на шкале спидометра контролируйте предельную скорость на данной передаче, или следите за оборотами двигателя по тахометру, если таковой имеется. В некоторых моделях автомобилей автоматическая коробка передач имеет специальный режим W (winter-зима). Разгон. Момент переключения передач в автоматической коробке зависит от скорости автомобиля, нагрузки на двигатель, от того, плавно или резко вы нажимаете на акселератор и, конечно же, от положения рычага селектора (он имеет такое название, поскольку предназначен для выбора режима работы коробки). Во время движения, если вы прибавляете "газ" понемногу, плавно надавливая на акселератор, каждая следующая (т.е. высшая) передача будет включаться, как только обороты двигателя станут достаточными для перехода на нее, и разгон автомобиля при этом происходит плавно. Если же вы нажимаете на педаль резко, то передачи станут переключаться несколько позднее, а разгон будет интенсивнее. На автоматических коробках передач последних годов выпуска имеются переключатели режима разгона: N-нормальный (либо Е - экономичный) и S - спортивный. Кик-даун. Это устройство принудительно включает низшую передачу и позволяет достичь наибольшего ускорения. Принцип работы: резко нажимаете на педаль газа до упора, затем резко отпускаете- включается низшая передача и при дальнейшем нажатии на педаль автомобиль разгоняется с максимальным ускорением. Когда нужная скорость будет достигнута, сбрасывается газ - опять включается высшая передача, например, четвертая после третьей. При кратковременной остановке достаточно отпустить педаль акселератора и затормозить автомобиль ножным тормозом. Рычаг селектора при этом остается в положении для движения (D,S,L). Но обязательно удерживайте машину на месте, нажав на педаль тормоза, иначе автомобиль может тронуться, особенно если обороты холостого хода повышенные (например, в холодное время года). Такая особенность автоматической трансмиссии: даже на холостом ходу не исключается полностью передача крутящегося момента к ведущим колесам. При более продолжительной остановке с выключенным двигателем переведите рычаг на положение N. Остановившись на подъеме, удерживайте машину ножным тормозом. Маневрируя в ограниченном пространстве, контролируйте движение слегка отпуская педаль тормоза. Буксиpовка. Hеисправный автомобиль можно буксировать, только установив рычаг в положение N со скоростью не более 50 км/час на расстояние не свыше 100 км. Если потребуется перевезти машину на большее расстояние, придется демонтировать карданный вал или "вывесить" ведущие колеса. |





