Курсовая работа: Шестифазный выпрямитель
|
Название: Шестифазный выпрямитель Раздел: Рефераты по физике Тип: курсовая работа | ||||||
ФЕДЕРАЛЬНОЕ АГЕНТСТВО ПО КУЛЬТУРЕ И КИНЕМАТОГРАФИИ Федеральное государственное образовательное учреждение Высшего профессионального образования САНКТ-ПЕТЕРБУРГСКИЙ УНИВЕРСИТЕТ КИНО И ТЕЛЕВИДЕНИЯ Кафедра технической электроники Курсовой проект на тему «Шестифазный выпрямитель» Санкт-Петербург 2009г. Содержание Техническое задание Реферат Введение Расчетная часть Проектирование печатной платы Список литературы Техническое задание Среднее значение выпрямленного напряжения: Uо =40 В: Среднее значение выпрямленного тока: Iо = 2.5 А; Действующее значение напряжения на нагрузке: Е2 = 29.6 В Действующее значение тока вторичной обмотки: I2 = 1 А Частота питающей сети: ƒс = 60 гц Пороговое напряжение вентилей: Uпор = 1.1 В Дифференциальное сопротивление вентилей: rд = 0.09 Ом Коэффициент формы кривой: Кф = 2.44 В N = 15; K = 17; Реферат В данном курсовом проекте мной были осуществлены: 1. Расчет неуправляемого выпрямителя с активной нагрузкой 2. Расчет неуправляемого выпрямителя с емкостным фильтром 3. Расчет управляемого выпрямителя с фильтром и ответвляющим диодом. 4. Подбор трансформатора для двухфазной однотактовой схемы выпрямления. 5. Разработка электрической схемы и печатной платы. Введение Выпрямители – это источники вторичного электропитания (ИВЭП), реализующие статический метод преобразования энергии переменного тока в энергию постоянного тока. Выпрямители классифицируются по ряду признаков: 1)Однофазное питание (50 Гц, 220 В) Выпрямители питаются от одной фазы электросети. Число фаз первичной обмотки трансформатора m1 = 1. 2)Трёхфазное питание (50 Гц, 220/380 В) Выпрямители питаются от трех фаз электросети. Число фаз первичной обмотки трансформатора m1 = 3. Неуправляемые выпрямители – это выпрямители, у которых среднее значение напряжения (Uо) в процессе работы не регулируется. Структурная схема неуправляемых выпрямителей
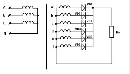
Неуправляемые выпрямители состоят из преобразовательного трансформатора ПТ, блока электрических вентилей (диодов) НВ и сглаживающих фильтров Сф. Преобразовательный (сетевой) трансформатор предназначен для: - преобразования сетевого напряжения по величине; - преобразования числа фаз схемы выпрямления; - гальванической развязки питающей сети и нагрузки. Электрические вентили преобразуют по однотактной и двухтактной схеме переменное напряжение в пульсирующее однополярное, что и является собственно выпрямлением. Сглаживающий фильтр служит для уменьшения переменной составляющей (пульсаций) выпрямленного напряжения и выделения постоянной составляющей, т.е. фильтр, превращает пульсирующее напряжение в практически постоянное. Управляемые выпрямители - это выпрямители, выходное напряжение которых регулируется в заданных пределах. Регулировать напряжение можно различными способами: - дискретно изменяя число витков первичной или вторичной обмотки ПТ; - изменяя число витков автотрансформатора; - применяя управляемые вентили (тиристоры); - применяя регулирующие элементы (транзисторы, дроссели насыщения и т.п.). Классификация управляемых выпрямителей: 1) по роду напряжения: - переменное (до выпрямления); - постоянное (после выпрямления); 2) по способу регулирования: - ручное; - автоматическое; 3) по задаче регулирования: - стабилизация; - программное регулирование; 4) по режиму работы регулирующего (исполнительного) элемента: - непрерывный; - дискретный; 5) по типу регулирующего элемента: -активный (тиристоры, транзисторы, дроссели); -пассивный (трансформаторы, автотрансформаторы, переменные сопротивления). Расчетная часть Принципиальная шестифазная(m2 =6), однотактная(p=1) схема выпрямления трехфазного сетевого питания.
Эквивалентная схема выпрямителя.
Расчет идеального неуправляемого выпрямителя с активной нагрузкой. E2 /Uo = 0.74; I2 /I0 = 0.4; Коэффициент использования анодной цепи: ήa = Rн /(rT + p* rg * VD +Rн ) = 0.944; Амплитуда ЭДС вторичной обмотки трансформатора: E2 m = √2* E2 = 41.7 В; Частота пульсации на выходе выпрямителя: ƒп(1) = ƒс * m2* p= 360 Гц; Сопротивление нагрузки: Rн = Uo /Io = 16 Ом; Коэффициент пульсации: kп(1) = 0.057 Среднее значение тока диода: Iср VD = I0 /m2 = 0.416 А; Эффективное значение прямого тока диода: Iэфф VD = Iср VD * kф = 1.015 А; Амплитудное значение тока: Im = E2 m /Rн = 2.61 А; Параметры диода: UVD об max =3.14* U0 /ήa = 88.5 В; Iср VD / Io = 0.16 Коэффициент трансформации Ku =E2 / U1 = 29.6/ 220 = 0.134 Внешняя характеристика идеального выпрямителя 2/π* E2 m = 26.6 В
Кривые мгновенных значений
Вывод: Для данной шестифазной однотактной схемы выпрямления трёхфазного сетевого питания необходимы диоды со средним значением прямого тока Iср VD = 0.416 (А), желательно, чтобы диод выдерживал прямой ток не меньше (А), так как эффективное значение прямого тока Iэфф VD = 1.015 (А). Также необходимо, чтобы диод способен был выдержать обратное напряжение Uоб max = 88.5 (В), но рекомендуется взять запас в два раза, т.е. Uоб max = 177 (В), для стабильной работы диода. Для данной схемы также необходим понижающий трансформатор, с коэффициентом трансформации Ku = 0.134. Расчет неуправляемого выпрямителя с емкостным фильтром.
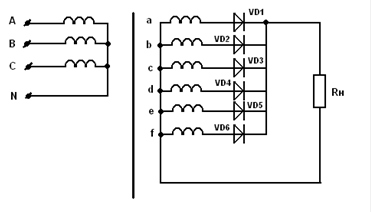
Эквивалентная схема выпрямителя с фильтром Сопротивление емкостного фильтра: xc = R0 /N= 1.06; Емкость конденсатора в емкостном фильтре: C0 = 1/(2* π* ƒc * m2* p* xc ) = 4173 мкФ; Полное сопротивление активных потерь: rп = rтр +p* rg VD = Rн /k = 0.941 Ом; Угол отсечки: θ = 25.0 эл.град; Расчет параметров выпрямителя с углом отсечки θ: A(θ) = rп* π/(m2* p* Rн ) = 0.03; B(θ) = 1/(√2* cosθ) =0.78; D(θ) = Iдейств /Iср = 2.94; H(θ) = C0* rп* ƒ* kп(1) = 1300; F(θ) = Iампл /Iср = 10.8; Эффективное значение прямого тока диода: Iэфф VD = Iср VD * D(θ) = 1.22 A; Коэффициент пульсации выпрямленного напряжения по основной гармонике: kп(1) = H(θ)/ rп * ƒc * C0 = 0.005;\ Действующие значения фазных ЭДС E2 в вентильной обмотке ПТ: E2 = B(θ)* U0 = 31.2 В; Амплитудное значение фазных ЭДС в вентильной обмотке ПТ: E2 m = √2* E2 = 44.1B; Действующие значения тока в вентильной обмотке ПТ: I2 = √p * D(θ)* Iср VD = 1.22 A; Амплитудное значение тока в вентильной обмотке ПТ: Im = F(θ)* Iср VD = 4.5 A; Коэффициент трансформации ПТ равен: kU = E2 /U1 = 0.141; Вывод: После добавления в схему неуправляемого выпрямителя C-фильтра некоторые параметры выпрямителя изменились: - значение Iэфф VD увеличилось с 1.015А до 1.22А; -значение kп(1) уменьшилось с 0.057 до 0.005, следовательно, фильтр работает нормально; -действующие значения E2 уменьшились с 29.6 В до 31.2 В; -амплитудное значение E2 m уменьшилось с 41.7 В до 44.1 В; -действующие значения I2 увеличилось с 1 А до 1.22 А; -амплитудное значение Im увеличилось с 2.61 А до 4.5 А; Средний ток в вентильной обмотке остался неизменным, Iср VD = 0.416 А. Внешняя характеристика реального выпрямителя
Кривые мгновенных значений
Расчет управляемого выпрямителя с фильтром и ответвляющим диодом.
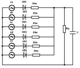
Эквивалентная схема выпрямителя с фильтром и ответвляющим диодом. am = Ucmax /UcN = 1.05; an = Ucmin /UcN = 0.8; Ucmax = 231B; Ucmin = 176B; ПриUc = UCN =220 В; E2mN = 41,7 B; U0,aN = 40 B; При Uc
= Uc max
= 231 В; E2m max
= am
U0,a max
= am
При Uc
= Uc min
= 187 В; E2m min
= an
U0,a min
= an
αкр
=
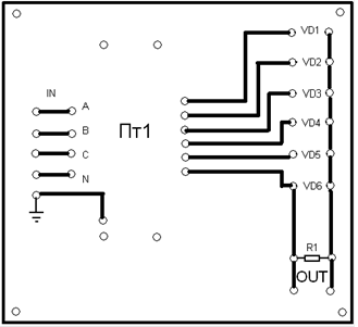
Проектирование печатной платы В ходе расчёта трёх выпрямителей я пришёл к выводу, что наилучшим среди них является неуправляемый выпрямитель, работающий на активную нагрузку. Выбор пал на данный тип выпрямителей, так как их отличают меньшие массогабаритные показатели и простота схем. После анализа расчетов и выбора наилучшего типа выпрямителя перейдем к проектированию его печатной платы. Так как электрическая схема была спроектирована в расчетной части, то необходимо теперь подобрать реальные элементы её на основе расчетных данных. Для данной схемы выпрямления нам понадобится: трансформатор (преобразователь напряжения); конденсатор постоянной емкости (уменьшает пульсаций); постоянный резистор (активная нагрузка); диод (преобразует переменное напряжение в пульсирующее однополярное). Маркировка данных элементов приведена в спецификации. Провод сечением 3 мм по требованию заказчика.
Чертеж печатной платы выпрямителя с расположение элементов (вид сверху)
Чертеж печатной платы выпрямителя (вид снизу) Список литературы 1. Векслер Г.С., Пилинский В.В., «Электропитающие устройства электро-акустической и кинотехнической аппаратуры». – К.: Выш. шк. Головное изд-во,1986г. 2. Корчагина Л.Г., Федоров А.П., Яковлева Л.П. «Выпрямительные устройства». Методические указания по дисциплине «Электро-питающие устройства для студентов заочного и вечернего отделений специальности 201400.» -СПбГУКиТ, 2004 г., – 4 уч.изд.л. 3. Корчагина Л.Г., Фёдоров А.П., Яковлева Л.П. «Электропитающие устройства: Методические указания по выполнению лабораторных работ. Часть 1. Выпрямители.» – СПбГУКиТ, 2002 – уч.изд.л. 4. Корчагина Л.Г., Фёдоров А.П., Яковлева Л.П. «Электропитающие устройства: Методические указания по выполнению лабораторных работ. Часть II. Стабилизаторы.» – СПбГУКиТ, 2003 – уч.изд.. 5. В.Я. Брускин «Номограммы для радиолюбителей» МРБ 1972 год. 6.Б.Богданович, Э.Ваксер «Краткий радиотехнический справочник» Беларусь 1968 год. |













