Реферат: Расчет основных параметров цифровой системы передачи сообщений с амплитудной модуляцией
|
Название: Расчет основных параметров цифровой системы передачи сообщений с амплитудной модуляцией Раздел: Рефераты по физике Тип: реферат | ||||||||||||||||||||||||||||||||||||||||||||||||||||||||||||||||||||||||||||||||||||||||||||||||||||||||||
| ФЕДЕРАЛЬНОЕ АГЕНТСТВО ПО ОБРАЗОВАНИЮ Государственное образовательное учреждение высшего профессионального образования «ЧИТИНСКИЙ ГОСУДАРСТВЕННЫЙ УНИВЕРСИТЕТ» (ЧитГУ) Институт переподготовки и повышения квалификации Кафедра физики и техники связи Курсовой проект по дисциплине теория электрической связи Расчет основных параметров цифровой системы передачи сообщений с амплитудной модуляцией Вариант Выполнил: студент группы Проверил: Чита 2010 Содержание Задание. 4 1 Структурная схема системы электросвязи. 6 2.1 Случайный процесс 2.2 Числовые характеристики случайного процесса 3.2 Число уровней квантования. 15 3.4 Энтропия и производительность. 17 4.1 Число разрядов двоичной комбинации. 20 4.2 Избыточность кода с одной проверкой на четность. 20 4.3 Двоичная кодовая комбинация. 21 4.4 Число двоичных символов, выдаваемых кодером в секунду, и длительность двоичного символа. 22 5.2 Корреляционная функция модулирующего сигнала. 26 5.3 Спектральная плотность мощности модулирующего сигнала. 27 5.4 Условная ширина энергетического спектра модулирующего сигнала. 28 5.5 Энергетический спектр модулированного сигнала. 30 6.2 Пропускная способность канала. 35 6.3 Эффективность использования пропускной способности канала. 35 8.1 Обнаруживающая и исправляющая способность кода. 40 8.2 Алгоритм обнаружения ошибок. 41 8.3 Вероятность необнаружения ошибки. 42 8.4 Метод определения наименее надежного символа. 42 9.2 Идеальные амплитудно-частотные и фазо-частотные характеристики фильтра-восстановителя. 44 9.3 Импульсная реакция идеального фильтра-восстановителя. 46 10 Схема амплитудного модулятора. 48 11 Принципиальная схема амплитудного демодулятора. 50 12 Спутниковая система связи ИНМАРСАТ. 52 12.1 Техническая организация и принцип действия ИНМАРСАТ. 54 ЗАДАНИЕ №7 студенту гр. ТКВ-08 Тема курсового проекта ___________________________________________________________________________________________________________________________________________________________________________ 1.Исходные данные:
Дата выдачи задания «___»____________20 г. Студент ________________________ подпись Преподаватель __________________ подпись Данная курсовая работа посвящена расчету основных характеристик системы передачи сообщений и является важным практическим шагом на пути освоения курса теории электрической связи, а значит и на пути формирования технического образования студентов. 1 Структурная схема системы электросвязи Требуется: Составить структурную схему системы электросвязи и объяснить назначение ее отдельных элементов. Структурная схема системы элекросвязи представлена на рисунке 1.
Рисунок 1 - Структурная схема системы электросвязи На рисунке 1: 1. Источник сообщений - объект, передающий некое сообщение в виде сигнала 2. Дискретизатор – устройство, обеспечивающее дискретизацию сигнала 3. Кодер – устройство, в котором последовательность элементов сообщения заменяется последовательностью кодовых символов; 4. Модулятор (передатчик) – устройство, в котором первичный сигнал преобразуется во вторичный сигнал пригодный для передачи по используемому каналу; 5. Линия связи - обеспечивает физический перенос сигнала на расстоянии по линии связи, внося в него при этом шумы и искажения; 6. Демодулятор (приемник) – обрабатывает принятое колебание и восстанавливает переданное сообщение; 7. Декодер – устройство, предназначенное для преобразования кодовых комбинаций в квантованую последовательность отсчетов; 8. Фильтр-восстановитель – устройство, в котором восстанавливается непрерывное сообщение по квантованным значениям. Каналом передачи называют совокупность технических средств и среды распространения, обеспечивающих передачу электрических сигналов с ограниченной мощностью и в ограниченной полосе частот (т.е. с ограниченной скоростью), электрическим сигналом (далее - сигнал) в общем смысле называется изменяющееся во времени и пространстве параметры электромагнитного поля. Поясним, что под модуляцией понимается процесс изменения тех или иных параметров одного сигнала под воздействием каких-либо параметров другого. В случае если в качестве передаваемого сигнала используется синусоидально изменяющееся напряжение или ток, его параметрами можно считать амплитуду и полную фазу, содержащую в себе частоту и начальную фазу. Аналитически сигналы есть функции от времени и бывают дискретными и непрерывными или аналоговыми. Если сигнал как функция u(t) принимает только определенные дискретные значения u (например, 0 и 1), то он называется дискретным или, точнее, дискретным по состояниям. Если же сигнал может принимать любые значения в некотором интервале, то он называется аналоговым или непрерывным по состояниям. Под дискретным по времени сигналом необходимо понимать сигнал, заданный не на всей области значений времени, а только в определенные моменты tи . Поскольку заранее известный (детерминированный) сигнал не может нести информации, то все сигналы, рассматриваемые в данной работе являются случайными процессами. Длительностью сигнала Tc будем считать интервал времени, в пределах которого он существует, его динамическим диапазоном Dc – отношение наибольшей мгновенной мощности сигнала к той наименьшей мощности, которую необходимо отличать от нуля при заданном качестве передачи. За ширину спектра сигнала Fc примем диапазон частот, в пределах которого сосредоточена основная его энергия. Отметим, также, что в технике связи спектр сигнала часто сознательно сокращают, т.к. аппаратура и линии связи имеют ограниченную полосу пропускаемых частот. Сокращение спектра осуществляется исходя из допустимых норм искажений сигнала. Так, например, в качестве частотного диапазона речевого сигнала в связи полагаем полосу от 300 Гц до 3,4 кГц. Под термином сообщение мы будем понимать совокупность знаков (символов), содержащих ту или иную информацию, подлежащую передачи на расстояние. Для непрерывных каналов связи характерно: во-первых, линейность – тогда выходной сигнал является суперпозицией передаваемого сигнала и помехи, во-вторых, наличие помех на выходе канала, даже если на его вход не поступает сигнал, в-третьих, сигнал при передаче по каналу связи претерпевает задержку по времени и затухание по уровню. В реальных каналах всегда имеют место искажения сигнала, обусловленные несовершенством характеристик канала и, нередко, изменением параметров канала во времени. Помехой называется любое случайное воздействие на сигнал, которое ухудшает верность воспроизведения передаваемых сообщений. В проводных каналах связи основным видом помех являются импульсные шумы и прерывания связи. Появление импульсных помех часто связано с автоматической коммутацией и перекрестными наводками. Прерывание связи есть явление в канале, когда передаваемый сигнал резко затухает или исчезает. Практически в любом диапазоне частот имеют место внутренние шумы аппаратуры. Шум бывает аддитивным (зашумленный сигнал есть арифметическая сумма полезного сигнала и шума, существующего во времени постоянно) и мультипликативным (то же, только наличие шума в канале в каждый момент времени определяется случайным процессом). Среди аддитивных шумов особое место занимает флуктуационная помеха, имеющая нормальное (гауссово) распределение. Требуется: 1. Записать аналитическое выражение и построить график одномерного закона распределения плотности вероятности мгновенных значений случайного процесса 2. Найти математическое ожидание Для непрерывных процессов
Вероятность того, что случайная величина
Из условия нормировки для достоверного события имеем:
Пусть в нашем случае ПВ имеет вид прямоугольника. ПВ при равномерном распределении на интервале Высоту прямоугольника
Площадь прямоугольника равна
Откуда высота прямоугольника
Получаем следующее аналитическое выражение для прямоугольного закона распределения вероятности:
График одномерного распределения ПВ представлен на рисунке 2.
Рисунок 2 – График распределения
2.2 Числовые характеристики случайного процесса
Найдем числовые характеристики. Числовой характеристикой случайной величины может служить момент
Момент первого порядка называется математическим ожиданием и определяет среднее значение случайной величины:
Для нашего случая
Разность между случайной величиной
Для нашего случая с учетом того, что
Дисперсия характеризует разброс случайной величины относительного ее среднего значения. Стандартное (среднеквадратическое) отклонение
Передача информации от источника осуществляется по дискретной системе связи. Для этого сообщение Требуется: 1. Определить шаг квантования по времени 2. Определить число уровней квантования 3. Рассчитать относительную мощность шума квантования, определив ее как отношение средней мощности шума квантования 4. Рассматривая дискретизатор, как дискретный источник информации с объемом алфавита Для точного представления произвольной непрерывной функции Операция замены непрерывной функции последовательностью отсчетов ее мгновенных значений называется дискретизацией. Фундаментальное значение для решения многих задач теории передачи сигналов имеет теорема отсчетов Котельникова: непрерывная функция
Число уровней квантования
Шум квантования не связан с помехами в канале и целиком определяется выбором числа уровней квантования. Его можно сделать сколь угодно малым, увеличивая число уровней. При этом придется увеличивать число кодовых символов, приходящихся на каждый отсчет, а, следовательно, сокращать длительность символа и расширять спектр сигнала в канале. При расчете мощности шума квантования учитываем, что при заданном равномерном законе распределения сообщения
Тогда момент первого порядка (математическое ожидание) Дисперсия шума квантования (средняя мощность)
Мощность первичного сигнала (сообщения)
Относительная мощность шума квантования
3.4 Энтропия и производительность Энтропия – это средняя информативность источника на один символ, определяющая «неожиданность» или «непредсказуемость» выдаваемых им сообщений. Полностью детерминированный источник, выдающий лишь одну, заранее известную последовательность, обладает нулевой информативностью. Наоборот, наиболее «хаотический» источник, выдающий взаимно независимые и равновероятные символы, обладает максимальной информативностью. Для источника, не обладающего памятью с алфавитом А энтропия записывается следующим образом:
где Для прямоугольного распределения ПВ
Мы видим, что Тогда энтропия будет определяться как энтропия дискретного источника независимых сообщений, все символы которого равновероятны:
Если источник сообщения имеет фиксированную скорость
В кодере процесс кодирования осуществляется в два этапа. На 1-ом этапе производится примитивное кодирование каждого уровня квантованного сообщения Требуется: 1. Определить минимальное значение к, необходимое для кодирования всех 2. Определить избыточность кода с одной проверкой на четность 3. Записать двоичную кодовую комбинацию, соответствующую передаче 4. определить число двоичных символов, выдаваемых кодером в секунду 4.1 Число разрядов двоичной комбинации Для кодирования
Для нашего здания
4.2 Избыточность кода с одной проверкой на четность Код с проверкой четности образуется добавлением к группе информационных разрядов, представляющих простой (неизбыточный) код, одного избыточного (контрольного) разряда. При формировании кода слова в контрольный разряд записывается 0 или 1 таким образом, чтобы сумма 1 в слове, включая избыточный разряд, была четной (при контроле по четности) или нечетной (при контроле по нечетности). В дальнейшем при всех передачах, включая запись в память и считывание, слово передается вместе со своим контрольным разрядом. Если при передаче информации приемное устройство обнаруживает, что в принятом слове значение контрольного разряда не соответствует четности суммы 1 слова, то это воспринимается как признак ошибки. Определим избыточность кода
где
4.3 Двоичная кодовая комбинация
Проверочный символ
Тогда
Искомая кодовая комбинация имеет вид
4.4 Число двоичных символов, выдаваемых кодером в секунду, и длительность двоичного символа Число двоичных символов, выдаваемых кодером в единицу времени
Длительность двоичного символа
В модуляторе синхронная двоичная случайная последовательность биполярных импульсов Требуется: 1. Изобразить временные диаграммы модулирующего 2. Привести выражение и начертить график корреляционной функции модулирующего сигнала 3. Привести выражение и начертить график спектральной плотности мощности модулирующего сигнала 4. Определить условную ширину энергетического спектра модулирующего сигнала 5. Записать аналитическое выражение модулированного сигнала 6. Привести выражение и построить график энергетического спектра модулированного сигнала 7. Определить условную ширину энергетического спектра модулированного сигнала В зависимости от того, какой параметр несущего колебания изменяется в соответствии с передаваемым первичным сигналом, различают амплитудную, частотную, фазовую и другие виды модуляции. В результате модуляции двоичные символы представляются следующими высокочастотными сигналами. При амплитудной модуляции символам «0» и «1» соответствуют элементы сигнала длительностью
График модулирующего и манипулированного сигналов представлены на рисунке 3.
Рисунок 3 – График модулирующего (а) и манипулированного (б) сигналов 5.2 Корреляционная функция модулирующего сигнала Корреляционная функция случайного синхронного телеграфного биполярного сигнала с единичной высотой импульсов имеет следующий вид (рисунок 4):
где
Рисунок 4 – График корреляционной функции модулирующего сигнала 5.3 Спектральная плотность мощности модулирующего сигнала Для нахождения спектральной плотности мощности Спектральная плотность мощности модулирующего сигнала
График спектральная плотность мощности модулирующего сигнала представлен на рисунке 5. Рисунок 5 - График спектральная плотность мощности модулирующего сигнала 5.4 Условная ширина энергетического спектра модулирующего сигнала Условная ширина энергетического спектра модулирующего сигнала найдем из условия
Пусть
Определим долю мощности, сосредоточенную п полосе частот от 0 до
Рассмотрим по отдельности числитель и знаменатель этого выражения.
Возьмем этот интеграл по частям
Аналогично получим ,что
То есть получили, что 90,2% всей мощности сигнала приходится на полосу частот от 0 до 5.5 Энергетический спектр модулированного сигнала Спектральная плотность мощности модулированного сигнала
График спектральная плотность мощности модулированного сигнала представлен на рисунке 6. Условная ширина энергетического спектра модулированного сигнала найдем из условия
Рисунок 6 - График спектральная плотность мощности модулированного сигнала Передача сигналов Сигнал на выходе такого канала можно записать следующим образом:
Требуется: 1. Определить мощность шума в полосе частот 2. Найти отношение средней мощности сигнала к мощности шума. 3. Найти по формуле Шеннона пропускную способность канала в полосе 4. Определить эффективность использования пропускной способности канала В каналах связи аддитивные помехи возникают по различным причинам и могут принимать различные формы, индивидуальные реализации которых трудно учесть. Такие помехи чаще вызывают необратимые изменения передаваемых сигналов. Аддитивные помехи по своей структуре разделяют на три основных класса: распределенные по частоте и времени (флуктуационные), сосредоточенные по частоте (квазигармонические) и сосредоточенные во времени (импульсные). Флуктуационные помехи порождаются в системах связи случайными отклонениями тех или иных физических величин (параметров) от их средних значений. Источником такого шума в электрических цепях могут быть флуктуации тока, обусловленные дискретной природой носителей зарядов. Наиболее распространенной причиной шума в аппаратуре связи являются флуктуации, обусловленные тепловым движением. Зная спектральную плотность мощности
Для двоичных равновероятных символов
где
При расчете мощности сигнала следует иметь в виду, что это понятие в технике связи имеет условный смысл. Физическая мощность согласно законам электротехники, конечно, зависит не только от сигнала (в форме напряжения или тока), но и от сопротивления нагрузки, на которой она выделяется. Под «мощностью сигнала» в связи условно принято понимать мощности, выделяемую на резисторе с сопротивлением 1 Ом. Так как
Но так как мы используем не всю мощность ее сигнала, а только 90,2% всей мощности, то
Отношение мощностей сигнала к мощности шума
6.2 Пропускная способность канала Под пропускной способностью понимают количество, данных которое может быть передано по каналу за 1 секунду
6.3 Эффективность использования пропускной способности канала Эффективность использования пропускной способности канала определим по формуле
В демодуляторе осуществляется оптимальная по критерию максимального правдоподобия некогерентная обработка принимаемого сигнала Требуется: 1. Записать правило решения демодулятора, оптимального по критерию максимального правдоподобия. 2. Записать алгоритм работы и нарисовать структурную схему оптимального демодулятора для заданного вида модуляции и способа приема. 3. Вычислить вероятность ошибки 4. Определить, как нужно изменить энергию сигнала, чтобы при других видах модуляции и заданном способе приема обеспечить вычисленное значение вероятности ошибки Канал с аддитивным гауссовским шумом отображается линейной цепью с постоянной передаточной функцией, сосредоточенной в определенной полосе частот. Допустимы любые входные сигналы, спектр которых лежит в определенной полосе частот Fc , имеющие ограниченную среднюю мощность Рс (либо пиковую мощность Рпик ). Предположим , что все искажения в канале строго детерминированы и случайным является только гауссовский белый аддитивный шум со спектральной плотностью N0 . Это значит что при передаче символа “1” принимаемое колебание можно записать математической моделью z(t) = U2 (t) + n(t) , где U2 (t)- известный переносчик для символа “1”. Передаче символа “0” соответствует известный переносчик U1 (t): z(t) = U1 (t) + n(t). Неизвестна реализация помехи и позиция (индекс 1 или 2), переданного сигнала , который и должна распознать решающая схема. Распознавание осуществляется на основе метода идеального наблюдателя (Котельникова). Для когерентного приемника границы начала и конца принимаемого сигнала точно известны, т.е. передаваемые сигналы финитны и имеют одинаковую длительность, а в канале нет ни многолучевого распространения, ни линейных искажений, вызывающих увеличение длительности сигнала (либо они скорректированы). В таком случае алгоритм приема, который осуществляет оптимальный приемник над входным колебанием, имеет вид: Если неравенство выполняется , то приемник регистрирует “1”, в противном случае “0”. Т.к. сигнал (35) На рисунке 7 показана структурная схема оптимального когерентного демодулятора, реализующего неравенство (35).
Рисунок 7 – Схема оптимального когерентного приема сигналов АМ в двоичной системе Вероятность ошибки рш оптимального когерентного демодулятора для канала с аддитивным нормальным белым шумом при передаче двоичных сообщений вычисляется следующим выражением: где Ф(х) – функция Крампа или интеграл вероятностей
Наиболее помехоустойчивым видом модуляции при равных энергетических затратах является ФМ. Энергетический выигрыш ФМ составляет в четыре раза по сравнению с АМ и в два раза по сравнению с ЧМ. Дешифратор (декодер) - устройство, преобразующее двоичный код в позиционный (или иной). Другими словами, дешифратор осуществляет обратный перевод двоичных чисел. Единице в каком-либо разряде позиционного кода соответствует комбинация нулей и единиц в двоичном коде, а отсюда следует, что для преобразования необходимо иметь не только прямые значения переменных, но еще и инверсии. Требуется: 1. Оценить обнаруживающую 2. Записать алгоритм обнаружения ошибок. 3. Определить вероятность не обнаружения ошибки 4. Предложить метод определения наименее надежного символа из 8.1 Обнаруживающая и исправляющая способность кода Обнаруживающая и исправляющая способности кодов определяются минимальным кодовым по Хеммингу между кодовыми комбинациями
По теореме Хемминга для того чтобы код позволял исправлять все ошибки в z (или менее) позициях, необходимо и достаточно, чтобы наименьшее расстояние между кодовыми словами было: Возможности кода по исправлению ошибок определяется следующей теоремой: если код имеет минимальное расстояние
Таким образом наш код не исправляет ошибки
8.2 Алгоритм обнаружения ошибок При кодировании уровней квантованного сообщения был использован простейший систематический код 8.3 Вероятность необнаружения ошибки
где
Так как вероятность ошибки 8.4 Метод определения наименее надежного символа При демодуляции в РУ результат операции
сравнивается с 0 (если <0, то передавался «0», если Фильтр-восстановитель представляет собой фильтр нижних частот частотой среза Требуется: 1. Определить 2. Изобразить идеальные амплитудно-частотные и фазо-частотные характеристики фильтра-восстановителя. 3. Найти импульсную реакцию Частота среза связана с временем дискретизации
9.2 Идеальные амплитудно-частотные и фазо-частотные характеристики фильтра-восстановителя Передаточная функция идеального ФНЧ
где
Идеальная АЧХ фильтра-восстановителя имеет вид представленный на рисунке 8.
Рисунок 8 – Идеальная АЧХ фильтра-восстановителя Идеальная ФЧХ фильтра-восстановителя
где Идеальная ФЧХ фильтра-восстановителя имеет вид представленный на рисунке 9.
Рисунок 9 - Идеальная ФЧХ фильтра-восстановителя 9.3 Импульсная реакция идеального фильтра-восстановителя Импульсная переходная характеристика берется как обратное преобразование Фурье:
Будем считать, что фильтр работает на низких частотах и время задержки достаточно малая величина. Если
График импульсной характеристики представлен на рисунке 10.
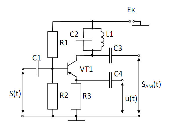
Рисунок 10 – График импульсной характеристики 10 Схема амплитудного модулятора
Рисунок 11 – Принципиальная электрическая схема амплитудного модулятора на транзисторе Данный модулятор используется для формирования больших амплитуд. В нем в качестве нелинейного элемента используется транзистор (VT), включенный по схеме с общим эмиттером (рисунок 11). Нагрузкой транзистора является колебательный контур С2 L1, который используется в качестве полосового фильтра и настраивается на частоту первой гармоники несущего колебания w0 . Также модулятор содержит делитель напряжения R1 R2 подающий напряжение смещения для выбора положения рабочей точки транзистора, резистор R3 обеспечивающий температурную стабилизацию рабочей точки, разделительные конденсаторы С1, С3, С4 разделяющие ток питания от тока сигнала. Модулирующий сигнал подается на эмиттер транзистора. Несущее колебание вместе с напряжением смещения поступают на базу VT. Модулированный сигнал снимается с коллектора. Достоинством данного модулятора является высокий КПД, т. к. транзистор работает в режиме отсечки коллекторного тока. 11 Принципиальная схема амплитудного демодулятора
Рисунок 12 – Простейший АМ детектор Принципиальная схема простейшего АМ детектора на одном транзисторе приведена на рисунке 12. Входной амплитудно-модулированный сигнал через разделительный конденсатор С1 поступает на эмиттер транзистора VT, который через резистор R1 соединен с общей шиной. В базовую цепь транзистора включены резистор R2 и конденсатор C2, являющийся блокировочным по частоте входного сигнала. В коллекторную цепь транзистора включены нагрузочные резистор R3 и конденсатор C3. Таким образом, в схеме рисунке 12 по входному сигналу имеем каскад с общей базой. При отрицательной полуволне входного сигнала, превышающей порог отпирания базо-эмиттерного перехода транзистора VT на базе выделяется постоянная составляющая или напряжение огибающей входного амплитудно-модулированного сигнала, т.е. происходит детектирование входного сигнала. Протекающий при детектировании ток базы транзистора создает на резисторе R2 напряжение, при котором напряжение коллектор-база Uкб VT становится положительным и он открывается, т.е. переходит в активный режим (в принципе, кремниевый транзистор работает в активном режиме при Uкб=0 или даже если напряжение на коллекторе на 0,3...0,4 В меньше напряжения на базе). В результате увеличивается ток коллектора и возникает напряжение на резисторе нагрузки R3, при этом из-за усилительных способностей транзистора напряжение на нагрузке по абсолютной величине больше, чем напряжение на базе (несмотря на то, что сопротивление резистора нагрузки R3 в несколько раз меньше базового резистора R2). Для n-p-n транзистора оба напряжения отрицательны. 12 Спутниковая система связи ИНМАРСАТ ИНМАРСАТ (INMARSAT – International Maritime Satellite Organization) – это международная организация, которая предоставляет на коммерческой основе свои технические средства для связи с морскими и воздушными судами и сухопутным транспортом. Организация «ИНМАРСАТ» была создана в 1979 году, в свете решений принятых Международной конференцией по поиску и спасанию (созванной по инициативе Международной морской организации – ИМО). Финансовые средства для его создания были выделены Правительствами стран – участниц этого проекта и в настоящее время их число составляет более 80-ти. Штаб-квартира с центром управления системой и спутниками находится в Лондоне. Практически с первых дней создания «ИНМАРСАТ», к этой организации присоединился и бывший Советский Союз, суда которого были оснащены оборудованием «ИНМАРСАТ». После распада СССР, правопреемницей его в этой организации стала Российская Федерация. С 1992 года, морские и река-море суда, совершающие плавание в морских районах А2 и А3 обязаны иметь на борту ССЗ «Инмарсат» в составе оборудования ГМССБ. Система Спутниковой Связи (ССС) «ИНМАРСАТ» использует для связи геостационарные спутники, которые выступают в роли активных ретрансляторов радиосигналов между терминалами на подвижных объектах и фиксированными земными станциями «ИНМАРСАТ», которые соединены с международными и национальными телефонными, телексными и другими наземными сетями связи. «ИНМАРСАТ» предлагает услуги связи для целого семейства спутниковых систем связи, которые называют ИНМАРСАТ – А, ИНМАРСАТ – В, ИНМАРСАТ – С и другие, характеризующиеся различными возможностями и эксплуатационными параметрами. «ИНМАРСАТ» обеспечивает соединение с различными специальными службами (медицинская консультация и помощь, техническая морская помощь, Интернет и др.) через двузначные коды специального доступа. «ИНМАРСАТ» осуществляет передачу информации безопасности в направлении берег-судно посредством так называемого расширенного группового вызова (РГВ). Система ИНМАРСАТ используется также для передачи данных для корректировки электронных карт, в системах мониторинга судов и как средство для дальней связи в автоматической идентификационной системе (АИС).
В состав системы ИНМАРСАТ (рисунок 13) входят следующие части: Зоны радиовидимости образуют четыре океанских района: · Атлантический океан, его западная часть; · Атлантический океан, его восточная часть; · Индийский океан; · Тихий океан. 2) береговой сегмент – береговые земные станции (БЗС). Включает в себя глобальную сеть береговых земных станций (Coast (Land) Earth Station, CES, LES), координирующих станций сети (КСС) (Network Coordination Station, NCS) и Центр эксплуатации сети и управления космическими спутниками в Лондоне. БЗС обеспечивают линию связи между спутником и наземными сетями связи и одновременно могут предоставлять несколько каналов для связи с СЗС. БЗС связаны с береговыми коммуникационными сетями: - международная сеть телекс (telex), - коммутируемые телефонные сети общего пользования (PSTN), - сеть цифровых телефонных станций (ISDN), - сеть передачи данных с пакетной коммутацией (PSDN), - Internet, E-mail и др. Через БЗС осуществляется связь со спасательно-координационым центром, а также со специальными службами с помощью двузначных кодов. Через КСС осуществляется передача сообщений расширенного группового вызова (РГВ). КСС связана со всеми БЗС своего океанского района, с КСС других океанских районов и с Центром эксплуатации сети ИНМАРСАТ в Лондоне. БЗС-спутник……………………..6425-6443 МГц Спутник-БЗС…………………….3600-3623 МГц; 3) парк терминалов на подвижных объектах – судовые земные станции (СЗС) (Ship Earth Station – SES) Терминалы связи, устанавливаемые на борту судна и предназначенный для связи с береговыми абонентами через спутник и БЗС. Для работы в ГМССБ одобрены следующие стандарты спутниковых станций: - ИНМАРСАТ-А; - ИНМАРСАТ-В; - ИНМАРСАТ-С; В настоящее время появилось множество земных станций других стандартов, которые т устанавливаются дополнительно на подвижных объектах для расширения возможностей коммерческой связи. Первый стандарт, введенный в эксплуатацию в 1982 году. Предоставляет услуги телефонии, факсимильной и телексной связи, а также передачи данных в аналоговом режиме, т.е. это был аналоговый стандарт спутниковой связи. На начальном этапе станции этого стандарта получили очень широкое распространение и прежде всего на морском река-море флотах. Кроме этого системами «ИНМАРСАТ-А» оснащались и некоторые пассажирские суда отечественного речного флота, осуществлявшие туристические рейсы с иностранными туристами. Обеспечивая, таким образом, телефонную и телексную связь с зарубежными государствами, позволяя туристам на таких судах общаться с родными и близкими в этих странах. С развитием услуг мобильной связи, необходимость эксплуатации «ИНМАРСАТ-А» на этих судах отпала и теперь, в основном, эти антенны являются лишь своего рода «бесполезным украшением». С 1993 года, был принят новый – цифровой стандарт, позволяющий сузить полосу рабочих частот, увеличить количество рабочих каналов, сделать их закрытыми для прослушивания посторонними лицами. Поэтому эксплуатация аналогового стандарта «ИНМАРСАТ-А» будет прекращена в ближайшее время. Введен в эксплуатацию в 1993 году. Данный стандарт является цифровым аналогом стандарта ИНМАРСАТ-А, он позволяет получать те же услуги по более низким тарифам в связи с более рациональным использованием частотного ресурса. Аппаратура и антенны СЗС «Инмарсат-В» имеют меньшие габариты и вес. Стандарт «Инмарсат-В» создан для того, чтобы заменить собой станции стандарта «Инмарсат-А». Станции ИНМАРСАТ-А/В обеспечивают прямую связь с абонентом в режиме On-line. В управлении и в использовании одинаковых видов связи оба стандарта очень схожи между собой и поэтому их объединяют под общим названием ИНМАРСАТ-А/В. Эта система введена в эксплуатацию в 1991 году как дополнение к системе INMARSAT-A и стала обеспечивать более дешевую глобальную связь с помощью небольших по размеру СЗС, которые могут быть установлены практически на любых по размеру судах, яхтах, траулерах и т.д. ИНМАРСАТ-С не обеспечивает режима телефонии, но поддерживает обмен текстовыми сообщениями и данными между СЗС и БЗС по принципу накопления, хранения информации на берегу и последующей передачей в порядке очереди в соответствии с указанным приоритетом (такой способ обмена называется Store and Forward). Передаваемое сообщение готовится на СЗС и в пакетной форме передается на выбранную БЗС, где пакеты проверяются на наличие ошибок, хранятся и собираются в одно сообщение, которое затем по береговым каналам связи передается на адрес конечного абонента. Отличительной особенностью судовых станций стандарта ИНМАРСАТ-С является малогабаритная всенаправленная антенна, которая также позволяет работать в системе GPS. СЗС INMARSAT-C, как правило, имеют встроенный приемник РГВ для приема сообщений службы безопасности мореплавания (Safety NET) и коммерческой службы флота (Fleet NET). ИНМАРСАТ-С позволяет получать/передавать электронную почту (e-mail) через Интернет, а так же работать в нем. На морских судах, совершающих дальнее плавание, услуга выхода в Интернет, посредством «Инмарсат-С», является одной из платных коммерческих услуг, предоставляемых туристам на борту. Так же приемопередатчик «Инмарсат-С» имеет встроенный приемник GPS, что в случае подачи сигнала бедствия через спутниковую систему, обеспечивает автоматическую передачу координат терпящего бедствие судна в Спасательно-Координационный Центр (СКЦ). Кроме перечисленных выше стандартов ИНМАРСАТ существуют и другие, но они находят ограниченное применение на судах, т.к. некоторые из них не отвечают требованиям ГМССБ. Система связи ИНМАРСАТ-М (мини-М) находится в эксплуатации с декабря 1992 года и обеспечивает глобальную связь с помощью сравнительно недорогих и небольших по размеру терминалов. В ИНМАРСАТ-М используются цифровые методы передачи информации и направленная антенна. СЗС стандарта ИНМАРСАТ-М меньше по размерам и легче, чем СЗС других стандартов, что делает возможным их установку на небольших по размеру судах. СЗС стандарта ИНМАРСАТ-М работает в режимах телефонии, факса, передачи данных. Отсутствие возможности передачи телексных сообщений является одним из серьезных недостатков этого стандарта, что сдерживает применение станций ИНМАРСАТ-М на судах в качестве обязательного для ГМССБ оборудования. Терминалы мини-М имеют еще меньшие размеры антенны и поэтому обеспечивают худшее качество телефонии меньшую скорость передачи данных (факса) в сравнении с ИНМАРСАТ-М. В России услуги спутниковой связи ИНМАРСАТ предоставляет ГУП «МОРСВЯЗЬСПУТНИК». Современная теория передачи сообщений позволяет достаточно полно оценить различные системы связи по их помехоустойчивости и эффективности и тем самым определить, какие из этих систем являются наиболее перспективными. Теория достаточно четко указывает не только возможности совершенствования существующих систем связи, но и пути создания новых, более совершенных систем. В ходе выполнения данного курсового проекта были получены навыки расчета системы связи с амплитудной модуляцией. Результаты расчеты нашего канала связи представлены в таблице 1. Таблица 1 – Результаты расчетов
1. Зюко А. Г., Кловский Д. Д., Назаров М. В., Финк Л. М. Теория передачи сигналов: учебник для вузов. - М.: Связь, 1999 – 432 с.: 203 ил. 2. Кловский Д. Д., Шилкин В. А. Теория электрической связи. Сб. задач и упражнений: Учеб. пособие для вузов. - М.: Радио и связь. 1990. – 289 с.: ил. 4. Перов Б. Е., Романюк В. А. Радиопередающие устройства на полупроводниковых приборах: Учеб. пособие для радиотех. спец. вузов. – М.: Высш. шк., 1989. – 232 с.: ил. 5. Финк Л. М. Теория передачи дискретных сообщений. - М.: Сов. радио, 1970. – 728 с.: ил. 6. Шилкин В. А., Широков С. М. Задание и методические указания к курсовой работе по теории электрической связи. Самара: Ротапринт ПГАТИ, 1999 – 23с. |
||||||||||||||||||||||||||||||||||||||||||||||||||||||||||||||||||||||||||||||||||||||||||||||||||||||||||

(2)

(8)
(В)
(9)
(В2
)
(13)
(14)
(15)
бит/сим 
(20)
(23)

, (24)
(25)
,В2
/Гц
(27)

- интегральный синус;
(32)
(33)


(37)


(43)

(49)


