Курсовая работа: Привод антенны
|
Название: Привод антенны Раздел: Рефераты по коммуникации и связи Тип: курсовая работа |
Содержание Введение 1 Выбор и обоснование функциональной схемы 1.1 Выбор исполнительного двигателя 1.2 Выбор передаточного числа редуктора и проверка правильности выбора двигателя 1.3 Выбор измерителя рассогласования 1.4 Выбор усилителя 1.5 Передаточная функция следящей системы 1.6 Следящая система комбинированного управления 1.7 Влияние редуктора на работу следящей системы 1.8 Выбор последовательного корректирующего звена 2 Реализация следящей системы Заключение Список литературы Приложение Введение Современные системы автоматического регулирования нашли самое широкое применение в различных областях науки и техники. Это связано не только с необходимостью автоматизации различных технологических процессов и производственных операций, но и с появлением принципиально новых автоматизированных машин, предназначенных для работы в экстремальных условиях: в космосе, под водой, в зонах с ядерным излучением, в шахтах и т.д. Непрерывно расширяется класс систем автоматического регулирования, отличающихся как особенностями самого объекта регулирования, так и динамическими свойствами систем в целом. Следящие системы (СС) можно классифицировать по способу формирования управляющего воздействия, характеру сигнала рассогласования, способу математического описания СС и характеру контролируемых измерений, проходящих в СС. Выходной вал СС с определенной степенью точности воспроизводит в виде механического перемещения входной управляющий сигнал. При этом исполнительный двигатель должен преодолевать имеющиеся на выходном валу нагрузки (возмущающее воздействие) и развивать скорости и ускорения, обеспечивающие его слежение за входным управляющим воздействием, а система управления двигателем должна обеспечить необходимую точность слежения. Т.е. привод должен обладать определенными динамическими свойствами, которые надо четко сформулировать на начальной стадии проектирования. Динамические свойства СС и законы изменения управляющих и возмущающих воздействий во многом зависят от назначения объекта управления в целом и функций, выполняемых СС, а также от условий работы. Структурная схема СС изображена на рис.1
Рисунок 1 Входное устройство, предназначено для вырабатывания сигнала, закон изменения которого должен воспроизводиться объектом регулирования. Сравнивающее устройство имеет два входа, на один из которых подается входной сигнал, а на второй – сигнал обратной связи с выхода следящей системы. Если положение объекта регулирования не соответствует заданному, то на выходе сравнивающего устройства возникает сигнал ошибки, пропорциональный разности входного сигнала и сигнала обратной связи. Как только объект регулирования займет заданное положение, сигнал ошибки станет равным нулю и исполнительный механизм остановится. Основные задачи проектирования состоят в выявлении требуемых динамических свойств привода, определении типа привода, выборе исполнительного двигателя, обладающего нужными предельными динамическими возможностями, определении метода управления и разработке схемы управления, которая при максимальной простоте и надежности и минимальных габаритах и весе обеспечивает необходимую динамику и точность. Исходные данные:
1 Выбор и обоснование функциональной схемы 1.1 Выбор исполнительного двигателя Двигатель должен иметь требуемые скорости, мощность, передаточную функцию и статические характеристики, отвечает требованием по нагреву и перегрузкам, расходовать минимум энергии. Надо также учитывать, что двигатель вместе с зависимым от него усилителем может составлять главную часть конструкции системы в отношении размеров, массы и стоимости. Выберем электрический двигатель и определить параметры его передаточной функции, если момент статической нагрузки МН =2 Нм; момент инерции нагрузки JН =1 кгм2 ; максимальная скорость вращения Wm =30о /с; максимальное ускорения вращения εм =10о /с2 . Примем ориентировочный коэффициент КПД редуктора η =0.9. Требуемая мощность двигателя (кВт) определяется по формуле:
По полученной мощности выбираем двигатель из числа двигателей переменного тока серии ДИД, при напряжении возбуждения uв = 110 В, напряжении управления uу.ном = 110 В и частоте сети 400 Гц. Наиболее подходящим является АДП-123(ст73): РД.НОМ =4.1Вт; nд.ном = 4000об/мин; Jр
= 120 1.2 Выбор передаточного числа редуктора и проверка правильности выбора двигателя Определим оптимальное передаточное число редуктора по формуле:
где Мн =2 Hм, момент нагрузки; Jн =1 кгм2 , момент инерции; εм = 0.175 рад/с2 , ускорение выходного вала; Jдв =120*10-8 кгм2 , момент инерции двигателя. Оптимальное передаточное число редуктора:
Проверим двигатель на выполнение требований по скорости:
При известных параметрах двигателя и редуктора определим величину максимального момента, который может развивать двигатель при заданных режимах работы по формуле: МВР.ТРЕБ
=
Чтобы, двигатель имел достаточный запас по ускорению, необходимо обеспечить выполнение следующего неравенства:
Т.е. видим, что Мтреб меньше, чем Мном , тем самым мы обеспечили запас по ускорению. Теперь нужно проверить удовлетворяет ли двигатель по мощности:
Двигатель удовлетворяет всем требованиям. Определим параметры передаточной функции двигателя, используя его технические данные. Коэффициент момента:
Коэффициент демпфирования определяется по формуле:
Коэффициент преобразования двигателя по скорости:
Полный момент инерции, приведенный к валу двигателя:
Определим передаточную функцию двигателя. Передаточная функция двигателя:
Рассчитаем постоянную времени с учетом нагрузки:
1.3 Выбор измерителя рассогласования Измерители рассогласования предназначены для преобразования сигнала рассогласования в электрическую величину. Требования к измерителям рассогласования: 1) высокая разрешающая способность; 2) высокая крутизна характеристики; 3) линейность и однозначность характеристики; 4) помехозащищенность; 5) надежность; 6) малые габариты; 7) низкая стоимость. Рассмотрим типы измерителей рассогласования и их погрешности: потенциометрические измерители рассогласования-(0.25÷1)º; 1) сельсины-(20÷30)'; 2) однополюсные вращающиеся трансформаторы-(2÷10)'; 3) многополюсные вращающиеся трансформаторы-до 1". Так как погрешность измерителя рассогласования в данной системе должна быть очень мала, выбираем многополюсный вращающийся трансформатор. Выбираем трансформатор серии ДСПУ-128. Его технические данные: [3,С. 255]. - Напряжение питания 12 В; - Частота питающей сети 400 Гц; - Погрешность отображения линейной зависимости-0.2%; - диапазон рабочих частот напряжения возбуждения-380÷4200Гц; - масса-0.3 кг. Общая погрешность следящей системы состоит из:
где Учитывая что в системе необходимо добиться XΩ =0" Xε =0" , то разобьем Xmax = 40" следующим образом: Xинстр =20", Xмом =15", Xдин =5". Посчитаем коэффициент передачи измерителя рассогласования:
где U ном – номинальное напряжение многополюсного вращающегося трансформатора; δ- шаг трансформатора ( 1.4 Выбор усилителя
Найдем общий коэффициент передачи системы:
Зная К, можно найти коэффициент передачи усилителя:
Схема усилителя:
Коэффициент передачи усилителя равен Постоянная времени усилителя:
1.5 Передаточная функция следящей системы Полученная система астатическая первого порядка.
построим ее ЛАЧХ:
Для обеспечения требуемой точности воспроизведения входного воздействия астатической системы первого порядка нужно наложить ограничения на вид низкочастотной части ЛАЧХ разомкнутой системы. Построим запретную зону.
Однако известно, что для устойчивости астатической системы первого порядка необходимо чтобы:
То есть можно сделать вывод о том, что данная система не устойчива. 1.6 Следящая система комбинированного управления Применение управления по входному воздействию и его производным в комбинированных системах позволяет значительно повысить точность их работы. Следящие системы комбинированного управления представляют собой, по существу, сочетание систем с разомкнутой и замкнутой цепями управления. Они широко распространены в тех случаях, когда требуется высокая точность слежения при больших значениях задающих скоростей и ускорений. В астатических следящих системах для получения комбинированного управления приходится вводить в усилительный канал напряжение, снимаемое с тахогенератора на задающей оси. Это напряжение пропорционально первой и второй производной от угла задавания ά. Структурная схема следящей системы комбинированного управления изображена на рис. 2, а. Звено с передаточной функцией Е (р) предназначено для введения в усилительный канал производных от угла α.
Рисунок 2 «Структурная схема следящей системы комбинированного управления». Если В области средних частот В области высоких частот желаемая и исходная характеристики должны иметь одинаковые наклоны. Для этого в нашей системе высокой точности применим симметричные характеристики. Рассмотрим следующую характеристику типа 1-2-1-2-3 :
lg
Найдем частоту среза исходной функции:
Коэффициент b обратно пропорционален показателю колебательности М М=(1,1÷1,7); b= (3,3÷6);
Частота среза желаемой ЛАЧХ не должна быть меньше исходной.
1.7 Влияние редуктора на работу следящей системы Редуктор может оказывать существенное влияние на работу следящей системы. Это влияние может сказываться при рассмотрении работы следящей системы, как в линейном, так и в нелинейном планах. Проблема исследования следящей системы с учетом особенностей, вносимых редуктором, весьма сложна, особенно при значительных передаточных отношениях. Ниже рассматриваются некоторые аспекты этой проблемы. Минимизация момента инерции редуктора. При неудачном выборе первых пар зубчатых зацеплений редуктора приведенный момент инерции двигателя совместно с управляемым объектом может увеличиться, что приводит к увеличению электромеханической постоянной времени. При достаточно большой жесткости редуктора (С = 107 -109 гсм//рад) и более) и передаточная функция двигателя совместно с редуктором может быть записана в виде:
Найдем коэффициент демпфирования редуктора:
Найдем собственную частоту колебаний:
lgq=lg47944.77=4.68. Найдем величину пика:
Так как пик не заходит в запретную область ограниченную прямой 1.8 Выбор последовательного корректирующего звена В результате динамического синтеза необходимо сформировать схему системы регулирования, которая отвечала бы всем поставленным техническим требованиям. Исходной при решении этой задачи является та схема системы, которая получается на основе удовлетворения требованиям энергетики, величин необходимых управляющих воздействий на объект, диапазонов работы, скоростей, ускорений, ресурса и др. Исходная схема может даже удовлетворять требованиям по точности, но, как правило, она не удовлетворяет требованиям по устойчивости и запасу устойчивости. Корректирующие звенья последовательного типа вводятся в канал ошибки. В зависимости от вида сигнала ошибки они могут состоять из различных по своей природе элементов — электрических, механических, электромеханических, пневматических и т.д. Наиболее просто эти звенья могут быть реализованы в виде электрических контуров, содержащих R -, С- -элемент Найдем передаточную функцию корректирующего звена:
Корректирующее звено на операционном усилителе:
Общий вид передаточной функции корректирующего звена:
Из ряда емкостей Е24 выбираем С=С0 =0,1мкФ, сопротивления выбираем из ряда Е96: R= 330кОм, R0 =26 кОм.
Получили выражение передаточной функции желаемой ЛАЧХ:
2 Реализация следящей системы Для того чтоб динамическая погрешность была равна 0 (XΩ
= 0" Xε
= 0") в системе необходимо реализовать звено
Так как в системе регулирования используется электрический сигнал в виде напряжения переменного тока, а корректирующие устройства, построенные на усилителях, предполагают напряжение постоянного тока, то воспользуемся модулированным сигналом. В системах с модулированным сигналом в большинстве случаев оказывается более простым использование обычных звеньев, предназначенных для работы с модулированным сигналом, путем установки в канале управления фазочувствительного демодулятора ФД, фильтра Ф, отсеивающего высшие гармоники, последовательного звена ПЗ и, вслучае необходимости, модулятора М для обратного перехода к модулированному сигналу (рис. 3). Эти звенья могут быть как активными, так и пассивными. Мы будем использовать активные звенья, то есть звенья, построенные на операционных усилителях.
Рисунок 3 «Установка последовательного звена в канале с модулированным сигналом». Такой путь, однако, может привести к серьезному ухудшению динамических свойств системы из-за введения в усилительный канал фильтра, являющегося дополнительной инерционностью. Это особенно заметно при использовании сравнительно низких значений несущей частоты (f = 10 - 50 Гц). Лучшие результаты получаются здесь для несущих частот f= 400 ~ 1000 Гц и выше. Фильтры и демодуляторы установим на выходах тахогенератора и измерителя рассогласования. Модулятор понадобится один. Он должен быть установлен на выходе усилителя. Заключение В результате проектирования следящей системы автоматического регулирования, была создана система, удовлетворяющая заранее заданным требованиям в части точности и основных динамических свойств. Задача решалась таким образом, чтобы необходимые качественные показатели системы автоматического регулирования достигались наиболее простым путем, т. е. оптимальным методом синтеза по заданным качественным показателям. Основные свойства проектируемого канала управления: Погрешность Xmax =40" Показатель колебательности системы М=1.5 Время переходного процесса tпп =0.01 с Для достижения требуемой точности используется система комбинированного управления, устойчивость достигается путем введения в канал ошибки последовательного корректирующего звена. Данная система обеспечивает заданную точность и имеет запас устойчивости по амплитуде 10.5 дБ и по фазе 22°. Список литературы 1. Проектирование следящих систем. Основы проектирования следящих систем; под ред. Н.А.Лакоты. - М, Машиностроение, 1978.-350 с. 2. Проектирование следящих систем; под ред. Л.В.Рабиновича. - М, Машиностроение, 1969. – 256 с. 3. Справочник по электрическим машинам; под ред. И.П.Копылова, Т2. - М, Энергоатомиздат. - 1989. – 688 с. 4. В.И.Смирнова; Проектирование и расчет автоматизированных приводов, учебник для средних специальных учебных заведений. - М, Машиностроение, 1990. – 362 с. 5. В.И.Смирнова; Проектирование и расчет автоматизированных приводов, учебник для средних специальных учебных заведений. - М, Машиностроение, 1983. – 382 с. 6. В.А. Ганэ, В.Л. Степанов; Расчёт следящих систем. - Минск, ВШ,1990. – 227 с. Приложение 1(ЛАЧХ и ЛФЧХ разомкнутой системы)
Приложение 2(Влияние редуктора на следящую систему)
Приложение3 (желаемые ЛАЧХ и ЛФЧХ разомкнутой системы)
Приложение4(Переходная характеристика)
Приложение 5 (Структурная схема)
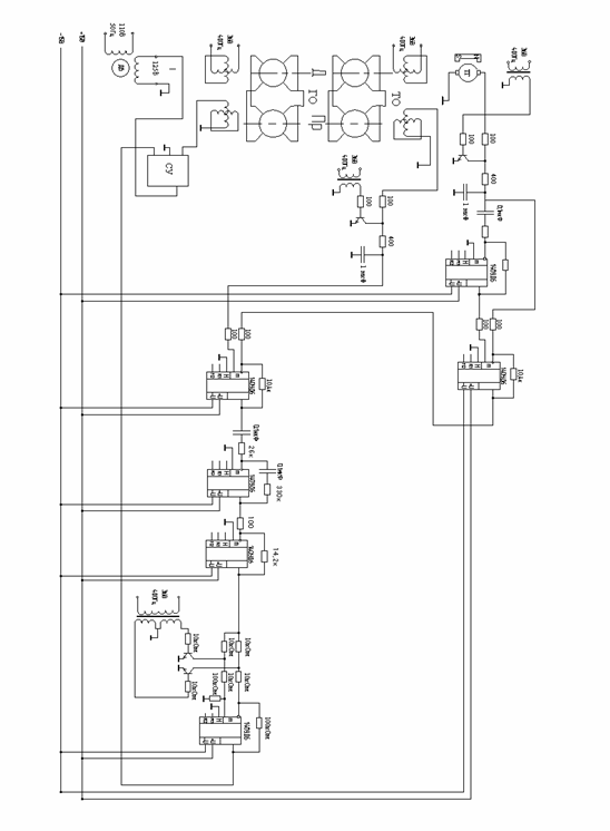
Приложение 5 (Электрическая схема)
|


,
=3378.64.
;
.
]
.
.
.
.
.
.

.

; 
. 

;
;



.
; 
;
[3.299].





