Реферат: Расчет и конструирование одноступенчатого редуктора
|
Название: Расчет и конструирование одноступенчатого редуктора Раздел: Промышленность, производство Тип: реферат | ||||||||||||||||||||||||||||||||||||||||||||||||||||||||||||||||||||||||||||||||||||||||||||||||||||
1. Задание на проектирование.4 2.1. Определение требуемой мощности.5 2.2. Определение КПД привода.5 2.3. Определение требуемой мощности и частоты вращения вала электродвигателя.5 2.4. Определение передаточного числа редуктора.6 2.5. Определение крутящих моментов на валах редуктора.6 3. Проектировочный расчет зубчатой передачи.7 3.1. Расчет допускаемых контактных напряжений.7 3.2. Расчет допускаемых изгибных напряжений.8 3.3. Проектный расчёт зубчатой передачи.9 3.4. Геометрический расчет закрытой передачи.10 4. Проверка зубьев на выносливость.12 4.1. Проверка зубьев на выносливость по контактными напряжениям.12 4.2. Проверка прочности зубьев по напряжениям изгиба.14 5. Расчёт открытой передачи.16 6.2. Выбор допускаемых напряжений на кручение.19 6.3. Конструирование быстроходного вала.19 6.4. Конструирование тихоходного вала.20 7. Расчёт элементов редуктора.22 7.1. Расчёт элементов корпуса. 22 7.2. Конструирование колеса. 24 8. Расчёт шпоночных соединений. 26 9. Статический и динамический расчёт подшипников тихоходного вала.27 9.1. Предварительное назначение подшипников.27 9.2. Конструирование крышек подшипников.27 9.5. Расчёт усилий в опорах вала.28 9.7. Построение эпюр моментов и определение максимального момента. 30 10. Уточнённый (проверочный) расчёт валов на прочность. 34 12. Допуски формы и допуски расположения поверхностей.38 12.1. Допуски формы и допуски расположения для тихоходного вала.38 12.2. Допуски формы и допуски расположения для колеса.38 15. Эскизы стандартных деталей.42 Исходные параметры. Косозубое зацепление
режим работы 2
2.1. Определение требуемой мощности. Определяем потребляемую мощность привода:
Определяем потребляемую мощность электродвигателя по формуле
где
2.3. Определение требуемой мощности и частоты вращения вала электродвигателя.
Принимаем Определяем частоту вращения вала электродвигателя. Для частоты вращения ведущего вала одноступенчатого редуктора справедливо
Определив мощность и частоту вращения электродвигателя, по таблице 24.9 Выбираем двигатель
2.4. Определение передаточного числа редуктора.
2.5. Определение крутящих моментов на валах редуктора. На колесе На шестерне На конце быстроходного вала 3. Проектировочный расчет зубчатой передачи. По табл. 8.7 Материал шестерни Сталь 40, улучшение, твёрдость 192...228 НВ, материал колеса Сталь 45, нормализация, твёрдость 179...207 НВ, временное сопротивление материала шестерни, Принимаем средние значения твёрдости для шестерни 3.1. Расчет допускаемых контактных напряжений. Определяем допускаемые контактные напряжения для зубьев шестерни и колеса:
- предел выносливости контактной поверхности зубьев, соответствующий базовому числу циклов переменных напряжений, находим по табл. 8.8 где Определение базового числа циклов:
Для сталей Определяем базовое число циклов для контактных напряжений
где c - число зацеплений колеса, n - частота вращения,
Определяем реальное число циклов для контактных напряжений; в соответствии с режимом нагружения принимаем по табл 8.9
Определим коэффициент
где
Поскольку Поскольку Значение
Коэффициент безопасности шестерни
Коэффициент безопасности колеса
Pасчётное контактное напряжение - минимальное из двух найденных: 3.2. Расчет допускаемых изгибных напряжений. Определяем реальное число циклов для изгибных напряжений; в соответствии с режимом нагружения принимаем по табл 8.9
Определим коэффициент Если
где
Поскольку Поскольку Значение Определяем предел выносливости по напряжениям изгиба для зубьев шестерни и колеса
Определяем допускаемые изгибные напряжения для зубьев шестерни и колеса:
где
3.3. Проектный расчёт зубчатой передачи. Межосевое расстояние определяется по формуле
Принимаем
E - приведённый модуль упругости. В случае изготовления колеса и шестерни модуль упругости Е = 2100 ГПа.
Округляем по ряду Ra20
3.4. Геометрический расчет закрытой передачи. Модуль зацепления определяется по формуле: m = Принимаем по стандартному ряду модулей m = 2,5 мм Определим суммарное число зубьев шестерни и колеса:
Принимаем Число зубьев шестерни определим из соотношения:
Принимаем Определение числа зубьев колеса передачи:
Уточняем передаточное отношение
Проверка соблюдения условия точности подбора чисел зубьев
Согласно 1,962% Коррекция угла зацепления:
Коррекция частоты вращения тихоходного вала:
Торцовый модуль Делительные диаметры рассчитываются по формуле d =
Диаметры вершин колёс рассчитываются по формуле
Диаметры впадин колёс рассчитываются по формуле
Проверка соблюдения величины межосевого расстояния
125 = Рабочая ширина венца Приведение значения ширины венца зубчатого колеса к стандартной величине по стандартному ряду Ra40 ГОСТ6636-69.
Принимаем Ширина венца шестерни 4. Проверка зубьев на выносливость. 4.1. Проверка зубьев на выносливость по контактными напряжениям. Расчетом должна быть проверена справедливость соблюдения следующего неравенства:
где
U - передаточное отношение
Определение степени точности передачи Скорость в зацеплении определяется по формуле:
где в - диаметр колеса, мм n - частота вращения колеса, Скорость в зацеплении:
Согласно скорости по таблице 2.6 Момент на шестерне
Момент на конце быстроходного вала Расчет усилий в зацеплении Окружное усилие в зацеплении колес рассчитывают по формуле:
Определение коэффициента расчётной нагрузки
Принимаем
Коэффициент расчётной нагрузки Таким образом,
Для
где
Расчёт
4.2. Проверка прочности зубьев по напряжениям изгиба. Расчет выполняют отдельно для шестерни и для зубчатого колеса передачи после уточнения нагрузок на зубчатые колеса и их геометрических параметров. Проверяют справедливость соотношений расчетных и допускаемых напряжений изгиба:
где
Определение коэффициента расчётной нагрузки
Принимаем
Коэффициент расчётной нагрузки Таким образом,
Для
Расчёт
Эквивалентные числа зубьев для косозубых колёс рассчитываются по формуле
где
Коэффициенты формы зуба
Сопоставление расчетного и допускаемого напряжений
Проверка по напряжениям изгиба: должно выполняться
По табл. 8,7 Материал шестерни Сталь 45, улучшение, твёрдость 241...285 НВ временное сопротивление материала шестерни, Принимаем средние значения твёрдости для шестерни Коэффициент формы зуба В силу невозможности установления характеристик колеса внешнего зацепления, принимаем Определяем базовые изгибные напряжения для зубьев открытой шестерни
Определяем допускаемые изгибные напряжения для зубьев шестерни и колеса:
где
Эквивалентные числа зубьев для прямозубых колёс рассчитываются по формуле
Коэффициенты формы зуба
Определение модуля открытой передачи m =
m = Принимаем m = 4 мм Определение основных геометрических размеров шестерни Делительный диаметр рассчитывается по формуле
Диаметр вершины шестерни: коэффициент смещения принят равным нулю.
Диаметр впадины шестерни рассчитывается по формуле
Ширина венца Принимаем Диаметр ступицы.
Примем Определение степени точности передачи Скорость в зацеплении:
Согласно скорости по таблице 2.6 Расчет усилий в зацеплении Окружное усилие в зацеплении колес:
Определение коэффициента расчётной нагрузки
Коэффициент расчётной нагрузки Таким образом,
Проверка по напряжениям изгиба: должно выполняться В проектируемых редукторах рекомендуется применять термически обработанные среднеуглеродистые и легированные стали. Для быстроходного вала: Сталь 45, нормализация Для тихоходного вала: Сталь 45, нормализация 6.2. Выбор допускаемых напряжений на кручение. Для быстроходного вала: Для тихоходного вала: 6.3. Конструирование быстроходного вала.
Определение минимального диаметра вала исходя из условия прочности по касательным напряжениям.
Скорректируем диаметр входного вала по диаметру вала электродвигателя согласно соотношению Принимаем цилиндрический конец вала исполнения 2 по ГОСТ 12080-66, Длина конца вала
Примем диаметр под подшипник Диаметр бурта
Примем 6.4. Конструирование тихоходного вала.
Определение минимального диаметра вала исходя из условия прочности по касательным напряжениям.
Принимаем цилиндрический конец вала исполнения 2 по ГОСТ 12080-66, Длина конца вала
Примем диаметр под подшипник Диаметр бурта
Примем Диаметр вала под колесо
Примем Диаметр бурта колеса определяется как
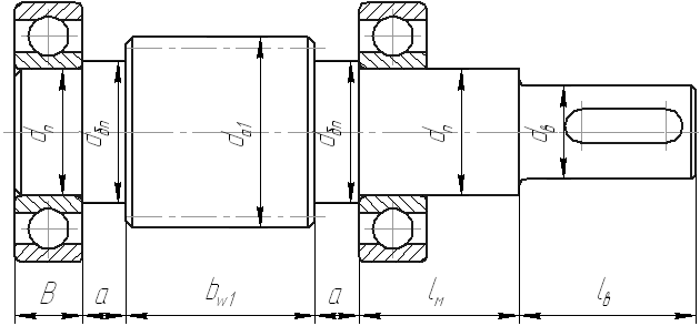
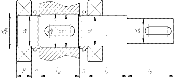
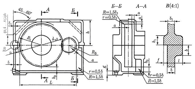
Примем Длины шпонок принимаются по ряду предпочтительных чисел по ГОСТ 23360-78. Шпонка на конце быстроходного вала Диаметр в = 28 мм Длина шпонки L = 32 мм Рабочая длина шпонки Ширина шпонки b = 8 мм Высота шпонки h = 7 мм Глубина паза вала Глубина паза под колесо Шпонка на конце тихоходного вала Диаметр в = 38 мм Длина шпонки L = 32 мм Рабочая длина шпонки Ширина шпонки b = 10 мм Высота шпонки h = 8 мм Глубина паза вала Глубина паза под колесо Шпонка под колесом тихоходного вала. Диаметр в = 48 мм Длина шпонки L = 50 мм Рабочая длина шпонки Ширина шпонки b = 14 мм Высота шпонки h = 9 мм Глубина паза вала Глубина паза под колесо 7. Расчёт элементов редуктора. Определение зазоров между вращающимися деталями a = Длина редуктора: L = Зазор: a = Принимаем а = 10 мм Для крепления используются винты с цилиндрической головкой и шестигранным углублением под ключ. Диаметр фланцевых винтов крепления крышки корпуса к корпусу определяется по формуле d = d = Принимаем в = 10 мм.
Опорная поверхность выполнена в виде четырех расположенных в местах установки болтов платиков. Такое расположение позволяет снизить расход металла и уменьшает время обработки опорной поверхности корпуса, снижает нагрузки на резьбовые детали.
Диаметр фундаментных болтов определяется по формуле
Необходимая точность фиксирования достигается штифтами. Используются два конических штифта с внутренней резьбой, которые устанавливаются по срезам углов крышки. Диаметр штифтов
Толщина стенки корпуса
Принимаем Толщина стенки крышки редуктора
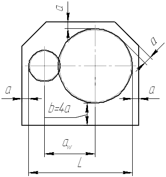
Компоновка:
Радиусы сопряжений: r = R = Размеры конструктивных элементов: f = b =
l =
Проушина для подъема и транспортировки выполняется в виде ребра с отверстием, диаметр которого в =
Минимальная ширина
Координата размещения оси болта Минимальная ширина фланца редуктора Форма зубчатого колеса может быть c плоской или выступающей ступицей При среднесерийном производстве заготовки колес получают из прутка свободной ковкой, а также ковкой и в штампах. Диаметр ступицы.
Примем Определение длины ступицы.
Поскольку Определяем толщину обода зубчатого венца: S S = Примем S = 9 мм На колесе выполняется фаска под углом 45 градусов f = Принимаем f = Диаметр обода: Толщина обода: С =
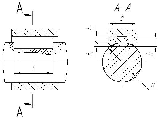
8. Расчёт шпоночных соединений
Из условия прочности на смятие имеем:
Шпонка на конце быстроходного вала
Шпонка на конце тихоходного вала
Шпонка под быстроходной шестернёй
Поскольку все вычисленные напряжения смятия ниже допускаемого 9. Статический и динамический расчёт подшипников тихоходного вала. 9.1. Предварительное назначение подшипников.
Для быстроходного вала назначаем шариковые радиальные подшипники лёгкой серии 207 Внутренний диаметр в = 35 мм Наружный диаметр в = 72 мм Ширина В = 17 мм Динамическая грузоподъёмность С = 25500 Н Статическая грузоподъёмность Диаметр шарика Для тихоходного вала назначаем шариковые радиальные подшипники лёгкой серии 209 Внутренний диаметр в = 45 мм Наружный диаметр в = 85 мм Ширина В = 19 мм Динамическая грузоподъёмность С = 33200 Н Статическая грузоподъёмность Диаметр шарика 9.2. Конструирование крышек подшипников. Крышка подшипника на быстроходном валу Стенка крышки при диаметре внешнего кольца подшипника в = 72 по Установочный поясок принимаем равным толщине крышки S = 6 мм Канавка для выхода шлифовального круга b = 5 мм - принимается по табл 7.8 Длина пояска сопряжения l Крышка подшипника на тихоходном валу Стенка крышки при диаметре внешнего кольца подшипника в = 100 по Установочный поясок принимаем равным толщине крышки S = 7 мм Канавка для выхода шлифовального круга b = 5 мм - принимается по табл 7.8 Длина пояска сопряжения l 9.5. Расчёт усилий в опорах вала. Для проверки подшипников на прочность необходимо определить силовые факторы, воздействующие на подшипниковые узлы Расчет усилий в зацеплениях открытой передаче
Расстояния между точками приложения усилий определяются замерами на чертеже: Реакции в опорах определяем на основании уравнений равновесия Расчёт реакций в опорах вертикальной плоскости -
Проверка
-1237,48 + 6229,19 - 1491,71 - 3500 = 0 0 = 0 Расчёт реакций в опорах горизонтальной плоскости Реакции в опорах определяем на основании уравнений равновесия
-1353,43 + 639,26 - 559,73 + 1273,9 = 0 0 = 0 Определение максимальных усилий.
Результируюшая осевая сила Расчёт ведём по наиболее нагруженной опоре C, Требуемый ресурс долговечности подшипников по заданию Учитывая сравнительно небольшую осевую силу назначаем по Внутренний диаметр в = 45 мм Наружный диаметр в = 100 мм Ширина В = 25 мм Динамическая грузоподъёмность С = 52700 Н Статическая грузоподъёмность Диаметр шарика Определяем эквивалентную радиальную нагрузку по формуле: P = где V - коэффициент вращения; V = 1 (вращение внутреннего кольца подшипника) X - коэффициент радиальной силы Y - коэффициент осевой силы
Определяем ресурс подшипника: Для случая с ненулевым значением осевой силы расчёт значений коэффициентов Х и Y проводится в соответствии с
Следовательно, по табл 58 Далее для отношения
Для 0,2 при значении соотношения P = Определяем эквивалентное время работы
где n - частота вращения вала, n = 326,28
Определяем потребную динамическую грузоподъемность выбранного подшипника и сравниваем ее с паспортной.
где
Статическая грузоподъёмность подшипников проверяется по следующей формуле:
где
9.7. Построение эпюр моментов и определение максимального момента Изгибающие моменты в вертикальной плоскости
Изгибающие моменты в горизонтальной плоскости
Определение результирующих моментов:
Максимальный момент
Построение эпюры
10. Уточнённый (проверочный) расчёт валов на прочность Для валов расчет на сопротивление усталости является основным. Прежде всего устанавливаем характер цикла напряжений. Так как установить действительный цикл нагрузки машины в условиях эксплуатации трудно, расчет выполняем по номинальной нагрузке, а циклы напряжений принимаем: симметричный - для напряжений изгиба и отнулевой для напряжений кручения. Цель расчета - определение запаса сопротивления усталости в опасном сечении. При совместном действии кручения и изгиба запас сопротивления усталости определяем по формуле согласно S = где запасы сопротивления по изгибу и кручению согласно
Определение коэффициентов концентрации напряжения согласно
где
По
где
Коэффициенты, корректирующие влияние постоянной составляющей цикла напряжений на сопротивление усталости:
Выбор материала вала Материал вала Сталь 45, нормализация Временное сопротивление Предел выносливости при изгибе Предел выносливости при кручении Расчет вала на выносливость. Проведём расчёт для опасного сечения Опасный участок - посадка подшипника с натягом
Назначаем коэффициенты согласно
Коэффициент чистоты поверхности согласно табл 10.8
S = Опасный участок - галтель
Назначаем коэффициенты согласно по табл 10.3
Коэффициент чистоты поверхности согласно табл 10.8
S = Опасным участком является посадка подшипника с натягом. Смазывание зубчатого зацепления производим окунанием зубчатого колеса в масло, заливаемое внутрь корпуса (картерная смазка).При вращении колёс внутри корпуса образуется взвесь частиц масла, которые покрывают поверхность расположенных внутри деталей. Объём масляной ванны для одноступенчатых цилиндрических редукторов рекомендуется принимать таким, чтобы на 1 кВт передаваемой мощности приходилось 0,35-0,7 л масла. V = Рекомендуемое значение вязкости масла для зубчатых колёс закрытых передач при контактном напряжении Подшипники смазывают тем же маслом, что и детали передач. При картерной системе смазки подшипники также смазываются брызгами масла. Глубина погружения колёс в масло.
Принимаем 12. Допуски формы и допуски расположения поверхностей. 12.1. Допуски формы и допуски расположения для тихоходного вала. Допуск цилиндричности на подшипниковую цапфу при значении допуска по JT6 0,016 допуск цилиндричности Т = Допуск цилиндричности на место посадки колеса при значении допуска по JT6 0,016 допуск цилиндричности Т = Допуск цилиндричности диаметра конца вала при значении допуска по JT6 0,016 допуск цилиндричности Т = Допуск соосности на подшипниковую цапфу при шариковых подшипниках, диаметре 45 и ширине подшипника 25 мм допуск по табл 22.5
Допуск соосности на место посадки колеса при степени точности 8, диаметре колеса 203,61 мм и диаметре вала 48 мм допуск по табл 22.8 Допуск перпендикулярности на подшипниковую цапфу при шариковых подшипниках (степень точности 8) и диаметре упорного буртика 53 допуск по табл. 22.8 Допуски на шпоночный паз вала под колесом. Ширина шпонки 14 мм. Допуск параллельности Т = Допуски на шпоночный паз конца вала. Ширина шпонки 10 мм. Допуск параллельности Т = 12.2. Допуски формы и допуски расположения для колеса. Допуск цилиндричности на отверстие при значении допуска по JT7 0,025 допуск цилиндричности Т = Допуск перпендикулярности при Допуски на шпоночный паз колеса. Ширина шпонки 14 мм. Допуск параллельности Т = Расчёт длины общей нормали. Определить величину средней длины общей нормали Условное число зубьев:
При m = 2,5 мм и Х = 0 W = Наименьшее отклонение средней длины общей нормали Допуск на среднюю длину общей нормали Перед сборкой внутреннюю область полости редуктора тщательно очистить и покрыть маслостойкой краской. Сборку производить в соответствии со сборочным чертежом редуктора, начиная с узлов валов: -на ведущий вал насадить подшипники, предварительно нагретые в масле до 80-100 С; - в ведомый вал заложить шпонку и напрессовать зубчатое колесо до упора в бурт вала; затем надеть дистанционное кольцо и установить подшипники, предварительно нагретые в масле; Собранные валы уложить в основание корпуса редукторами надеть крышку корпуса, покрыв предварительно поверхности стыка крышки и корпуса спиртовым лаком. Затянуть болты, крепящие крышку к корпусу. Установить сквозную и глухую крышки подшипников с комплектом прокладок для регулировки. Проверить проворачиванием валов отсутствие заклинивания подшипников (валы должны проворачиваться от руки) и закрепить крышки болтами. Далее на конец ведомого вала в шпоночную канавку заложить шпонку. Залить в корпус масло. Собранный редуктор обкатать и подвергнуть испытанию на стенде по программе, устанавливаемой техническими условиями. При передаче момента шпоночным соединением посадка цилиндрического косозубого колеса принимается Для сборки предусмотрен направляющий цилиндрический участок вала с полем допуска d11. Посадка цилиндрического прямозубого колеса открытой передачи осуществляется по Посадки шпонок регламентированы ГОСТ 23360-78 и принимаются для посадки в паз вала Посадки шариковых подшипников для соединения с вращающимся валом при режиме работы подшипника Посадка манжетных уплотнений в корпус крышки подшипника не должна осуществляться с применением силы, но в то же время она должна быть плотной. Поэтому участок под установку манжеты выполняют по H8. Вследствие прижатия манжеты браслетной пружиной к валу наблюдается износ участка манжеты, контактирующей с валом. Поэтому участок посадки вала выполняют c допуском с зазором d9 и полируют. Посадки глухих крышек подшипников выполняется по 15. Эскизы стандартных деталей. Подшипники шариковые радиальные однорядные (ГОСТ 8328-75)
Шайба на конце вала ГОСТ 14734-69
Болт с шестигранной головкой класса точности B (ГОСТ 7790-70)
Винт с цилиндрической головкой класса точности B (ГОСТ 11738-84)
Манжеты резиновые армированные для валов (ГОСТ 8752-79)
Штифт цилиндрический (ГОСТ 3128-70)
Штифт конический (ГОСТ 9464-79)
Шайба пружинная (ГОСТ 6402-70)
Шпонки призматические (ГОСТ 23360-78)
1. Иванов М.Н. Детали машин: Учебник для студентов высших технических учебных заведений. - 2. Дунаев П.Ф., Леликов О.П. Конструирование узлов и деталей машин: Учеб. пособие для машиностроительных специальностей вузов. - 3. Расчет и конструирование одноступенчатого зубчатого редуктора: Учеб. пособие / М.Ш.Мигранов, О.Ф. Ноготков, А.А.Сидоренко, Л.Ш. Шустер. - М.: Изд-во МАИ, 2002. - 125 с. 4. Допуски и посадки: Справочник в 5. В.И. Анурьев "Справочник конструктора-машиностроителя" том 1. - 2001. - 920 с. 6. В.И. Анурьев "Справочник конструктора-машиностроителя" том 2. - 2001. - 912 с. 7. В.К. Итбаев, Р.Г. Ахматвалиев, А.А. Сидоренко, Б.А. Беляев. Расчет зубчатых передач. Методические указания к выполнению курсового проектирования по дисциплине "Прикладная механика". - Уфа, 2009. - 35 с. 8. Расчет зубчатых передач. Методические указания к выполнению курсового проектирования по дисциплине "Прикладная механика". 9. Измерительные размеры зубчатых колес Сост.: О.Ф. Ноготков, В.Н. Рубцов, С. М. Минигалеев - Уфа, 2009. - 33 с. 10. СТО УГАТУ 016-2007. Графические и текстовые конструкторские документы. Требования к построению, изложению, оформлению. - Уфа: Уфимск. гос. авиац. техн. ун-т, 2007. - 93 с. |


(3.5)
=
= 
=
=
(3.11)
=
= 117,808 мм
, откуда
-
(4.9)
= 350,716 МПа
, откуда
= 1,11 -
=
= 
(5.1)
= 
= 








=
=
= -1353,43 Н
=
= 639,26 НПроверка
(9.3)

(10.2)
(10.3)
=
= 3,28
=
= 3,79







