Реферат: Комунікації в сучасному маркетингу
|
Название: Комунікації в сучасному маркетингу Раздел: Рефераты по маркетингу Тип: реферат |
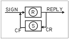
Міністерство освіти і науки України Національний технічний університет України «Київський політехнічний інститут» Факультет менеджменту та маркетингу Кафедра промислового маркетингу Реферат з дисципліни: «Філософія та проблематика наукового пізнання» на тему: «Комунікації в сучасному маркетингу» Виконала: студентка 5-го курсу групи УМ-62м ФММ Самофал К. С. Київ-2010 Зміст 1. Вступ; 2. Роль комунікацій в сучасному маркетингу; 3. Умови та чинники, що впливають на формування маркетингових комунікацій; 4. Комунікативна політика підприємства; 5. Сучасні моделі маркетингових комунікацій; 6. Висновки; 7. Список використаних джерел. Вступ. В умовах насиченого ринку недостатньо розробити новий якісний товар, встановити на нього оптимальну ціну і вибрати ефективні канали розподілу. Дедалі більшої ваги набувають методи просування товару, під якими розуміють сукупність маркетингових рішень, пов'язаних із комунікативністю. Зростання ролі маркетингових комунікацій викликане не лише зовнішніми структурними змінами в ринковій економіці, а й особливостями економічних відносин між суб’єктами ринку. Сьогодні економіка багатьох країн знаходиться на етапі, коли можливості виробництва й пропозиції стали значно випереджати попит, підсилюється конкуренція між виробниками товарів і послуг. Тому для підприємств необхідним і важливим начасі є пошук нових шляхів залучення покупців. Найбільш перспективним для сьогодення є шлях розробки ефективних методів комунікативного (психологічного) впливу, що повинен ґрунтуватися на детальному вивченні поводження споживачів у процесі вибору товарів і послуг, співставленні переваг конкретних марок й, безпосередньо, покупки. Враховуючи роль маркетингових комунікацій в діяльності фірми, важливим залишається визначення найбільш оптимальних моделей маркетингових комунікацій та формування на алгоритмічному та організаційно-методичному рівнях маркетингового інструментарію управління цими комунікаціями для забезпечення ефективності процесів просування продукції та взаємодії з клієнтами. Розділ 1. Роль комунікацій в сучасному маркетингу На сучасному етапі розвитку ринкових умов та посилення конкурентної боротьби діяльність сучасних торговельних підприємств неможлива без використання та вдосконалення маркетингової політики комунікацій.[2] Компанія, що дійсно розуміє яким чином споживачі реагують на різні властивості товару, його ціну й рекламу, яким чином вони поводяться на тому або іншому етапі ухвалення рішення про покупку, одержує значні переваги перед конкурентами. Для успішного функціонування організаціям і підприємствам необхідно організувати діяльність таким чином, щоб забезпечити розвиток ринків збуту й збільшення прибутку завдяки найбільш ефективному задоволенню потреб своїх клієнтів.[2] В англомовній лінгвістичній літературі термін "комунікація" розуміється як обмін думками та інформацією у формі мовних або письмових сигналів, що само по собі є синонімом терміна "спілкування". У свою чергу, слово "спілкування" позначає процес обміну думками, інформацією й емоційними переживаннями між людьми. У такому разі дійсно немає різниці між спілкуванням і комунікацією. Саме так вважають лінгвісти, для яких спілкування — цеактуалізація комунікативної функції мови в різних мовнихситуаціях. Але поняття "спілкування" і "комунікація" маютьяк спільні, так і відмінні ознаки. На нашу думку, за спілкуванням в основному закріплюються характеристики міжособистісної взаємодії, а за комунікацією — додаткове значення— інформаційний обмін у суспільстві. На підставі цього,спілкування є соціально обумовленим процесом обміну думками та емоціями між людьми в різних сферах їхньої пізнавально-трудової і творчої діяльності, що реалізовується,головним чином, за допомогою вербальних засобів комунікації. На відміну від нього, комунікація — це соціально обумовлений процес передавання та сприйняття інформації як вміжособистісному, так і в масовому спілкуванні по різнихканалах за допомогою вербальних і невербальних комунікативних засобів. Таке визначення збігається з головними функціями бібліотеки, як інформаційної установи, на чому наголошує відомий російський фахівець у галузі бібліотечного маркетингу професор І. Суслова. Вона зазначає: "Бібліотека є яскравим представником двох основних типів соціальних комунікацій: це передача та обмін інформацією в суспільстві з метою впливу на нього і на спілкування. На відміну від транспортних або енергетичних, ці комунікації є суттєвими. Саме цей факт підкреслює ключову роль маркетингових комунікацій у системі управління сучасною бібліотекою, підкреслюючи її соціальну спрямованість" [4,5] Останнім часом набуло поширення поняття "інтегровані маркетингові комунікації" (ІМК), що стало відповіддю теорії маркетингу на ускладнення просування товарів і послуг на сучасному ринку. Одним із основоположників теорії інтегрованих маркетингових комунікацій є Поль Сміт (Англія, Лондон). У своїй монографії "Маркетингові комунікації. Інтеграційні досягнення" він дає таке визначення поняття ІМК: "це взаємодія всіх форм комплексу комунікацій, за якого кожна форма комунікацій повинна бути інтегрована з іншими інструментами маркетингу й підкріплена ними для досягнення максимальної економічної ефективності". [5] Розділ 2. Умови та чинники, що впливають на формування маркетингових комунікацій . Ефективність застосування маркетингових комунікаційних інструментів зумовлюється дією цілого ряду чинників, найбільш суттєвими з яких є особливості споживачів, різні способи оцінки і реагування їх на маркетингову комунікацію. Для першого типу споживачів характерна обмежена поінформованість про товар, існуючі цілі, способи придбання до моменту прийняття рішення про необхідність купівлі; як правило, це стосується високовартісних альтернативних товарів, яким властиві різні характеристики. Дії споживачів цього типу, як правило, включають наступні етапи: збір інформації, її осмислення; формування переваг; оцінка можливих варіантів для мінімізації ступеня ризику; прийняття рішення і придбання товару. Маркетингові комунікації в цьому випадку повинні забезпечувати одержання споживачами детальної інформації (газети, журнали з описанням характеристик товару, кваліфікована допомога персоналу з продажу), враховуючи, що такі споживачі, як правило, в подальшому служать самі в якості джерела інформації для інших, а, значить, комунікація має багатофазовий характер. [3] Поведінка споживача другого типу основується на їх власних оцінках і стосується в основному товарів і брендів, які не відрізняються особливими відмінностями; купівля товару здійснюється достатньо швидко, лише після цього споживач повністю усвідомлює властиві даному товару якості. Сутність поведінки таких споживачів відображена в гіпотезі когнітивного дисонансу Фестінджера, у відповідності до якої споживач коригує свої первинні очікування, якщо товар не відповідає їм з точки зору якості і наявності характеристик, в результаті чого дисонанс між тим, на що розраховували і що є в реальності, пропадає. [3] Використання маркетингових комунікацій в цьому випадку повинно бути націлене на виправдання споживачем здійсненої купівлі і подальшої підтримки ним власної самооцінки, а, відповідно, і лояльності до певного бренду, що буде спонукати його до повторних актів придбання. [3] Якщо процес купівлі носить рутинний характер і відповідно стосується товарів із низьким ступенем диференціації, поведінка споживача не пов’язана із активним пошуком інформації і вирішальною умовою вибору стає звичка, впізнаність бренду по упакуванню. Відповідним комунікаційним інструментом в цьому випадку стає телевізійна реклама, повідомлення з достатньо суттєвою частотою повторюваності. У конкурентів є достатньо шансів для переключення такого роду споживача на свій бренд за рахунок цінових знижок, активної рекламної компанії, хоча завжди залишається імовірність повернення споживача до попереднього бренду. Основне завдання маркетингових комунікацій – забезпечити максимальну упізнаність товарів власного бренду, значну відмінність дизайну упакування від конкурентних брендів. Певніособливостівповедінцівластивігрупіспоживачів, якіпредставляютьінтересисвоєїкомпаніїізаключаютьконтрактищодозакупівлінеобхіднихтоварівчипослуг. Потреба в інформації для них може виникати на різних стадіях процесу придбання товару, в залежності від, по-перше, постачальника (відомі чи нові постачальники), по-друге, від типу товарів (технічно складні чи достатньо диференційовані). В будь – якому випадку, до якого типу не відносилися б споживачі, існують певні стадії реагування на маркетингові комунікації, через які вони проходять. Лавіджом і Штайнером ці процеси послідовного розвитку реагування представлені в якості концепції ієрархії впливів, по аналогії з ієрархією взаємопов’язаних рівнів в організації. Дана концепція є базою багаточисельних моделей стосовно реакції споживачів на маркетингові комунікації, що основуються на таких рівнях психологічного впливу комунікацій як когнітивний (передача інформації, повідомлення); афективний (формування відношення); сугестивний (навіювання); конативний (визначення поведінки). Як вважають спеціалісти в сфері реклами, її вплив на одержувача повинен створювати у нього соціально – психологічну установку (атитюд), що передбачає виникнення внутрішньої психологічної готовності людини до певних дій. Існуючі моделі впливу реклами на споживача не являються взаємовиключними, хоча і відрізняються по кількості визначених стадій. Так, в модель АІDА включаються стадії «увага – інтерес – бажання – дії»; в моделі АIDМА присутній ще один компонент – «мотивація»; формула DІВАВА визначає шість фаз процесу продажу: 1) визначення потреб і бажань потенційних покупців; 2) ототожнювання споживацьких нужд з пропозицією реклами; 3) «підштовхування» споживача до необхідних висновків про купівлю, які асоціюються з його потребами; 4) урахування передбачуваної реакції споживача; 5) формування у покупця бажання придбати товар; 6) створення сприятливої для купівлі атмосфери. Модель DAGMAR обґрунтовує чотири стадії акту купівлі: 1) упізнавання марки товару; 2) асиміляція – повідомлення адресата про якість товару; 3) переконання - психологічна схильність до купівлі; 4) дія – здійснення купівлі адресатом реклами. Модель «Схвалення» пропонує наступні стадії: 1) усвідомлення необхідності купівлі; 2) виникнення інтересу до товару, що рекламується; 3) оцінка його основних якостей; 4) перевірка, апробація якості; 5) схвалення. Основна проблема, пов’язана не тільки з впливом реклами на споживача, а і будь-якого іншого інструменту маркетингової комунікації, - визначення кількості знань, необхідних споживачу для формування чи зміни свого відношення до товару і своєї поведінки, що дозволило б оптимізувати структуру комунікаційного набору і терміни його застосування. Тривалість часу до одержання ефекту від застосування різних маркетингових комунікаційних інструментів різна. Швидку реакцію на ринку визивають, наприклад, особисті продажі; для інших комунікаційних інструментів характерним є відкладений ефект (реклама, паблік-рілейшнз). Успішнамаркетинговадіяльністьвсучаснихумовахпринаявностівеликоїкількостімаркетинговихінструментів (телебачення, наземне, супутникове, кабельнеіінтерактивнезвідеотекстом; преса; радіо; телефон; пошта; Інтернетіе-мейл) потребуєвизначенняоптимальногонаборукомунікаційнихінструментівдлянайбільшефективноговпливунаспоживача. Так як в останній час витрати на маркетингові комунікації виходять на одну із перших позицій в кошторисі витрат, недостатня продуманість у формуванні комунікаційного набору приводить до втрати суттєвої величини прибутку, навіть у разі дуже доброї асортиментної, цінової і збутової політики. Актуальноюєінтеграціямаркетинговихкомунікацій, якаможливауразісистемного, комплексногосприйняттявсієїринковоїдіяльностіфірми. Американська асоціація рекламних агентств визначає інтегровану маркетингову комунікацію як концепцію планування маркетингових комунікацій, що виходить із необхідності оцінки стратегічної ролі їх окремих напрямків (реклами, стимулювання збуту, паблік-рілейшнз і т.і.) і пошуку оптимального співвідношення для забезпечення чіткості, послідовності і максимізації впливу комунікативних програм за допомогою узгодженої інтеграції всіх окремих звернень. Ідея необхідної інтеграції маркетингових комунікацій виникла не сьогодні. Левітт сформулював концепцію центробіжного маркетингу, в якій «компанія, що займається бізнесом, повинна систематично і усвідомлено оцінювати свої комерційні послання, які вона відправляє в зовнішній світ, незалежно від того, чи стосується це її рекламних повідомлень, дизайну продукції, упакування, оформлення бланкової документації, одежі продавців, оформлення місця продажу, зовнішнього виду грузовиків, умов, в яких її продукція виставляється для огляду і продажу. Дуже важливо, щоб ці і їм подібні повідомлення детально координувались між собою, щоб вони взаємно один одного підсилювали і створювали єдиний і переконливий образ компанії». Незважаючинате, щоконцепціяінтегрованихмаркетинговихкомунікаційнабуваєвсебільшогопризнаннязістороникерівництвафірм, існуєцілийрядчинників, щонетількисприяютьїїпрактичнійреалізації, алеівиступаютьвякостісуттєвихперешкод. До найбільш розповсюджених чинників, що служать перепонами впровадженню інтегрованих маркетингових інтеграцій, відносяться: - недостатнє розуміння значущості і вигод від застосування інтегрованих маркетингових комунікацій; - опір змінам зі сторони персоналу, особливо функціональних підрозділів організації, які відповідають лише за певну частину комунікаційного процесу; - існуюча система планування на підприємстві до впровадження інтегрованих маркетингових комунікацій, як правило, недостатньо гнучка і не відповідає стану інтеграції; - неготовність зовнішніх агентств, що спеціалізуються на виконанні якоїсь певної функції (реклама, паблік-рілейшнз), переорієнтуватися до роботи в умовах інтегрованих маркетингових комунікацій; - значні витрати часу менеджерів для здійснення інтегрованих маркетингових комунікацій. Основною умовою ефективної інтеграції маркетингових комунікацій є наявність в організації стратегії маркетингових комунікацій, яка б безпосередньо виходила з маркетингової стратегії,що в свою чергу, була б відповідною корпоративній стратегії. Традиційно до компонентів маркетингової стратегії відносять продукти, ринки (споживачів), силу (конкуренті переваги), масштаби діяльності, цілі, ресурси, час. Компоненти стратегій маркетингових комунікацій обґрунтовуються різними авторами по-різному: одні вважають, що ключовою компонентою є представлення диференційованих вигод, які необхідні споживачам (Д. Шульц); інші в якості ключових компонентів виділяють інтеграцію, контроль і комунікацію атрибутів (споживацьких вигод), що потребують задоволення (Енджел, Уомоу, Кіннір). Єочевидним, щодозагальноприйнятнихкомпонентівмаркетинговихстратегійповиннібутиприєднаніідодаткові, специфічні, щовповніймірібудутьвідображатиспецифікукомунікаційнихстратегій: комунікаційніінструменти; обґрунтованістьідоцільністьзастосуваннякомунікаційнихінструментів; інтеграціявзастосуваннікомунікаційнихінструментів; відповідністьмаркетинговійстратегіїізагальнійстратегіїфірми; вигодивідреалізаціїмаркетинговоїкомунікаційноїстратегії. При розробці маркетингової комунікаційної стратегії необхідно враховувати наступні аспекти: - наскільки дана стратегія сприяє досягненню маркетингових і комунікаційних цілей; - які вигоди одержить організація в результаті реалізації стратегії; - яку ступінь інтеграції всіх застосовуваних комунікаційних інструментів вона забезпечує; - в якій мірі стратегія враховує використання конкурентних переваг організації; - в чому переваги даної стратегії в порівнянні з іншими варіантами стратегії; - які засоби є в розпорядженні організації для контролю реалізації маркетингової комунікаційної стратегії. [3,4] Розділ 3. Комунікативна політика підприємства На сучасному етапі розвитку інформаційних технологій підприємства все більш активно використовують в якості одиного з елементів комплексу маркетингових комунікацій корпоративні сайти, що надають можливість розширити інформаційний вплив на потенційних споживачів. В той же час актуальності набуває проблема контролю та оцінки дієвості такого виду комунікацій, оскільки підприємства не приділяють цьому процесу достатньої уваги. Р. Агарвала-Роджерс припускає наявність трьох критеріїв, за якими повинні контролювати свою продуктивність підприємства, що використовують Інтернет сайти. Це так звані критерії маркетингу ACR - залучення, перетворення, утримання. На думку автора, об’єднання стадій процесу прийняття рішення про покупку, ієрархії ефектів та критеріїв маркетингу у мережі Інтернет, створює за можливе виділити їх у структурну схему процесу комунікації між продавцем та покупцем рис.1. Така структурна схема надасть спеціалістам більшого розуміння усього процесу прийняття рішення підприємствами про покупку, дозволить відстежувати та контролювати дії покупця, а також направляти та корегувати свої дії, які впливають на свідомість покупця. За критерієм залучення продавець повинен зацікавити клієнта у відвідуванні корпоративного сайту. Існує ряд методів, що дозволяють залучити потенційних клієнтів на корпоративний сайт підприємства, а саме: більш досконалий вибір цільової аудиторії, розсилка рекламних повідомлень тільки на адресу клієнтів з цільової аудиторії, більш якісні повідомлення з чітким роз’ясненням про необхідність відвідування сайту, більш ефективне використання партнерських зв’язків з іншими підприємствами заради надання клієнту додаткової цінності.
Критерію залучення відповідають такі стадії ієрархії ефектів, як поінформованість, знання та прихильність, покупець проходить наступні стадії прийняття рішення про покупку - усвідомлення необхідності покупки, визначення характеристик та кількості необхідної продукції, складання специфікації, пошук та оцінка джерел. Продавець при цьому повинен надати якомога більше інформації про свою продукцію за допомогою розсилки новин підприємства, прас-листів. На етапі складання покупцем специфікації продукту покупки продавець має можливість взяти участь у процесі прийняття рішення про покупку й отримати певну конкурентну перевагу – наприклад, якщо специфікація продукту відповідає унікальним властивостям продукції постачальника. Перетворення – процес обертання відвідувачів сайту на покупців. Для успішного перетворення відбулося успішно необхідно створити такі умови, щоб процес покупки проходив без ускладнень, був безпечним та надійним. Прикладом може бути використання такої побудови корпоративного сайту, в якій при повторному відвідуванні сайту покупець зможе переглянути попередні покупки. Під час процесу «перетворення» покупець проводить аналіз пропозицій, їх оцінку та обирає постачальника. Цьому процесу відповідає ефект надання переваги та переконаності. Комунікативними заходами впливу на цьому етапі повинні бути безпосередній контакт продавця та клієнта, надіслання комерційної пропозиції, надання клієнту індивідуальних переваг, як то унікальні умови поставки, розстрочка платежів, поетапна оплата рахунків, укладання договору про співробітництво тощо. Утримання є одним з найбільш складних аспектів в діяльності підприємства. В процесі утримання клієнт проходить стадії вибору процедури оформлення заказу і відсліжування та оцінки результатів. Р. Агарвала-Роджерс прийшов до висновків про те, що найбільш ефективним інструментом, що забезпечує утримання клієнтів, є надійність. Значного успіху досягають підприємства, що працюють надійно, виконують замовлення швидко й точно, і при цьому їх сайти завантажуються швидко. Відсліжування та оцінка результатів може проходити у двох площинах. По-перше, це оцінка результатів використання товару, а по-друге, це оцінка результатів процесу покупки. Якщо результати є позитивними, то підприємство-продавець має проводити політику утримання лояльності покупця, тобто підтримувати з ним зворотній зв'язок. Якщо ж результат використання товару є негативними, то продавцю необхідно визначити причини незадоволеності, розкрити додаткові переваги продукції, переконати покупця у необхідності подальшого використання продукції тощо. В такому випадку, якщо негативними є результати процесу покупки, то в першу чергу необхідно проаналізувати фактори незадоволеності, виявивши етап, на якому виникла втрата лояльності покупця, та у подальшому скорегувати свої дії на цьому етапі.[2] Розділ 4. Сучасні моделі маркетингових комунікацій Моделі маркетингових комунікацій пройшли в своєму розвитку ряд етапів. Історично першою вважається модель Н.Вінера (1954 р.) [3], який запропонував модель маркетингових комунікацій, в якій отримувач повідомлення або споживач (R), ініціалізується повідомленням (SIGN), під впливом якого він реагує станом (REPLY). Відправник повідомлення (S) фіксує характер реакції об’єкта управління (CR) та вводить корегуюче повідомлення (СF) (Рис. 2)
Рис.2. Модель маркетингових комунікацій Н.Вінера [1] Недоліком даної моделі є відсутність економетричного опису маркетингових комунікацій та визначення їх ефективності. Подальші моделі (модель Шрема, яка розвинула модель Вінера в напрямку «теорії повідомлення» та в якій вперше введено поняття кодування-декодування повідомлення й розглянуто аспект інтерактивності; модель Нью-Комбі (1958 р.) [11], в якій введено поняття інформаційного поля, до якого звертаються отримувач і відправник повідомлення; модель Вестлі та Маклін, яка розвинули теорію інформаційного поля, пояснюючи його поняттям «носій повідомлення» [8, c.14]; модель Озгуд [14], в якій автор описує характер зворотного зв’язку) також не мали економетричного опису ефективності маркетингових комунікацій. Найбільш розвинутою з точки зору економетричного опису факторів та часових процедур, які визначають поведінку маркетингових комунікаційних систем, є модель Шенона та Вівера (1958-1999 рр). Її відносять до «математичних» моделей теорії маркетингових комунікацій. В даній моделі внесено поняття «ентропії» (в подальшому було названо – «шум» (NOISE))- розсіювання кількісної та якісної складової потоку інформації (див.рис.3). Рис. 3. Модель Шенона та Вівера [6] З економічної точки зору, дана модель є односторонньою лінійною моделлю, що визначається поняттям шуму (
де
Р – функція факторів економічної кон’юнктури (ціна, витрати збуту тощо). Наступна модель маркетингових комунікацій - модель Левіджа та Стейнера - передбачає, що процес впливу на сегмент споживачів розбитий на чотири послідовні етапи: усвідомлення (А), ставлення (В), первинна покупка (С), повторна покупка (D). Економічна ефективність комунікаційного процесу визначається через дві змінні. Перша змінна визначає відповідний етап маркетингових комунікацій:
Друга змінна описує умовну факторну ефективність комунікації відповідного етапу:
де ВА – сформований рівень надання переваги торговій марці; PS – мотиваційний фактор ефективності комунікацій - рівень відчутного задоволення від товару; Р – економічний фактор ефективності комунікацій - процес покупки.
Рис. 4. Модель маркетингових комунікацій Левіджа та Стейнера [7] Недоліком моделі є те, що автори не визначили економетричного опису моделі. Модель Титова, Ліберова, Алєксєєва (див.рис.4) є інтерпретацією моделі Озгуд. При цьому логічне та економетричне розуміння автори співвідносять з моделлю Вестлі-Макліна. В моделі введено логічний розподіл відправника повідомлення (S) та комунікатора (C). Ефект комунікаційного впливу на отримувача є дуалістичним: може проявлятися як економічна, так і психологічна реакція [8, c.21-22]. Функція оцінки ефекту комунікаційного повідомлення (Е) має вигляд:
де N – кількість носіїв, задіяних в процесі комунікації; KV – нівелюючий коефіцієнт врахування носія; R – кількість зафіксованих ефектів зворотного зв’язку; CS – коефіцієнт врахування неекономічного (психологічного, соціального) впливу на одержувача повідомлення. Згідно із теорією Титова-Ліберова-Алексєєва, фактор відчутного задоволення від товару PS є ваговим (логічно ймовірнісним), тому логіка моделі оцінки інтегральної ефективності маркетингових комунікацій зводиться до наступної функціональної залежності:
де
Рис. 5. Модель Титова-Ліберова-Алєксєєва [8, c .40 ] Для визначення мотиваційного фактору автори моделі пропонують розглядати певний товар
Таким чином, мотиваційний фактор даної моделі зводиться до отримання інформації від кінцевого споживача і розрахунку змінної PS:
де
Таким чином, значення змінної мотиваційного фактору ефективності комунікацій описується факторною зваженою моделлю, в якій значимість факторів та оцінка поточного стану факторів виявляються та фіксуються в рамках певного часового проміжку моніторингу комунікаційної активності підприємства. В підсумку автори моделі пропонують розраховувати коефіцієнт співвідношення абсолютної ефективності комунікацій з поточною величиною комунікаційних витрат [8, c. 59]:
де Ср – комунікаційні витрати;
PS - рівень ймовірного задоволення від продукту в рамках часу t;
Sj - сегменти позиціонування товару. Дана модель, на нашу думку, найбільш адекватно описує маркетинговий комунікаційний процес за допомогою економетричного апарату. Проте, з іншого боку, дану модель оцінки ефективності маркетингових комунікацій можна доповнити показником комунікативної ефективності маркетингового заходу, що показує відносний рейтинг маркетингового інструменту (наприклад, реклами):
де X1i - кількість споживачів, що згадали про рекламу спонтанно, %; X2i - кількість споживачів, що згадали про рекламу після пред'явлення рекламованої марки, %; X3i - кількість споживачів, що згадали про рекламу після переказу її змісту, %; K1i, K2i, K3i - використовуються у випадку, коли споживач називає кілька конкурентних марок одночасно і необхідно визначити їх вагу з точки зору споживчих переваг. Також, на нашу думку, важливим способом визначення економічної ефективності маркетингових комунікацій може служити метод оцінки внеску реклами на основі порівняння власних витрат з витратами конкурентів і, відповідно, обсягів продажу:
де Q1 іQ2 - обсяги продажу 1 і 2 фірми відповідно за період часу; V1 іV2 - обсяг витрат на рекламу цих фірм за той же період [1]. Висновки: У сучасних умовах пріоритетним є застосування концепції маркетингових комунікацій. Застосування інтегрованих маркетингових комунікацій, формування ефективних маркетингових комунікаційних стратегій сприяє реалізації як цілей маркетингових підрозділів, так і корпоративних цілей підприємства в цілому; приводить до економії коштів і росту прибутку; позитивно впливає на споживачів завдяки узгодженості, раціональності, консолідації іміджу бренду або організації. Споживачі одержують можливість оволодіння необхідною інформацією, що зменшує рівень труднощів при прийнятті рішень про вибір із різних варіантів схожої продукції, скорочуючи тривалість пошуку необхідного товару, формує стале усвідомлення цінності бренду, довгострокові відношення з організацією. Запропонований підхід до структурної побудови процесу комунікацій між продавцем і покупцем в поєднанні з основними діями, які супроводжують процес прийняття рішення про покупку як з позиції клієнта, так і з точки зору продавця, дозволить детально й ціленаправлено розробляти комунікативні заходи підприємства-продавця, вчасно виявляти недоліки та виправляти їх, більш гнучко реагувати на зміни у поведінці клієнтів. З середини XX століття в економічній науці з’явилися ряд моделей, які описують маркетингові комунікації. Це, зокрема, моделі Шрема, Нью-Комбі. Вестлі-Макліна, Озгуд. Проте, в даних моделях відсутній економетричний базис визначення ефективності маркетингових комунікацій. Найбільш розвинутою з точки зору економетричного опису маркетингових комунікаційних систем, є модель Шенона та Вівера, в якій, за думкою авторів, обсяг покупок (як показник ефективності маркетингових комунікацій) залежить від обсягу інформаційного шуму та кількості повідомлень, генерованих відправником з поправкою на фактори економічної кон’юнктури). Модель Левіджа та Стейнера розкриває ефективність маркетингових комунікацій через мотиваційні фактори та фактори надання переваги певній торговій марці, але дана модель не має економетричного опису. Модель Титова-Ліберова-Алексєєва, доповнена коефіцієнтами комунікативної ефективності та показником порівняння власних витрат з витратами конкурентів і, відповідно, обсягів продажу, найбільш адекватно, на нашу думку, дає змогу оцінити ефективність маркетингових комунікацій в сучасних умовах. Звичайно, такий підхід до оцінювання ефективності маркетингових комунікацій не є вичерпним і потребує подальшої розробки для оцінки ефективності окремих інструментів маркетингових комунікацій. Саме ці та інші аспекти оцінки ефективності маркетингових комунікацій складатимуть поле наших подальших досліджень Список використаних джерел: 1. УДК 339.138, 658.8+659, Ю.С. Апчел,Криворізький економічний інститут ДВНЗ «Київський національний економічний університет імені Вадима Гетьмана», Сучасні моделі маркетингових комунікацій; 2. удк 658.84, М.І. ПАСЬКО, к.е.н., доц., ХНЕУ, А.О. ПЕРМІНОВА,аспірант, ХНЕУ, Харків, Комунікативна діяльність підприємств в процесі прийняття рішення про покупку; 3. УДК 346.5:351.862.6(045) Бондар В.П., Гаврилко Т.О., Комунікації в сучасному маркетингу; 4. УДК 339.138:004.738.5, Балабанова Л.В., д-р екон. наук, проф.,Стельмах О.О. (ДонДУЕТ, Донецьк), Ефективність впровадження маркетингових комунікацій; 5. УДК 339.138, Костюченко А.М., Історичні форми маркетингових комунікацій. |





, (8)