Курсовая работа: Приемники непрерывных сигналов
|
Название: Приемники непрерывных сигналов Раздел: Рефераты по коммуникации и связи Тип: курсовая работа | |||||||||||||||||||||||||||||||||||||||||||||||||||||||||||||||||||||||||||||||||||||||||||||||||||||||||||||||||||||||||||||||||||||||||||||||||||||||||||||||||||||||||||||||||||||||||||||||||||||||||||||||||||||||||||||||||||||||||||||||||||||||||||||||||||||||||||||||||||||||||||||||||||||||||||||||||||||||||||||||||||||||||||||||||||||||||||||||||||||||||||||||||||||||||||||||||||||||||||||||||||||||||||||||||||||||||||||||||||||||||||||||||||||||||||||||||||||||||||||||||||||||||||||||||||||||||||||||||||||||||||||||||||||||||||||||||||||||||||||||||||||||||||||||||||||||||||||||||||||||||||||||||||||||||||||||||||||||||||||||||
Эскизный расчет курсового проекта Приемники непрерывных сигналов 1. Разбиение диапазона частот на поддиапазоны 1.Коэффициент перекрытия диапазона (показывает во сколько раз максимальная несущая частота входного сигнала больше минимальной ):
где 2.Выбор элементов перестройки контуров приемника Для контуров с сосредоточенными параметрами перестройку по частоте можно осуществлять: конденсатором переменной емкости катушкой переменной индуктивности варикапом где 3.Так как 2.Полоса пропускания линейного тракта приемника Полоса пропускания линейного тракта приемника:
где
(
(
Если
где
Так как 3. Выбор структуры преселектора для обеспечения требуемой избирательности В данном разделе выбираются фильтры преселектора, позволяющие обеспечить требуемое подавление двух основных паразитных каналов приемника - зеркального и канала прямого прохождения. Приводимый расчет предполагает знание промежуточной частоты приемника. Задаемся промежуточной частотой проектируемого приемника:
(
Далее последовательно для каждого из паразитных каналов находим структуру преселектора. А) Определение структуры преселектора, обеспечивающей подавление зеркального канала. Находим обобщенную расстройку зеркального канала:
где
Эквивалентное затухание контуров тракта сигнальной (высокой) частоты dэсч выбирается из таблицы 1.
Для наименьшего из полученных в многодиапазонных приемниках 1 – ОКК (одиночный колебательный контур), 2 – ДПФ (двойной полосовой фильтр), 3 – два ОКК, 4 – ДПФ и ОКК, 5 – три ОКК, 6 – два ДПФ, 7 – ДПФ и два ОКК, 8 – два ДПФ и один ОКК, 9 – три ДПФ, 10 – ДПФ при
Рис.1 Б) Определение структуры преселектора, обеспечивающей подавление канала прямого прохождения. Находим обобщенную расстройку канала прямого прохождения:
Обычно обобщенная расстройка канала прямого прохождения много больше обобщенной расстройки зеркального канала, то есть 4. Выбор структуры УПЧ В данном разделе выбираются фильтры УПЧ, позволяющие обеспечить требуемое подавление соседнего канала. Для выбора фильтров необходимо выяснить по техническому заданию величину требуемого подавления
где Наиболее широкое распространение в каскадах УПЧ получили ФСС (фильтры сосредоточенной селекции), параметры которых приведены в таблице 2. Выбирая ФСС надо учитывать, что его подавление должно быть не меньше требуемого по ТЗ, а коэффициент прямоугольности - не больше требуемого. Выбрав фильтр и определив по таблице 2 его коэффициент
где
Таблица 2
5.Выбор количества преобразований частоты в приемнике При выборе структуры преселектора в третьем разделе была выбрана первая промежуточная частота приемника, при выборе структуры УПЧ – вторая. Так как 6. Допустимый коэффициент шума приемника Нахождение максимально допустимого коэффициента шума приемника производится по формуле (17):
где к =1,39
где
7. Коэффициент шума приемника Коэффициент шума приемника определяется через коэффициенты шума отдельных каскадов приемника по формуле:
где
Коэффициенты шума и коэффициенты передачи по мощности отдельных каскадов приемника приведены в таблице 3. Таблица 3
В Таблице 3: а – коэффициент, который равен для диапазонных приемников а=0,5;
В Приложении 1 приведены некоторые наиболее широко используемые транзисторы. В приложении 2 – формулы для расчета параметром этих транзисторов. В Приложении 3 перевод дБ в разы. Проверкой правильности выбора транзистора служит выполнение условия:
Выбираем транзистор КТ3127А с параметрами: Параметры биполярных транзисторов
Шт=5дБ=3,2раз ; Найдем коэффициенты шума входной цепи , усилителя сигнальной частоты и преобразователя частоты соответствен:
Найдём коэффициенты передачи по мощности входной цепи и усилителя сигнальной частоты:
Обратная проводимость транзистора определяется по формуле:
Найдём прямую проводимость (крутизну) транзистора:
Коэффициент шума приемника по формуле (31):
8. Расчет коэффициента усиления приемника и распределение усиления по каскадам Обобщенная структурная схема приемника приведена на рис.3
Рис.3 1.Расчет числа каскадов тракта сигнальной частоты Для этого вычисляется требуемое усиление:
где
Определим необходимое число каскадов N в тракте сигнальной частоты, обеспечивающее требуемое усиление:
где
Таблица 4
В таблице 4 Таблица 5
Или же можно взять 2 каскада на одном транзисторе
Выходная проводимость транзистора:
Тогда коэффициент усиления усилителя сигнальной частоты равняется:
2. Определить число каскадов тракта первой промежуточной частоты. Число каскадов тракта первой промежуточной частоты N определяется по аналогии с первым пунктом данного раздела: сначала определяется необходимое усиление в этом тракте, а уже затем необходимое число каскадов. Обобщенная формула вычислений:
где
Найдём прямую и обратную проводимости транзистора:
коэффициент усиления усилителя сигнальной частоты равняется:
Необходимо отметить, что чем ниже частота , тем выше коэффициент устойчивого усиления транзисторов. 3. Определить число каскадов тракта второй промежуточной частоты. Вычисления проводятся по формуле:
где
Берем транзистор КТ 342 В
Найдём прямую и обратную проводимости транзистора:
коэффициент усиления усилителя сигнальной частоты равняется:
4.Определить усиление в тракте низкой частоты. Коэффициент усиления в тракте низкой частоты равняется:
где
Определяем напряжение в нагрузке:
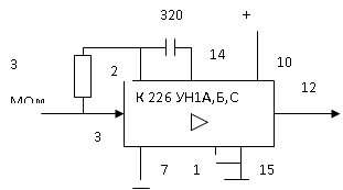
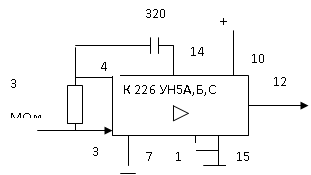
В тракте низкой частоты для обеспечения необходимого усиления целесообразно использование микросхем, некоторые из которых приведены в Приложении 4. Параметры и схемы включения микросхем серии К226, предназначенные для усиления низкой частоты. Таблица 4.
Входная емкость микросхемы не 226 превышает 20пФ.
9. Определение числа каскадов приемника, охватываемых АРУ В ТЗ приведен коэффициент регулирования АРУ, показывающий динамический диапазон изменения входного и выходного сигнала. Для проведения дальнейших расчетов эти динамические диапазоны надо перевести дБ по напряжению и вычислить динамический диапазон АРУ:
Число охватываемых каскадов N равняется:
где
10.Составление структурной схемы проектируемого приемника Обобщенная структурная схема приемника приведена на рис.4
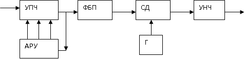
Рис.4 Особенности построения структурной схемы приемника следующие: в диапазонном приемнике необходимо показать сопряженную перестройку каскадов ВЦ, УСЧ и Г приемника; около каждого вида устройства показать их количество N=? и тип фильтров (ОКК; ДПФ, ФСС), а также тип микросхемы; ввести АРУ и показать какое количество усилительных каскадов охватывает система АРУ; показать ЧАП или ФАП промежуточной частоты, уменьшающий запас по полосе приемника, если расчеты показали, что он необходим; вместо Д, показанного на рис.4, необходимо ввести конкретный вид этого детектора: для АТ сигналов – АД, для ЧТ сигналов – ЧД ( перед «обычным» ЧД необходим ограничитель), для сигналов с ОМ – СД (синхронный детектор). Обычно СД – это ФД, который формирует выходной сигнал с учетом не только разности фаз входных колебаний, но и их амплитуд. Для работы любого ФД необходимо опорное колебание. Для ОМ колебаний с остатком несущей опорное колебание выделяется в ФОН (фильтр остатка несущей) и поддерживается системой ФАП (рис.5). Для ОМ колебаний с полностью подавленной несущей опорное колебание формируется в высокостабильном генераторе (рис.6). Как следует из рисунков, перед СД ставится ФБП (фильтр боковой полосы), выделяющий спектр полезного сигнала, содержащийся в боковой полосе.
Рис. 5
Рис.6 Приложение 1 Параметры биполярных транзисторов
Приложение 2 Параметры транзисторов на частотах ниже 500 МГц. При включении транзисторов в усилительный каскад по схеме с общим эмиттером параметры транзистора приведены в таблице 1, где:
Таблица 1
где
При включении транзисторов в усилительный каскад по каскадной схеме (ОЭ-ОБ) параметры транзисторов приведены в таблице 2. Таблица 2
Приложение 3 Таблица отношений напряжений и мощностей
Приложение 4 Параметры и схемы включения микросхем серии К 226, предназначенные для усиления низкой частоты
Входные емкости вышеперечисленных микросхем не превышают 20пФ.
|
|||||||||||||||||||||||||||||||||||||||||||||||||||||||||||||||||||||||||||||||||||||||||||||||||||||||||||||||||||||||||||||||||||||||||||||||||||||||||||||||||||||||||||||||||||||||||||||||||||||||||||||||||||||||||||||||||||||||||||||||||||||||||||||||||||||||||||||||||||||||||||||||||||||||||||||||||||||||||||||||||||||||||||||||||||||||||||||||||||||||||||||||||||||||||||||||||||||||||||||||||||||||||||||||||||||||||||||||||||||||||||||||||||||||||||||||||||||||||||||||||||||||||||||||||||||||||||||||||||||||||||||||||||||||||||||||||||||||||||||||||||||||||||||||||||||||||||||||||||||||||||||||||||||||||||||||||||||||||||||||||
(1)
(5)
(10)

(13)
(21)
=
(30)

=
(43)
=



,


