Реферат: Расчет переходных процессов в линейных цепях с сосредоточенными параметрами
|
Название: Расчет переходных процессов в линейных цепях с сосредоточенными параметрами Раздел: Рефераты по коммуникации и связи Тип: реферат | ||||||||||||||
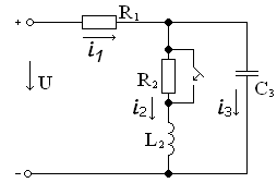
| Министерство транспорта Российской Федерации Федеральное Государственное Образовательное Учреждение Государственная Морская Академия имени адмирала С.О. Макарова Кафедра ТОЭ Курсовая работа №6 “ Расчет переходных процессов в линейных цепях с сосредоточенными параметрами”. Вариант № 21 Выполнил: к-т гр. Э-232 Попаденко Н.С. Проверил: доцент, к.т.н Попов Ю.В. Санкт-Петербург 2005 Задана электрическая цепь, изображенная на рисунке 1:
Требуется: 1) Определить выражения для всех токов в цепи в переходном режиме, решив задачу классическим и операторным методами. 2) Определить выражения для напряжений на емкости и индуктивности, решив задачу классическим и операторным методами. 3) Построить кривые напряжения токов во всех ветвях и напряжений на емкости и индуктивности в функции времени. Заданные параметры цепи:
1) Для t≥0 получим систему уравнений метода переменных состояния. Используя законы Кирхгофа, составим систему уравнений:
В качестве переменных состояния рассмотрим
2) При
3) Корни характеристического уравнения можно найти из выражения входного комплексного сопротивления схемы переменному синусоидальному току, т.е для t≥0
4) С помощью законов коммутации находим начальные условия переходного процесса:
Подставляя эти значения в систему (6) при t=0, получаем:
5)
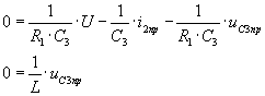
При t=0 система сведется к виду:
Решение системы дает: Искомое решение для напряжения на емкости принимает вид: Аналогичным образом находим решение для тока второй ветви:
При t=0: 0.075= 0.0857+ 50=
Искомое выражение для тока второй ветви:
Определение Согласно уравнению (3) Из системы (1):
II. Операторный метод расчета 1)
Составляется операторная схема замещения исходной электрической цепи (Рис.1) для времени
2) Находится изображение искомого тока. Операторная схема замещения содержит 3 источника в разных ветвях: основной и два дополнительных. Поэтому для нахождения изображения тока второй ветви воспользуемся законами Кирхгофа в операторной форме:
Подставим выражения для начальных условий в систему (7). Первое уравнение системы подставим во второе, выразим ток
3)
По найденному изображению определяется оригинал. Для нахождения корней приравнивается к нулю выражение
Искомое выражение для тока
4)
Аналогично найдем ток в первой Подставим выражения для начальных условий в систему (7). Найденное выражение для тока
Искомое выражение для тока
5)
Найдем напряжения
Искомое выражение:
6) Найдем ток третьей ветви
Искомое выражение для тока:
В методе переменных состояния было получено выражение для тока:
Покажем, что это одно и тоже значение:
7) В случае колебательного процесса рассчитать логарифмический декремент затухания.
|

(1)
(5)
(6)



(7)

;
;


;


;





