Контрольная работа: Приборы для радиоизмерений
|
Название: Приборы для радиоизмерений Раздел: Рефераты по коммуникации и связи Тип: контрольная работа |
| МОСКОВСКИЙ ГОСУДАРСТВЕННЫЙ ТЕХНИЧЕСКИЙ УНИВЕРСИТЕТ ГРАЖДАНСКОЙ АВИАЦИИ Кафедра ОРТЗИ Контрольная работа № 1 по дисциплине "Радиоизмерения" Выполнила: Студентка 3 курса Заочного факультета Специальность 160905 (РС) Шифр.071508 Матюшина Наталья Владимировна Москва 2010 Содержание 1. Импульсные и селективный вольтметры: схемы, принцип действия, погрешности 2. Универсальный электронно-лучевой осциллограф: схема, принцип действия 3. ЭСЧ в режиме измерения временного интервала, схема, принцип действия, погрешности 4. Измерители индуктивности и ёмкости, в которых используются резонансный и генераторный методы: схемы, принцип действия 5. Аналоговый и цифровой измерители корреляционной функции случайного сигнала: схемы, принцип действия Задача 1 Задача 2 Задача 3 Список литературы 1. Импульсные и селективный вольтметры: схемы, принцип действия, погрешности Структурная схема импульсного вольтметра:
В обычных вольтметрах применяют квадратичный детектор, который реагирует на среднеквадратическое значение измерительного напряжения. Квадратичное детектирование получают при работе полупроводникового диода на нижнем криволинейном участке его ВАХ (вольт-амперная характеристика) или используя термопреобразователи. Градуировка импульсных вольтметров выполняется в амплитудных значениях. В импульсных вольтметрах применяют пиковый детектор с закрытым входом. При измерении пульсирующего напряжения пиковый детектор с закрытым входом не реагирует на постоянную составляющую и отклонение стрелки вольтметра пропорциональна превышению переменной составляющей измеряемого напряжения над постоянной. Типовая структурная схема селективных вольтметров, используются при измерении малых гармонических напряжений в условиях действия помех, при использовании спектров периодических сигналов и в целом ряде других случаев. Вольтметр представляет собой по существу супергетеродинный приемник, как видно из рисунка 1.
Рис. 1 Частотная селикация входного сигнала осуществляется с помощью перестраиваемого гетеродина (Г), смесителя (СМ) и узкополосного усилителя промежуточной частоты (УПЧ), который обеспечивает высокую чувствительность и требуемую избирательность. Если избирательность недостаточно, может быть применено двукратное преобразование частоты. В селективных вольтметрах обязательно наличие системы автоматической подстройки частоты и калибратора. Калибратор — это образцовый источник (генератор) переменного напряжения определенного уровня, позволяющий исключить систематические, погрешности из-за изменения напряжения гетеродина при его перестройки, изменения коэффициентов передачи узлов вольтметра, влияния внешних факторов. Калибровка вольтметра производится перед изменением при установке переключателя. 2. Универсальный электронно-лучевой осциллограф: схема, принцип действия Структурная схема универсального осциллографа показана на рис. 2. Канал вертикального отклонения ( Y ) определяет основные качественные характеристики осциллографа и включает входное устройство, предварительный усилитель, линию задержки и оконечный усилитель. Входная цепь служит для регулировки входного сигнала по амплитуде, которая осуществляется широкополосным дискретным аттеньюатором. Во входной цепи предусматривают также коммутируемый разделительный конденсатор, позволяющий работать в режиме "Закрытый" вход.
Рис. 2 Предварительный усилитель выполняет усиление сигнала, преобразование его из нессимитричного в симмметричный, относительно общего провода, плавную регулировку коэффициента отключения и изменение постоянной составляющей сигнала, подаваемого на электронно-лучевую трубку (ЭЛТ). Линия задержки обеспечивает небольшой временной сдвиг сигнала на пластинах ЭЛТ относительно начала развертки, что важно для ждущего режима. Оконечный усилитель обеспечивает увеличение амплитуды сигнала до значения, достаточного для отключения луча в пределах экрана, а также согласование входного сопротивления отключающих пластин ЭЛТ с выходным сопротивлением предварительного усилителя и линии задержки. Канал горизонтального отключения (Х) включает генератор развертки и оконечный усилитель. Как правило, генератор развертки имеет 3 режима работы: автоколебательный, ждущий, и режим однократного запуска. Период развертки регулируется дискретно и плавно. Генератор развертки может быть отключен, при этом развертка производится внешним сигналом, подаваемым на вход канала Х. Назначение усилителя Х то же, что и оконечного усилителя Y, однако в нем предусмотрено дискретное изменение коэффициента усиления для режима растяжки. Устройство синхронизации и запуска резвертки предназначено для управления генератором развертки и обеспечивает кратность периодов сигнала и развертки. Канал модуляции луча по яркости ( Z ) предназначен для подсветки прямого хода развертки или для создания яркости метки в осциллографе с двойной разверткой. 3. ЭСЧ в режиме измерения временного интервала, схема, принцип действия, погрешности Серийные цифровые частотомер позволяют измерять интерваля времени в широких пределах. Например частотомер 43-54 обеспечивает измерение tх от 10-7 до 10-5 с. Для этого в приборе (рис. 3) предусмотрены устройства, формирующие опорный (старт) и интервальный (стоп) импульсы, которые фиксируют начало и конец измеряемого интервала tх . Выбор характерных точек на исследуемом напряжении осуществляется измерением уровней напряжений, подаваемых на формирующее устройство. Импульсы воздействуя на устройство управления, определяют время счета Тс кратковременных импульсов, формируемых из напряжения образцового генератора.
Рис. 3
Рис. 4
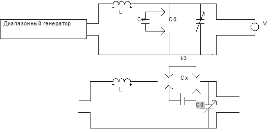
4. Измерители индуктивности и ёмкости, в которых используются резонансный и генераторный методы: схемы, принцип действия Измерение индуктивности производят следующим образом. Собирают схему, показанную ниже (рис. 5).
рис. 5. Если измерения должны проводиться на рабочей частоте исследуемой катушки, устанавливают частоту генератора f≈fраб и настраивают схему измерением ёмкости. При максимальном показании, т.е. при резонансе , показании вольтметра, отсчитывают частоту генератора и ёмкости рабочего конденсатора. Измеряемая индуктивности определяется по формуле: Lx = 1/ (2пf)2 С0 . Аналогично, используя рабочую катушку L0, измеряют емкость Сх . Значение емкости отсчитывается по формуле: Сх = 1/ (2пf)2 L0 Источники погрешности при таком способе измерений: 1. Влияние остаточных параметров измерительной схемы (входная емкость вольтметра, индуктивности соединительных проводов). 2. Неточность отсчета частоты генератора. 3. Неточность определения момента резонанса. Схемы, основанные на методе замещения позволяют практически устранить погрешности, обусловленные влиянием остаточных параметров и неточностью отсчета частоты генератора. Для уменьшения погрешности, связанной с неточностью определения момента резонанса, применяют двойной отсчет. Резонансное значение ёмкости вычисляют по формуле: С0 = (С0 ' + С0 '')/ 2 где С0 ' и С0 '' — емкости, отсчитанные при одинаковых показаниях вольтметра. Для измерения малой ёмкости, первое измерение производят без неизвестной ёмкости. Устранив требуемую частоту генератора, включают вспомогательную катушку индуктивности и настраивают схему в резонанс измерением емкости рабочего конденсатора. Момент резонанса определяют по максимальному показанию вольтметра. При втором измерении параллельно рабочему конденсатору подключают неизвестную ёмкость и снова настраивают схему в резонанс, уменьшая емкость рабочего конденсатора (при этом, частота генератора должна оставаться неизменной). Измеряемая ёмкость: Сх = С01 — С02 . С01 и С02 — емкости рабочего конденсатора при Первом и Втором измерениях.
Рис.7 Из схемы рисунка 7 следует, что входная емкость вольтметра, емкость мостата и прочие остаточные параметров не влияют на результат измерения. Погрешность измерения определяется неточностью отсчета значений С01 и С02 Схема, приведенная на рисунке 7 пригодна для измерения емкостей Сх < C0 max . Если измеряемая емкость больше максимальной емкости рабочего конденсатора, применяют схему изображенную на рисунке 8. 5. Аналоговый и цифровой измерители корреляционной функции случайного сигнала: схемы, принцип действия Приборы, показания которых являются непрерывными функциями измеряемых величин, называют аналоговыми (в них отсчет значения измеряемой величины производится по шкале). Измерительные приборы, автоматически вырабатывающие дискретные сигналы измерительной информации и дающие показания в цифровой форме, называют цифровыми. Приборы, с помощью которых измеряют значения функции корреляции, называют коррелометрами . Приборы, регистраторы которых дают возможность получить график всей функции корреляции называют коррелографами . Различают 2 основных типа коррелометров, действие которых основана на: 1) перемножении исследуемых процессов в соответствие с алгоритмом: RT (τ ) = 1/T ∫T x (t) x (t +τ)dt (1) RT xy (τ ) - 1/T ∫T x (t) y (t +τ)dt 2) на представлении искомой функции корреляции в виде конечной суммы членов разложения её в ряд по ортогональным функциям. Структурная схема коррелометра с перемножением:
В соответствие с алгоритмом в коррелометре должно производиться перемножение исследуемых процессов и интегрирование в течении времени Т. При этом один из процессов смещают во времени на величину ____. Схема содержит идеальный перемножитель, устройство задержки во времени одного из исследуемых процессов на величину ___, усредняющее и регистрирующее устройства. Каждому значению задержки соответствует постоянное напряжение (или ток), значение которого регистрируют. Кривую, построенную по этим точкам, принимают как оценку функции корреляции исследуемых процессов. При анализе функции автокорреляции в каналы 1 и 2 падают один и тот же исследуемый процесс, при анализе функции взаимной корреляции — различные процессы. Автокорреляционная функция - это характеристика сигнала, которая помогает находить повторяющиеся участки сигнала. Рассмотрим построение цифрового коррелометра с перемножением. Алгоритм работы коррелометра предусматривающий дискретизацию времени и квантование по уровням, определяют соотношением: RN (pt0 ) = 1/N ∑ xk (it0 )xk (it0 +pt0 ) (2) RN xy (pt0 ) = 1/N ∑ xk (it0 )yk (it0 +pt0 ) где хk (it0 ), yk (it0 ) – квантованные по уровню значения реализации случайных процессов в дискретные моменты времени. p t0 - интервал сдвига во времени (р = 0, 1, 2, …). t0 — элемент квантования времени. Индекс k у случайных функций отмечает наличие квантования по уровню. В соответствие с алгоритмом (2) значение исследуемых процессов отсчитывают в дискретные моменты времени, отстающие друг от друга на величину t0. Вычисляют произведение значений исследуемых процессов, находят сумму произведений. Результат суммирования делится на число слагаемых. Задержку одного из процессов производят на целое число элементов отсчета времени на p t0 . Упрощенная схема коррелометра представлена на рисунке 8
рис.8 Входное устройство осуществляет дискретизации напряжений исследуемых процессов — квантование по времени и уровню — и представление дискретных отсчетов в нужном числовом коде. Основным узлом входного устройства, обрабатывающего непрерывные сигналы, является аналого-цифровой преобразователь. Входное устройство может выполнять ряд дополнительных операций: усиление или ослабление входных сигналов, преобразование процессов, записанных на различных носителях в напряжение или ток. Запоминающие устройство осуществляет запоминание (запись) кодовых чисел, соответствующих значениям реализаций исследуемых процессов хk (it0 ), yk (it0 ), а также обеспечивает дискретный сдвиг (задержку) во времени одного исследуемого процесса относительно другого. Выдача данных из запоминающего устройства в арифметическое производится в соответствии с командами, поступающие от управляемого устройства. Арифметическое устройство выполняет следующие арифметические операции: перемножение кодов дискретных отсчетов входных сигналов, суммирование входных сигналов, суммирование произведений, деление результата суммирования на число произведений N. Выходное устройство осуществляет вывод данных и регистрацию значений корреляционной функции. Управляющее устройство вырабатывает команды, в форме электрических сигналов, которые управляют работой всего коррелятора, обеспечивая последовательность синхронности выполнения операций. Задача 1 К генератору высокой частоты с внутренним сопротивлением 75 Ом подключается нагрузка с сопротивлением 25Ом. Найти значения напряжения, которое нужно установить по шкале выходного аттенюатора генератора, чтобы на нагрузке получить напряжение 0.1В. Построим схему.
Задача 2 При измерении фазового сдвига между синусоидальными напряжениями частотой f = 10кГц используется метод дискретного счета. Рассчитать период счетных импульсов, если допустимая абсолютная погрешность дискретности измерения фазового сдвига Δg = 0,090
Т = 1/f Допустимая абсолютная погрешность дискретности измерения фазового сдвига Δg = Tсч * ω = Т * 2п * f Tсч = Δg / 2пf = 0,09/2* 3,14* 104 = (9/6,28) * 10-6 ≈1,4 мкс. Задача 3 Найти показания электронного вольтметра, у которого шкала проградуирована в среднеквадратичных значениях, детектор среднеквадратичных значений с открытым входам, если на его вход подаётся напряжение вида Uср.кв.
= Список литературы 1. Калашников С.Г. "Электричество". Изд-во 6. М.: 2004 2. Синдеев Ю.Г. Учебное пособие для лицеев и колледжей. "Электротехника с основами электроники". Ростов-на-Дону. 2009 3. Расчеты, графики и схемы произведены в программе Micro-Cap |












