Реферат: Программирование микроконтроллера 2
|
Название: Программирование микроконтроллера 2 Раздел: Рефераты по коммуникации и связи Тип: реферат | ||||||||||||||||||||||||||||||||||||||||||||||||||||||||||||||||||||||||||||||||||||||||||||||||||||||||||||||||||||||||||||||||||||||||||
Содержание: 1.Анализ задания4 2. Описание функциональной схемы 5 3. Временные диаграммы работы устройства 6 4. Анализ работы узлов устройства 7 5. Принципиальная схема устройства 9 6. Перечень элементов 11 1.Анализ задания. По заданию требуется определить с высокой точностью частоту следования импульсов. В данной работе предполагается, что есть образцовый (опорный) генератор, частота которого заранее известна и стабильна. Относительно него измеряется частота тестовой последовательности. Требуется измерить частоту восьми импульсов. Это значит, что в схеме должен быть счетчик с модулем счета, равным восьми и выделяющий восемь импульсов. Воспользуемся для этого стандартными микросхемами, имеющимися в библиотеке программы EWB. Если частоты образцовой и испытуемой последовательностей отличаются, их периоды будут соответственно тоже отличаться, таким образом, единицы на выходе счетчика установятся в разное время. Следовательно, следует ввести схему, выделяющую этот временной промежуток. Далее нам необходимо «оценить» этот промежуток, для этого мы заполним его импульсами и сосчитаем количество импульсов. Количество импульсов будет означать степень разности частот. Помимо величины разности частот нам важен ее знак. Необходима схема выделения знака. Схема может быть построена на системе триггеров, в которой первый пришедший переключает схему в одно устойчивое состояние. Таким образом, мы получаем функциональную схему на рис. 1. 2. Описание функциональной схемы.
Сигналы с образцового и испытуемого генераторов поступают на счетчик с модулем счета 8. По окончании восьмого импульса один из выходов счетчика устанавливается в единицу. Но при неравенстве частот единицы на выходе этих счетчиков установятся в разное время. Схема выделения величины представляет собой простейшую комбинационную схему, выдающую единицу при комбинациях на входе 1-0 и 0-1, и ноль при любых других. Единица с выхода этой схемы поступает на элемент И, на другой вход которого поступают импульсы с генератора тактовых импульсов ГТИ. Таким образом, схема И запрещает или разрешает проход импульсов на выход, причем количество импульсов будет зависеть от разности частот. Далее эти импульсы подсчитываются специальным счетчиком, код на выходе счетчика будет содержать информацию о разности частот. Схема определения знака представляет собой систему из двух RS-триггеров и двух D-триггеров. В ней первый пришедший устанавливает один из RS-триггеров, он в свою очередь устанавливает D-триггер. Таким образом, в зависимости от отставания (или опережения), на одном из выходов установится единица. 3. Временные диаграммы работы устройства.
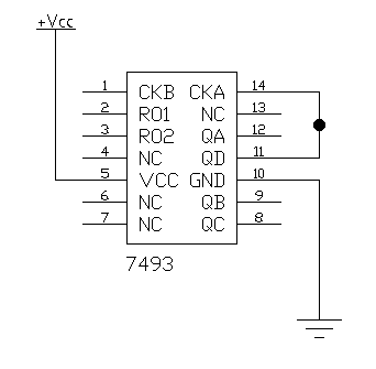
Входная последовательность. 2,3,4,5) Временные диаграммы счетчика на 8. 5,6) Разность во времени прохождения 8 импульсов. 7,8) Сигнал на выходе схемы выделения величины. 9) Сигнал на выходе ГТИ. 10) Сигнал на выходе схемы И. 4. Анализ работы узлов устройства. 1) Счетчик на 8:
Схема выделения величины.
Схема определения знака.
5. Принципиальная схема устройства.
6. Перечень элементов.
11 |
||||||||||||||||||||||||||||||||||||||||||||||||||||||||||||||||||||||||||||||||||||||||||||||||||||||||||||||||||||||||||||||||||||||||||








