Дипломная работа: Расчет электромагнитного переходного процесса
|
Название: Расчет электромагнитного переходного процесса Раздел: Промышленность, производство Тип: дипломная работа | ||||||||||||||||||||||||||||||||||||||||||||||||||||||||||||||||||||||||||||||||||||||||||||||||||||||||||||||||||||||||||||||||||||||||||||||||||||||||||||||||||||||||||||||||||||||||||||||||||||||||||||||||||||||||||||||||||||||||||||||||||||||||||||||||||||||||||||||||||||||||||
ФЕДЕРАЛЬНОЕ АГЕНСТВО ПО ОБРАЗОВАНИЮ Государственное образовательное учреждение высшего профессионального образования Кафедра энергетики КУРСОВОЙ ПРОЕКТ на тему: Расчет электромагнитного переходного процесса по дисциплине Электромагнитные переходные процессы Благовещенск 2005 ЗАДАНИЕ на курсовую работу по курсу «Электромагнитные переходные процессы в электрических системах» Для заданной схемы участка энергосистемы составить расчётную схему замещения для прямой, нулевой и обратной последовательностей, определить параметры схем замещения любым из способов приведения, в любых единицах. 1 Определить ток трёхфазного короткого замыкания в заданной точке 1.1 Периодическая составляющая в начальный момент времени 1.2 Апериодическая составляющая в начальный момент времени 1.3 Ударный ток короткого замыкания 1.4 Мощность короткого замыкания 1.5 периодическая составляющая в заданный момент времени 1.6 апериодическая составляющая в заданный момент времени 1.7 ток установившегося короткого замыкания 2 Для заданного вида несимметричного КЗ определить: 2.1 Ток прямой последовательности особой фазы 2.2 Напряжения отдельных последовательностей в точке короткого замыкания 2.3 Построить векторные диаграммы токов и напряжений в месте короткого замыкания и напряжений на шинах средней стороны автотрансформатора РЕФЕРАТ Работа 48 с., 43 рисунка, 3 таблицы, 2 источника, 1 приложение. Короткое замыкание, сверхпереходной режим, установившийся режим, сопротивление, ЭДС, нагрузка, схема замещения, векторная диаграмма Определение периодической, апериодической составляющих тока симметричного короткого замыкания, ударного тока короткого замыкания, отдельных составляющих несимметричного короткого замыкания. СОДЕРЖАНИЕ Введение 1 Расчёт симметричного трёхфазного короткого замыкания в заданной точке 1.1 Определение тока короткого замыкания в сверхпереходном режиме 1.1.1 Составление схемы замещения и расчёт параметров элементов схемы 1.1.2 Расчёт реактивных сопротивлений схемы 1.1.3 Расчёт активных сопротивлений схемы 1.1.4 Нахождение постоянной времени затухания апериодической составляющей 1.1.5 Нахождение отдельных составляющих тока короткого замыкания для каждой ветви 1.2 Расчёт тока установившегося короткого замыкания 2 Расчёт несимметричного однофазного короткого замыкания 2 .1 Определение тока прямой последовательности особой фазы 2.1.1 Составление схемы замещения токов прямой последовательности 2.1.2 Составление схемы замещения токов обратной последовательности 2.1.3 Составление схемы замещения токов нулевой последовательности 2.2 Построение векторных диаграмм напряжений и токов в месте короткого замыкания 2.3 Определение напряжения в удалённой точке на средней стороне автотрансформатора. Построение векторной диаграммы напряжений Заключение Библиографический список Приложение А. Схемы замещения отдельных последовательностей. Векторные диаграммы токов и напряжений ВВЕДЕНИЕ Возникновение электромагнитных переходных процессов неразрывно связано с деятельностью инженера. Они возникают в электрических сетях как при нормальной эксплуатации (включение и отключение источников питания, всевозможных нагрузок), так и при авариях (обрыв нагруженной фазы, короткое замыкание). Понять физическую сущность электромагнитных переходных процессов с целью управления ими – одна из главных задач высококвалифицированного специалиста. Таблица 1 - Технические данные элементов электрической сети
Таблица 2 – Характеристики ЛЭП
Таблица 3 – Схемы соединения обмоток трансформаторов
Отключенные выключатели: 3, 10, 12. Точка короткого замыкания: 2. 1 РАСЧЁТ СИММЕТРИЧНОГО ТРЁХФАЗНОГО КОРОТКОГО ЗАМЫКАНИЯ Определение тока короткого замыкания в сверхпереходном режиме 1.1.1 Составление схемы замещения и расчёт параметров элементов схемы
Рисунок 1 – Схема замещения сети при токе КЗ в сверхпереходном режиме Расчёт выполняем в о.е. В качестве базисных величин принимаем мощность и напряжение. Тогда значения оставшихся зависимых величин легко можно найти. За базисную мощность принимаем мощность, равную 100 МВА, т.е. Sб = 100 МВА. За базисное напряжение возьмём напряжение ступени, где произошло короткое замыкание Uб I = 230 МВА. После этого можем определить напряжения оставшихся ступеней (на рис.1 ступени указаны римскими цифрами).
Токи на каждой ступени:
Перейдём к определению параметров схемы замещения. ЭС1:
где Uн – номинальное напряжение реактора, кВ.
ЭС 2: Выразив сопротивление реактора из формулы в именованных единицах, получаем:
Подстанция Б:
Прежде, чем найти сопротивление трёхобмоточного трансформатора, необходимо его сопротивления КЗ относительно обмоток, свести к напряжению КЗ одной обмотки.
Подстанция А:
Система: Чтобы найти сопротивление обмоток автотрансформатора, необходимо его сопротивление КЗ относительно обмоток, свести к напряжению КЗ каждой из обмотки:
Линии:
1.1.2 Расчёт реактивных сопротивлений схемы Преобразуем все элементы электростанции (ЭС) 1 к одному сопротивлению
При эквивалентировании узлов с равными ЭДС, её значение останется прежним. Преобразуем элементы подстанции А.
Преобразуем элементы подстанции Б, используем паралельно-последовательное сложение элементов:
В итоге получаем ветвь с сопротивлением и ЭДС подстанции Б:
Последовательно сворачиваем сопротивления системы и линии 1:
Далее, с помощью простейших преобразований типа звезда-треугольник и наоборот, последовательное и параллельное соединение ветвей, приводим схему к многолучевой звезде:
Рисунок 2
|
||||||||||||||||||||||||||||||||||||||||||||||||||||||||||||||||||||||||||||||||||||||||||||||||||||||||||||||||||||||||||||||||||||||||||||||||||||||||||||||||||||||||||||||||||||||||||||||||||||||||||||||||||||||||||||||||||||||||||||||||||||||||||||||||||||||||||||||||||||||||||
|

Рис. 17
(177)
(178)
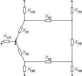
После произведённых преобразований изобразим схему в виде, представленном на рисунке 18.
(179)
(180)
(181)


Рисунок 18

Рисунок 19
(184)
(185)
(186)


Рисунок 20
(187)
(188)
(189)
(190)
(191)
(192)
(193)

Рисунок 21

![]()

Рисунок 22
(196)
(197)
(198)

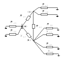
2.1.3. Составление схемы замещения и определение токов обратной последовательности
В целом, схема замещения останется той же, что и для прямой последовательности, изменятся лишь значения сопротивлений нулевой последовательности Х2 (рис.23). Токи прямой и обратной последовательностей протекают по одним и тем же путям. Точки приложения ЭДС источников заземляются, т.к. ЭДС обратной последовательности генерирующих ветвей условно принимают равными нулю.

Рисунок 23
(200)
(201)
(202)
После всё тех же преобразований звезда-треугольник и наоборот и т.п. схема примет вид:
![]()
Рис. 24
Рисунок 24


Рисунок 25
(204)
(205)
(206)
(207)
(208)
(209)
![]()
(210)
(211)
(212)
(213)
(214)
(215)
![]()
Рисунок 28
(216)
(217)
(218)
(219)
(220)
(221)
(222)
(223)
(224)
(225)
За особую фазу примем фазу А. Тогда ток прямой последовательности фазы А однофазного КЗ представим в виде:
,
где:
- дополнительное сопротивление;
- эквивалентное значение ЭДС прямой последовательности;
кА
Модуль фазного тока однофазного КЗ:
кА, (227)
где:
- коэффициент пропорциональности для однофазного КЗ.
2.2 Построение векторных диаграмм напряжений и токов в месте несимметричного однофазного КЗ
Граничные условия однофазного КЗ:
(228)
Также для однофазного КЗ можно записать следующие условия:
(229)
(230)
Симметричные составляющие напряжений в месте КЗ:
Ом (231)
Ом (232)
Ом (233)
кВ (234)
кВ (235)
кВ (236)
Определим фазные величины:
(237)
кВ (238)
кВ (239)
(240)
(241)
(242)
![]()
![]()
Рисунок 31 - Диаграмма токов в месте однофазного КЗ
2.3. Построение векторной диаграммы напряжений на средней стороне автотрансформатора
Падение напряжения от точки КЗ до шин автотрансформатора для схемы прямой последовательности:

![]()
Рисунок 32
Ом (243)
![]()
Ом
Рисунок 33
Ом (245)
Ом (246)
Ом (247)
кА (248)
кА (249)
кВ

Рисунок 34
Падение напряжения от точки КЗ до шин автотрансформатора для схемы нулевой последовательности:
Ом (251)
Ом (252)
Ом (253)
О
м (254)
Ом (255)
кА (256)
кА
![]()
Рисунок 38
кВ
![]()
Ом (259)
Рисунок 39
Падение напряжения от точки КЗ до шин автотрансформатора для схемы обратной последовательности:

Ом (260)
Рисунок 40
Ом (261)
Ом (262)
Ом (263)
кА (264)
кА (265)
кВ (266)
![]()
Фазные величины напряжений.
Напряжение фазы А:
кВ
кВ
Напряжение фазы С:
кВ
![]()
Рисунок 43
ЗАКЛЮЧЕНИЕ
В данной курсовом проекте были проведены расчёты токов КЗ в относительных единицах в приближенном привидении.
Анализируя полученные результаты, были построены векторные диаграммы токов и напряжений в точке короткого замыкания, а также диаграмма напряжений на шине средней стороны автотрансформатора в момент однофазного КЗ.
БИБЛИОГРАФИЧЕСКИЙ СПИСОК
1. Рожкова Л.Д. Электрооборудование станций и подстанций / Рожкова Л.Д., Козулин В.С.-М: Энергоатомиздат, 1987
2. Руководящие указания по расчёту токов короткого замыкания и выбору электрооборудования РД 153-34.0-20.527-98, Москва 2001
3. Ульянов С.А. Электромагнитные переходные процессы в электрических системах, издательство «Энергия», 1970

кВ (1)
кВ (3)
кВ (4)
кА (5)
кА (6)
кА (8)
кА (9)
(11)
(13)
, (12)
(15)
(16)
(20)
(21)
(22)
(23)
(24)
(25)
; (26)
; (27)
(31)
(32)
(33)
(34)
(35)
(36)
(37)
(38)
(41)
(42)
(43)
(46)
(47)
(50)
(50)
(55)
(56)
(57)
50)
58)
(59)
(60)
(61)
(64)
(65)
(66)
;
(53)
(54)
(55)
(56)
(57)
(58)
(59)
(60)
(61)
(62)
(63)
(64)
(65)
(66)
(67)
(69)
(70)
(70)
(71)
(72)
(72)
(73)
(75)
(76)
(77)
(79)
(80)
(82)

(85)
(86)
(87)
(88)
(89)
(90)
(91)
(92)
(93)
(94)
(95)
(96) 
(103)
(105)
(106)
(107)
(108)
(109)
(110)
(111)
(112)
(113)
(114)
(115)
(116)
(117)
(118)
(119)
(120)
(121)
(123)
(124)
(125)
(126)
(127)
(128)
кА (129)
кА (130)
кА (131)
кА (132)
кА (133)
кА (134)
кА (135)
кА (136)
кА (145)
кА (146)
кА (147)
кА (148)
кА (149)
кА (150)
кА (151)
кА (152)
,
,
,
,
,
(168)
(170)
(172)



(173)
(174)
