Дипломная работа: Розробка регулятора змінної напруги з вольтододачею
|
Название: Розробка регулятора змінної напруги з вольтододачею Раздел: Рефераты по коммуникации и связи Тип: дипломная работа | |||||||||||||||||||||||||||||||||||||||||||||||||||||||||||||||||||||||||||||||
| 1. Теоретичні відомості 1.1 Структура та принципи роботи тиристора Тиристор - це перемикаючий напівпровідниковий прилад, що пропускає струм в одному напрямку. Цей радіоелемент часто порівнюють з керованим діодом і називають напівпровідниковим керованим вентилем (Silicon Controlled Rectifier, SCR). Тиристор має три вивода, один з яких - керуючий електрод, можна сказати, "спусковий гачок" - використовується для різкого переводу тиристора у включеному стані. Тиристор суміщає в собі функції випрямляча, вимикача і підсилювача. Часто він використовується як регулятор, головним чином, коли схема живиться змінною напругою. Нижченаведені пункти розкривають чотири основні властивості тиристора: • тиристор, як і діод, проводить в одному напрямі, проявляючи себе як випрямляч; • Тиристор переводиться з вимкненого стану у ввімкнений при подачі сигналу на керуючий електрод і, отже, як вимикач має два стійких стани. Тим не менше для повернення тиристора у вимкнений (розімкнутий) стан необхідно виконати спеціальні умови; • керуючий струм, необхідний для переводу тиристора із закритого стану у відкритий, значно менший (декілька міліампер) при робочому струмі в декілька ампер і навіть в декілька десятків ампер. Отже, тиристор має властивості підсилювача струму; • середній струм через навантаження, включене послідовно з тиристором, можна точно регулювати залежно від тривалості сигналу на керуючому електроді. Тиристор при цьому є регулятором потужності. Вольт-амперна характеристика тиристора ВАХ тиристора (з керуючими електродами або без них) наведена на рис 1.1.1 Вона має кілька ділянок:
Рисунок 1.1.1 – Вольтамперна характеристика тиристора • Між точками 0 і 1 знаходиться ділянка, відповідний високому опору приладу - пряме замикання. • У точці 1 відбувається включення тиристора. • Між точками 1 і 2 знаходиться ділянка з негативним диференціальним опором. • Ділянка між точками 2 і 3 відповідає відкритому станом (прямий провідності). • У точці 2 через прилад протікає мінімальний тримає струм Ih . • Ділянка між 0 і 4 описує режим зворотного запирання приладу. • Ділянка між 4 і 5 - режим зворотного пробою. Структура тиристора Тиристором називається керований трьохелектродний напівпровідниковий прилад, що складається з чотирьох кремнієвих шарів типу р і n, що чергуються. Напівпровідниковий прилад з чотиришаровою структурою представлений на рис. 1.1.2. Крайню область р-структури, до якої підключається позитивний полюс джерела живлення, прийнято називати анодом, а крайню область n, до якої підключається негативний полюс цього джерела, - катодом. Властивості тиристора в закритому стані У відповідності до структури тиристора можна виділити три
Рисунок 1.1.2 – Структура і позначення тиристора електронно-діркового переходів і замінити тиристор еквівалентної схемою, як показано на рис. 1.1.3. Ця еквівалентна схема дозволяє зрозуміти поведінку тиристора з відключеним керуючим електродом. Якщо анод позитивний по відношенню до катода, то діод D2 закрито, що призводить до закриття тиристора, зміщеного в цьому випадку в прямому напрямку. За іншої полярності діоди D1 та D2 зміщені у зворотному напрямку, і Тиристор також закритий.
Рисунок 1.1.3 – Представлення тиристора трьома діодами Принцип відмикання за допомогою керуючого електрода Еквівалентна представлення структури р-n-p-n у вигляді двох транзисторів показано на рис. 1.1.4. Представлення тиристора у вигляді двох транзисторів різного типу провідності призводить до еквівалентної схемою, представленої на рис. 4. Вона наочно пояснює явище відмикання тиристора. Задамо струм IGT через керуючий електрод тиристора, зміщеного в прямому напрямку (напруга UAK позитивна), як показано на рис. 1.1.5. Оскільки струм IGT стає базовим струмом транзистора n-p-n, то струм колектора цього транзистора дорівнює B1 ∙IGT , де B1 - коефіцієнт підсилення по струму транзистора Т1. Цей струм одночасно є базовим струмом транзистора р-n-р, що приводить до його відмикання. Струм колектора транзистора Т2 становить величину B1 ∙B2 ∙IGT і підсумовується зі струмом IGT , що підтримує транзистор Т1 у відкритому стані. Тому, якщо керуючий струм IGT досить великий, обидва транзистора переходять в режим насичення. Ланцюг внутрішньої зворотного зв'язку зберігає провідність тиристора навіть у випадку зникнення початкового струму керуючого електрода IGT , при цьому струм анода (1А) залишається досить високим. Типова схема запуску тиристора наведена на рис. 1.1.6
Рисунок 1.1.4 – Розбиття тиристора на два транзистора
Рисунок 1.1.5 – Представлення тиристора у вигляді двухтранзисторної схеми
Рисунок 1.1.6 – Типова схема запуску тиристора Відключення тиристора
Рисунок 1.1.7 – Способи відключення тиристора Тиристор перейде в закритий стан, якщо до керуючого електроду відкритого тиристора не доклав жодних сигнал, а його робочий струм спаде до деякого значення, званого струмом утримання (гіпостатичним струмом). Відключення тиристора відбудеться, зокрема, якщо була розімкнути ланцюг навантаження (рис. 1.1.7а) або напруга, прикладена до зовнішньої ланцюга, поміняла полярність (це трапляється наприкінці кожного напівперіода змінної напруги живлення). Коли тиристор працює при постійному струмі, відключення може бути зроблено за допомогою механічного вимикача. Включений послідовно з навантаженням цей ключ використовується для відключення робочого ланцюга. Включений паралельно основним електродів тиристора (рис. 1.1.7б) ключ шунтує анодний струм, і тиристор при цьому переходить в закритий стан. Деякі тиристори повторно вмикаються після розмикання ключа. Це пояснюється тим, що при розмиканні ключа заряджається паразитна ємність р-n переходу тиристора, викликаючи завади. Тому вважають за краще розміщувати ключ між керуючим електродом і катодом тиристора (рис. 1.1.7в), що гарантує правильне відключення за допомогою відсікання утримуючого струму. Одночасно зміщується у зворотному напрямку перехід р-n, відповідний діоду D2 зі схеми заміщення тиристора трьома діодами (рис. 1.1.3). На рис. 6а-д представлені різні варіанти схем відключення тиристора, серед них і раніше згадувані. Інші, як правило, застосовуються, коли потрібно відключати тиристор за допомогою додаткового ланцюга. У цих випадках механічний вимикач можна замінити допоміжним тиристором або ключовим транзистором, як показано на рис. 1.1.8.
Рисунок 1.1.8 – Класичні схеми відключення тиристора за допомогою додаткового ланцюга 1.2 Структура та принципи роботи симістора Симіcтop - напівпровідниковий прилад, який широко використовується в системах, що харчуються змінною напругою. Спрощено він може розглядатися як керований вимикач. У закритому стані він веде себе як розімкнутий вимикач. Навпаки, подача керуючого струму на керуючий електрод сімістора веде до переходу його в провідний стан. У цей час симістор подібний замкнутому вимикачу. При відсутності керуючого струму сімістор під час будь-якого напівперіоду змінної напруги живлення неминуче переходить зі стану провідності в закритий стан. Крім роботи в релейному режимі в термостаті або світлочутливому вимикачі, розроблені і широко використовуються системи регулювання, які функціонують за принципом фазового управління напругою навантаження, або, іншими словами, плавні регулятори. Структура симістора Симістор можна представити двома тиристорами, ввімкненими зустрічно-паралельно. Він пропускає струм в обох напрямках. Структура цього напівпровідникового приладу показана на рис. 1.2.1. Симістор має три електрода: один керуючий і два основних для пропускання робочого струму.
Рисунок 1.2.1 – Функціонування симістора Симістор відкривається, якщо через керуючий електрод проходить відпираючий струм або якщо напруга між його електродами А1 і А2 перевищує деяку максимальну величину (насправді це часто приводить до несанкціонованого спрацьовування симістора, що відбуваються при максимумі амплітуди напруги живлення). Симістор переходить в закритий стан після зміни полярності між його висновками А1 і А2 або якщо значення робочого струму менше струму утримання IУ . Відмикання симістора У режимі змінного живлення зміна станів симістора викликається зміною полярності напруги на робочих електродах А1 і А2. Тому в залежності від полярності керуючого струму можна визначити чотири варіанти управління симістором, як показано на рис. 1.2.2. Кожен квадрант відповідає одному способу відмикання симістора. Всі способи коротко описані в табл. 1.2.1. Наприклад, якщо між робочими електродами симістора прикладають напругу VA1-A2 >0 і напруга на керуючому електроді негативно по відношенню до анода А1 , то зміщення симістора відповідає квадранту
Рисунок 1.2.2 – Чотири можливі варіанти управління сімістором Таблиця 1.2.1 Спрощене уявлення способів відмикання симістора
II і спрощеним позначенню + -. Для кожного квадранта визначені відпираючий струм Iвід (IGT ), утримуючий струм Iут (Iн ) і струм ввімкнення Iввім (IL ). Відпираючий струм повинен зберігатися до тих пір, поки робочий струм не перевищить у два-три рази величину утримуючого струму Iн . Цей мінімальний відпираючий струм і є струмом ввімкнення сімістора IL . Потім, якщо прибрати струм через керуючий електрод, симістор залишиться в провідному стані до тих пір, поки анодний струм буде перевищувати струм утримання Iн . Обмеження при використанні Симістор накладає ряд обмежень при використанні, зокрема при індуктивного навантаження. Обмеження стосуються швидкості зміни напруги (dV/dt) між анодами симістора і швидкості зміни робочого струму di/dt. Дійсно, під час переходу сімістора із закритого стану відкритий зовнішнім ланцюгом може бути викликаний значний струм. У той же час миттєвого падіння напруги на виводах сімістора не відбувається. Отже, одночасно будуть присутні напруга і струм, розвиваючі миттєву потужність, яка може досягти значних величин. Енергія, розсіяна в малому просторі, викличе різке підвищення температури р-n переходів. Якщо критична температура буде перевищена, то відбудеться руйнування симістора, викликане надмірною швидкістю наростання струму di/dt. Обмеження також поширюються на зміну напруги двох категорій: на dV/dt стосовно до закритого симістору і на dV/dt при відкритому симісторі (останнє також називається швидкістю перемикання). Надмірна швидкість наростання напруги, доданої між виводами А1 і А2 заритого симістора, може викликати його відкриття при відсутності сигналу на керуючому електроді. Це явище викликається внутрішньою ємністю симістора. Струм заряду цієї ємності може бути достатнім для відмикання сімістора. Однак не це є основною причиною несвоєчасного відкриття. Максимальна величина dV/dt при перемиканні симістора, як правило, дуже мала, і занадто швидка зміна напруги на виводах симістора в момент його замикання може негайно ж спричинити за собою нове включення. Таким чином, сімістор заново відмикається, в той час як повинен закритися.
Рисунок 1.2.3 – Симістор із захисним RC-ланцюжком При індуктивному навантаженні симістора або при захисті від зовнішніх перенапружень для обмеження впливу dV/dt та струму перевантаження бажано використовувати захисний RC-ланцюжок (рис. 1.2.3). Розрахунок значень R і С залежить від декількох параметрів, серед яких - величина струму в навантаженні, значення індуктивності і номінального опору навантаження, робочої напруги, характеристик сімістора. Сукупність цих параметрів важко піддається точному опису, тому часто беруть до уваги емпіричні значення. Включення опору 100-150 Ом і конденсатора 100 нФ дає задовільні результати. Проте відзначимо, що значення опору повинно бути набагато менше (або одного порядку), ніж величина повного навантаження, будучи достатньо високим для того, щоб обмежити струм розряду конденсатора з метою дотримання максимального значення di/dt в момент відмикання. RC-ланцюжок додатково покращує включення в провідний стан симістора, керуючого індуктивним навантаженням. Дійсно, струм розряду конденсатора усуває вплив затримки індуктивного струму, підтримуючи робочий струм вище мінімального значення утримуючого струму Iуд (Iн ).
Рисунок 1.2.4 – Захист симістора за допомогою варистора Додатковий захист, що заслуговує уваги, може бути забезпечений за допомогою варистора, підключеного до виводів індуктивного навантаження. Інший варистор, включений паралельно напрузі живлення, затримає завади, що розповсюджуються по мережі живлення. Захист симістора також забезпечується при підключенні варистора паралельно його виводам А1 і А2 (рис. 1.2.4). 1.3 Трансформатор Трансформатор (від лат. Transformo - перетворювати) - статичний електромагнітний пристрій, що має дві або більше індуктивно пов'язаних обмоток і призначене для перетворення за допомогою електромагнітної індукції однієї або декількох систем змінного струму в одну або кілька інших систем змінного струму. Трансформатор може складатися з однієї (автотрансформатор) або кількох ізольованих дротяних, або стрічкових обмоток (котушок), що охоплюються загальним магнітним потоком, намотаних, як правило, на магнітопровод (сердечник) з феромагнітного магніто-м'якого матеріалу. Види трансформаторів 1. Силовий трансформатор - трансформатор, який призначений для перетворення електричної енергії в електричних мережах і в установках, призначених для прийому і використання електричної енергії. Автотрансформатор - варіант трансформатора, в якому первинна і вторинна обмотки сполучені безпосередньо, і мають за рахунок цього не тільки електромагнітний зв'язок, а й електричну. Обмотка автотрансформатора має кілька виводів (як мінімум 3), підключаючись до яких, можна отримувати різні напруги. Перевагою автотрансформатора є більш високий ККД, оскільки лише частина потужності піддається перетворенню - це особливо істотно, коли вхідна і вихідна напруги відрізняються незначно. Недоліком є відсутність електричної ізоляції (гальванічної розв'язки) між первинним і вторинним ланцюгом. У промислових мережах, де наявність заземлення нульового проводу обов'язково, цей чинник ролі не грає. Натомість істотною є менша витрата сталі для сердечника, міді для обмоток, меншу вагу і габарити, і в результаті - менша вартість. Особливо ефективний автотрансформатор у випадках, коли необхідно отримати вторинну напругу, яка не сильно відрізняється від первинної. 2. Трансформатор струму - трансформатор, який живиться від джерела струму. Типове застосування - для зниження первинного струму до величини, яка використовується у ланцюгах вимірювання, захисту, управління та сигналізації. Номінальне значення струму вторинної обмотки 1А, 5А. Первинна обмотка трансформатора струму вмикається в ланцюг з вимірюваним змінним струмом, а у вторинну включаються вимірювальні прилади. Струм, що протікає по вторинній обмотці трансформатора струму, дорівнює струму первинної обмотки, поділеній на коефіцієнт трансформації. 3. Трансформатор напруги - трансформатор, який живиться від джерела напруги. Типове застосування - перетворення високої напруги в низьку в ланцюгах. Застосування трансформатора напруги дозволяє ізолювати логічні ланцюги захисту і ланцюга вимірювання від ланцюга високої напруги. 4. Імпульсний трансформатор - трансформатор, який призначений для перетворення імпульсних сигналів з тривалістю імпульсу до десятків мікросекунд з мінімальним спотворенням форми імпульсу. Основне застосування полягає в передачі прямокутного електричного імпульсу (максимально крутий фронт і зріз, відносно постійна амплітуда). Він служить для трансформації короткочасних відеоімпульсів напруги, що зазвичай періодично повторюються з високою скважністю. У більшості випадків основна вимога до ІТ полягає в неспотвореній передачі форми трансформованих імпульсів напруги; при дії на вхід ІТ напруги тієї чи іншої форми на виході бажано отримати імпульс напруги тієї ж самої форми, але, бути може, іншої амплітуди або іншої полярності. 5. Розділовий трансформатор - трансформатор, первинна обмотка якого електрично не пов'язана зі вторинними обмотками. Силові розділові трансформатори призначені для підвищення безпеки електромереж, при випадкових одночасних дотиків до землі і струмоведучих частин або неструмоведучим частинам, які можуть опинитися під напругою у разі пошкодження ізоляції. Сигнальні розділові трансформатори забезпечують гальванічну розв'язку електричних ланцюгів. Пік-трансформатор – трансформатор, що перетворює напругу синусоїдальної форми в імпульсну напругу з полярністю, що змінюється через кожні півперіода. 6. Здвоєний дросель (зустрічний індуктивний фільтр) - конструктивно є трансформатором з двома однаковими обмотками. Завдяки взаємній індукції котушок він при тих же розмірах більш ефективний, ніж звичайний дросель. Здвоєні дроселі отримали широке поширення в якості вхідних фільтрів блоків живлення; в диференціальних сигнальних фільтрах цифрових ліній, а також в звуковій техніці. Основні частини конструкції трансформатора У практичній конструкції трансформатора виробник вибирає між двома різними базовими концепціями: • Стрижневий • Броньовий Будь-яка з цих концепцій не впливає на експлуатаційні характеристики або експлуатаційну надійність трансформатора, але є істотні відмінності у процесі їх виготовлення. Кожен виробник вибирає концепцію, яку він вважає найбільш зручною з точки зору виготовлення, і прагне до застосування цієї концепції на всьому обсязі виробництва. У той час як обмотки стрижневого типу містять в собі сердечник, сердечник броньового типу містить в собі обмотки. Якщо дивитися на активний компонент (сердечник з обмотками) стрижневого типу, обмотки добре видно, але вони приховують за собою стрижні магнітної системи сердечника. Видно тільки верхнє і нижнє ярмо сердечника. У конструкції броньового типу сердечник приховує в собі основну частину обмоток. Ще одна відмінність полягає в тому, що вісь обмоток стрижневого типу, як правило, має вертикальне положення, в той час як у броньовій конструкції вона може бути горизонтальної або вертикальної. Основними частинами конструкції трансформатора є: • магнітна система (магнітопровід) • обмотки • система охолодження Магнітна система (магнітопровід) трансформатора - комплект елементів (найчастіше пластин) електротехнічної сталі або іншого феромагнітного матеріалу, зібраних в певній геометричній формі, призначений для локалізації в ньому основного магнітного поля трансформатора. Магнітна система в повністю зібраному вигляді спільно зі всіма вузлами і деталями, що служать для скріплення окремих частин в єдину конструкцію, називається остовом трансформатора. Частина магнітної системи, на якій розташовуються основні обмотки трансформатора, називається - стрижень. Частина магнітної системи трансформатора, не несуча основних обмоток, що служить для замикання магнітного ланцюга, називається - ярмо. Залежно від просторового розташування стрижнів, виділяють: 1. Плоска магнітна система - магнітна система, в якій поздовжні осі всіх стрижнів і ярм розташовані в одній площині. 2. Просторова магнітна система - магнітна система, в якій поздовжні осі стержнів або ярм, або стрижнів і ярм розташовані в різних площинах. 3. Симетрична магнітна система - магнітна система, в якій всі стрижні мають однакову форму, конструкцію та розміри, а взаємне розташування будь-якого стрижня по відношенню до всіх ярмам однаково для всіх стрижнів. 4. Несиметрична магнітна система - магнітна система, в якій окремі стрижні можуть відрізнятися від інших стержнів за формою, конструкції або розмірам або взаємне розташування будь-якого стрижня по відношенню до інших стержнів або ярмам може відрізнятися від розташування будь-якого іншого стрижня. Обмотки Основним елементом обмотки є виток - електричний провідник, або ряд паралельно з'єднаних таких провідників (багатодротяна жила), що одноразово охоплює частину магнітної системи трансформатора, електричний струм якого спільно з струмами інших таких провідників та інших частин трансформатора створює магнітне поле трансформатора і в якому під дією цього магнітного поля наводиться електрорушійна сила. Обмотка - сукупність витків, що утворюють електричний ланцюг, в якій підсумовуються ЕРС, наведені у витках. У трифазному трансформаторі під обмоткою зазвичай мають на увазі сукупність обмоток однієї напруги трьох фаз, що з'єднуються між собою. Провідник обмотки в силових трансформаторах зазвичай має квадратну форму для найбільш ефективного використання наявного простору (для збільшення коефіцієнта заповнення у вікні сердечника). При збільшенні площі провідника провідник може бути розділений на два і більше паралельних провідних елементів з метою зниження втрат на вихрові струми в обмотці і полегшення функціонування обмотки. Провідний елемент квадратної форми називається жилою. Кожна жила ізолюється за допомогою або паперової обмотки, або емалевого лаку. Дві окремо ізольованих і паралельно з'єднаних жили іноді можуть мати загальну паперову ізоляцію. Дві таких ізольованих жили в загальній паперової ізоляції називаються кабелем. Особливим видом провідника обмотки є безперервно транспонований кабель. Цей кабель складається з жил, ізольованих за допомогою двох шарів лаку емалевого, розташованих в осьовому положенні один до одного. Безперервно транспонований кабель виходить шляхом переміщення зовнішньої жили одного шару до наступного шару з постійним кроком і застосування загальної зовнішньої ізоляції. Паперова обмотка кабелю виконана з тонких (кілька десятків мікрометрів) паперових смуг шириною кілька сантиметрів, намотаних навколо жили. Папір загортається у кілька шарів для отримання необхідної загальної товщини. Обмотки поділяють за: 1. Призначенням • Основні - обмотки трансформатора, до яких підводиться енергія перетворюється або від яких відводиться енергія перетвореного змінного струму. • Регулюючі - при невисокому струмі обмотки і не дуже широкому діапазоні регулювання, в обмотці можуть бути передбачені відводи для регулювання коефіцієнта трансформації напруги. • Допоміжні - обмотки, призначені, наприклад, для харчування мережі власних потреб з потужністю суттєво меншою, ніж номінальна потужність трансформатора, для компенсації третин гармонійної магнітного поля, підмагнічування магнітної системи постійним струмом, і т. п. 2. Виконанням • Рядова обмотка - витки обмотки розташовуються в осьовому напрямку в усій довжині обмотки. Наступні витки намотуються щільно один до одного, не залишаючи проміжного простору. • Гвинтова обмотка - гвинтова обмотка може являти собою варіант багатошарової обмотки з відстанями між кожним витком або заходом обмотки. • Дискова обмотка - дискова обмотка складається з ряду дисків, з'єднаних послідовно. У кожному диску витки намотуються в радіальному напрямку у вигляді спіралі у напрямку всередину і назовні на сусідніх дисках. • фольгова обмотка - фольговій обмотки виконуються з широкого мідного або алюмінієвого листа товщиною від десятих часток міліметра до декількох міліметрів. Базові принципи дії трансформатора
Рис.1.3.1 – Схематичне пристрій трансформатора. 1 - первинна обмотка, 2 - вторинна Робота трансформатора заснована на двох базових принципах: 1. Змінюваний у часі електричний струм створює змінюється в часі магнітне поле (електромагнетизм) 2. Зміна магнітного потоку, що проходить через обмотку, створює ЕРС в цій обмотці (електромагнітна індукція). На одну з обмоток, звану первинної обмоткою, подається напруга від зовнішнього джерела. Змінний струм, що протікає по первинній обмотці створює змінний магнітний потік в магнітопроводі, зсунутий по фазі, при синусоїдальному струмі, на 90° по відношенню до струму в первинній обмотці. У результаті електромагнітної індукції, змінний магнітний потік в магнітопроводі створює у всіх обмотках, у тому числі й у первинній, ЕРС індукції, пропорційну першій похідній магнітного потоку, при синусоїдальному струмі зсунутому на 90° у зворотний бік по відношенню до магнітного потоку. У деяких трансформаторах, що працюють на високих або надвисоких частотах, магнітопроводи може бути відсутніми. Режим холостого ходу. Коли вторинні обмотки ні до чого не підключені (режим холостого ходу), ЕРС індукції в первинної обмотці практично повністю компенсує напруга джерела живлення, тому струм через первинну обмотку невеликий і визначається в основному її індуктивним опором. Можливий варіант виконання трансформатора з приблизно рівними струмами холостого ходу і під навантаженням. Трансформатори, що не мають режиму холостого ходу, виходять менше і легше. Режим з навантаженням. При підключенні навантаження до вторинної обмотки у вторинній ланцюга виникає струм, що створює магнітний потік в магнітопроводі, спрямований протилежно магнітному потоку, створюваному первинної обмоткою. У результаті в первинної ланцюга порушується рівність ЕРС індукції і ЕРС джерела живлення, що призводить до збільшення струму в первинній обмотці до тих пір, поки магнітний потік не досягне практично колишнього значення. Схематично, процес перетворення можна зобразити наступним чином:
Миттєвий магнітний потік в магнітопроводі трансформатора визначається інтегралом за часом від миттєвого значення ЕРС у первинній обмотці і у випадку синусоїдальної напруги зсунутий по фазі на 90° по відношенню до ЕРС. Наведена у вторинних обмотках ЕРС пропорційна першій похідній від магнітного потоку і для будь-якої форми струму збігається за фазою і формі з ЕРС у первинній обмотці. ЕРС, створювана у вторинній обмотці, може бути обчислена за законом Фарадея, який свідчить, що:
Де: U2 - Напруга на вторинній обмотці, N2 - число витків у вторинній обмотці, Φ - сумарний магнітний потік, через один виток обмотки. Якщо витки обмотки розташовані перпендикулярно лініям магнітного поля, то потік буде пропорційний магнітному полю B і площі S через яку він проходить. ЕРС, створювана в первинній обмотці, відповідно:
Де: U1 - миттєве значення напруги на кінцях первинної обмотки, N1 - число витків у первинній обмотці. Поділивши рівняння U2 на U1, отримаємо відношення:
Ідеальний трансформатор - трансформатор, у якого відсутні втрати енергії на нагрів обмоток і потоки розсіювання обмоток. В ідеальному трансформаторі всі силові лінії проходять через усі витки обох обмоток, і оскільки змінюється магнітне поле породжує одну й ту ж ЕРС в кожному витку, сумарна ЕРС, індукована в обмотці, пропорційна повного числа її витків. Такий трансформатор всю що надходить енергію з первинного кола трансформує в магнітне поле і, потім, в енергію вторинної ланцюга. У цьому випадку надходить енергія дорівнює перетвореної енергії:
Де: P1 - миттєве значення надходить на трансформатор потужності, що надходить з первинної ланцюга, P2 - миттєве значення перетвореної трансформатором потужності, що надходить у вторинну ланцюг. Поєднавши це рівняння з відношенням напружень на кінцях обмоток, отримаємо рівняння ідеального трансформатора:
Таким чином отримуємо, що при збільшенні напруги на кінцях вторинної обмотки U2 , зменшується потік вторинної ланцюга I2 . Для перетворення опору одного ланцюга в опір іншого, потрібно помножити величину на квадрат відносини. Наприклад, опір Z2 підключено до кінців вторинної обмотки, його наведене значення до первинного кола буде
Дане правило справедливо також і для вторинної ланцюга:
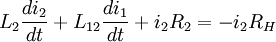
Рівняння лінійного трансформатора. Нехай i1 , i2 - миттєві значення струму в первинної та вторинної обмотці відповідно, u1 - миттєве напруга на первинній обмотці, RH - опір навантаження. Тоді
Тут L1
, R1
-індуктивність та активний опір первинної обмотки, L2
, R2
-те ж саме для вторинної обмотки, L12
-взаємна індуктивність обмоток. Якщо магнітний потік первинної обмотки повністю пронизує вторинну, тобто якщо відсутня поле розсіювання, то Для цього розглянемо відгук системи на синусоїдальний сигнал u1 = U1 e- jωt (ω = 2π f, де f - частота сигналу, j - уявна одиниця). Тоді i1 = I1 e- jωt і т. д., скорочуючи експоненціальні множники отримаємо U1 =- jωL1 I1 -jωL12 I2 +I1 R1 -JωL2 I2 -jωL12 I1 +I2 R2 =-I2 Zн Метод комплексних амплітуд дозволяє досліджувати не тільки чисто активне, але і довільне навантаження, при цьому досить замінити опір навантаження Rн його імпедансом Zн . З отриманих лінійних рівнянь можна легко виразити струм через навантаження, скориставшись законом Ома. На Рис.1.3.2 показана еквівалентна схема трансформатора з підключеним навантаженням, як воно виглядає з боку первинної обмотки.
Рис.1.3.2 – Т-подібна схема заміщення трансформатора Тут T - коефіцієнт трансформації, L12 - «корисна» індуктивність первинної обмотки, L1п , L2п - паразитні індуктивності первинної та вторинної обмотки (пов'язані з розсіюванням), R1п , R2п - паразитні опору первинної та вторинної обмотки відповідно, Zн - імпеданс навантаження. Ступінь втрат (і зниження ККД) у трансформаторі залежить, головним чином, від якості, конструкції і матеріалу «трансформаторного заліза» (електротехнічна сталь). Втрати в сталі складаються в основному з втрат на нагрівання осердя, на гістерезис і вихрові струми. Втрати у трансформаторі, де «залізо» монолітне, значно більше, ніж у трансформаторі, де воно складено з багатьох секцій (так як в цьому випадку зменшується кількість вихрових струмів). На практиці монолітні сердечники не застосовуються. Для зниження втрат у магнітопроводі трансформатора магнітопровода може виготовлятися зі спеціальних сортів трансформаторної сталі з додаванням кремнію, який підвищує питомий опір заліза електричному струму, а самі пластини лакуються для ізоляції один від одного. Режими роботи трансформатора 1. Режим холостого ходу. Даний режим характеризується розімкнутого вторинної ланцюгом трансформатора, внаслідок чого струм у ній не тече. За допомогою досвіду холостого ходу можна визначити ККД трансформатора, коефіцієнт трансформації, а також втрати в сталі. 2. Витримку навантаження режим. Цей режим характеризується замкнутим на навантаженні вторинним ланцюгом трансформатора. Даний режим є основним робочим для трансформатора. 3. Режим короткого замикання. Цей режим виходить в результаті замикання вторинної ланцюга накоротко. З його допомогою можна визначити втрати корисної потужності на нагрівання проводів в ланцюзі трансформатора. Крім того, втрати в трансформаторі додаються за рахунок нагрівання проводів. Це враховується у схемі заміщення реального трансформатора за допомогою активного опору. Габаритна потужність трансформатора описується наступною формулою: Pгаб = (P1 + P2 ) / 2 = (U1 I1 + U2 I2 ) / 2 • 1 - первинної обмотки • 2 - вторинної обмотки Однак, це кінцевий результат. Або академічне визначення. Спочатку габаритна потужність, як випливає з назви, визначається габаритами сердечника і матеріалом, його магнітними та частотними властивостями. ККД трансформатора знаходиться за наступною формулою:
Де: P0 - втрати холостого ходу (кВт) при номінальній напрузі PL - навантажувальні втрати (кВт) при номінальному струмі P2 - активна потужність (кВт), що подається на навантаження n - відносна ступінь навантаження (при номінальному струмі n = 1). 1.4 Регулятори змінної напруги Класифікація регуляторів змінної напруги Регуляторами змінної напруги в силовій електроніці називаються перетворювачі змінного напруги в змінну напругу ж тієї ж частоти, але з регульованою величиною напруги. Вони дозволяють плавно, безконтактно, швидко змінювати змінну напругу на навантаженні на відміну від громіздких, інерційних традиційних пристроїв його регулювання на основі трансформаторів з перемиканням відводів, автотрансформаторів, керованих реактивних баластних опорів (реакторів, конденсаторів). Можна виділити наступні типи регуляторів змінної напруги. 1. З фазовим способом регулювання змінної напруги і природної комутацією. Ці регулятори виконуються на вентилях з неповним управлінням (тиристорах), і тому вони самі прості і дешеві, але мають знижену якість вихідної напруги і споживаного з мережі струму. 2. За принципом вольтододачі, коли послідовно з джерелом змінної вхідної напруги вводиться додаткова напруга, так що напруга на навантаженні визначається векторною сумою двох зазначених напруг. Напруга вольтододачі, як правило, вводиться за допомогою трансформатора. Можливі два різновиди пристроїв вольтододачі. У першому варіанті пристрій пропускає через себе активну і реактивну потужності, створювані від взаємодії напруги вольтододачі зі струмом навантаження. У другому варіанті пристрій вольтододачі пропускає через себе тільки реактивну потужність, що зменшує втрати в ньому і не потребує для його живлення джерела активної потужності. Перший варіант пристрою може бути виконаний на вентилях з неповним керуванням і використанням при невеликому діапазоні регулювання напруги на навантаженні. Другий варіант пристроїв виконується на вентилях з повним керуванням. 3. З широтно-імпульсними способами регулювання змінної на напруги. Ці регулятори виконуються на вентилях з повним керуванням, вони більш складні і дорогі, ніж перші два типи, але можуть забезпечувати високу якість вихідної напруги і споживаного струму у всьому діапазоні регулювання. 4. З керованим високочастотним обміном енергією між накопичувальними елементами. Вони дозволяють у безтрансформаторному варіанті отримувати вихідну напругу як більше, так і менше вхідної при високій якості вихідної напруги і споживаного з мережі струму. Такі регулятори призначені в першу чергу для живлення відповідальних електроспоживачів. Регулятори з фазовим способом регулювання
Рис.1.4.1 Найпростіший регулятор Найпростіший регулятор однофазної змінної напруги складається з двох зустрічно-паралельно ввімкнених тиристорів, з'єднаних послідовно з навантаженням, як показано на рис.1.4.1 Кути управління α повинні бути такими, щоб струм в послідовному активно-індуктивному навантаженні був переривчастим. Збільшення кута регулювавання α призводить до зменшення тривалості протікання струму через Тиристор λ і зростанню спотворення кривої напруги на навантаженні Uн і за рахунок цього до зміни його діючого значення і першої гармоніки. При цьому погіршується і якість споживаного з мережі струму через зростання зсуву фази струму щодо напруги (збільшення споживання реактивної потужності) і за рахунок погіршення його форми внаслідок зменшення тривалості протікання λ. Регулювальні характеристики. Для регуляторів змінної напруги значущі два види регулювальних характеристик залежно від характеру навантаження. При роботі на активне навантаження показовою є залежність діючого значення вихідної напруги регулятора від кута регулювання α. Для однофазного регулятора ця регулювальна характеристика приймає наступний вигляд:
При роботі на асинхронний двигун (у першому наближенні активно-індуктивне навантаження) показовою є залежність діючого значення першої гармоніки вихідного напруги регулятора від кута α. Для однофазного регулятора цю регулювальну характеристику отримуємо при розкладанні кривий вихідної напруги в ряд Фур'є, а синусова складова першої гармоніки буде
Тоді діюче значення першої гармоніки вихідної напруги регулятора щодо діючого значення вхідної напруги регулятоляра, тобто регулювальна характеристика регулятора по першій гармоніці, буде визначатися за виразом
Тут регулювальна характеристика через переривчастого режиму роботи регулятора буде залежати не тільки від управління (від α), але і від параметрів ланцюга навантаження (від λ), як і у випрямлячі в режимі переривчастих струмів. Вхідний коефіцієнт зсуву та коефіцієнт потужності. Другою важливою характеристикою регулятора напруги є його вхідна енергетична характеристика – залежність вхідного коефіцієнта потужності від ступеня регулювання вихідної напруги. Так як вхідний коефіцієнт потужності дорівнює добутку коефіцієнта зсуву на коефіцієнт спотворення вхідного струму, то зручно знайти окремі залежності для зазначених множників. Для розрахунку коефіцієнта спотворення вхідного струму регулятора необхідно аналітичний опис його миттєвих значень. Для наближеної оцінки якості вхідного струму використовуємо наближену апроксимацію реальної напівхвилі струму еквівалентної напівсинусоїдою з тривалістю напівхвилі, рівний тривалості протікання імпульсу струму λ. Тоді діюче значення такої еквівалентної напівсинусоїди з частотою ωэ і з одиничною амплітудою буде
а діюче значення її першої гармоніки
У результаті знаходимо коефіцієнт спотворення вхідного струму регулятора
Зсув фази першої гармоніки струму навантаження щодо першої гармоніки вихідної напруги визначається параметрами навантаження. Зсув фази першої гармоніки вихідного напруги регулятора щодо вхідної напруги регулятора розраховуємо з урахуванням (1.4.2) і (1.4.3):
Тоді вхідний коефіцієнт зсуву струму буде
На рис. 1.4.2 наведені графіки зазначеної залежності.
Рисунок 1.4.2 – залежність вхідного коефіцієнта потужності від ступеня регулювання вихідної напруги Регулятори з вольтодобавкою Схема однофазного регулятора з вольтодобавкой на базі регулятора з фазовим способом регулювання напруги показана на рис.1.4.3.а). Він містить трансформатор, в первинній обмотці якого ввімкнено тиристорний регулятор на вентилях Т1 , Т2 з фазовим способом регулювання, а вторинна обмотка ввімкнена послідовно з навантаженням. Крім того, вторинна обмотка трансформатора шунтується двома зустрічно-паралельно ввімкненими тиристорами Т3 , Т4 , котрі можуть бути відсутніми. На рис.1.4.3.б) наведена форма вихідної напруги регулятора. Тиристори Т3 , Т4 відкриваються на початку кожної напівхвилі вхідної напруги, забезпечуючи його проходження на вихід регулятора на інтервалі а. Тиристори Т1 , Т2 відкриваються з кутом регулювання α, при цьому до провідному тиристори з пари Т3 , Т4 прикладається зворотня напруга і він закривається. Напруга на навантаженні на інтервалі π-α складається з суми вхідного напруги і напруги вторинної обмотки трансформатора, рівного Кт Uвх , де Кт - коефіцієнт трансформації вольтододавального трансформатора. У схемі регулятора з вольтододачею забезпечується підвищення напруги на його виході в порівнянні з вхідною напругою, що використовується для стабілізації напруги на навантаженні при зниженні
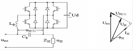
а) б) Рис.1.4.3 Регулятор напруги з вольтодобавкою а) - схема, б) - форма вихідної напруги Властивості регулятора з вольтододачею виводяться з властивостей того регулятора, який використаний у пристрої вольтододачі. Зазвичай ці регулятори застосовують при необхідності регулювання напруги на навантаженні в невеликих межах вгору або вниз від вхідної напруги. Регулятор з реактивною напругою вольтододачі на основі інвертора напруги. Джерело напруги вольтододачі можна навантажити чисто реактивним струмом, якщо в якості такого джерела використовувати автономний інвертор напруги або струму. Варіант такого регулятора з вольтододачею на базі інвертора напруги по однофазній мостовій схемі показано на рис. 1.4.4, а). Фільтр Lф Сф виділяє першу гармоніку напруги інвертора (50 Гц), що працює з синусоїдальною широтно-імпульсною модуляцією. Якщо фазу напруги інвертора (напруга вольтододачі) встановлювати весь час зсунутою на 90о від струму інвертора, тобто струму навантаження Iн , то через інвертор не проходитиме активна потужність. Векторна діаграма напруг і струму регулятора для такого режиму побудована на рис. 1.4.4, б). У инверторі при цьому не потрібно джерело активної потужності на вході ланки постійної напруги. Поставити початковий рівень напруги на ємності фільтра С інвертора можна, зробивши зсув фази напруги інвертора щодо струму трохи менше 90о . При цьому інвертор буде споживати від вхідного джерела невелику активну потужність, що компенсує втрати в інвертор при певному встановленому рівні постійної напруги на ємності фільтра Сd .
а) б) Рис.1.4.2 Регулятор з реактивною напругою вольтододачі на основі інвертора напруги а) - схема, б) - векторна діаграма напруг і струму 2. Розробка структурної схеми Регулювання напруги в схемі, що розглядається, відбувається за рахунок зміни кута регулювання α. Змінювати його можна різними способами, і один із них – використовувати змінний резистор.
Рисунок 2.1 – структурна схема регулятора На рис. 2.1 зображено структурну схему регулятора. На один із входів схеми керування подається напруга живлення. До іншого входу під’єднаний змінний резистор, за допомогою якого визначається кут регулювання напругою. І у відповідності до цього регулюється напруга на силовій частині схеми, до якої з однієї сторони підводиться напруга живлення, а з іншої – напруга вольтододачі. 3. Особливості принципової схеми Оскільки дана робота напрямлена на ознайомлення з принципом регулювання напруги за допомогою вольтододачі і створення лабораторного стенду, а не реального пристрою, то схема дещо відрізняється від тої, яка використовувалася б в реальному пристрої. 3.1 Розробка силової частини регулятора
Рисунок 3.1.1 – принципова схема силової частини регулятора змінної напруги з вольтододачею Дана схема призначена для ознайомлення з принципом вольтододачі, а не для реальних приладів, тому на її вхід доцільно поставити понижуючий трансформатор TV1 (див. рис. 3.1.1). Робота схеми На початку першого півперіоду відкритий симістор VS1, і на навантаження йде напруга живлення. Потім, через деякий час (кут регулювання α), за допомогою схеми керування відкривається VS2. На трансформаторі виникає напруга Uw з полярністю, зазначеною без дужок. Внаслідок цього на до симістора VS1 прикладується зворотня напруга і він закривається, а до навантаження прикладується напруга, рівна сумі напруги джерела та напруги трансформатора вольтододачі TV2. При зміні знаку напруги цей процес повторюється.
Рисунок 3.1.2 – часові діаграми напруги на: а) симісторі VS1; б) симісторі VS2; в) вторинній обмотці трансформатора TV2; г) навантаженні. На часових діаграмах напруги (рис. 3.1.2) видно, як після відмикання симістора VS2 напруга на навантаженні зростає на величину напруги на вторинній обмотці трансформатора TV2. Тому маємо, що значення напруги на навантаженні дорівнює
Де: UH – напруга на навантаженні; Um – амплітуда напруги живлення; W1 та W2 – число обмоток первинної та вторинної обмоток трансформатора TV2 відповідно; α – кут регулювання. На рис. 3.1.3 зображена залежність напруги навантаження від кута регулювання для різних значень коефіцієнта трансформації трансформатора вольтододачі. На ньому видно, що чим більший коефіцієнт трансформації, тим меншу напругу ми отримуємо для одного й того ж кута регулювання.
Рисунок 3.1.3 – залежність напруги навантаження від кута регулювання 3.2 Схема керування Основними задачами мікроконтроллера є прийом сигналів керування приводом та відповідно до них формування імпульсів потрібної частоти та ширини. Для написання програми, яка б це забезпечувала, була вибрана мова С++ та мережа розробки CodeVision 2.04. Мікроконтролер визначає момент переходу напруги через 0 і в цей момент відмикається перший симістор, потім АЦП зчитує сигнал зі змінного резистора і відповідно до цього вираховується час, через який відкриється другий симістор. Після проходження цього часу на симістор подається керуючий імпульс і з новим півперіодом цикл повторюється. Цей алгоритм представлений на рис. 3.2.1.
Рисунок 3.2.1 – алгоритм роботи системи керування 3.3 Розрахунок елементів схеми 3.3.1 Розрахунок вхідного трансформатора Задаємо вихідні дані: - напруга первинної напруги U1 =220 B; - напруга вторинної обмотки U2 =12 В; - потужність вторинних обмоток Р2 =10 Вт. Розміри магнітопровода вибраної конструкції, необхідні для отримання від трансформатора заданої потужності, можуть бути знайдені на підставі виразу:
Де: Sст - перетин стали магнітопровода в місці розташування котушки; Sок - площа вікна в магнітопроводі; Вмах - магнітна індукція; J - щільність струму; Кок - коефіцієнт заповнення вікна; Кст - коефіцієнт заповнення магнітопровода сталлю; Величини електромагнітних навантажень Вмах і J залежать від потужності, що знімається з вторинної обмотки трансформатора ланцюга, і беруться для розрахунків з таблиць. Для даного трансформатора вони мають наступні значення: Вмах =1,7 Тл; J=5 А/мм2 ; Коефіцієнт заповнення перерізу магнітопроводу сталлю Кст та коефіцієнт заповнення вікна Кок залежать від товщини сталі, конструкції магнітопроводу (пластинчаста, стрічкова) і способу ізоляції пластин або стрічок один від одного. Величини коефіцієнтів Кст та Кок також є табличними і для даного трансформатора вони дорівнюють: Кст =0,85; Кок =0,2. Маючи значення всіх потрібних коефіцієнтів визначаємо розміри магнітопровода:
Величину номінального струму первинної обмотки знаходимо за формулою:
Де величини η і cosφ трансформатора, що входять у вираз, залежать від потужності трансформатора і можуть бути орієнтовно визначені з таблиць. Для даного трансформатора вони мають значення: η=0,8; cosφ=0,9.
Визначимо струм вторинної обмотки за формулою:
Тепер можна визначити діаметр проводів в кожній обмотці без урахування товщини ізоляції. Переріз проводу в обмотці: Sпр1 = I1 /J=0,063/5=0,013 мм2 ; Sпр2 = I2 /J=0,83/5=0,17 мм2 . Діаметр проводів:
Визначаємо число витків в обмотках трансформатора:
Де: n - номер обмотки; dU - падіння напруги в обмотках, виражене у відсотках від номінального значення. Значення цього параметру береться з таблиць.
3.3.2 Вибір трансформатора вольтододачі Зазвичай в реальних пристроях трансформатори вольтододачі розраховані на 10-20% від вхідної напруги, але для наочності та зручності оберемо трансформатор с коефіцієнтом передачі n=1 та напругою UW 1 =UW 2 =12 B. розрахунок трансформатора вольтододачі можна провести аналогічно пункту 3.3.1 при умові максимального навантаження, коли кут регулювання α наплижається до нуля. 3.3.3 Розрахунок симісторів Спочатку проведемо розрахунок симістора VS1. Будемо розглядати ситуацію, найгіршу для експлуатації симістора, а саме коли він постійно відкритий, тобто α=0. Розрахунок зводиться до вибору симістора за струмом, який він здатний пропускати. струм через симістор VS1 буде дорівнювати відношенню напруги вторинної обмотки U2 =12 В до навантаження Rн =50 Ом. Отже маємо:
Напруга, яку він має витримувати дорівнює напрузі його запирання, тобто напрузі на вторинній обмотці трансформатора TV2 UW 2 =12 В. Тепер розрахуємо симістор VS2 для його найгірших умов, коли він постійно відкритий, тобто α=0о . Струм через VS2, буде проходити такий самий, як і через VS1, I=0,24 A. Напруга на ньому буде дорівнювати напрузі вторинної обмотки трансформатора TV1 U2 =12 B. Отримані параметри дозволяють використовувати оптосимістор MOC3061 з вихідним струмом І=1 А та вихідною напругою U=600 В. Застосування оптосимістора замість симістора значно спрощує схему керування, оскільки в одному елементі об’єднані керований елемент та опторозв’язка до нього. Також пропадає проблема з розробкою вузла комутації для симістора. 3.3.4 Розрахунок елементів системи керування Оберемо номінали резисторів R1 та R2 . Максимальна напруга на виході трансформатора 15 В, а АЦП мікроконтролера живиться від напруги 5 В, тому відношення значень опорів R2 :R1 =3:1. Обираємо R1 =1 кОм та R2 =3 кОм. До діода VD особливих вимог немає, тому обираємо діод 1N1004. Резистори R4
та R5
призначені для обмеження струму, що потрапляє на світло діод оптосимістора. Максимальний струм, який може пропустити через себе даний світло діод 20 мА, падіння напруги на ньому 1 В, тому Значення ємностей С1 та С2 повинні бути якомога більшими, тому обираємо їх рівними 1000 мкФ. Значення ємності С3 обираємо 1 мкФ. В якості стабілізатора напруги для мікроконтролера обираємо LM7805.
4. Охорона праці Вступ Метою даного дипломного проектування є розробка та створення лабораторного макету регулятора змінної напруги з вольтодобавкою. Розглянемо умови праці інженера електроніки при експлуатації розроблювального пристрою в робочому приміщенні на ЦМДІ “Навігації та управління”. Робочим місцем для даного пристрою є кімната 4 × 6 м2 . Аналіз шкідливих факторів Розглянемо шкідливі фактори, які впливають на працівника погіршуючи його здоров’я. Серед подібних факторів можна виділити наступні: - Мікроклімат виробничих приміщень. Згідно ДСН 3.3.6.042-99 визначаємо наступні параметри: категорія робіт - Іа (сидяча робота з незначними фізичними навантаженнями), період року - холодний. Зведемо оптимальні і допустимі параметри мікроклімату для таких умов в таблицю 3.1.1. Туди ж занесемо і фактично виміряні параметри. Таблиця 3.1.1 Оптимальні, допустимі і фактичні параметри мікроклімату.
Висновок: Абсолютно всі параметри мікроклімату в нормі. - Шкідливі речовини в повітрі робочої зони . Оскільки в приміщенні де працює даний прилад ніяких виробничих операцій не відбувається, то жодної шкідливої речовини в повітрі не міститься. Приміщення регулярно вентилюється, вентиляція – природна. - Освітлення Згідно до ДБН В – 2 – 05 – 2006 освітленість приміщення має становити не нижче 300 лк. Приміщення освітлюється природнім та штучним освітленням, яке було встановлено згідно з санітарними нормами. - Шум, вібрація, інфразвук, ультразвук Згідно з ДСН 3- 32-37-99 рівень звукових коливань на робочому місці не може перевищувати 50 дБАекв. На робочому місці дані норми виконуються. - Виробничі випромінювання Пристрій містить магнітний елемент – понижуючий малопотужний трансформатор. Його конструкція забезпечує майже повне замикання магнітного потоку в середині сердечника. Але його частина (менше 1%) виходить на зовні. Для захисту від можливого негативного впливу цього випромінювання достатньо аби зарядний пристрій знаходився на відстані більше 50 см від робочого місця. - Електробезпека На робочому місці присутні таки електроприлади: ПК, електролампа. Ці пристрою згідно техніки безпеки заземлені, дроти за ізольовані. Ці прилади живляться від мережі 220В, 50 Гц. Кількість нещасних випадкiв з смертельним наслідком при електpотpавматизмі найбiльше (складає близько 40 %), при загальній кількості біля 1%. Виникнення електротpавм може бути викликано:дотиком до частин, що проводять струм; дотиком до апаратiв, що знаходяться у аварiйному режимi;попаданням пiд напругу кроку;наближенням до апаратiв високої напруги (поразка електричною дугою). Електротравми бувають: 1. Мiсцевi електричні травми - електричні опiки, електричні знаки або мiтки (круглi або овальні плями на тiлi у мiсцях входу та виходу електричного струму), металізація шкiри, електроофтальмію (опiк роговиці очей). 2. Загальнi - електричний удар, при якому вражається весь органiзм через порушення ноpмальної дiяльностi життєво важливих органiв. Проявляється у виглядi фібриляції серця хаотичного скорочення волокон серцевих м’язів), зупинки дихання та електричного шоку - своєрідна нервово-рефлекторна реакція організму у відповідь на сильне роздратування електричним струмом. Згідно ПУЕ приміщення по характеру навколишнього середовища поділяють на: нормальні, сухі, вологі, сирі, особливо сирі, жарові, пилові, та з хімічно активною середовищем. До сухих відносяться приміщення, відносна вологість яких не привищує 60%. Вологими вважаються приміщення, в яких волога виділяється непостійно а в невеликих кількостях, а відносна вологість складаю більш 60-70%. Сирими ї приміщення , відносна вологість яких довгий час привищує 76%. Особливо сирими називаються приміщення, відносна вологість яких близька до 100% (стеля, стіни, підлога покриті вологою). До жарких відносяться приміщення, температура яких під дією різних теплових випромінювань перевищує постійно чи періодично (більш доби) +300С. Пиловими вважаються приміщення, у яких по умовам виробництва виділяється технологічний пил у такій кількості , що може осідати на проводах , проникати в середину машин апаратів і т. п. Пилові приміщення поділяють на приміщення з струмопроводячим та неструмопроводячим пилом. В приміщеннях з хімічною активним чи органічним середовищем постійно чи на протязі тривалого часу мають місце агресивні пари, гази, рідини які діють на ізоляцію та струмоведучі частини електрообладнання. Згiдно ПУЕ мережi дiляться:- по напрузi: до 1000В (~220В; ~380В) та бiльш 1000В (6, 10, 35, 110, 220кВ і т. п.)- по кiлькостi фаз: однофазні та багатофазні; - по кiлькостi проводiв: одно, 2-х, 3-х та 4-х пpоводові;- по режиму нейтpалі трансформатора напруги: з ізольованою та заземленою нейтpаллю трансформатора напруги. Дане приміщення має категорію В по пожежній безпеці. Його класифікація П2А. - Пожежна безпека Вимоги щодо конструктивних та планувальних рішень промислових об'єктів, а також інших питань забезпечення їхньої пожежо- та вибухобезпеки значною мірою визначаються категорією приміщень та будівель за вибухопожежною та пожежною небезпекою. Визначення категорії приміщення проводиться з урахуванням показників пожежовибухонебезпечності речовин та матеріалів, що там знаходяться (використовуються) та їх кількості. Відповідно до ОНТП 24-86 приміщення за вибухопожежною та пожежною небезпекою поділяються на п'ять категорій (А, Б, В, Г, Д). Категорія А. Горючі гази, легкозаймисті рідини з температурою спалаху не більше 28 °С в такій кількості, що можуть утворюватися вибухонебезпечні парогазоповітряні суміші, при спалахуванні котрих розвивається розрахунковий надлишковий тиск вибуху в приміщенні, що перевищує 5 кПа. Речовини та матеріали, здатні вибухати та горіти при взаємодії з водою, киснем повітря або одне з одним в такій кількості, що розрахунковий надлишковий тиск вибуху в приміщенні перевищує 5 кПа. Категорія Б. Горючий пил або волокна, легкозаймисті рідини з температурою спалаху більше 28 °С та горючі рідини в такій кількості, що можуть утворюватися вибухонебезпечні пилоповітряні або пароповітряні суміші, при спалахуванні котрих розвивається розрахунковий надлишковий тиск вибуху в приміщенні, що перевищує 5 кПа. Категорія В. Горючі та важкогорючі рідини, тверді горючі та важкогорючі речовини і матеріали, речовини та матеріали, здатні при взаємодії з водою, киснем повітря або одне з одним лише горіти за умови, що приміщення, в яких вони знаходяться, або використовуються, не відносяться до категорій А та Б. Категорія Г. Негорючі речовини та матеріали в гарячому, розжареному або розплавленому стані, процес обробки яких супроводжується виділенням променистого тепла, іскор, полум'я; горючі гази, рідини, тверді речовини, які спалюються або утилізуються як паливо. Категорія Д. Негорючі речовини та матеріали в холодному стані. В основу розрахункового методу визначення категорій вибухопожежної та пожежної небезпеки виробничих приміщень покладено енергетичний підхід, що полягає в оцінці розрахункового надлишкового тиску вибуху в порівнянні з допустимим. Дане робоче приміщення є приміщенням типу П2а. З метою попередження виникнення пожежі в приміщенні необхідно встановити порошкову систему пожежегасіння типу «Спрут-15» («Фактор», Україна). З ціллю проведення аналізу умов роботи у робочому кабінеті було зроблено: - оцінку параметрів робочого приміщення; - аналіз мікрокліматичних умов та забрудненості повітряного середовища; - аналіз шумів та вібрацій; - аналіз освітлення; - оцінка електробезпеки; - аналіз пожежної безпеки приміщення. Так як параметри мікроклімату перебувають близько до нормативних значень, для більшої відповідності необхідно встановити в приміщенні автономний кондиціонер, що здійснює підігрів/охолодження й зволоження/сушіння. Висновки В даній роботі було розроблено регулятор змінної напруги з вольтододачею. Розроблений регулятор має переваги перед іншими типами регуляторів змінної напруги за рахунок того, що трансформатор вольтодобавки розраховується не на повну потужність, а лише на потужність вольтододачі, що значно зменшує його габарити та вартість. А наявність невеликої кількості керованих елементів дозволяє створити досить просту схему керування. При виконанні дипломної роботи мною було: а) Вивчено принципи роботи та конструювання регуляторів змінної напруги; б) Розроблено електричну схему регулятора; в) Створено робочий макет. |
|||||||||||||||||||||||||||||||||||||||||||||||||||||||||||||||||||||||||||||||














Базові схеми регуляторів 
















