Курсовая работа: Параметри підсилювача потужності звукових частот
|
Название: Параметри підсилювача потужності звукових частот Раздел: Рефераты по физике Тип: курсовая работа | ||||||||||||||||||||||||||||||||||||||||||||||||||||||||||||||||||||||||||||||||||||||||||||||||||||||||||||||||||||||||||||||||||||||||||||||||||||||||||||||||||||||||||||||||||||||||||||||||||||||||||||||||||||||||||||||||||||||||||||||||||||||||||||||||||||||||||||||||||||||||||||||||||||||||||||||||||||||||||||||||||||||||||||||||||||||||||||||||||||||||||||||||||||||||||||||||||||||||||||||||||||||||||||||||||||||||||||||||||||||||||||||||||||||||||||||||||||||||||||||||||||||||||||||||||||||||||||||||||||||||||||||||||||||||||||||||||||||||||||||||||
| РЕФЕРАТ Пояснювальна записка: 57 с, 8 таблиці, 6 рисунків, 5 додатків, 13 джерел. Об’єкт дослідження –– підсилювач потужності звукових частот (ППЗЧ). Мета проекту – відпрацювати методику розрахунку параметрів підсилювачів потужності звукових частот. Метод дослідження – розрахунково-аналітичний, з використанням стандартних пакетів: Mathcad 2001, rusplan_4.0. В курсовому проекті розраховані параметри підсилювача потужності звукових частот, проведений попередній розрахунок та вибір структурної схеми, вибрані та розраховані каскади підсилювача потужності: вхідний простий диференційний каскад з транзисторним джерелом струму, передкінцевий каскад – підсилювач напруги, що додає суттєвий внесок до коефіцієнта підсилення підсилювача і прикінцевий каскад, працюючий на комплексне навантаження на складених комплементарних транзисторах. Основні техніко-експлуатаційні показники: надійність, оптимальні електричні показники, захист по струму. СТРУМ, ОПІР, НАПРУГА, ПОТУЖНІСТЬ, ПІДСИЛЕННЯ, ЄМНІСТЬ, ТРАНЗИСТОР, БАЗА, ЕМІТЕР, КОЛЕКТОР, ЧАСТОТА, НАВАНТАЖЕННЯ, СПОТВОРЕННЯ, СИГНАЛ, КОЕФІЦІЄНТ ПІДСИЛЕННЯ, КОЕФІЦІЄНТ КОРИСНОЇ ДІЇ, ДЖЕРЕЛО ЖИВЛЕННЯ, ЗВОРОТНІЙ ЗВ'ЯЗОК. ЗМІСТ Завдання на проект Реферат Перелік скорочень Вступ 1. Попередній розрахунок 1.1 Розрахунок коефіцієнту підсилення з напруги 1.2 Розрахунок кількості каскадів 1.3 Попередній розподіл лінійних спотворень між каскадами 2 Електричний розрахунок ППЗЧ на дискретних елементах 2.1 Обґрунтування вибору схеми електричної принципової 2.2 Розрахунок вихідного каскаду 2.3 Вибір транзисторів вихідного каскаду 2.4 Розрахунок базового кола транзисторів вихідного каскаду 2.5 Попередній розрахунок колекторного кола передкінцевого каскаду 2.6 Вибір транзисторів для передкінцевого каскаду 2.7Остаточний розрахунок колекторного кола передкінцевого каскаду 2.8 Розрахунок базового кола передкінцевого каскаду 2.9 Розрахунок першого каскаду підсилення з напруги 2.10 Розрахунок ланцюга від’ємного зворотного зв’язку 2.11 Остаточний розрахунок вхідного диференційного каскаду 2.12 Розрахунок кіл захисту вихідного каскаду 2.13 Розрахунок номіналів конденсаторів 2.14 Вимоги до джерела живлення 2.15 Розрахунок підсумкових характеристик підсилювача 2.16 Розрахунок компенсатора Цобеля-Буше 3 Електричний розрахунок ППЗЧ на інтегральних мікросхемах 3.1 Вибір елементів підсилення схеми 3.2 Розрахунок додаткових елементів ОП 3.3 Розрахунок параметричного стабілізатора Висновок Перелік посилань Додаток А Схема електрична принципова підсилювача на дискретних елементах Додаток Б Перелік елементів Додаток В Типова схема включення STK085 Додаток Г Схема електрична принципова підсилювача на мікросхемах Додаток Д Перелік елементів ПЕРЕЛІК СКОРОЧЕНЬ БТП – безтрансформаторний транзисторний підсилювач; ВАХ – вольт-амперна характеристика; ВЗЗ – від’ємний зворотній зв'язок; ВЧ – високі частоти; ДНЧ – діапазон нижніх частот; ДСС – джерело стабільного струму; ДК – диференційний каскад; ЕЗ – елемент зв’язку; ЕРС – електрорухівна сила; ЗЗ – зворотній зв'язок; Кдіф – коефіцієнт підсилення диференційного сигналу; ККД – коефіцієнт корисної дії; КОСС– коефіцієнт ослаблення синфазних сигналів; НЧ – низькі частоти; ОП – операційний підсилювач; ПЕ – підсилювальний елемент; ПНЧ – підсилювач низьких частот; ПП – підсилювач потужності; ППЗЧ – підсилювач потужності звукових частот; СЕ – спільний емітер; СК – спільний колектор. ВСТУП
Електронні підсилювачі низької частоти (ПНЧ) призначені для підсилення сигналів змінного струму. Вони використовуються в різноманітних за призначенням технічних пристроях, тому розрізняються по смузі робочих частот, по характеру навантаження, за умовами застосування. Особливості ПНЧ, вимоги до їх показників багато в чому визначаються характером навантаження і умовами їх застосування. Навантаження в переважній більшості випадків носить комплексний характер, будучи електромагнітним або електростатичним пристроєм. Умови застосування ПНЧ визначають діапазон змін температур навколишнього середовища, в якому підсилювач повинен зберігати повну працездатність. Підсилювачі характеризуються різними конструктивними і енергетичними показниками. Найважливішими з них є коефіцієнт підсилення по напрузі (струму, потужності і, його стабільність, смуга робочих частот, коефіцієнт частотних спотворень, кут зрушення фази між вхідним і вихідним сигналом, вхідний і вихідний опір, коефіцієнт нелінійних спотворень. Про такі показники ПНЧ можна сказати наступне. Якщо в підсилювачі не передбачені спеціальні заходи стабілізації, то його коефіцієнт підсилення може змінитися в широких межах через великий технічний розкид параметрів транзисторів. Транзисторні підсилювачі мають порівняно невелику верхню граничну частоту підсилення, якщо в кінцевому каскаді використаний потужний транзистор. Разом з комплексними ланцюгами зв'язку це приводить до значних частотних спотворень сигналу що підсилюється. Не лінійність вольт-амперних характеристик транзистора є джерелом великих нелінійних спотворень на виході підсилювача. Фізичні властивості транзистора як підсилювального елементу визначають низький вхідний і високий (при роботі транзистора в активній області) вихідний опір підсилювального каскаду. Вхідне коло підсилювача передає підсилений сигнал у навантаження. У багатьох випадках зручно подавати живлення в навантаження або від джерела струму (внутрішній опір підсилювача прагне до нескінченності), або від джерела напруги (внутрішній опір підсилювача близький до нуля). Інакше кажучи, одному з практичних завдань при проектуванні підсилювача є зміни його вхідного опору. Вимоги підвищення точності роботи системи в різних кліматичних пристроях змушують стабілізувати коефіцієнт підсилення. У підсилювачах, що працюють в радіотехнічних системах, завжди жорсткі вимоги пред'являються до частотних спотворень. Зазвичай, без спеціальних заходів, транзисторні підсилювачі не відповідають цим вимогам. Таким чином, умови застосування транзисторних підсилювачів в різних електронних пристроях намічають певну спрямованість в зміні властивостей ПНЧ. Ці завдання ускладнюються вимогами збереження працездатності підсилювача в широкому температурному діапазоні навколишнього середовища і значним технічним розкидом параметрів транзисторів. Оптимізація вибору складових компонентів у ПНЧ полягає в тому, що при проектуванні підсилювача слід використовувати такі елементи, щоб їх параметри забезпечували максимальну ефективність пристрою згідно заданих характеристик, а також його економічність з погляду витрати енергії живлення і собівартості компонентів які до нього входять. 1. ПОПЕРЕДНІЙ РОЗРАХУНОК [2] Розглянемо структурну схему підсилювача потужності звукової частоти наведену на рисунку 1.1[3]. Незважаючи на різноманітність схем транзисторних підсилювачів потужності звукової частоти , принципи їхньої побудови практично однакові.
Рисунок 1.1(Схема структурна підсилювача потужності звукової частоти) Зі схеми видно, що сигнал від джерела сигналу подається на вхідний каскад підсилювача. Вх.К - вхідний каскад здійснює передачу вхідного сигналу від джерела у вхідне коло першого каскаду. Основною функцією вхідного каскаду є забезпечення необхідного вхідного опору та деякого коефіцієнта підсилення. Відповідно, при виборі вхідного каскаду слід орієнтуватися на наступні дані: Схема із загальним емітером має вхідний опір, рівний 103 ..104 Ом, схема із загальним колектором – 104 ..105 Ом, диференціальний підсилювач на біполярних транзисторах – 103 ..104 Ом, підсилювальний каскад на польовому транзисторі – 105 ..107 Ом. При цьому слід враховувати зниження або підвищення вхідного опору за рахунок введення зворотних зв'язків. КПП - каскад попереднього підсилення призначений для підсилення напруги, струму і потужності до значення, необхідного для подачі на вхід підсилювача потужності. Кількість каскадів попереднього підсилення визначається необхідним коефіцієнтом підсилення. ПП - каскад підсилення потужності повинен забезпечити подачу в навантаження заданої потужності сигналу при мінімальних спотвореннях його форми. НЗЗ - Негативний зворотній зв'язок призначений для стабілізації режиму за постійнім струмом, забезпечення необхідного коефіцієнта підсилення, а також зниження коефіцієнта нелінійних спотворень. Здійснюється вона шляхом передачі сигналу з вихідного кола у вхідне в протифазі, тобто вихідний сигнал віднімається з вхідного. СЗ - схема захисту вихідного каскаду від перенавантаження та короткого замикання в навантаженні. 1.1 Розрахунок коефіцієнту підсилення з напруги [2]. 1.1.1 Розраховуючи коефіцієнт підсилення за напругою ППЗЧ, треба прийняти до уваги послаблення сигналу у вхідному колі першого каскаду. Для розрахунку потрібні наступні дані, взяті з технічного завдання:
Коефіцієнт підсилення вхідного кола розрахуємо так:
де: Rдж – вихідний опір джерела сигналу, (Rдж =47кОм); Rвх – типове значення вхідного опору вхідного каскаду зі спільним колектором та для підсилювача з ВЗЗ, (Rвх =5 кОм). 1.1.2 Визначимо напругу на виході підсилювача, тобто у навантаженні.
де Рн – потужність, яку має забезпечити ПНЧ; Rн – опір навантаження.
Визначимо необхідний коефіцієнт підсилення за напругою з урахуванням кола зворотнього зв’язку:
1.2 Розрахунок кількості каскадів [2].
Обираємо n=2, тобто схема підсилювача буде складатися з двох каскадів. 1.3 Попередній розподіл лінійних спотворень між каскадами [2] У технічному завданні висуваються вимоги до верхньої робочої частоти fв та рівня лінійних спотворень Мв на цій частоті. За кількістю каскадів nк рівень АЧХ кожного ланцюга, що вносить спотворення на частоті fв у логарифмічних одиницях визначається так:
У разах:
2. ЕЛЕКТРИЧНИЙ РОЗРАХУНОК ППЗЧ НА ДИСКРЕТНИХ ЕЛЕМЕНТАХ 2.1 Обґрунтування вибору схеми електричної принципової За своїм призначенням підсилювачі умовно поділяються на підсилювачі напруги, підсилювачі струму і підсилювачі потужності. Якщо основна вимога пристрою - підсилення вхідної напруги до необхідного рівня, то такий підсилювач відноситься до підсилювачів напруги. Якщо посилення вхідного струму до потрібного рівня, то такий підсилювач відносять до підсилювачів струму. В підсилювачах напруги і підсилювачах струму одночасно відбувається посилення потужності сигналу. У підсилювачах потужності, на відміну від підсилювачів напруги і струму потрібно забезпечити в навантаженні заданий рівень сигналу. Підсилювачі діляться на транзисторні, лампові, інтегральні, параметричні та ін. На даний час в підсилювачах частіше використовуються польові, біполярні транзистори, або інтегральні схеми. Значно рідше застосовуються активні елементи у вигляді нелінійних ємностей або індуктивностей і спеціальні типи напівпровідникових діодів. З урахуванням вимог до функціональних вузлів схеми підсилювача, (наведених у пункті 1.1), вибираємо схеми відповідних каскадів. Режим роботи підсилювача визначається початковим положенням робочої точки на крізній динамічній характеристиці підсилювального елементу, тобто на характеристиці залежності вихідного струму підсилювального елементу від ЕРС вхідного сигналу. Розглянемо три основні режими роботи - режими А, В, С. У режимі А робоча точка вибирається на середині прямолінійної ділянки крізної динамічної характеристики. Вихідний сигнал практично повторює форму вхідного сигналу при відносно невеликій величині останнього. Нелінійні спотворення при цьому мінімальні. Струм у вихідному ланцюзі існує протягом всього періоду вхідного сигналу. При цьому середнє значення вихідного струму велике по порівняно з амплітудою його змінної складової. Тому ККД каскаду невисокий - 20-30%. У режимі В робоча точка вибирається так, щоб струм крізь підсилювальний елемент протікав тільки в перебігу половини періоду вхідного сигналу. Струм спокою із-за нижнього вигину наскрізної характеристики виявляється не рівним нулю, і форма вихідного струму спотворюється(з’являється сходинка) щодо вхідного. У кривої струму з'являються вищі гармоніки, що приводить до збільшення нелінійних спотворень в порівнянні з режимом А. Середнє значення вихідного струму зменшується, внаслідок чого ККД каскаду досягає 60-70%. Існує ще проміжний режим АВ, коли робоча точка вибирається на крізній характеристиці нижче, ніж точка А і вище, ніж в режимі В. Тому і показники цього режиму мають проміжне значення між режимами А і В - ККД 40-50% при невисокому рівні нелінійних спотворень. [5] Каскади попереднього посилення - каскади на біполярних транзисторах, включені за схемою із загальним емітером (ЗЕ), що працює в режимі А. У БТП існують два параметри, нестабільність яких позначається на роботі усього підсилювача - це струм та напруга спокою транзисторів прикінцевого каскаду. Нестабільність колекторного струму у загальному випадку залежить від: нестабільності зворотнього або теплового струму колектора DІКБ0 ; нестабільності напруги між базою та емітером DUбе ; нестабільності коефіцієнта передачі струму Усі перелічені джерела нестабільності колекторного струму залежать від температури, причому у досить складному вигляді. У звичайних підсилювальних каскадах для зменшення коефіцієнта нестабільності збільшують опір резистора емітерної стабілізації Rе [2]. У прикінцевому каскаді збільшувати Rе небажано, оскільки через це зменшується ККД каскаду. Тому для стабілізації струму спокою транзисторів прикінцевого каскаду використаємо схему транзисторної стабілізації рисунок 2.1 [4] :
Рисунок 2.1(Схема завдання зсуву двотактного вихідного каскаду для зменшення перехідних спотворювань і підвищення температурної стабільності.) Транзистор Т4 працює як регульований діод: базові резистори утворюють дільник напруги, завдяки якому напруга між колектором й емітером Т4 стабілізується при значенні, пропорційному напрузі між базою й емітером. При збільшенні напруги Uке транзистор переходить у режим більшої провідності, і навпаки. У даній схемі колекторний резистор транзистора Т1 замінений джерелом струму . Цей різновид схеми з успіхом використають на практиці. Справа в тому, що за допомогою резистора буває іноді важко одержати потрібний базовий струм для транзистора Т2 при значеннях сигналу, близьких до максимального. Для того, щоб задовольнити вимоги з боку транзистора Т2, резистор повинен бути невеликим, але тоді більшим буде колекторний струм спокою транзистора Т1, а коефіцієнт підсилення по напрузі також буде невеликим. Завдяки великому вихідному опору при рівному струмі спокою джерела постійного струму дозволяють одержати більше підсилення напруги. Однак недолік такої заміни полягає в тому, що вона збільшує шумові струми. Як вхідний каскад краще вибрати диференціальний каскад (рисунок 2.2) підсилювач з несиметричним виходом [3]. Даний каскад має велику перевантажену властивість як по струму, так і по напрузі, має малі нелінійні спотворення.
Рисунок 2.2(Диференціальний підсилювач зі струмовим дзеркалом у якості активного навантаження й підвищення КОСС диференціального підсилювача за допомогою джерела струму.) Диференціальна схема забезпечує компенсацію температурного дрейфу, і, навіть коли один вхід заземлений при зміні температури транзисторів, напруги Uбе змінюються на однакову величину, при цьому не відбувається ніяких змін на виході й не порушується балансування схеми. Це значить, що зміна напруги Uбе не підсилюється з коефіцієнтом Кдіф (його посилення визначається коефіцієнтом Ксінф, який можна зменшити майже до нуля). Для збільшення коефіцієнта ослаблення синфазних сигналів КОСС в емітерному колі диференціального каскаду встановлюється джерело постійного струму. Іноді бажано, щоб однокаскадний диференціальний підсилювач, як і простий підсилювач із заземленим емітером, мав великий коефіцієнт підсилення. Гарне рішення дає використання струмового дзеркала, як активне навантаження підсилювача. Тим самим забезпечується високе значення опору колекторного навантаження, завдяки цьому коефіцієнт підсилення з напруги досягає 5000 і вище за умови, що навантаження на виході підсилювача відсутнє. Можна виділити наступні типи зв'язку між окремими підсилювальними каскадами: гальванічний (безпосередній); ємнісний; трансформаторний; за допомогою частотно-залежних ланцюгів. Зворотний зв'язок (ЗЗ) називають негативним, якщо його сигнал віднімається з вхідного сигналу, і позитивним, якщо сигнал ЗЗ підсумовується з вхідним. При негативному ЗЗ коефіцієнт посилення зменшується, а при позитивному - збільшується. Із-за схемних особливостей підсилювача в ланцюзі ЗЗ можливі варіанти, коли ЗЗ існує тільки для сигналу, що поволі змінюється, або тільки для змінної складової його, або всього сигналу. У цих випадках говорять, що зворотний зв'язок здійснений за постійним, та за змінним струмом. Міжкаскадний зв'язок краще вибрати гальванічним, оскільки він не вносить нелінійних спотворень.[6] Дуже часто для запобігання руйнування транзисторів у вихідних каскадах, до якого може призвести коротке замикання в схемі або її самозбудження, застосовують спеціальні схеми, що дозволяють обмежувати максимальний струм транзистора на визначеному рівні. Принцип роботи цих схем заснований на оцінці струму в колі емітера вихідного транзистора й обмеженні напруги переходу база- емітер [3]. Схема такого захисту наведена на рисунку 2.3:
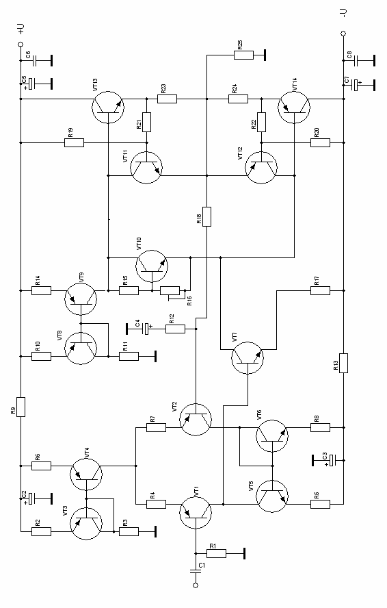
Рисунок 2.3(Схема захисту прикінцевого каскаду) Після детального вибору кожного з каскадів зобразимо схему електричну принципову [додаток А.]. Вхідний каскад зібраний на транзисторах VT1, VT2 включених за схемою диференційного підсилювача. Підсилювач стабілізується двома підсилювачами струму, зібраними на VT3, VT4 та VT5, VT6, що дає змогу одержати великий коефіцієнт підсилення за струмом і отримати малі нелінійні спотворення. Каскад попереднього підсилення зібран на транзисторі VT7 ввімкнутому за схемою із загальним емітером. Вихідний каскад зібраний за схемою двотактного підсилювача потужності на транзисторах VT13 – VT14. Транзистор VT10 в діодному включенні та підсилювач постійного струму VT9, VT8 і резистор R17 утворюють коло зсуву. Захист зі струму зібраний на транзисторах VT11 і VT12 і резисторах R19 - R22 , призначених для відмикання спільних транзисторів при перевищенні струмів колекторів VT13 і VT14. Резистор R12 і R18 та ємність С4 утворює коло негативного зворотного зв'язку за струмом. Конденсатор C1 розділяє вхідне коло підсилювача і коло джерела сигналу з постійного струму. Кола C2, R9 та С3, R13 є фільтром. 2.2 Розрахунок вихідного каскаду[2] Визначимо потужність, яку має забезпечити вихідний каскад:
Визначимо необхідну амплітуду колекторного струму:
Необхідну амплітуду напруги в навантаженні знайдемо:
Розрахуємо опори резисторів емітерної стабілізації (R23, R24 - резистори місцевого зворотнього зв’язку). R23 = R24 = 0,05 · Rн (2.4) R23 = R24 = 0,05 · 8 = 0,4(Ом) Потужність резисторів R 23 та R 24 :
Де значення Iксер розраховане згідно (2.10) тому R23 та R24 обираємо потужністю 2 Вт кожен. Оскільки передкінцевий каскад має активне навантаження – джерело стабільного струму (VT8, VT9 додаток А). Необхідна напруга джерела живлення визначається за максимальною вихідною напругою
|
||||||||||||||||||||||||||||||||||||||||||||||||||||||||||||||||||||||||||||||||||||||||||||||||||||||||||||||||||||||||||||||||||||||||||||||||||||||||||||||||||||||||||||||||||||||||||||||||||||||||||||||||||||||||||||||||||||||||||||||||||||||||||||||||||||||||||||||||||||||||||||||||||||||||||||||||||||||||||||||||||||||||||||||||||||||||||||||||||||||||||||||||||||||||||||||||||||||||||||||||||||||||||||||||||||||||||||||||||||||||||||||||||||||||||||||||||||||||||||||||||||||||||||||||||||||||||||||||||||||||||||||||||||||||||||||||||||||||||||||||||
| a0 |
- |
коефіцієнт сталої складової a0 =f(q); |
| q |
- |
кут відсікання, деякі значення для якого надані у табл. 2.1: |
| Таблиця 2.1 Значення параметрів q, a, a0 |
||||||||
|
|
Q° |
|
|
Q° |
|
|
Q° |
|
| 0 |
90° |
0,319 |
0,1 |
96,5° |
0,338 |
0,2 |
104,5 ° |
0,362 |
| 0,05 |
93° |
0,328 |
0,12 |
98° |
0,343 |
0,25 |
109,5 ° |
0,379 |
| 0,08 |
95° |
0,334 |
0,15 |
100° |
0,35 |
0,3 |
115,5 ° |
0,393 |
![]()
Середнє значення струму, що споживається транзистором у номінальному режимі:
(2.10)
![]()
Потужність споживання від джерела живлення:
(2.11)
![]()
Коефіцієнт корисної дії:
(2.12)

2.3 Вибір транзисторів вихідного каскаду.[2]
Вибір транзисторів за припустимою потужністю розсіювання Рк max .
З урахуванням комплексного імпедансу навантаження (з точки зору підвищення надійності) величину Рк max треба збільшити у 1.8 - 3 рази, тобто
(2.13)
![]()
Сумарний тепловий опір вихідних транзисторів Rt (враховуючи опори радіаторів) визначають як
, (2.14)
| де: |
Tmax =175°C |
- |
максимальна температура кристалу; |
| Tc ер |
- |
максимальна температура навколишнього середовища (найчастіше Tcер =50°С). |

Щоб із довідника обрати транзистор за його потужністю треба розрахувати максимальне значення потужності (
), що розсіюється за температури корпусу транзистора Т=25°С.
(2.15)
де Rкп =Rt -Rp – тепловий опір транзистора перехід-корпус,
де Rp – тепловий опір радіатор-середовище (обирається у межах (1...4) К/Вт. Причому, чим менше число Rp , тим більша площа тепловідводу. обираємо Rp = 1 К/Вт:
Rкп =2,4 - 1=1,4 (К/Вт)
Таким чином:

Вибір транзисторів за максимальною колекторною напругою.
Максимальна напруга на колекторі
, що складається з половини напруги джерела живлення Еж
і амплітуди вихідної напруги Uвих
, не має перевищувати допустимої:
(2.16)
![]()
Вибір транзисторів за величиною струму колектора..
Враховуючи комплексний характер імпедансу гучномовців, що є навантаженням для вихідного каскаду підсилювача, який призводить до виникнення кидків струму, Ік доп рекомендується збільшити у 2,5…3 рази і проводити вибір транзистора за такою умовою:
(2.18)
![]()
Вибір транзисторів за частотними властивостями.
(2.19)
частотні спотворення, що вносять транзистори вихідного каскаду на верхній робочій частоті, не повинні перевищувати 0,2…0,5 дБ.
![]()
За визначеними даними:
Рк,25 ≥ 120Вт;
Uке доп ≥ 80В;
Ік доп ≥ 10А;
fгр ≥ 100кГц
Обираємо пару потужних комплементарних транзисторів КТ827А та 2Т825А з різними структурами [8]. Їхні параметри зведено до таблиці 2.2.
Таблиця 2.2 Параметри транзисторів вихідного каскаду.
| Транзистор |
КТ827А |
2Т825А |
| Параметр |
||
| перехід Uке доп Iк доп Pк,25 fгр Uке нас h21е min Uбе нас Uбе max Cк Cе Tп max Rт.п.к |
n-p-n 100 В 20 А 125 Вт 4 МГц 2 В 750 2,6...4 В 5 В 400 пФ 350пФ 200 ºС 1,4-10 ºС/Вт |
p-n-p 80 В 20 А 160 Вт 4 МГц 2 В 750 5 В 5 В 600 пФ 600 пФ 175 ºС 1.2 ºС/Вт |
2.4 Розрахунок базового кола транзисторів вихідного каскаду.[6]
Визначимо початковий та максимальний струми бази:
(2.20)
![]()
(2.21)
Із вхідних характеристик транзистора за значеннями
для середнього значення Uке0
визначаються Uб0
VT
14
, Uб
maxVT
14
Uб0 VT 14 =0,8 В, Uб maxVT 14 = 1,2 В
За цього амплітуда напруги у ланцюгу база-емітер
(2.22)
![]()
а амплітуда струму бази
(2.23)
![]()
Визначається амплітуда вхідної напруги вихідного каскаду за роботи транзисторів у схемі зі СК (тобто амплітуда сигналу між базою і нульовою шиною):
(2.24)
![]()
Розраховуємо вхідний опір вихідного каскаду:
(2.25)

Необхідна вхідна потужність, для роботи вихідного каскаду:
(2.26)
![]()
Коефіцієнт підсилення за потужністю:
(2.27)

Коефіцієнт підсилення за напругою:
(2.28)
![]()
2.5 Попередній розрахунок колекторного кола передкінцевого каскаду[3]
В якості схеми передкінцевого каскаду була обрана схема зі СЕ, що працює в класі А,. В якості навантаження в колі колектора обрано струмове дзеркало. Це зумовлено тим, що такий генератор струму забезпечує високий вхідний опір. Він необхідний для збільшення амплітуди керуючого сигналу на вході прикінцевого каскаду.
Розрахунок колекторного кола передкінцевого каскаду:
Корисна потужність Рн7 , яку віддає транзистор VT7, має бути на 10...20% більшою за потужність Рб VT 14 , що споживається базовим ланцюгом транзисторів вихідного каскаду, оскільки частина потужності витрачається в ланцюгу зміщення:
(2.29)
![]()
Для забезпечення режиму А транзистора передкінцевого каскаду і з урахуванням втрат у колі зміщення вихідного каскаду, амплітуду змінної складової струму колектора VT7 розрахуємо як:
(2.30)
![]()
Визначимо струм спокою транзистора передкінцевого каскаду:
(2.31)
![]()
або
(2.32)
![]()
Обираємо струм спокою транзистора VT7 = 10 мА.
Максимальний струм колектора VT7:
(2.33)
![]()
Розрахуємо амплітуду змінної напруги на колекторі:
(2.34)
![]()
Максимальна напруга між колектором і емітером VT5:
(2.35)
Потужність, що споживається колекторним колом транзистора від джерела живлення:
(2.36)
![]()
Потужність, що розсіюється на колекторі VT7:
. (2.37)
![]()
Граничну частоту транзистора визначимо так :
(2.38)
![]()
2.6 Вибір транзисторів для передкінцевого каскаду
За розрахованими у попередньому розділі (2.5) значеннями:
Iк max ≥ 15,8мА ;
Uке max ≥ 96B;
Pк ≥ 0,96Вт;
fгр ≥ 100 кГц
обираємо передкінцеві транзистори VT7 та VT10 з максимально можливим коефіцієнтом передачі за струмом.
Таким параметрам відповідають транзистори n - p - n структури КТ815Г. Їхні параметри зведено до таблиці 2.3 [13]:
Таблиця 2.3 Параметри транзисторів передкінцевого каскаду.
| Транзистор |
КТ815Г |
| Параметр |
|
| перехід Uке max Uбе max Iк max Pк с доп. тепло відводом Uке нас Uбе нас h21 e m і n fгр Cк |
n-p-n 100 В 5 В 1,5 А 10 Вт 0,6-1,2 В 5В > 40 6 МГц 75пФ |
2.7 Остаточний розрахунок колекторного кола передкінцевого каскаду.[2]
Була обрана схема передкінцевого каскаду з навантаженням у вигляді джерела стабільного струму, тому необхідно провести уточнення і розрахувати опір навантаження.
Для правильного функціювання схеми потрібно, щоб виконувалась наступна умова:
. Це необхідно, щоб транзистор VT 9ДСС
залишався у активній зоні.
Мінімальне значення напруги ДСС.
(2.39)
На практиці
UДСС min ≈ 3...3,5 В,
Uке ≈ 1 В ,
а решта залишається на UR 14 .
R14 та R10 потрібні для симетрії схеми через розкид параметрів і площ кристалів транзисторів струмового дзеркала,
а також для збільшення вихідного опору схеми. Тому обираємо:
UДСС = 3,5 В
Uке = 1 В
UR е = 2,5 В
Струм спокою прикінцевого каскаду:
(2.40)
![]()
Початковий струм ДСС:
(2.41)
![]()
Потужність, що розсіюється на транзисторі VT9 ДСС :
(2.42)
![]()
Потужність розсіювання на транзисторі VT8ДСС дуже мала, оскільки для нього завжди виконується Uке VT 8 =UбеVT9 , тобто
(2.43)
![]()
Вимоги до частотних властивостей транзисторів ДСС:
(2.44)
де
![]()
![]()
За значеннями Р,І,f,U обираємо для джерела стабільного струму пару транзисторів КТ814Г[13]. Їхні параметри зведено до таблиці 2.4
Таблиця 2.4 Параметри транзисторів струмового дзеркала.
| транзистор |
КТ814Г |
| параметр |
|
| перехід Uке max Uбе max Iк max Pк с доп. тепло відводом Uке нас Uбе нас h21 e m і n fгр Cк |
n-p-n 100 В 5 В 1,5 А 10 Вт 0,6-1,2 В 5 В > 40 6 МГц 60пФ |
Розрахунок опорів резисторів R14, R10 та R17в емітерних колах:
(2.45)

Із стандартного 10% ряду обираємо резистори номіналом по 100 Ом і потужністю 0,125 Вт кожен. Розрахунок потужності резисторів:
(2.46)
![]()
Розраховується опір резистора R11:
(2.47)
де Uбе = 0,8 В – напруга зміщення (обрана за ВАХ)

Із стандартного 20% ряду обираємо резистор номіналом 1,8 кОм,
потужністю 2 Вт. Розрахунок потужності резистора:
![]()
Розрахунок транзисторної схеми стабілізації
Струм, що протікає крізь подільник R15,R16 вибирається рівним ![]()
Розрахуємо опори R15 та R16:
(2.48)
Іко VT 10 = 10 мА. Тоді:

(2.49)
де Uбе0 VT 5 = 3 B

Із стандартного 20% ряду обираємо змінний резистор номіналом 3,3 кОм,
потужністю 0,125 Вт. Розрахунок потужності резистора:
![]()
R15 отримаємо від різниці результату формул (2.48) і (2.49)
R15= 3500-3000=500(Ом) (2.50)
Із стандартного 10% ряду обираємо резистор номіналом 510 Ом,
потужністю 0,125 Вт. Розрахунок потужності резистора:
![]()
Знайдемо вихідний опір джерела стабільного струму.
(2.51)
(2.52)
де Uy - потенціал Ерлі =45 (В )

Рисунок 2.4(Знаходження потенціалу Ерлі транзистора КТ814Г )

SVT 9 – крутизна транзистору:
(2.53)

де φt = 25мВ – температурний потенціал
R14 = 100 Ом , тоді:
![]()
Розрахуємо коефіцієнт підсилення за напругою передкінцевого каскаду без зворотнього зв`язку.
Вхідний опір двотактного емітерного повторювача:
(2.54)
де rбе VT 8 = 13 Ом, тоді
![]()
Коефіцієнт підсилення другого каскаду буде:
(2.55)

2.8 Розрахунок базового кола передкінцевого каскаду[2].
Визначимо робочу точку транзистора VT7.
(2.56)

Знайдемо максимальний струм бази VT7:
(2.57)

Визначимо амплітуду змінної складової струму бази:
(2.58)
![]()
Визначимо вхідний опір каскаду на VT7:
(2.59)

Амплітуда змінної напруги на вході другого каскаду:
(2.60)
Корисна потужність яку треба подати у базове коло:
(2.61)
![]()
2.9 Розрахунок вхідного каскаду[3]
В якості першого каскаду підсилення з напруги був обраний диференційний каскад
Розрахунок колекторного кола вхідного каскаду:
Корисна потужність, що вимагається від першого каскаду, повинна з деяким запасом перевищувати вхідну потужність передкінцевого каскаду:
(2.62)
![]()
Амплітуда змінної складової струму колектора:
(2.63)
![]()
Для забезпечення режиму А вхідного каскаду стала складова струму колектора повинна бути
. Якщо
, то обирають
(2.64)
тож ![]()
Максимальне значення колекторного струму:
(2.65)
![]()
Потужність, що споживатиметься від джерела живлення, практично дорівнює потужності розсіювання на колекторі:
(2.66)
![]()
Максимальна напруга між колектором і емітером:
(2.67)
![]()
Значення частоти
визначається аналогічно другому каскаду:
.
Розрахунку вище перерахованих параметрів достатньо для вибору пари транзисторів VT1 та VT2. Обираємо кремнієві транзистори КТ209М.[13]
Таблиця 2.5 Параметри транзисторів вхідного каскаду.
| Транзистор |
КТ209М |
| Параметр |
|
| перехід Uке max Iк max Pк max Uке нас h21 e m і n fгр Cк |
p-n-p 60 В 0,3 А 0,2 Вт 0.4 В 40 6 МГц 50пФ |
Зробімо розрахунок ДСС1 на транзисторах VT5, VT6
Мінімальне значення напруги ДСС1.
(2.68)
Приймаємо:
UДСС 1 =5 В,
Uке ≈ 1 В ,
а решта залишається на UR 5 .
R5 та R8 потрібні для симетрії схеми через розкид параметрів і площ кристалів транзисторів струмового дзеркала, а також для збільшення вихідного опору схеми. Тому обираємо:
UДСС = 5 В
Uке = 1 В
UR е = 2,5 В
Струм спокою прикінцевого каскаду:
(2.69)
![]()
Початковий струм ДСС:
(2.70)
![]()
Максимальна потужність, що розсіюється на транзисторі VT5 ДСС :
(2.71)
![]()
За значеннями Р,І,U обираємо для джерела стабільного струму VT5, VT6 пару транзисторів КТ3102Б[13]. Їхні параметри зведено до таблиці 2.6
Таблиця 2.6 Параметри транзисторів струмового дзеркала.
| транзистор |
КТ3102Б |
| параметр |
|
| перехід Uке max Iк max Pк h21 e m і n |
n-p-n 50 В 0,2 А 0,25Вт 100 |
Далі розраховуємо R5, R8 у струмовому дзеркалі [3]:
R5= R8 >
= 3900 Ом (2.72)
Із стандартного 10% ряду обираємо резистори номіналом 3,9 кОм кожен, потужністю 0.125 Вт. Розрахунок потужності резисторів:
![]()
За заданим коефіцієнтом зворотнього зв'язку, наприклад, N=5 розрахуємо опір резисторів R4 та R7 [3]:
R4 = R7 =
= 208 Ом (2.73)
Де:
=25мВ - напруга теплового шуму
Із стандартного 2% ряду (щоб зменшити розкид параметрів) обираємо резистори номіналом 210 Ом кожен,
потужністю 0.125 Вт. Розрахунок потужності резисторів:
![]()
Для струмового дзеркала ДСС2 на VT3, VT4 оберемо транзистори такі ж як і вхідні, бо в них є запас з потужності, який повністю задовольняє умови.
Задаємося напругою струмового дзеркала - 5В, тоді максимальне припустиме значення R2 та R6 знаходиться на максимальних межах вхідної напруги [3].
(2.74)
Із стандартного 5% ряду обираємо резистори номіналом 4.2 кОм кожен,
потужністю 0.125 Вт. Розрахунок потужності резисторів:
![]()
Звідси знаходимо опір резистора R3:
(2.75)
Із стандартного 10% ряду обираємо резистор номіналом 36 кОм ,
потужністю 0.125 Вт. Розрахунок потужності резистора:
![]()
Знайдемо вихідний опір транзистора VT6
(2.76)
де Uy - потенціал Ерлі =100 (В )

Рисунок 2.5(Знаходження потенціалу Ерлі транзистора КТ3102Б )
Тоді вихідний опір струмового дзеркалаДСС2
RД
CC
2
=
+ R8 = 50000 + 3900 = 5,39 (кОм) (2.77)
2.10 Розрахунок ланцюга від’ємного зворотнього зв’язку [5].
За допомогою співвідношення (2,76) визначимо коефіцієнт гармонік в підсилювачі без зворотного зв’язку:
(2.78)
де c - коефіцієнт асиметрії вихідних транзисторів, вибирається у межах (0,3…0,5). Тоді:

Задаємося приблизним фактором зворотного зв’язку F = 35дБ (вибрано з метою уникання специфічних динамічних спотворень, які проявляються у вигляді різких перепадів вхідного сигналу).
![]()
![]()
Знайдемо коефіцієнт гармонік із ВЗЗ:
(2.79)

Опір резистора R18 визначимо так:
(2.80)
![]()
Для того, щоб опір не вносив значних змін у роботу кінцевого каскаду, номінал цього опору бажано збільшити. Отже обираємо R18=18 кОм 20% потужністю 0,125 Вт, так як ![]()
тоді ![]()
Визначимо номінал резистора R12:
(2.81)
![]()
Із стандартного 10% ряду обираємо резистор номіналом 7,5 Ом ,
потужністю 0.125 Вт. Розрахунок потужності резистора:
![]()
Перевіримо виконання умови:
(2.82)
![]()
2.11 Остаточний розрахунок вхідного диференційного каскаду[3].
Розрахуємо базове коло вхідного каскаду
Знайдемо сталу складову струму бази VT1:
. (2.83)

З ВАХ визначимо відповідне їй навантаження на базах першого і другого транзисторів:
![]()
Розрахуємо потенціали емітерів диференційної пари для двополярного живлення:
(2.84)
![]()
Визначимо опір R1 у базовому колі VT1:
(2.85)
![]()
Із стандартного 5% ряду обираємо резистор номіналом 20 кОм ,
потужністю 0.125 Вт. Розрахунок потужності резистора:
![]()
На опорі R9 та R13 повинно падати 10% Ежном , тому:
(2.86)
![]()
Із стандартного 10% ряду обираємо резистор номіналом 2,4 кОм ,
потужністю 0.125 Вт. Розрахунок потужності резистора:
![]()
Визначимо коефіцієнт підсилення каскаду з розімкненим ВЗЗ:
(2.87)

Таким чином:
(2.88)

2.12 Розрахунок кіл захисту вихідного каскаду[3]
Так як для подачі сигналу на бази вихідних транзисторів були використані транзистори КТ814Г і КТ815Г , то й у схемі захисту використаємо аналогічні транзистори VT12 - КТ814Г, VT11 - КТ815Г.
З умови, що опори R21, R22 - захищають транзистори Т11 і Т12 від кидків струму в колах бази.
То приймемо їх опори рівними по 100 Ом кожен.
Якщо R19 > R21, то при зменшенні вихідної напруги Uвих знижується також максимальний струм I вих max, внаслідок чого зменшується й потужність розсіювання при короткому замиканні.
Знайдемо R19, R20 з виразу

Із стандартного 10% ряду обираємо резистори номіналом 2 кОм кожен.
Розрахуємо потужність послідовно ввімкнутих опорів R19, R21, R23, R25 коли VT13 замкнений
|
|
Отже обираємо резистори R19 - R21 потужністю 1 (Вт).
2.13 Розрахунок номіналів конденсаторів[2]
У діапазоні нижніх частот (ДНЧ) спад частотної характеристики для даної схеми визначається двома конденсаторами: розділювальним на вході (С1) та блокувальним у ланцюгу ВЗЗ (С4). Проведемо остаточний розподіл спотворень між цими ємностями:
Мн = - 1 дБ (за умовою), тому:
- вхідне коло – МнС1 = - 0,2 дБ;
- ланцюг ВЗЗ – МнС4 = - 0,8 дБ.
Перетворимо Мн у рази:
![]()
![]()
Розподіл спотворень між каскадами проведений нерівномірно, тому що не рекомендується на вході підсилювача встановлювати великі ємності, оскільки це призведе до значних нелінійних спотворень.
Розрахуємо вхідний опір першого каскаду підсилювача без ЗЗ:
(2.90)

При розрахунку вхідного опору із увімкненим ВЗЗ необхідно враховувати опір резистору зміщення першого каскаду:
(2.91)

(2.92)
де
- без зворотного зв’язку буде
(2.93)


Розрахуємо мінімальні значення ємностей
(2.94)

Обираємо зі стандартного ряду С1– 0,47мкФ.
(2.95)

Обираємо із стандартного ряду С4– 2000мкФ
Ємність фільтруючого конденсатора С2 та С3 розраховується за формулою:
(2.96)
де
- частота пульсацій.
![]()
обираємо із стандартного ряду С2=С3 – 200мкФ
Оскільки цей підсилювач живиться двополярним джерелом живлення з досить високим потенціалом (± 48 В), то ємності фільтруючих конденсаторів С5 та С7 звичайно обирають дуже великими. Але для того, щоб уникнути паразитної індуктивності, яка з’являється завдяки електролітичним конденсаторам, у паралель їм встановлюють блокувальні, керамічні конденсатори.
(2.97)
Де
;


Таким чином, обираємо (с запасом) із стандартного ряду конденсатори:
С5 = С7 —3300мкФ
С6 = С8 — 0,15 мкФ
2.14 Вимоги до джерела живлення[6]
Сумарний струм, що споживається від джерела живлення:
(2.98)
![]()
Потужність, що вимагається від джерела живлення:
(2.99)
![]()
2.15 Розрахунок підсумкових характеристик підсилювача[2]
Коефіцієнт підсилення з напруги з розімкненим зворотним зв’язком :
(2.100)

Коефіцієнт підсилення за струмом:
(2.101)
![]()
Коефіцієнт передачі кола ВЗЗ:
(2.102)
![]()
Звідси глибина зворотнього зв'язку буде:
(2.103)
![]()
Коефіцієнт підсилення з напруги із замкненим зворотнім зв’язком:
(2.104)

Знаходимо вхідний опір підсилювача з урахуванням загального зворотнього зв’язку:
(2.105)

2.16 Розрахунок компенсатора Цобеля-Буше [3]
Імпеданс (повний електричний опір) гучномовців має максимуми і мінімуми. В області середніх частот він має мінімум, що дорівнює приблизно половині опору звукової котушки динаміка, і максимум поблизу частоти резонансу рухомої системи. Імпеданс в зоні резонансу перевищує номінальний у декілька разів. Із зростанням частоти він збільшується – це відбувається із-за індуктивності звукової котушки. На режим роботи підсилювачів особливо негативно впливають, перешкоди, з боку різноманітних комутуючих пристроїв, що викликають різке короткочасне зникнення сигналу. З вищесказаного слідує, що індуктивність гучномовця може викликати миттєве збільшення потужності і навіть призвести до пробою, коли піки перешкод перевищують UK Е max .
Для компенсації індуктивної складової імпедансу застосовується компенсатор Цобеля-Буше. Він являє собою послідовне RC – коло, яке підключається паралельно до динаміка. В результаті імпеданс навантаження стає практично активним не залежить від частоти.
Зробимо розрахунок елементів компенсатора:
(2.106)
Із стандартного ряду обираємо прецизійний резистор номіналом 8,2 Ом.
Потужність резистора на практиці обирають такою, що дорівнює 2Вт.
Знайдемо значення конденсатора в компенсаторі:
(2.107)
Де L- індуктивність звукової котушки, при даній потужності і номінальному опору навантаження беремо L = 0,6 мГн. Тоді:

Із стандартного 20% ряду обираємо ємність номіналом 10 мкФ.
3. Електричний розрахунок ППЗЧ на інтегральних мікросхемах
3.1 Вибір елементів підсилення схеми
Для прикінцевого каскаду ППЗЧ оберемо мікросхему підсилювача потужності (закордонної фірми)[8] яка забезпечує потрібне підсилення сигналу з потужності в заданому навантаженні згідно з технічним завданням.
Початкові дані наведенні з технічного завдання:
| Р н = 60 Вт |
- |
потужність у навантаженні; |
| R н = 8 Ом |
- |
опір навантаження; |
| f в = 25 кГц |
- |
верхня робоча частота; |
| f н = 25 Гц |
- |
нижня робоча частота |
| Ес = 0,25 В |
- |
вхідний сигнал; |
| R дж =47кОм |
- |
опір джерела сигналу; |
| Мн = -1дБ |
- |
лінійні спотворення на нижній частоті; |
| Мв = -1дБ |
- |
лінійні спотворення на верхній частоті; |
| Кг = 0,1% |
- |
коефіцієнт нелінійних спотворень. |
Вибираємо прикінцевий підсилювач, який при опорі навантаження Rн = 8 Ом зможе забезпечити вихідну потужність Рвих=60Вт, буде мати , f в
= 25 кГц , f н
= 25 Гц ,
. За даними довідника [8] обираємо мікросхему STK085 фірма виробник: SANYO , додаткові данні та рекомендована схема включення якої наведенні у додатку В та таблиці [3.1].
Таблиця 3.1

Знайдемо Кu мікросхеми STK085 у разах.
За довідниковими даними у неї Кu=33дБ:
(3.1)
Для визначення потрібного коефіцієнта підсилення усього підсилювача візьмемо спочатку вихідну напругу, знайдену за формулою [1.2]:
![]()
Розрахуємо потрібний коефіцієнт підсилення всього ППЗЧ [7]:
![]()
![]()
де Uвх = Ес = 0.25 В – ввідна напруга або напруга джерела сигналу задана за технічним завданням.
Бачимо що мікросхема STK085 не забезпечує потрібного підсилення 124>44.7, тобто потрібно розрахувати попередній каскад підсилення.
На вхід підсилювача потужності встановимо каскад на операційному підсилювачі (ОП), тому що він має диференціальний вхід, що дозволяє забезпечити велике послаблення синфазних складових сигналу, тобто зменшується рівень шумів. Сам ОП має дуже великий коефіцієнт підсилення, підключивши до нього зворотний зв'язок можна значно розширити його смугу пропущення. А також згідно технічного завдання ми розраховуємо одноканальний ПЗЧ, так що вибір ОП буде обґрунтований й економічно.
Для вхідного каскаду оберемо ОП з високим вхідним опором і підвищеною швидкодією. К544УД2 (виробництва СНГ) параметри якого наведені у таблиці [3.2] Електрична схема ОП містить вхідний диференціальний каскад на польових транзисторах з p-n переходом, проміжний диференціальний каскад на p-n-p транзисторах, і вихідний двотактний повторювач напруги. Частотна корекція здійснюється внутрішнім інтегруючим конденсатором та резистором.
Таблиця 3.2

Рисунок 3.1 (Схема балансування напруги зсуву К544УД2)
З початкової формули розрахунку коефіцієнта підсилення всього ПЗЧ [7].
(3.3)
Знайдемо який коефіцієнт підсилення повинен бути в каскаді на ОП
Коефіцієнт підсилення всього підсилювача повинен бути 124, згідно (3.2), а каскад на мікросхемі STK085 забезпечує
=44,7, значить, знайдемо потрібний коефіцієнт підсилення каскаду на мікросхемі DA1:
![]()
Принципова електрична схема ППЗЧ приведена в додатку Г.
3.2 Розрахунок додаткових елементів ОП [7]
Розрахуємо додаткові елементи яки задають коефіцієнт підсилення ОП необхідний для завдання параметрів всього підсилювача.
При розрахунку потрібного коефіцієнта підсилення для DA1, підключеного по схемі інвертуючого підсилювача рисунок 3.2, спочатку треба задати вхідний опір підсилювача, який на практиці обирають для ОП від сотень ом до декількох десятків кілоом.

Рисунок 3.2 (Cхема підключення к ОП зворотного зв’язку)
Оберемо Rвх = R1 = 47 кОм Коефіцієнт підсилення для ОП, з поданим сигналом на інвертую-чий вхід дорівнює:
(3.5)
З цього виразу знайдемо значення резистора R2:
![]()
Із стандартного 5% ряду обираємо резистор номіналом 130 кОм потужністю 0.125 Вт. Розрахунок потужності резистора:

Значення оперу R3- схеми балансування напруги зсуву ОП обирається рівним 150 кОм 0,125Вт згідно рекомендації заводу виробника.
3.3 Розрахунок параметричного стабілізатора [11]
Тому що вихідна мікросхема запитана від джерела з напругою +48В, а ОП повинен бути запитаним номінальною напругою +15В, то необхідно підключити ОП через параметричний стабілізатор.
З довідника [9] по напівпровідникових приладах вибираємо стабілітрон VD1 та VD2 типу КС515А, що має напругу стабілізації Uст = 15 В; виписуємо з довідника також його робочий діапазон струму:
Iст.мін = 1 мА, Iст.макс = 53 мА
При мінімальній напрузі живлення U = 48 - 15 = 32 В визначаємо мінімальний струм баластового резистора з обліком, що струм через стабілітрон не повинен бути менший за 1 мА. Візьмемо з деяким запасом:
Iст.мін = 3 мА, тоді
Iбал = Iст.мін + Iнаван (3.5)
Де
Iнаван – максимальна споживча потужність ОП, поділена на напругу живлення = 0,3/15 = 0,02 А.
Iбал = 3 + 20 = 23 мА
Визначимо опір баластового резистора:
(3.6)
Із стандартного 10% ряду обираємо резистор номіналом 1,5 кОм потужністю 1 Вт. Розрахунок потужності резистора:
![]()
Перевіримо значення максимального робочого струму з запасом, що проходить крізь стабілітрон:
(3.7)
Максимальний струм крізь стабілітрон не перевищує Iст.макс.ДОП
ВИСНОВОК
У процесі курсового проектування був розрахований безтрансформаторний ППЗЧ з усіма параметрами та вимогами, заданими у технічному завданні. В якості схеми для дискретного виконання була обрана двокаскадна схема з диференціальним каскадом на вході. Переваги диференціального каскаду – зручність створення підсилювача з неінвертуючим та інвертуючим виходами, простота досягнення високої стабільності роботи та реалізації різних видів зворотнього зв'язку. Симетрична схема забезпечує підсилення лише різниці вхідних сигналів, а отже високої точності та стабільності схем із зворотнім зв'язком.
Передкінцевий каскад підсилення виконано за схемою з СЄ. Ця схема підсилює як струм, так і напругу, отже потужність. Для отримання максимального коефіцієнту підсилення зі струму та з напруги обрано транзистор з максимальним значенням h21e. Недоліком схеми з СЕ є його недостатньо великий вхідний опір, через що від попереднього каскаду важко отримати високий коефіцієнт підсилення з напруги.
На виході розраховано прикінцевий каскад, реалізований на двотактному емітерному повторювачі на складених транзисторах. Ця схема підсилює лише за струмом, але головна її перевага – вхідний опір, що дозволяє навіть при низькому опорі навантаження не мати важких умов роботи попереднього каскаду.
Підсилювач охоплений загальним ВЗЗ Н - типу. Завдяки зворотньому зв’язку підвищується вхідний опір, зменшується вихідний, стабілізується коефіцієнт підсилення та розширюється смуга робочих частот.
Також у підсилювачі розрахована схема захисту вихідних транзисторів від перенавантаження, а також від замикання в колі навантаження.
Також був розрахований ППЗЧ на інтегральних мікросхемах. Він складеться з двох каскадів. Другий на потужній мікросхемі закордонної фірми з елементами рекомендованими виробником. Перший на ОП з розрахованими додатковими елементами.
ПЕРЕЛІК ПОСИЛАНЬ
1. СТП 15-96. Пояснювальна записка до курсових та дипломних проектів. Вимоги і правила оформлення – Запоріжжя, ЗДТУ, 1996. – 36с.
2. Методичні вказівки до виконання курсового проекту з дисципліни “Пристрої підсилення сигналів” для студентів спеціальності 8. 090 701/ Укл. В. С. Кабак.–Запоріжжя: ЗНТУ,1999.– 47с.
3. Шкритек П. Справочное руководство по звуковой схемотехнике. Пер. с нем. – М: Мир, 1991 – 446 с.
4. Хоровиц П., Хилл У. Искусство схемотехники. М.: Мир, 1998.
5. Остапенко Г.С. Усилительные устройства: Учеб. пособие для вузов. - М.: Радио и связь, 1989. – 400с.
6. Варакин Л.Е. Беcтрансформаторные усилители мощности. – М.: Радио и связь, 1984.– 128 с.
7. Фолкенберри Л. Применения операционных усилителей и линейных ИС. – М.: Мир, 1985. – 572с.
8. Авторы-разработчики ПО: Шульгин О. А., Шульгина И. Б., Воробьев А. Б. Электронный справочник по аналоговым микросхемам для аудиоаппаратуры.
9. Москатов Е. А. Справочник по полупроводниковым приборам. – М.: Журнал “Радио”, 2005. – 208 с.,
10. Савилин А. И. Зарубежные интегральные микросхемы и их аналоги. ДМК прес, 2001. - 328с.
11. Примеры решения задач по электронике . http://www.nspu.net/fileadmin/library/books/19/act/data/02/02_09.htm
12.Титце У., Шенк К. Полупроводниковая схемотехника: Справочное руководство. Пер. с нем.–М.: Мир,1983.–512с.
13. Лавриненко В. Ю.Справочник по полупроводниковым приборам. 10-е изд., перераб. и доп. — К.: Техніка, 1984.—424 с.
Додаток А

Додаток Б
Перелік елементів підсилювача на дискретних елементах
зона |
Поз.познач. |
Найменування |
Кіль-кість |
Примітки |
|
|
|
Конденсатори |
|
|
|
|
С1 |
К52-17-25В-0,47мкФ АЖЯР 673543.003 ТУ |
1 |
|
|
|
С2, С3 |
К52-17-63В-200мкФ АЖЯР 673543.003 ТУ |
2 |
|
|
|
С4 |
К52-17-63В-2000мкФ АЖЯР 673543.003 ТУ |
1 |
|
|
|
С5 |
К52-17-63В-33000мкФ АЖЯР 673543.003 ТУ |
||
|
|
С6 |
К 71-7 - 15 0В- 0,15мк Ф- M 750 ОЖО 461.133 ТУ |
1 |
|
|
|
С7 |
К52-17-63В-33000мкФ АЖЯР 673543.003 ТУ |
1 |
|
|
|
С8 |
К 71-7 - 15 0В- 0,15мк Ф- M 750 ОЖО 461.133 ТУ |
1 |
|
|
|
С9 |
К 71-7 - 15 0В-1 0, 0 мк Ф- M 750 ОЖО 461.133 ТУ |
1 |
|
|
|
|
Резистор и |
|
|
|
|
R1 |
С2-33Н- 0,125 -20 кОм ±5% ОЖО.467.173 ТУ |
1 |
|
|
|
R2 |
С2-33Н- 0,125 - 4,2 кОм ±5% ОЖО.467.173 ТУ |
1 |
|
|
|
R3 |
С2-33Н- 0,125 -3,9 кОм ±10% ОЖО.467.173 ТУ |
1 |
|
|
|
R4 |
С2-33Н- 0,125 - 210 Ом ±2% ОЖО.467.173 ТУ |
1 |
|
|
|
R 5 |
С2-33Н- 0,125 -3,9 кОм ±10% ОЖО.467.173 ТУ |
1 |
|
|
|
R 6 |
С2-33Н- 0,125 - 4,2 кОм ±5% ОЖО.467.173 ТУ |
1 |
|
|
|
R 7 |
С2-33Н- 0,125 - 210 кОм ±2% ОЖО.467.173 ТУ |
1 |
|
|
|
R 8 |
С2-33Н- 0,125 -3,9 кОм ±10% ОЖО.467.173 ТУ |
1 |
|
|
|
R 9 |
С2-33Н- 0,125 - 2,4 кОм ±10% ОЖО.467.173 ТУ |
1 |
|
|
|
R 10 |
С2-33Н- 0,125 - 100 кОм ±10% ОЖО.467.173 ТУ |
1 |
|
|
|
R 11 |
С2-33Н- 2 - 1,8 кОм ±20% ОЖО.467.173 ТУ |
1 |
|
|
|
R 12 |
С2-33Н- 0,125 - 7,5 Ом ±10% ОЖО.467.173 ТУ |
1 |
|
|
|
R 13 |
С2-33Н- 0,125 - 2,4 кОм ±10% ОЖО.467.173 ТУ |
1 |
|
|
|
R 14 |
С2-33Н- 0,125 - 100 Ом ±10% ОЖО.467.173 ТУ |
1 |
|
|
|
R 15 |
С2-33Н- 0,125 - 510 Ом ±10% ОЖО.467.173 ТУ |
1 |
|
|
|
R 16 |
СП3-44Н-0,25-3,3кОм ±10%-Н ОЖО.468.369 ТУ |
1 |
|
|
|
R 17 |
С2-33Н- 0,125 - 100 Ом ±10% ОЖО.467.173 ТУ |
1 |
|
|
|
R 18 |
С2-33Н- 0,125 - 18к Ом ±20% ОЖО.467.173 ТУ |
1 |
|
|
|
R 19, R 20 |
С2-33Н- 0,125 - 2 кОм ±10% ОЖО.467.173 ТУ |
2 |
|
|
|
R 21, R 22 |
С2-33Н- 0,125 - 100 Ом ±10% ОЖО.467.173 ТУ |
2 |
|
|
|
R 23, R 24 |
Р1-72-2 -0,4 Ом ±0,5% -А АБШК.434110.049 ТУ |
2 |
|
|
|
R 2 6 |
Р1-72-2 -8,2 Ом ±0,5% -А АБШК.434110.049 ТУ |
1 |
|
|
|
|
|
||
|
|
|
Транзистори |
|
|
|
|
VT1 - VT 4 |
КТ 209М а А 0 . 336 . 065 ТУ |
4 |
|
|
|
VT 5, VT 6 |
КТ 3102Б ЖК3.365.186 ТУ |
2 |
|
|
|
VT 7 |
КТ 815Г аА0.336.189 ТУ |
1 |
|
|
|
VT 8, VT 9 |
КТ 814Г аА0.336.256 ТУ |
2 |
|
|
|
VT 10, VT 11 |
КТ 815Г аА0.336.189 ТУ |
2 |
|
|
|
VT1 2 |
КТ 814Г аА0.336.256 ТУ |
1 |
|
|
|
VT1 3 |
КТ 827А АДБК.432140.993 ТУ |
1 |
|
|
|
VT 1 4 |
КТ 825А аА0.336.306ТУ |
1 |
Додаток В
Типова схема включення STK085.

Додаток Г

Додаток Д
Перелік елементів підсилювача на мікросхемах
зона |
Поз.познач. |
Найменування |
Кіль-кість |
Примітки |
|
|
|
Конденсатор и |
|
|
|
|
С1 |
К50-24 –100 В – 1 мкФ ±20% ОЖО.952.087 ТУ |
1 |
|
|
|
С2 |
К-10-17-100В-470пФ ±10% ОЖО.460.068 ТУ |
1 |
|
|
|
С3 |
К50-24 –63 В – 4,7 мкФ ±10% ОЖО.952.087 ТУ |
1 |
|
|
|
С4 |
К50-24 –100 В – 1 мкФ ±20% ОЖО.952.087 ТУ |
1 |
|
|
|
С5, С6 |
К50-24 –100 В – 220 мкФ ±20% ОЖО.952.087 ТУ |
2 |
|
|
|
С7 |
К-10-17-100В-0,1мкФ ±10% ОЖО.460.068 ТУ |
1 |
|
|
|
С8 |
К-10-17-1 0 0В-2 рФ ±10% ОЖО.460.068 ТУ |
1 |
|
|
|
С9 |
К-10-17-1 0 0В-180 рФ ±10% ОЖО.460.068 ТУ |
1 |
|
|
|
С10, С11 |
К50-24 –100 В – 220 мкФ ±20% ОЖО.952.087 ТУ |
2 |
|
|
|
С12 |
К-10-17-100В-0,1мкФ ±10% ОЖО.460.068 ТУ |
1 |
|
|
|
С13 |
К50-24 –100 В – 47 мкФ ±20% ОЖО.952.087 ТУ |
1 |
|
|
|
С14 |
К-10-17-60В-47нФ ±10% ОЖО.460.068 ТУ |
1 |
|
|
|
|
|
|
|
|
|
|
Мікросхеми |
|
|
|
|
DA1 |
К544УД2 /СНД/ |
1 |
|
|
|
DA2 |
STK 085 /SANYO/ |
1 |
імпорт |
|
|
|
|
|
|
|
|
|
Резистор и |
|
|
|
|
R1 |
С2-23 – 0,125 – 47 кОм ± 10% ОЖО.467.093 ТУ |
1 |
|
|
|
R2 |
С2-23 – 0,125 – 13 0кОм ± 5% ОЖО.467.093 ТУ |
1 |
|
|
|
R3 |
СП3-44Н-0,25-3,3кОм ±10%-Н ОЖО.468.369 ТУ |
1 |
|
|
|
R4 |
С2-23 – 0,125 – 1 кОм ± 10% ОЖО.467.093 ТУ |
1 |
|
|
|
R5.R6 |
С2-23 – 1 – 1, 5 кОм ± 10 % ОЖО.467.093 ТУ |
2 |
|
|
|
R7 |
С2-23 – 0,125 – 56 кОм ± 10% ОЖО.467.093 ТУ |
1 |
|
|
|
R 8 ,R9 |
С2-23 – 0, 5 – 100 Ом ± 10% ОЖО.467.093 ТУ |
2 |
|
|
|
R1 0 |
С2-23 – 0,125 – 1,2к Ом ± 10% ОЖО.467.093 ТУ |
1 |
|
|
|
R1 1 |
С2-23 – 0,125 – 56 кОм ± 10% ОЖО.467.093 ТУ |
1 |
|
|
|
R12 |
С2-23 – 0, 5 – 4,7 Ом ± 5 % ОЖО.467.093 ТУ |
1 |
|
|
|
|
|
||
|
|
|
Діоди |
|
|
|
|
VD1,VD2 |
КС515А 3362084г41 а А 0 . 336 . 002 ТУ |
2 |
|
|
|
|
|
|
|
|
|
|
З’єднувач |
|
|
|
|
Х1 |
ШР 12 П 10 Э 9 –К НКЦС.434410.111.ТУ |
1 |
|
(1.1)
, (1.3)
(1.4)
(1.5)


(2.2)
(2.3)

(2.7)
(2.8)
(2.9)




